便携式家用洗车器结构设计毕业论文
2020-02-19 18:23:19
摘 要
随着汽车生产技术的成熟,与汽车相关的洗车行业也迅猛发展起来,而目前国内的洗车机构的洗车设备对于水资源的利用十分不合理,既浪费了大量的水资源,并且专用的清洗机械体型大、笨重、耗水量大、耗电量大。并且有车一族需要汽车清洗服务时,还必须到专门的洗车机构,费时费力费钱。对于以上实际问题,想要改善这一现状毫无疑问具有很大的难度。因此,本设计将设计出一款新型便携式家用洗车机,旨在能够改善目前国民的洗车现状。
对于目前国内的一般洗车机进行分析,洗车机主要通过水泵抽水,然后将水射流从水枪喷头喷出,通过高压高速的水射流对汽车车身各个角落进行冲洗,以此清洗冲刷掉汽车车身上的污渍和泥沙。在冲刷之后,需要人工使用洗车液和洗车刷和清洁棉布亲自对汽车车身进行擦洗,最后再使用洗车机对汽车车身进行冲洗。通过这样的洗车方式,确实可以保证汽车清洗的干净彻底程度,但是这种洗车方式太浪费水电资源,并且耗费人力,因此必须对洗车机的功能和结构进行改善,才能推动洗车行业的进步。
基于以上背景,本文通过对便携式家用洗车机的结构和工作原理的分析,以及联系实际洗车的用水量情况和洗车供能问题和洗车的洗车地点时间问题,设计了一种便携式自带水箱和供能装置的家用洗车机,本设计通过计算完成对潜水泵和供电电源的选型、洗车机的重要组成结构——洗车机桶体和旋转喷头设计,设计了简便的控制系统用以保证潜水泵的安全工作,并绘制了二维结构图。
关键词:洗车机;新型便携式家用;结构设计;旋转喷头
Abstract
With the increasing size of car owners, the car washing industry is gradually becoming a major water user. In Shanghai, 1 ton of water is used for car washing for every 100 tons of water used. Therefore, some experts suggest promoting recycling water equipment in the car washing industry, but it is difficult to implement it. It is known that car washing water is really a big problem to be solved all over the country. At present, many family cars need to be maintained and clean, the special car washing tools are large in volume, poor in portability, high in cost, waste of water resources, and can not be lined up in professional car washing institutions. Therefore, in the face of this kind of social demand problem, it is urgent to develop a new portable home car washing machine.
For the current domestic general car washing machine analysis, the car washing machine by spraying water brush spray water, can quickly clean the body stains. It has the advantages of convenience, high performance-price ratio and so on. But after washing, the car must be carefully wiped with soft wipes or clean sponges. it is not only troublesome but also a waste of time and strength to clean the car, which seriously hinders the market for the use of car washers.
Based on the above background, this paper analyzes the structure and working principle of portable domestic car washing machine, as well as the water consumption of car washing and the energy supply of car washing and the time of car washing place. A portable domestic car washing machine with its own water tank and energy supply device is designed. The calculation and selection of the power supply of the submersible pump, the simple control system of the submersible pump in the car washing machine, the structure of the bucket body and the structure of the rotating sprinkler are designed. The two-dimensional structure diagram is designed and drawn.
The portable car washing machine in this paper combines towel cleaning with sprinkler spray to make the cleaning of private cars more time-saving and labor-saving.
Key Words:Car washer;New portable household;Architectural design;Rotating sprinkler
目 录
第一章 绪论 1
1.1 家用便携式洗车机的研究背景和意义 1
1.2现如今洗车的主要方法 1
1.2.1 no-touch洗车 1
1.2.2 无水洗车 1
1.2.3 电脑洗车 1
1.2.4 高压洗车 2
1.2.5 便携式洗车 2
1.3 国内外研究现状 2
1.3.1 国外对于洗车的研究现状 2
1.3.2.国内对于洗车的研究现状 2
1.4 本课题的研究内容 3
第二章 便携式家用洗车机总体方案设计 4
2.1 供水装置的方案选择 5
2.1.1 洗车机直接连接水阀 5
2.1.2 洗车机自带蓄水装置 5
2.2 供能装置的方案选择 5
2.2.1洗车机供电方式方案确定 5
2.2.2洗车机潜水泵的选型 6
2.3 洗车机工作原理设计 6
2.4 洗车机控制系统的工作原理及方案设计 7
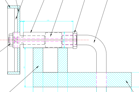
第三章 洗车机桶体设计 9
3.1 洗车机桶体设计特性要求 10
3.2 洗车机桶体结构选择 10
第四章 旋转喷头系统设计 12
4.1 旋转喷头系统工作原理 12
4.2 旋转喷头系统的结构组成 12
4.3 旋转喷头系统的重要结构设计计算 14
4.3.1 出水口直径确定 14
4.3.2 旋转轴的参数设计 14
4.3.3 旋转轴的强度校核 16
第五章 总结与展望 18
5.1 设计总结 18
5.2 工作展望 18
参考文献 19
致谢 21
第一章 绪论
家用便携式洗车机的研究背景和意义
在国外,自助洗车技术已经发展得十分成熟,并且已经成为了洗车的主要方法之一,在美国各地都有大量的自助式洗车机器被用来提供给美国国民进行汽车清洗服务,因而在美国如此众多的车辆却也大多能保持干净整洁。
伴随着我国国民的经济收入的不断增加,越来越多的国民都购买了小汽车,私家车的清洗问题都俨然成为了目前亟需解决的一大现实问题,使得市场上洗车机的种类和数量正在不断增多。据统计,平均每一百户家庭,就有三十一户家庭拥有一辆私家车,国民对于私家车的持有率不断升高,可是我国的洗车行业发展却并没有跟上步伐,造成了汽车清洗服务的供不应求,狼多肉少,国民洗车面临着除了要话费高额洗车费用还要浪费许多时间排队和等候的问题,费财费时。除此之外,在城市中央大都不会设立洗车店,因此国民需要洗车服务还要多番周折跑到城市的郊区偏僻处,使得国民洗车变得非常不便。
1.2 现如今洗车的主要方法
现如今洗车主要有以下几种方法:
1.2.1 no-touch洗车
此种洗车方式简单来说就是水流施加高压使其变为高压水射流,高压水射流从各个角度从上往下、从前往后对汽车进行清洗,冲刷掉汽车各个角落处的泥沙和污垢。然后再向汽车上喷洒清洗液,如此过程不断反复,就完成了汽车的清洗。在清洗的最后给车身喷上一层保护蜡来避免车漆被擦伤。由于在此整个洗车步骤中,都没有使得汽车车体与任何擦洗工具直接碰触,大大减小了洗车工作对汽车车体的伤害并且提高了汽车清洗的干净程度,缺点在于完成一次洗车所需耗费的水资源太大,清洗成本太高。
1.2.2 无水洗车
无水洗车通过使用特殊的洗车材料,可以不使用水就完成整个汽车清洗过程,本质上是使用一种保护蜡对车身和轮胎进行保护并完成汽车的整体清洗,这种洗车方式大大减低了洗车对车身的损伤,同时提高了清洗速度。不过就目前的蜡洗技术而言,还做不到很彻底很干净的汽车清洗。
1.2.3 电脑洗车
完全由电脑控制进行的全自动汽车清洗,节约了大量的清洗时间,在清洗完一辆车之后,使用过的洗车水还能够再次利用用来洗车,十分节能和环保。但是电脑洗车的技术还不够成熟,洗车的硬件成本昂贵,致使洗车费用很高,不适用于普通洗车客户。
1.2.4 高压洗车
高压洗车的方法相对老旧,一般高压洗车都只出现在一些老式的洗车机构内,洗车员通过手持连接高压洗车机的高压水枪对汽车车体进行冲洗,耗时耗力,并且要冲刷干净汽车车体各个角落的污渍和泥垢,需要浪费大量水资源。虽然市场上针对这种高压洗车机器设计制造了相对应的节水设备,旨在使得高压洗车使用的洗车水能够循环反复的使用,但是这种使得洗车水能够循环使用的设备本来成本较高,而且使用起来会大大提高洗车成本,一般的老式洗车店并没有真正采用。这种高压洗车十分浪费水资源,不符合我国节约环保的精神理念,因此目前许多城市都早已淘汰掉这种洗车方式。
1.2.5 便携式洗车
便携式洗车就是使用便携式家用洗车机进行汽车清洗,由于便携式家用洗车机便于携带,并且自身带有供电电源和供水装置,使得洗车用户可以随时随地进行洗车。自带供水装置,洗车消耗的水资源也大大减少,大大降低了水资源的浪费程度,符合我国国民节约用水的宗旨,适合广泛推广。
1.3 国内外研究现状
伴随着经济收入的不断增加,越来越多的居民都购买了小汽车,私家车的清洗问题都俨然成为了目前亟需解决的一大现实问题,使得市场上洗车机的种类和数量正在不断增多。而汽车产业的发展而言,我国与其他发达国家相比仍然还是落后好几十年甚至上百年的,而洗车行业作为汽车产业的附随产业,自然我国的洗车行业与其他发达国家相比也落后了很多,因此将我国对洗车机的研究现状与国外发达国家的研究现状进行对比,可以从中认识到我国的洗车行业的发展仍然是一场革命工程。
1.4 本课题的研究内容
本文联系实际,针对当前国民洗车仍需迫切解决的主要问题,设计了一款新型便携式家用洗车机。通过对便携式家用洗车机的结构和工作原理的分析,以及联系实际洗车的用水量情况和洗车供能问题和洗车的洗车地点时间问题,设计了一种便携式自带水箱和供能装置的家用洗车机,并完成了该洗车机的各重要组成机构的结构设计。
1.3.1 国外对于洗车的研究现状
以美国为例。美国占地面积广而相对人口却十分稀少,但是由于美国的科技发展走在世界前沿,道路建设完善,对于汽车的生产技术也十分成熟,因此私家车早已进入了了美国居民的平日的生活之中,是美国居民的主要出行工具。汽车作为出行工具也更加符合现代社会快节奏的发展趋势。美国的洗车服务大都包含在汽车美容服务的产业链中,而连锁技术是此行业最大的特点。美国主要有以下两种洗车方式:
- 自助洗车机构洗车。在美国,收费站、检测站、加油站等许多服务机构都会有自助洗车机的设立,而且汽车的清洗剂,和一些辅助的清洗工具也十分容易购买到,使得自助洗车机在美国收到了广泛推广和洗车用户的欢迎。
- 电脑洗车机洗车。在美国一些专业的洗车机构,一些汽车服务机构,和一些汽车美容保养机构,都会有设立电脑洗车机。洗车用户到这些机构之后,这些机构的工作人员会通过电脑直接控制电脑洗车机对汽车进行清洗,但是电脑洗车经费较高。
1.3.2.国内对于洗车的研究现状
对于国内洗车行业的分析,发现我国目前最为普遍的洗车方法还是使用滞后的人力清洗、高压水枪喷水清洗汽车,也有部分城市开始使用用电脑操作的汽车清洗机器,但是我国的洗车方式毫无疑问仍然相当落后。并且这些普遍的汽车清洗方式的成本也各不相同,导致这些不一样的的洗车带来的成本和花费也各不一样。随着科学技术日新月异的变革,汽车清洗技术也发展得飞快,从前的传统汽车清洗技术注定要被时代所摒弃,新的汽车清洗方式必定会取而代之。而在洗车技术的不断变革之中,检验这些技术是否适用和成熟的标准,自然而然就是洗车用户对于洗车机对汽车车体的清洗的干净程度,还有成本花费是否适当,能否向普通洗车用户广泛推广。而作为消费者的洗车用户,他们更多关心的是汽车清洗的干净程度,清洗一次私家车的开销高低,以及洗车用户的便捷程度,是否能够避免长时间的汽车清洗等待时间,还有对汽车车体的伤害风险大小,他们往往对于哪种洗车方法更能省水不是那么关注。而我国的洗车行业同其他行业一样,行业内部的追赶十分紧凑,想要在汽车清洗行业中立下脚跟,就必须设计出新型的能够满足汽车清洗用户的要求并且还要符合我国的节约资源的宗旨。
第二章 便携式家用洗车机总体方案设计
便携式家用洗车机要完成整个汽车清洗过程,需要供水装置、供能装置、洗车喷头以及对所有装置配合起来之后组成的洗车系统的相应的控制系统完整配合。在洗车机的设计中,必须联系实际情况,考虑到洗车机的便于携带方便使用性以及要适用于家庭使用的能耗和水资源消耗程度还有实际完成一辆汽车的清洗过程所必需需要的条件等等因素,确定了便携式家用洗车机的总体设计方案。

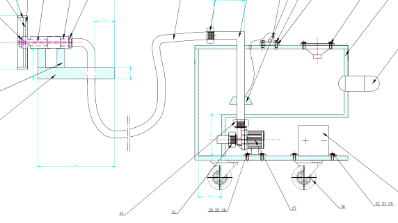
图2.1 便携式家用洗车机总体结构主视图

图2.2 便携式家用洗车机总体结构俯视图
供水装置的方案选择
联系目前我国各种洗车行业的实际情况,洗车机的供水方式主要有两种方案。方案一是洗车机直接接水阀,使用流动水源的水资源直接进行冲洗,完成汽车的冲洗过程;方案二则是洗车机自带蓄水装置,通过供能装置将蓄水装置内部的非流动水源的水资源抽取,进而完成对于汽车的清洗过程。
洗车机直接连接水阀
由于我国自来水水阀的技术成熟以及现如今的遍及,洗车机选用直接连接自来水水阀也变得十分方便,而且由于自来水公司的供压系统,自来水水阀在连接洗车机之后,内部的自来水本身就具有高压,因此无需洗车机再配备供能装置,可以通过管道直接连接洗车喷头进行汽车清洗。但是使用自来水水阀连接洗车机进行汽车清洗,对于洗车场地有一定的要求,需要在配备有自来水水阀的地点才能进行汽车清洗,而且在清洗过程中,需要水管的长度要求也较大,每次洗车都需要对洗车机水管和自来水水阀重新进行连接紧固,进行紧固需要一定的工具,工具需要随身配备,因此除了洗车机外还需携带相应的工具,使得洗车的准备活动变得繁琐。
洗车机自带蓄水装置
洗车机自带蓄水装置,使得在进行汽车清洗时不用再考虑水源的问题,对于洗车地点的要求大大降低,使得汽车清洗的条件更加简化,并且省去了进水水管的安装以及进水水管与水源的连接等环节,洗车机也变得更加便携。但是考虑到洗车机的便携性,蓄水装置的蓄水量需要被严格控制,既要能够足以完成一辆汽车的清洗过程,也要拥有尽量小的尺寸使得包含此蓄水装置的整个洗车机便于携带,而且由于是自带蓄水装置,其进行汽车清洗的过程中使用的水资源本身不存在动力,故而需要在洗车机中安装供能装置供能来完成汽车清洗。
综合以上两种方案,考虑到洗车机的实际便携性和实际使用的方便性,最后确定了选择洗车机自带蓄水装置的方案作为整个洗车机的供水装置。
供能装置的方案选择
联系上文的洗车机供水装置的方案确定,考虑到洗车机的实际便携性和实际使用的方便性,最后确定了选择洗车机自带蓄水装置的方案作为整个洗车机的供水装置。而目前我国的连接蓄水池的洗车机普遍使用最多的供能装置主要是通过供电装置向潜水泵进行供电,使得潜水泵正常运行工作,进一步完成汽车清洗工作。
2.2.1洗车机供电方式方案确定
联系当前社会能源使用情况,最广泛使用、最方便使用且使用时花费成本较低的可用能源无非就是电能了,因此本文中的便携式家用洗车机也与当今社会中绝大多数普通家用电器一样使用电能,而绝大多数普通家用电器的供能装置中,最便捷且成本最低的供电方式主要有两种方案,一种是使用交流电源进行供电,即目前家庭使用得最为普遍的220V家用交流电;另一种普遍常用的供电方式即为使用蓄电池来对洗车机进行供电。
方案一:使用220V家用交流电对洗车机进行供电,使得洗车机的电耗情况无须担忧,因为家用220V交流电足以满足洗车机在进行汽车清洗永久供电需求。但是由于洗车机需要连接交流电,使得洗车机在进行汽车清洗时受到了同样的洗车地点的束缚,由于洗车需要一定的场地大小要求,在室外进行洗车时,则需要较长的电线来进行电源连接,而且本文中便携式家用洗车机的工作并不需要220V那么高的电源电压,因此显得有些浪费以及不够便携,使得本文设计的目的出现了偏差。
方案二:使用蓄电池来对洗车机进行供电,由于蓄电池型号众多,而本文设计中的便携式家用洗车机对于供能装置的工作需求电压的要求较低,因此可以直接选用适合的相应型号的蓄电池进行供电。而且蓄电池可以直接安装在洗车机内部,不影响洗车机的便携性,却大大降低了洗车机对于洗车地点和供电电线等硬性要求。但是蓄电池不像家用交流电源“取之不尽用之不竭”,在蓄电池内部的电量使用消耗较多之后需要及时补充电量,或更换新的蓄电池,加大了相应的成本。但是本文所设计的便携式家用洗车机所需的电能消耗较小,因此相应的使用蓄电池进行供电所带来的成本增加较小,远不及使用220V交流电进行供电带来的能耗和对洗车机的损害的影响大,故而可以忽略考虑此方案带来的成本增大问题。
以上是毕业论文大纲或资料介绍,该课题完整毕业论文、开题报告、任务书、程序设计、图纸设计等资料请添加微信获取,微信号:bysjorg。
相关图片展示:








