13MnNiMoR钢在不同温度下的疲劳特性研究毕业论文
2020-06-21 19:50:52
摘 要
13MnNiMoR钢是一种低合金高强度钢,同时也是一种主要的压力容器用钢。随着科学技术的发展进步,化学工业的日渐发展,对压力容器的工作环境日趋苛刻,对压力容器性能提高已是迫在眉睫。而13MnNiMoR钢作为压力容器用钢,通常都是以超厚钢板焊接而成的情况出现的。厚度甚至可达110mm以上。众所周知的是,钢材经历焊接过程及其冷却过程中,由于焊接点在较短时间内在小范围内受到大量热。这将会使焊接点产生残余应力和应变。对于一些结构薄弱部位的焊接接头处,残余应力会导致钢材局部进入塑性状态,使钢材的稳定性可靠性大大降低。然而,以往的研究大多数都是对于薄板中的焊接残余应力。但对于较厚的钢板的相关研究却是很少。为此,本文对13MnNiMoR钢在各个温度下的疲劳,蠕变疲劳交互作用下的变形特性和损伤机理进行研究,以期丰富钢材疲劳性能数据库,为研制、改进压力容器性能提供技术支撑
本文将在在疲劳试验研究过程中通过使用新型的高温引申计固定方法和控制不同温度条件来获取13MnNiMoR钢的疲劳变形具体参数。基于混合强化模型拟合13MnNiMoR钢在不同温度条件下的循环变形特性。再通过matlab软件计算出13MnNiMoR钢的混合强化模型的模拟峰值应力,然后把不同温度下的模拟结果与实验所得实际数据进行比较。结果表明:使用混合强化模型可以很好地模拟13MnNiMoR钢在不同温度条件下的疲劳特性。同时可以很好地预测13MnNiMoR钢在不同温度条件下的循环寿命,预测结果的相对平均误差明显优于其它寿命预测模型。
关键词:13MnNiMoR钢,压力容器,疲劳试验,混合强化模型
abstract
13MnNiMoR steel is a kind of low alloy high strength steel, and also a main pressure vessel steel. With the development of science and technology and the development of chemical industry, the working environment of pressure vessel is becoming more and more severe. It is urgent to improve the performance of pressure vessel. 13MnNiMoR steel, as pressure vessel steel, is usually welded with super thick steel plates. The thickness can even exceed 110mm. It is well known that the steel undergoes a great deal of heat in the welding process and its cooling process due to the small amount of welding point within a short time. This will cause residual stresses and strains at the weld point. For some welded joints where the structure is weak, the residual stress will lead to the partial plasticity of the steel, which will greatly reduce the stability and reliability of the steel. However, most of the previous researches have been devoted to the welding residual stresses in thin plates. But relatively few studies have been done on thicker steel plates. Therefore, this paper on the fatigue of 13MnNiMoR steel at various temperatures, study on deformation characteristics and damage mechanism of creep fatigue interaction under the fatigue performance of steel, expect rich database, suggest a consideration of actual use of 13MnNiMoR steel under the condition of the life prediction model. To provide technical support for developing and improving the performance of pressure vessel
In the process of fatigue test, the reliability of the test results is guaranteed by using a new high temperature extension gauge, a fixed method and a control of different temperature conditions. The value of the cyclic plasticity model of 13MnNiMoR steel is calculated by MATLAB software, and the simulation results under different conditions are compared with the experimental data. The validity of the result is verified.
Keywords:13MnNiMoR steel, pressure vessel, fatigue test, cyclic plasticity model
目录
摘要 I
abstract II
第一章 绪论 1
1.1 选题背景及意义 1
1.2 13MnNiMoR钢简介 1
1.3 疲劳基础理论 2
1.4 厚板焊接残余应力 3
1.5 材料塑性模型对焊接残余应力预测的影响 7
1.6本文的主要研究内容 8
第二章 试验内容及方法 9
2.1 试验设备 9
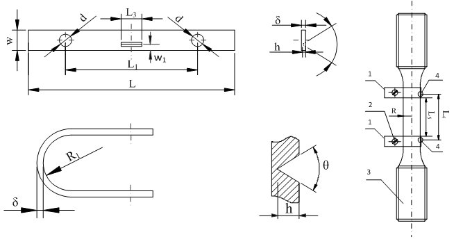
2.2试验材料与试样 10
2.3高温引申计固定方法 13
第三章 混合强化模型的低周疲劳变形行为的数值模拟 15
3.1 引言 15
3.2 混合强化本构模型 16
3.3 数值模拟结果与讨论 21
第四章 结论 25
参考文献 26
第一章 绪论
1.1 选题背景及意义
13MnNiMoR钢作为一种普遍的压力容器用钢,厚度甚至可达110mm以上。众所周知的是,钢材经历焊接过程及其冷却过程中,由于焊接点在较短时间内在小范围内受到大量热。这将会使焊接点产生残余应力和应变。对于一些结构薄弱部位的焊接接头处,残余应力会导致钢材局部进入塑性状态,使钢材的稳定性可靠性大大降低。然而,以往的研究大多数都是对于薄板中的焊接残余应力。但对于较厚的钢板的相关研究却是很少。为此,本文对13MnNiMoR钢在各个温度下的疲劳,蠕变疲劳交互作用下的变形特性和损伤机理进行研究,期望丰富钢材疲劳性能数据库,建议一个考虑实际使用环境条件下的13MnNiMoR钢寿命预测模型。为研制、改进压力容器性能提供技术支撑
本次课题研究,我们对压力容器广泛使用的13MnNiMoR钢,综合运用固体力学,金属学和计算机科学的知识,结合试验分析与理论研究的方法,进行了对13MnNiMoR钢在不问温度循环载荷作用下的变形特性和疲劳寿命研究。疲劳验研究过程中通过使用新型的高温引申计固定方法和控制不同温度条件来保试验结果的可靠性。第二步基于混合强化模型模拟了13MnNiMoR钢在不同温度条件下的循环变形特性,再由已掌握的13MnNiMoR钢的循环软化特性对新模型的参数进行试错微调。最后用得到的13MnNiMoR钢在不同温度条件下的材料参数,在数学分析软件 MATLAB 中对修正的混合强化模型进行数值求解,将不同条件下的模拟结果与实验数据进行比较,对这种混合强化模型进行评价。
1.2 13MnNiMoR钢简介
低合金钢在碳素钢基础上加入一定量的合金元素而构成[[1]]。这些合金元素的加入使得钢结构强度的提高并保证钢结构具有一定的韧性和塑性。13MnNiMoR钢就是其中一种低合金高强度钢。它属中温中压锅炉和压力容器用钢,热强性能高,抗裂纹扩展敏感性好被广泛应用于石油、化工、发电厂等行业,用于制作核能反应堆压力壳、反应器、液化石油气瓶、锅炉汽包、换热器、水轮涡壳、油气罐、球罐、液化气罐、分离器、水电站高压水管等设备及构件。[[2]]
1.3 疲劳基础理论
压力容器在服役条件下,由于间断操作和开停工作、温度变化、运行工艺 压力波动,以及外加裁荷的反复变化等原因,使其承受交变载荷的作用,往往会发生疲劳破坏[[3]]。在一般情况下,疲劳是指材料在重复的应力或应变作用下发生破坏的特性,以区别于在单调或静态的应力或应变作用下的特性。根据美国的材料试验学会对疲劳的定义,疲劳是指:“材料的某一点或某些点受到循环变化的应力和应变作用,其局部机构发生累积性永久损伤,并且经过一定次数的循环后出现裂纹或直接断裂的过程。”
疲劳断裂具有以下特点:首先,构件上的荷载往往远小于其静强度极限,因此通常认为构件在当前应力状态下是安全的。第二,无论是在静载荷作用下,脆性韧性破坏的材料不够,没有明显的塑性变形,当疲劳断裂发生时,断裂发生在瞬间,在发生开裂之前并没有明显的的迹象[[4]]。而随着现代机械逐渐向重而复杂的方向发展,材料在恶劣的环境条件下进行使用,疲劳失效的情况发生变得极为不变。为了减少疲劳失效事故,提高工件的安全可靠性,十分有必要对材料的疲劳性能进行深入的研究。
相关图片展示:









