基于wifi无线数据传输的火情报警系统设计毕业论文
2020-04-10 16:12:07
摘 要
火灾事故随着电、气的广泛使用而大幅度增加,融合无线技术的火警报警系统具有高可靠性、快速响应和应用灵活等优势,在防范火灾中具有很好的应用前景。
本文关于火警报警系统的研究融合了单片机、传感器和射频无线传输等相关技术,通过检测较为封闭环境中的可燃气体泄露情况进行火警预警。其主要完成的工作如下:(1) 研究分析了国内外火警报警器的现状和发展趋势;(2) 通过分析现阶段火灾报警系统的局限性和社会需求,完成了火灾探测传感器和无线传输模块的选型;(3) 进行了基于无线数据传输的火警报警系统的总体方案和系统结构的设计,规划了系统各个功能模块的实现过程;(4) 完成了系统软硬件部分的具体分析和设计,包括设计系统的数据采集、液晶显示、声光报警、空气净化、无线传输等主要模块的硬件结构,以及设计各功能的软件程序和完成上位机监控软件开发。
系统中设计了智能净化空气的处理环节,通过源头处理,能及时有效的预防火灾。另外,本文重点研究了无线通信技术在火警系统中的应用,利用无线通信方式实现对火警状态的实时监控。该设计不仅降低了报警系统的成本,并且突破了传统火灾报警系统响应缓慢和不准确等局限。
关键词: 火灾报警;无线传输;单片机;Labview
Abstract
In recent years, fire accidents have increased significantly with the widespread use of electricity and gas. At the same time, fire alarm systems integrating wireless technology have quietly emerged in China, but compared with mature intelligent alarm systems abroad, The research of fire alarm system in our country is still a difficult road. Therefore, our research on automatic fire alarm system is of great significance.
    In this paper, the research on fire alarm system integrates the single chip microcomputer, sensor technology and radio frequency wireless data transmission technology. The system detects the concentration of combustible gas through the smoke sensor, and controls the flow of data and information by using the single chip microcomputer system to achieve real-time monitoring of the fire state. The processing link of intelligent air purification is designed in the system. Through the source treatment, it can prevent fire in a timely and effective manner. In addition, this paper studies the application of wireless communication technology in fire alarm system. This design uses wireless communication method to realize the real-time monitoring of fire alarm state, which not only reduces the cost of alarm system, but also its performance.
The fire alarm system is mainly used to detect the concentration of combustible gas in a relatively closed environment. The fire warning is made by detecting the leakage of combustible gas, and the corresponding control is taken in time according to the leakage situation. Based on the traditional fire alarm, the system integrates the wireless transmission technology and designs the control link, simplifies the structure of the system, improves the rapid response of the system, and reduces the probability of fire.
Key Words: Fire alarm; Wireless transmission; Micro-Controller Unit; Labview
目 录
第一章 绪论 4
1.1目的和意义 4
1.2 国内外设计现状与前景 4
1.3设计基本要求与任务 4
第二章 总体方案设计 6
2.1 系统结构设计 6
2.2 相关模块设计 6
2.2.1 单片机系统 6
2.2.2 检测模块 7
2.2.3 AD转换模块 7
2.2.4 显示模块 8
2.2.5 无线数据传输模块 8
2.2.7 空气净化模块 9
2.2.8 上位机 9
2.3 总体方案分析 9
第三章 硬件系统设计 11
3.1检测模块 11
3.1.1 MQ-2传感器简介 11
3.1.2 MQ-2传感器简介 12
3.3 单片机系统 13
3.4 AD转换模块 14
3.5 显示模块 16
3.5.1 LCD1602工作原理 16
3.5.2 显示模块电路结构 16
3.6 声光报警模块 17
3.6.1蜂鸣器报警 17
3.6.2 灯光报警 18
3.7 空气净化模块 19
3.8 无线传输模块 20
3.8.1 ESP266模块原理 21
3.8.2 ESP266模块结构 22
第四章 软件部分设计 25
4.1发送端单片机程序 26
4.1.1 传感器检测系统程序设计 27
4.1.2 无线传输程序设计 28
4.2接收端 29
4.3上位机软件设计 29
4.3.1软件介绍 29
4.3.2总体设计思路 29
4.3.3前面板设计 30
4.3.4 程序框图设计 32
第五章 相关试验及实物演示 39
5.1 发送端系统实物演示 39
5.2 无线传输模块调试 40
5.3 上位机程序运行结果 41
5.3.1 Labview监控界面运行结果 41
5.3.2 数据库存储结果 43
5.3.3 数据查询结果 44
第六章 误差校正 45
6.1误差来源 45
6.2 随机误差 45
6.3系统误差 46
第七章 小结与展望 47
参考文献 48
附录A 元器件清单 50
附录B 实物图 51
附录C 单片机程序 52
附录D 发送端电路图 53
附录E Labview程序框图 54
致谢 55
基于射频无线数据传输的
火警报警系统设计
第一章 绪论
1.1目的和意义
火灾在现代生活中的出现愈发频繁、危害更加严重,为了预防火灾,本次主要研究了基于射频无线数据传输的火警报警系统的设计。它主要是利用了单片机系统采集处理信号,结合了无线数据传输技术来实现火警探测器和火警控制终端的数据传输。
在无线通信、智能仪器等技术的支持下,火警报警系统也在飞速发展 [[1]]。基于高频数据传输的无线报警系统的相关研究在国内外均已引起广泛关注,成为了热门的研究方向。
1.2 国内外设计现状与前景
近年来,火警报警装置从传统探测器迅速迈向智能化方向 [[2]]。各种智能火灾报警系统层出不穷,无线传输技术在火警报警系统中的应用提高了系统的可靠性和快速响应性。传感器技术的飞速发展也进一步拓展了火警报警系统的应用领域,它为一些传统火警报警系统无法检测的范围提供了有效测量方法。在烟雾传感器的发展历程中,傅立叶近红外光谱技术、电子集成技术等都在很大程度上促进了火警报警系统的发展。
我国的火警报警系统也在迅速的发展过程中,融合无线数据传输技术的火警报警系统逐步发展起来。通过无线传输技术,火警报警系统的监控终端可以远离火警探测装置来实现远距离的火警实时监控。随着科技力量的不断提升,我国对火灾报警系统的研究也逐步从单纯引进国外技术进行生产走向自主研发的过程。
1.3设计基本要求与任务
本次设计目的是设计一个基于射频无线数据传输的火警报警系统,研究内容包括收集与分析资料,了解射频无线数据传输的基本功能和性能要求;研究射频通信技术的基本原理和应用领域,完成无线传输模块的选型;设计下位机部分的硬件结构;设计数据处理算法、制定软件流程,编写相关软件代码;以及采集数据并进行准确的研究分析。
研究目标包括有以下几点:
(1)传感器检测可燃气体的浓度。
(2)单片机读取传感器输出的信号,并进行数据转换处理 。
(3)当检测可燃气体浓度超出阈值时进行声光报警。
(4)单片机控制无线传输模块实时发送数据到上位机。
(5)上位机对信号进行实时监测。
第二章 总体方案设计
2.1 系统结构设计
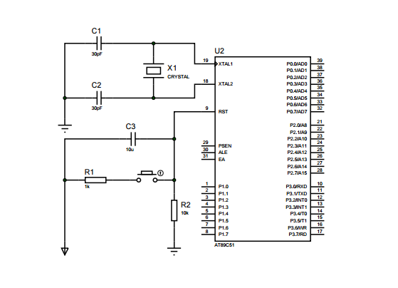
本次设计的基于射频无线数据传输的火警报警系统主要由火警报警探测器、无线传输模块、空气净化模块及上位机几个部分组成组成。火警报警探测器包含单片机系统、检测模块、AD转换和显示模块几个部分[[3]]。
在系统结构中,单片机系统需要采集经AD模块转换后的数字信号,通过数据处理实现系统的显示、报警等模块功能,同时单片机系统控制无线传输部分收发数据,无线传输模块接收机部分需要将解析完毕的火警信息通过串口发送到上位机,最后上位机对信号进行监控处理。火警报警系统的结构图如下。

图2.1 系统结构框图
其中,箭头方向表示数据的流向。
2.2 相关模块设计
2.2.1 单片机系统
本次系统设计中MCU部分采用单片机系统,作为控制模块单片机需要对检测模块数据信号进行采集和相关的数据处理,在数据转换后单片机系统控制各个模块实现其相应的功能。本次设计中51系列单片机可完成设计任务,并且它与市场上常用的STM32、MSP430系列单片机等相比,51系列单片机操作更简单,价格更低廉。所以,本次系统选择以AT89C52单片机为核心控制模块。
2.2.2 检测模块
火警报警系统中,检测模块用于探测可燃气体泄露情况,通过输出电压实现信号传递过程。检测模块是火警报警系统的数据采集部分,它应该具有高灵敏度、高精度、抗干扰性强等优点。半导体烟雾传感器和红外传感器在火警报警装置中最为常见,作为烟雾检测器件,这两者各有特点。
方案一:
系统可燃气体检测器件使用半导体烟雾传感器。半导体烟雾传感器采用半导体材料作为敏感元件,其阻值随着所处环境中烟雾浓度的变化而变化。它具有高灵敏度、输出信号强、响应速度快、价格低廉等特点,但同时半导体烟雾传感器也容易受到不同烟雾信号的干扰,检测精度有所不足。
方案二:
系统可燃气体检测器件使用红外传感器[[4]]。红外传感器工作方式为线形探测,它和半导体烟雾传感器的主要区别在于两者的检测范围不同,红外传感器突破了点测量的局限性。线型感烟探测器的检测范围从点扩展到了线,灵敏性、可靠性和精度优于半导体烟雾传感器,但其价格比较昂贵且结构较复杂。
经过对比两种方案,从结构简单和成本低廉两个方面考虑,本次设计选择方案一采用半导体烟雾传感器作为系统的检测模块。在半导体烟雾传感器中,针对系统的需求和成本要求,本次选择MQ-2型烟雾传感器作为检测模块。
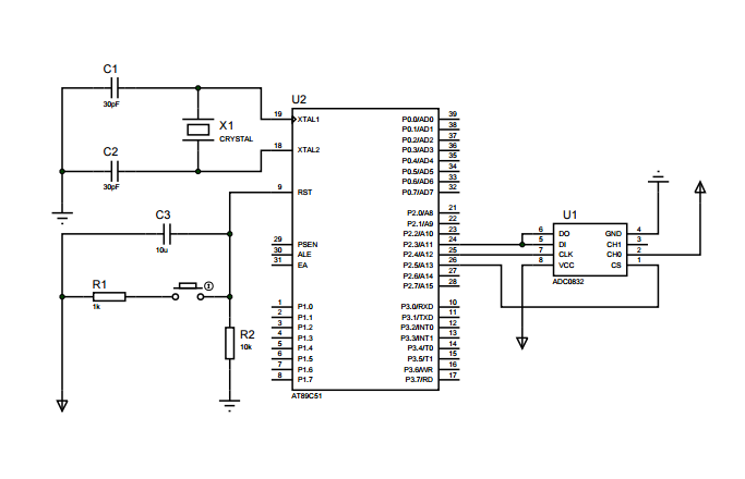
2.2.3 AD转换模块
AD转换模块是在传感器的模拟输出信号和单片机数据采集之间工作的模数转换电路,该模块在系统中的作用是将模拟量转换成单片机系统能识别的数字来信号。在数据传输过程中,数字信号比模拟信号更加稳定并且不易被干扰,故控制系统中一般先将模拟量转换数字量信号再进行数据传输。
本次设计中检测模块输出为模拟电压量,而单片机需要接收数字信号,所以设计中需要用AD转换器将MQ-2传感器输出的模拟电压量转换为数字信号。本次设计采用ADC832芯片来实现模数信号的转换。它是8 位分辨率、双通道模数转换芯片,转换电压为0~5V [[5]]。
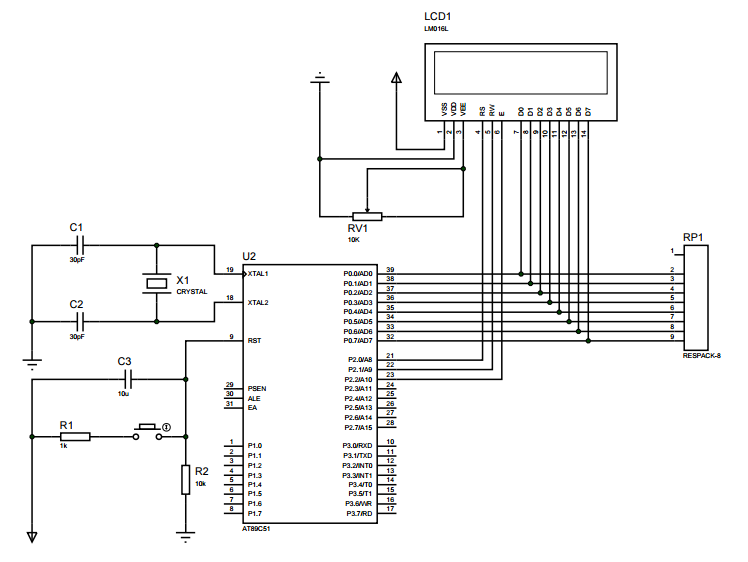
2.2.4 显示模块
显示部分主要用于显示单片机解析的可燃气体浓度数据以及报警信号,可采用常见的数码管显示,及液晶屏显示两种方式。由于显示内容中不仅仅是数字显示,还需要相应的提示信息,故设计中采用常用的LCD1602液晶屏显示。它具有体积小、微功耗、显示灵活等优点[[6]]。
2.2.5 无线数据传输模块
无线数据传输模块是系统设计的另一核心部分,它需要将监控现场数据信息以无线传输的方式发送到控制中心。所以,通信模块的选型对整个系统的稳定性、精度等性能有着重要的意义。无线传输方式有公网和专网无线数传之分,GPRS、2G、3G等属于公网传输,可实现远距离的无线通信;而ZigBee、Wifi及NRF24L01等属于专网通信,相比于公网,专网无线传输成本小、开通快、适应性强,并且具有很好的拓展性。针对火警报警系统的应用需求,系统选则专网传输。
NRF24L01无线数传芯片体积小、抗干扰性强,具有较好的一对多通信功能,但NRF24L01是非透明传输,具有自身的SPI通信协议,并且调试过程比较困难。Zigbee的无线传输距离为20~200M,多应用于自组网[[7]]。Wifi是应用最为广泛的无线通信技术,已经普及到家家户户,输距离为50~300M,它最大的优势是传输速率快,但同时它的功耗高。
本次设计中,无线传输模块将火警探测器的数据传输到上位机,Wifi传输可以直接进行Wifi模块和上位机(PC)的通信,省去了两块无线芯片的收发过程。综合比较,本次无线数据传输模块采用Wifi传输,芯片选择常用的ESP8266 Wifi芯片。其工作原理图如下。

图2.2 ESP8266工作原理图
2.2.6 声光报警模块
本次设计中声光报警部分采用的是单片机来控制蜂鸣器和LED灯的工作状态,实现可燃气体浓度超标报警。
2.2.7 空气净化模块
空气进化模块是对空气中可燃气体进行处理环节,由继电器、马达、风扇三部分组成。当检测的可燃气体浓度超过阈值时,该部分的继电器触发,马达和风扇使室内空气流动,排除可燃气体。
2.2.8 上位机
上位机软件部分在报警系统中用于实现控制中心的实时监控,需要有界面数据显示及报警预警信息提示等功能,本次采用PC机实现。Labview、VC 、matlab 等软件均可作为上位机的软件开发,在本次设计中对监控界面的处理较多,故上位机选用界面功能强大的Labview 软件。Labview 编程简单、操作灵活,这是matlab 和VC 等编程软件不具备的优点。
2.3 总体方案分析
本系统以单片机系统为主控模块,制定了信号采集、液晶显示、声光报警、无线传输等主要模块的结构、功能和实现方式,设计了完整的基于射频无线数据传输的火警报警系统。其结构框图如下。

图2.3 系统的结构框图
系统由STC89C52单片机收发系统、MQ-2传感器、ADC832模块、LCD1602、声光报警模块、空气净化器、ESP266无线传输模块和Labview几个部分组成。AD转换器将MQ-2的模拟信号输出转换成为数字信号;单片机系统控制各个模块实现液晶显示、声光报警以及ESP8266 Wifi无线传输等功能;EPS8266模块和PC机之间通过Wifi信号连接;最后通过上位机中Labview软件实现对现场可燃气体浓度进行实施监控。
本系统设计的原则以元器件简洁、成本低廉为主要出发点,结合了各个模块的性能,综合考虑选择了最终的技术方案。
第三章 硬件系统设计
系统的硬件部分主要由检测模块、AD转换模块、发送端单片机系统、显示模块、空气净化模块、声光报警模块和无线传输模块八个部分组成。根据系统总体方案设计,对各个模块的工作原理及作用进行分析,硬件系统中检测模块和AD转换模块共同实现系统的数据采集功能,发送端的空气净化模块、显示模块、声光报警模块和无线通信模块都属于系统的功能模块。

图3.1 硬件系统原理图

图3.2 硬件系统结构图
3.1检测模块
根据系统的设计方案,检测部分采用MQ-2传感器检测可燃气体的泄露情况。在演示实验中检测的可燃气体为打火机气体,其主要成分是丁烷。
3.1.1 MQ-2传感器简介
MQ-2传感器属于半导体式烟雾传感器,其内部采用半导体材料(二氧化锡)作为敏感元件,其导电率随所处环境中可燃气体浓度变化,使得传感器的输出电压值随环境中可燃气体浓度的变化而变化,尤其对氢气、丁烷等可燃气体的灵敏度高。MQ-2传感器常应用于工业、家庭中检测可燃气体泄漏 [[8]]。

图3.3 MQ-2传感器原理图
3.1.2 MQ-2传感器简介
本次设计中使用打火机气体作为信号源,其成分主要为丁烷。浓度在100~10000 ppm范围内时,MQ-2传感器能较准确的探测到丁烷气体的浓度。当MQ-2传感器检测对象为丁烷气体泄时,其理想输出电压是0~4V。根据产品说明,传感器的电压输出变化曲线与环境中可燃气体浓度变化之间存在近似的线性关系,并且传感器的输出随可燃气体浓度增加而增加。进行拟合可得燃气体浓度计算公式为:
以上是毕业论文大纲或资料介绍,该课题完整毕业论文、开题报告、任务书、程序设计、图纸设计等资料请添加微信获取,微信号:bysjorg。
相关图片展示:








        
            
