基于霍尔效应的水流流速测量系统设计毕业论文
2020-04-10 16:11:56
摘 要
液体流速这一参量有很大的意义。在石油管道运输方面,及时监控液体流速有助于发现石油泄漏的问题,保障运输过程的安全性;掌握河流的水流流速情况,有利于建造桥梁时的选址、确定船舶的航道。传统的流速测量的方法,诸如浮漂发、巴氏槽法都有着巨大的局限性。现如今,各种传感器层出不穷,单片机技术发展日新月异。通过合适的传感器同单片机技术结合起来建立合适的系统来测量水流流速是流速测量方法的发展方向。
论文主要研究了各种霍尔元件,Arduino控制器及其它开源性硬件。最终,通过水流传感器、Arduino控制板和相关Arduino模块搭建了一个水流流速测量系统,并用该系统模拟了管道液体流速的测量。
关键词:流速;霍尔传感器;Arduino
Abstract
The liquid flow velocity is of great significance. In the field of oil pipeline transportation, monitoring the flow velocity in time can help to find out the problem of oil leakage and ensure the safety of the transportation process. To master the flow velocity of the river is beneficial to the location of the bridge and the ship's channel. Traditional methods of velocity measurement, such as floater and barge slot, have great limitations. Nowadays, various sensors are emerging one after another, and the development of single chip technology is changing rapidly. It is the development direction of velocity measurement method by combining appropriate sensors and single chip microcomputer to establish appropriate system to measure flow velocity.
This paper mainly studies all kinds of Hall sensor, Arduino controllers and other open source hardware. Finally, a flow velocity measurement system is built by water flow sensor, Arduino control board and related Arduino module, and the measurement of the flow velocity of pipeline is simulated with this system.
Key Words:Current Speed;hall sensor;Arduino
目 录
第1章 绪论 1
1.1课题研究的背景、目的和意义 1
1.2国内外的研究现状分析 1
1.3课题研究内容 2
第2章 霍尔元器件的理论基础 3
2.1 霍尔效应 3
2.2霍尔元件 3
2.2.1 霍尔线性器件 4
2.2.2 霍尔开关器件 4
第3章 水流流速测量系统的设计 5
3.1测量电路系统设计核心 5
3.2 水流循环系统设计思路 5
第4章 水流流速测量系统的制作 7
4.1 水流传感器的选择 7
4.1.1 水流传感器的工作原理 7
4.1.2 水流传感器的选择 8
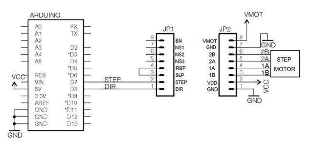
4.2 单片机的选择 10
4.2.1 Arduino控制器相关介绍 11
4.3 液晶屏的选择 12
4.4 按钮及继电器的选择 14
4.5 小水泵的选择 15
4.6其他硬件 16
4.7水流流速测量系统实物搭建 16
第5章 软件设计 18
第6章 水流流速测量系统的检测分析 20
第7章 结论 23
参考文献 24
附录 25
致 谢 26
第1章 绪论
1.1课题研究的背景、目的和意义
水流量是指水流颗粒以单位时间通过的距离。在工农业生产和科研实践中,经常会遇到需要测水流流速的场合,如在农业生产过程中的水渠灌溉系统,生活中关系到家家户户的自来水循环系统,科研调查中对江河湖海水流的研究等等,在这些场合,我们均需要将水流流速测量出来。尤其是在能源开采,如石油天然气等能源的开采过程中,我们更加需要对流体流量的状况进行监测。对流体流量的状况进行监测,人们可以实时了解流体的流动情况,这样,可以实现对工业生产中的能源的统筹管理,进而使整个生产过程实现自动化。
现如今,测量水流流速的方法有许多,如浮标法、薄壁堰法、巴氏槽法、霍尔水流传感器等等。相较于传统物理方法通过水流的位移来测速的方法,基于霍尔效应制成的霍尔水流传感器具有非常多的优点,比如结构相对比较简单、体型比较轻巧、安装起来非常便捷、精度和灵敏度比较高、安全性和可靠性比较高、工作温度范围大等等。而且,随着计算机的普及,尤其是微小型计算机方面的推广,再加上单片机的发展,将霍尔水流传感器与单片机技术结合可以使水流流速测量系统达到更高的性能,实现测量系统的数字化和智能化。
1.2国内外的研究现状分析
关于霍尔水流测量系统的发展与现状,离不开霍尔器件和液体流速测量技术的发展。
从1879年霍尔发现霍尔效应,到各种半导体霍尔器件的出现。霍尔器件的发展大致可分为以下三个阶段:
最初的阶段是由发现霍尔效应这一现象到二十世纪的四十年代,这个阶段人们并没有对霍尔效应有太多的关注,研究进程基本没变化。其主要原因是当时材料技术比较落后,导致材料中的霍尔效应不怎么明显,人们无法进行过多的研究。
第二个阶段大概是从1940年到1960年这二十年间。在这一段时间内,半导体技术的萌芽和发展,是霍尔效应的研究有了一定的成果,比较重要的就是接连出现了各种基于霍尔效应的运用,比如霍尔开关和霍尔传感器等等。
第三阶段是就是从1960开始直至今日,主要是由于集成电路技术的萌芽与发展,出现了将霍尔元件和有关的信号处理电路集合在一起的霍尔传感器。
流速测量技术的起源是比较早的。在两个世纪以前,就有人通过弯曲成90°的管道来测量河流的水流流速。随着科学技术的发展以及工农业生产的需求,进入20世纪后,流速的测量方法就在不断进行地发展,并在20世纪发明了热线测速仪。激光多普勒风速计和霍尔速度计以及粒子图像速度仪则是在90年代后期成熟。
1.3课题研究内容
本选题的最终目的是学习如何利用霍尔传感器集合单片机技术及液晶显示技术来实现一个测量水流流速的测速系统。学习和研究的主要内容主要包含以下几个方面:
1:了解掌握霍尔传感器的原理及运用(霍尔传感器起到信号采集、处理、转换的作用,它的好坏直接影响到系统的精确性和可靠性)。
2:学习掌握单片机技术及运用(单片机是整个系统进行数据处理和控制的地方,直接影响系统的可靠性)。
3:学习掌握液晶显示器件的原理及运用。
4:搭建实物系统,编写程序代码测试系统,调试代码完成系统。
5:撰写论文。
第2章 霍尔元器件的理论基础
此次搭建的水流流速测量系统的核心部件是基于霍尔效应的水流传感器,了解霍尔效应对于理解该水流传感器、系统的搭建、理解有着重要的意义。
2.1 霍尔效应
霍尔效应是1879年由物理科学家霍尔发现的,它一种典型的电磁效应。

图2.1 霍尔效应的原理示意图
霍尔效应的原理示意图如上图2.1所示,电流I施加在在导体的一个方向上,同时,我们将磁场置于导体的垂直方向上,这个磁场的场强大小为B。此时,在磁场的作用下,这个导体内的载流子就会向垂直于电流和磁场的侧面的偏移,这样就导致了载流子偏转聚合的侧面带上了电,这时,又由于导体的电中性,故该侧面的对立面会累计属性相反的电荷从而带电。这样,这两个侧面之间便形成了电场。这个电场会对载流子产生力的作用,这些载流子同时受到磁场和电场的作用。当电场和磁场对这些载流子的作用相等的时候,载流子就会达到一种稳定的状态。这个时候,在这两个侧面之间形成的电场就被称作霍尔电场,电场的电动势称为霍尔电势。
霍尔效应的运用十分广泛,基于霍尔效应制作的各种霍尔元件在运用技术中特别重要。
2.2霍尔元件
霍尔元件是基于霍尔效应的半导体,它的运用主要分为两部分。一种是检测被测对象的自身的磁场或者磁场的相关性质,它通常就是用来检测磁场的强度。这一类霍尔元件是霍尔线性器件,它输出的信号一般是模拟信号;还有一种霍尔元件就是用来检测被测对象不是电磁量如:电机的叶轮转动频率、水管里的流水的速度、物体的偏移量等等,人们在这些对象上附加一些磁场,霍尔元件检测这个外加磁场的相关性质,来间接的将这些被测量测出来。这一类霍尔元件就是为霍尔开关器件,它输出的信号通常是数字信号。
掌握霍尔元器件的相关原理,然后选择合适的种类对我们平时制做相关产品有很大的帮助。我们一定要认真学习相关的知识。
2.2.1 霍尔线性器件
霍尔线性元件就是一种基于霍尔效应的传感器,其输出的信号是模拟信号。霍尔线性元件的输出电压值与磁场的磁通量有关,而起它们两者之间形成一种线性变化的关系。在不存在磁场的时候,输出的电压值差不多就是电源电压在工作电压和温度范围时的二分之一。由此可见,若果想使来自无磁场时的电压变大,我们就可以提高磁场S级的磁场强度。这个霍尔线性器件可以用来测量磁场的属性,比如说:磁场强度,磁通量等等。
2.2.2 霍尔开关器件
霍尔开关器件的分类方法比较多,我们如果按照它的工作模式来分类的话,一般分为三大类:第一种是单极性霍尔开关器件,第二种就是双极性霍尔开关器件,最后一种就是全极性霍尔开关器件。第一种单极性霍尔开关器件的工作原理就是:当它接近磁场的磁极的时候,元件就会输出一个低电平,即地位电压,在它远离时,就会输出相反的电平,即高电平。这里,值得我们关注的是,我们必须设定一个磁极,这样,它才能正常工作。第二种是双极性霍尔开关器件,它与单极性霍尔开关器件的区别在于,磁场的两个磁极都被利用起来了,这两个磁极分来控制输出高电平和低电平。这个工作模式的开关器件具有保持状态的功能,也就是说,只有当有磁极靠近时才会改变输出信号,在两个磁极之间的运动是不影响该器件的输出状态的。这点实用性很高,同时保障了器件输出信号的稳定性、正确性和抗干扰能力。最后一种就是全极性霍尔开关器件,它其实与第一种霍尔开关器件的工作情况极为相近,最主要的不同就是全极性霍尔开关器件并没有制定磁极,简单的讲就是,它远离磁极,输出低电压;靠近磁极,就会输出高电压。
霍尔器件在我们生活中有很多运用,比如说用来测量磁场的相关性质,物体的位移,车子轮胎的转速,运输气、液体管道内气液体的流动速度。研发霍尔器件对于我们的生活有很大的帮助。
第3章 水流流速测量系统的设计
搭建水流流速测量系统需要两个部分,一个是用于测量、显示的以单片机为核心的测量电路系统;另一个是为了模拟水流,来进行实验的水流循环系统。
3.1测量电路系统设计核心
水流流速测量系统的测量电路部分是由三大模块组成,分别是信号采集模块、信号处理模块和显示模块。其中,信号采集模块就是以霍尔元器件为核心的水流传感器及相关信号处理电路,该模块采集水流流动时产生的脉冲信号;信号处理模块就是以单片机为核心,用于处理信号采集模块传输过来的脉冲信号,将其转换成水流流速的数值的模块;显示模块是以显示屏为核心,用于显示水流流速值的模块。测量电路系统设计总图如下图3.1所示:

图3.1 测量电路系统设计总图
3.2 水流循环系统设计思路
水流循环系统是以小水泵为核心来搭建的一个系统,用于模拟水流,然后测量电路系统对该水流进行测量。这个水流循环系统结构比较简单,主要由小水泵、电源、电路通断控制模块(按钮、继电器和单片机)和软管组成。其设计思路如下图3.2所示:

图3.2 水流循环系统设计示意图
将水流循环系统和测量电路组合起来,就构成了这次设计搭建的水流流速测量系统。总的设计思路如下图3.3所示:

图3.3 水流流速测量系统设计总图
这个水流流速测量系统的工作过程是:按下按钮,按钮给继电器一个信号,改变继电器的触点状态,从而使小水泵的电源接通,小水泵开始工作。小水泵使水开始循环流动,水流流过传感器,推动传感器中的磁性转子转动。磁性转子的转动使霍尔元件产生脉冲信号,这些脉冲信号是和水流流速成线性关系的。水流传感器再把这些脉冲信号传输给单片机系统,单片机系统通过计算单位时间内脉冲信号的数量来得出水流流速的值,并将这个值传输给显示屏显示。
第4章 水流流速测量系统的制作
4.1 水流传感器的选择
水流传感器是用于采集、转换、传递水流流速信息的重要元件,它和单片机一样,是整个水流流速测量系统的两大核心之一,它就是整个系统的“感觉器官”。选择合适的水流传感器关系着整个系统能否正常工作。
4.1.1 水流传感器的工作原理
水流传感器(Water Flow Sensor)的构成主要有五个部分,它们分别是外壳、水流转子组件、电机、霍尔传感器和阀芯组件。这个水流传感器是的核心原理就霍尔效应,通过这个效应来测液体流速,它是一个典型的霍尔开关器件。该水流传感器的工作过程就是:水流流动时,推动了它内部的转轴,使它的磁性转子发生运动,这个时候,由于霍尔效应,水流传感器就会产生信号,并且这个信号是一个与液体流速成一个线性正比关系的方波信号。然后传感器将这个信号传输个单片机系统进行数据分析处理。水流传感器的结构示意图如下图4.1所示:

图4.1水流传感器结构示意图
图4.2充分而又生动地解释了水流传感器的工作原理

图4.2 水流传感器的工作原理示意图
4.1.2 水流传感器的选择
水流量传感器是最常用和最广泛使用的流量传感器类型。选择合适的水流传感器对于系统的搭建有着至关重要的作用。
第一点是精度要求。基本上只要是传感器、芯片这一内微小型、精密型的东西要先要看的就是它的精度,精度的高低是衡量元器件好坏的首要条件。一般而言,精度当然是越高越好,水流量传感器亦是如此。但是,我们选择东西还应该考虑到它的经济性,讲究一个性价比。我们根据使用的场合,来确定其精度要求,比如说,测量河流的水流流动的速度,我们就应该选择口径比较大,精度要求中上等即可,没必要选择高精度的水流传感器;又如,测量化学实验时,化学液体流动速度时,我们就得追求高精度。所以说,根据场合来选择合适的精度是比较重要的。
第二点就是密度。这里讲的是被测液体的密度。比较常见的情况有一个,就是在测量江河汇集口的液体流动速度,这个时候,由于不同水质混合,会导致水的密度的无法确定下来,这个时候,选择那种对被与测液体密度适用范围更大的水流传感器就很有必要了。
第三点就是测量范围了。水流传感器的精度和使用寿命和它的测量范围有着不可分割的关系,而且,这个测量范围还影响着水流传感器进出水口的口径。只有水流传感器有着合适的测量范围,那么,在这个流速范围内的液体推动转子,才会产生稳定的方波信号。同样的,液体流速在水流传感器的测量范围内,才会使水流传感器的工作状态保持良好,如此,便增加了水流传感器的使用寿命。
最后一点便是安装的要求了。水流传感器的安装分为三种:第一种是安装在管道的里面,这时经常用水流传感器是反推式涡轮传感器。它的好处是水流传感器的磁性转子是悬浮状态,不和管道接触,避免了摩擦。由此,提高其精度和使用寿命;第二种就是与管道同一水平线安装,这个时候水流传感器与管道连接就需要通过螺纹、法兰等;最后一种就是垂直于管道安装,这个时候水流传感器只能通过螺纹与管道相连接。
此次水流传感器我选择的是SKU:RB-02S03水流传感器。SKU:RB-02S034 水流传感器的实物图如下图4.3所示:

图4.3 SKU:RB-02S034 水流传感器实物图
SKU:RB-02S034 水流传感器的组成部分主要有三个部分,分别是:霍尔元件、水流转子和外壳。这个水流传感器的体积比较小巧,重量也是很轻,安装使用很简便,同时转子采用的合金,不生锈,抗磨损,而且它的密封性极好,减少水的流失也能变相地提高它的精度。在搭建系统时,这个水流传感器适用多种单片机开发平台,能与多种开发板、元器件搭建系统。比如常见的Arduino 控制器、STC 单片机。传感器上下端为4点螺纹,中间为圆柱形结构,出线有三根,红色线为正电源,即Vcc; 黑色导线则是电源负极,即GND;黄色导线就是信号输出端,也就是向控制器发送检测到的脉冲信号。它里面还有一个五叶轮和霍尔元件,背面有一个箭头,这个箭头表示的就是要求水流的流动方向,一定要注意搭建系统的时候不要把方向搞反了。
SKU:RB-02S034 水流量传感器的规格参数如下所列:
- 进水口内径:8.5mm
- 进水口、出水口外径:20.12 mm
- 输出波形:方波
- 工作电压范围:DC 3V~ 24V
- 最大工作电流:15mA(DC 5V)
- 负载能力:≤10mA(DC 5V)
- 使用温度范围:≤80℃
- 使用湿度范围:35%~90%RH(无结霜状态)
- 允许耐压:水压1.75Mpa 以下
- 保存温度:-25℃~80℃
- 保存湿度:25%~95%RH
- 输出脉冲高电平:>DC 4.5V(输入电压DC 5V)
- 输出脉冲低电平:<DC 0.5V(输入电压DC 5V)
- 精度(流量——脉冲输出):1~30L/min±1%以内
- 输出脉冲占空比:50±10%
- 输出上升时间:0.04uS
- 输出下降时间:0.18uS 流量
- 耐热性: 在80±3℃的环境中放置48小时,恢复到常温1-2小时而没有异常,并且零件没有裂缝,松弛,膨胀,变形等,并且精确度在百分之十以下。
- 耐寒性: 置于-20±3℃的环境中48 h,恢复常温1-2 h无异常, 且零件无裂纹,松弛,膨胀,变形等现象,准确度在10%以内变化。
- 耐湿性:在40±2°C和相对湿度90%至95%RH下暴露40小时后,绝缘电阻为1MΩ或更高。
- 耐久性: 在室温下,从喷嘴引入0.1Mpa的水压以打开1S并断开0.5S作为循环。
SKU:RB-02S034 水流量传感器的流量---脉冲特性参照表如表4.1所示:
根据参照表,我们得出脉冲与流量之间的关系:
以上是毕业论文大纲或资料介绍,该课题完整毕业论文、开题报告、任务书、程序设计、图纸设计等资料请添加微信获取,微信号:bysjorg。
相关图片展示:









