温室土壤温湿度无线信息采集与监控系统的设计毕业论文
2020-04-10 14:40:00
摘 要
温室大棚内的土壤对棚内的植物起着十分重要的作用,其中温湿度尤为明显。目前国内的温室大棚多数都是需要人员在棚内工作,给土壤浇水或者打开大棚顶上的遮阳布来调节大棚内的土壤的温湿度。本文介绍了如何设计制作出一个温室土壤温湿度无线数据采集与监控系统。该系统主要分为上位机和下位机两大部分,下位机部分包含有土壤温湿度采集传感器,WIFI模块,遮阳布和水泵;上位机部分由Labview软件搭建。本系统可以实现的功能为:下位机传感器采集到的温湿度数据通过WIFI传输给上位机并显示,上位机对数据进行报警与存储等操作,并且可以通过上位机的按钮发送控制指令给下位机,对遮阳布和水泵进行相应操作,如土壤温度过高则需要控制打开遮阳布,土壤湿度过低则需要控制打开水泵浇水。本次设计的系统的主要特点是成本低,可以实时控制,且使用难度低。
关键词:土壤温湿度传感器;WIFI;实时监控
Abstract
The soil in the greenhouse plays an important role in the plants in the greenhouse,and the temperature and humidity are particularly obvious.At present, great majority of the greenhouses in China require people to work in sheds.They need to Water the soil or open the shade cloth on the roof to regulate the temperature and humidity of the soil in the greenhouse.This article describes how to design a wireless information collection and monitoring system of greenhouse soil temperature and humidity.The system is mainly divided into two parts: the slave of the system and the host of the system.The slave of the system contains a soil Humidity and temperature sensor,WIFI module,Shade cloth and pump;The host of the system is built by Labview software.The function that this system can realize is that the temperature and humidity data collected by the sensor are transmitted to the slave of the system through WIFI and displayed on the host of the system,the host of the system can alarm and store the data ,etc.And we can send control commands to the slave of the system through the button of the host of the system,so that we can control the shade cloth and water pump,if the temperature of soil is too high, we need to open shade cloth,if the humidity of soil is too low,we need to open the pump to water the soil.The main features of this designed system are low cost, real-time control, and low difficulty of use.
Key Words:soil Humidity and temperature sensor;WIFI;real-time monitor and control.
目 录
第1章 绪论 1
1.1课题背景 1
1.2课题研究的意义 1
1.3本课题研究系统的发展状况 2
1.3.1国外研究概况 2
1.3.2国内研究概况 2
1.4课题的主要研究内容 3
第2章 课题研究系统的总体设计 4
2.1土壤温湿度无线数据采集与监控系统的设计要求 4
2.2系统设计的方案与选择 5
2.2.1系统传感器的选择 5
2.2.2无线通信方式的选择 5
2.3上位机软件的选择 5
2.4控制方式的选择 5
第3章 系统下位机硬件部分的设计 7
3.1单片机模块 7
3.2 DS18B20测温模块 8
3.3 YL-69土壤湿度检测模块 10
3.4 ADC0832转换模块 11
3.5 ESP8266WIFI模块 12
3.6 喷水装置与遮阳布的设计 17
第4章 系统上位机部分的设计 19
4.1Labview简介 19
4.2TCP协议在Labview中的使用 19
4.3 Labview中的TCP通讯程序框图 20
4.3.1打开TCP连接函数 21
4.3.2读取TCP数据函数 21
4.3.3关闭TCP连接函数 22
4.4Labview数据处理与显示部分 23
4.5Labview历史数据存储部分 25
4.6Labview发送控制指令部分 27
第5章 总体实物调试 30
第6章 总结与展望 33
参考文献 34
致 谢 35
附录A 36
附录B 37
附录C 37
第1章 绪论
本毕业设计论文的主题是“温室土壤温湿度无线信息采集与监控系统的设计”,主要研究的是利用无线通信技术将温湿度传感器采集到的相关温湿度数据发送给上位机显示,并且利用控制系统对温室的土壤温湿度进行控制调节。
1.1课题背景
温室大棚在我国是十分常见的一种种植设施,它可以人为改变植物所处的生长环境,避免外界条件,比如气候变化等对植物生长造成的不利影响,为温室内的植物提供适宜生长的良好环境。温室内植物生长环境的内部调节主要体现在对土壤温度和湿度的调节上,它可以通过仪器设备保持温室内的土壤温湿度保持在一个适宜植物生长的范围,不需要人为的去现场对环境条件进行控制调节。今天的全球淡水资源非常稀缺[2]。因此,在用水情况如此紧张的情况下,高效而节约的使用水资源更是十分重要的。而在当今生活中,工业和农业是用水量非常大的两个产业。在农业中,目前国内比较流行大水漫灌,这种灌溉方法会对水资源造成非常大的浪费,且效率十分低下。因此需要一种更为合理的方法来进行灌溉,设计一个温室土壤温湿度无线信息采集与监控系统,可以实时对温室内的土壤温湿度进行检测,并通过无线通信方式把数据传输给温室外面的上位机显示,工作人员只需要在远处根据植物需要的土壤温湿度情况通过相应设备对温室内的土壤温湿度进行控制调节,就可以实现远程控制[3]。这种方法不但节省了人力资源,并且还能极大的节约水资源,因为是根据实时监测的相关温湿度数据进行的控制,所以不会造成很大的水资源浪费。除此之外,温室大棚还有许多的优点,例如种植反季节水果蔬菜等等,因此温室的使用越是广泛,这种设计思路就越是应当在这些温室中多多使用。因此,就个人而言,本次毕业设计的重点就在于设计出基于某种无线通信方式的土壤温湿度数据采集与监控系统,并且最终可以成功的应用在合适的场合。
1.2课题研究的意义
随着社会经济的快速发展,人们的生活水平也越来越高,现在人们已经不满足于只能吃到季节性的蔬菜水果,对物质的需求越来越高,淡季水果和反季节蔬菜的需求也在增加。淡季水果和反季节蔬菜的种植主要依赖于温室。传统的温室大棚对于水资源的浪费十分严重,多采用大水漫灌的方式,并且需要工作人员在棚内现场工作。当棚内土壤温度过高,工作人员会手动去合上遮阳薄膜,当土壤湿度过低时,又会去手动给土壤浇水;这种体系的温室大棚对于人力的依赖十分的高,如果大棚内出现突发情况而工作人员恰好不在里面工作时,就会无法及时合理的控制住温室内土壤的温湿度,对植物造成不利影响。因此,开发无线收集土壤温湿度数据的系统,实现监控功能,对于改善以及提高温室大棚的现状具有重要意义。
1.3本课题研究系统的发展状况
目前,全世界范围内都或多或少的存在着水资源紧缺的问题,而因为农业自身就是对水的使用量十分大的一个产业,因此,再一直使用原本的大水漫灌的灌溉方法已经不适合时下社会的农业温室大棚的发展了。使用一种更加新型的具备节水节能特点的温室土壤温湿度无线信息采集和监控系统可以帮助人们更好的促进农业温室大棚的发展,所以,开发这种新型的系统是一种已定的趋势。
1.3.1国外研究概况
发达国家在这一块的研究已经走在了国内的前面,并且领先了许多。他们利用自身国内的经济以及科技的优点,投资了大量资金在这一系统的开发上面,并且已经成功的获得了回报。发达国家在温室大棚里已经设计出了合理而先进的监控系统,规范化,高技术是他们的温室的特点。国外利用日趋先进的传感器技术,选择出适宜采集土壤温湿度数据的传感器,并且利用无线技术将传感器的数据传至监控系统内,可以实现实时监控温室内的土壤温湿度情况,并且还大力发展微灌的技术,停止使用十分浪费水资源的漫灌技术;并且,发达国家也不仅仅是将这种采集监控系统应用在温室大棚内,他们将这种节水的系统以及技术应用在许许多多的方面,比如自家的花园,果园,甚至于家里的阳台。利用这种先进而合理的技术系统,发达国家节约的不仅是水资源与人力的资源,更对环境的保护具有重要的作用,并且对于防止地下水被过度的开采,重复利用水资源,以及促进人与生态环境的和谐也同样具有重要的意义。
1.3.2国内研究概况
目前国内测量与控制土壤温湿度的测控系统有很多种,这些系统的传感器多是采用温敏或者湿敏元件制作而成,利用AD转换的模块将测量得出的电压模拟量转化为数字量显示出来。然而,这些测量和控制系统的主要缺点之一是它们的数据通信部分使用有线通信,例如rs232或rs485总线技术;为了使用这种有线技术进行通信,大量的通信数据线必须放置在温室中。大量的布线,不仅安装麻烦,也十分的占用棚内的空间,并且会在棚内摆放凌乱,对于工作造成一定的不良影响。因此,研制出一种类似于国外的基于无线通讯的土壤湿度采集监控系统,对于国内的现状具有十分重要的意义。
1.4课题的主要研究内容
(1)测量土壤温湿度的传感器型号的选择以及工作原理。
(2)无线通信方式的选择以及通信原理。
(3)上位机采集与监控页面的设计。
(4)整体程序,硬件电路和软件设计的联合调试。
第2章 课题研究系统的总体设计
我这一次的毕业设计要研究的测控系统在总体上主要分为上位机和下位机两大部分。下位机部分主要包含温湿度采集的传感器,最小处理系统,控制系统,以及无线通信模块,还有相关的一些硬件电路部分;上位机部分是利用软件在电脑端制作的数据采集显示画面,上位机的软件应当还包括有存数数据等功能。

图2.1系统总体框架
2.1土壤温湿度无线数据采集与监控系统的设计要求
本次设计的系统应当要能达到如下的几个要求:
(1)温湿度传感器能准确的测量出温湿度的数据,系统要使用简单,且易于维护。
(2)无线通信部分应当选择一个可以远距离传输数据的通信方式,且抗干扰的能力要足够强。
(3)系统整体的设计应当模块化,规范整齐,软件硬件结合。
(4)系统的上位机部分要设计科学合理,美观使用,并且可以成功的接收到下位机传感器采集到的数据,并实时显示,并可实现波形显示数据的波动和数据存储。
2.2系统设计的方案与选择
2.2.1系统传感器的选择
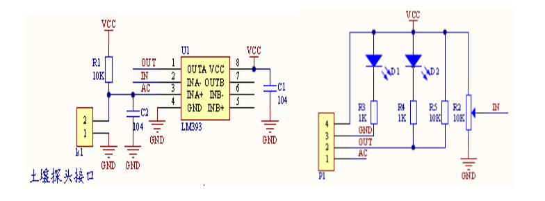
本次毕业设计的要求是测量温室土壤的温湿度并通过无线通信进行监测控制,因此传感器应当选择可以准确测出土壤温湿度的传感器。网上的将土壤温湿度测量集成起来的传感器价格都十分的高昂,并且都是利用rs485总线技术与单片机系统进步的数据传输,购买此类传感器不仅花费大,且与单片机的数据传输也十分的繁杂;因此我选择的是将测量温湿度的传感器分开来进行购买,实际操作时令两个传感器分别测量数据,在单片机内对数据统一进行处理。测量土壤温度的传感器我选择的型号是DS18B20测温模块,测量土壤湿度的传感器我选择的型号是YL-69土壤湿度检测模块。这两种传感器虽然没有集成于一体进行数据的测量,但价格不高,使用难度不大,同时,所需的温度和湿度值也可以较为准确的测量,因此可以选择使用。
2.2.2无线通信方式的选择
不同于有线通信,无线通信的方式不仅不需要进行大量的布线,传输的距离也可以变得更远。我目前接触到的无线通信方式有蓝牙,WIFI,ZIgbee,NRF;NRF在之前的课程学习中有过接触,这种无线通信方式适用于两块单片机之间的数据交流,而这种方案显然无法让我搭建出合理的上位机界面,因此不予采用。最终我采用的是WIFI通信,因为这种通信方式在平时的生活中最为常见,应用的比较广,为了贴切生活,也考虑到实际的情况中利用WIFI通信更合理,所以我确定了利用WIFI来进行数据的通信交流。
2.3上位机软件的选择
我接触到的可以用于制作上位机界面的软件有Labview,MFC,QT等,综合考虑制作的难易程度以及最终的页面美观效果,我选择的是Labview来进行上位机软件的制作。
2.4控制方式的选择
应题目要求,我设计的系统中应当有控制系统,所以我需要设计合理的控制装置来实现控制功能。联系实际来看,现下的温室大棚都是通过打开遮阳布或者合上遮阳布来对棚内的温度进行控制的,至于对湿度的控制,应当利用浇水的方法来进行。实际上,打开遮阳布后,当太阳照射棚内也会一定程度降低棚内土壤的湿度,因此我选择利用遮阳布和水泵来作为控制系统内的控制装置,通过控制这两个装置,可以控制模拟温室中的土壤的温度和湿度。

图2.2 总体设计流程框图
第3章 系统下位机硬件部分的设计
3.1单片机模块
在这一次的毕业设计中,我选用的是型号为STC89C52的单片机。这是一款由学校大三时统一下发的已经设计好电路的,并最终由我们自己亲手将一些必需的元件焊接在上面的单片机。该款单片机具有51内核以及8位的微控制器,可以使得该单片机灵活且有效的应用在众多的嵌入式控制系统内。在我所用的这款单片机上,我在上面焊接了最小系统,单片机板子上有3.3V以及5V电源,复位按键,USB接口,P0-P3等IO接口以及传感器数据的转换需要用到的ADC0832AD转换模块。P0,P1,P2,P3等IO口都是标准8位双向IO口。单片机晶体振荡电路产生11.0592MHz的频率。在本次毕业设计中,STC89C52型号单片机的时钟电路是十分重要的一环,因为不管是传感器需要的时序,还是说WIFI通信部分需要的时序,都是整个系统里十分重要的部分。
STC89C52在内部含有一个高增益的反向放大器,引脚RXD以及TXD则分别是这个放大器的输入端和输出端。时钟可以由内部方式或者外部的方式来产生。因此,在TXD以及RXD引脚上外接定时元件就可以使得内部振荡器产生自激震荡。在这个毕业设计中,WIFI模块需要将引脚连接到TXD和RXD。

图3.1 单片机最小系统
3.2 DS18B20测温模块
DS18B20看起来和三极管是一样的,但它其实是一个数字芯片。它拥有3个引脚,内部还有寄存器,DS18B20的3个引脚分别为GND、VCC、DATA。它与单片机通信的通信方式属于单总线方式。因此,只要在单片机系统中留一个单片机的引脚,测得的温度就可以传送给单片机进行处理。

图3.2 DS18B20的引脚图
之所以选择DS18B20作为测温的模块,是因为这个传感器具有如下优点:
(1)传感器采用的是单总线的接口方式,这种接口方式不仅可以实现双向通讯,且抗干扰能力强,传感器自身经济性好,使用起来也十分的方便,可以让用户轻松的构建想要的传感器网络。
(2)DS18B20的测量范围十分宽,为-55℃至 125℃;传感器的测量精度也可以满足要求,为±0.5℃。
(3)供电方式非常灵活,它拥有内部寄生电路,可以从数据线上获取到电源,只要求数据线上的时序内容可以满足要求。因此,DS18B20不需要接外部电源,系统结构更加简单。
(4)负压特性电源决定了该传感器即使极性接反了也不会烧毁传感器,只会导致传感器无法正常的工作。
(5)DS18B20具有掉电保护的功能,传感器内用EEPROM,在系统掉电了以后,传感器设置好的分辨率值以及设定好的报警预值也会被保存下来。
(6)DS18B20的内部结构:
(7)DS18B20由四大部分组成:ROM存储器、测量温度传感器、非易失性的温度报警器以及寄存器[5]。

图3.3 DS18B20内部结构
DS18B20在单线通信时,需要遵守给定的时序规则,不然就无法正常的工作。因此,我们可以总结出DS18B20正常工作时的步骤为:
(1)对DS18B20进行读写的初始化操作。
(2)发送ROM指令。

以上是毕业论文大纲或资料介绍,该课题完整毕业论文、开题报告、任务书、程序设计、图纸设计等资料请添加微信获取,微信号:bysjorg。
相关图片展示:








        
            
