太阳能移动信号灯电控模块设计毕业论文
2020-04-09 15:36:32
摘 要
随着现代化城市的建设的飞速进行,随着近些年来中国经济的飞速发展,各大城市的建设也是日新月异。伴随着这种情况,各大城市的施工现场随处可见,由于施工导致的交通压力也越来越大。为了解决这一问题,人们需要一种临时的交通信号灯来缓解交通压力,就这样,太阳能可移动交通信号灯进入了人们的视线。
城市中道路的施工是对交通产生最大压力的一种施工,它阻碍了车辆的正常行驶。特别是十字路口的施工时,导致十字路口的交通信号灯的无法运行,这时十字路口的往来车辆将无法得到有效的指示,轻则堵车、重则出车祸,出现巨大的交通问题。此时只能使用交警来维持十字路口的交通秩序。为了能将宝贵的人力资源从中解放出来,人们开始使用太阳能可移动交通信号灯。太阳能可移动交通信号灯可以用太阳能发电来供自身运行,从而无需额外铺设电缆,而且其可移动性决定了它方便携带、使用的优势。
本文的目的是探究太阳能可移动交通信号灯的构造,能使用较为简单的方法将太阳能可移动交通信号灯制作出了,探寻太阳能可移动交通信号灯的制造方法。
关键词:太阳能发电、可移动、交通信号灯、控制系统
Abstract
With the rapid development of modern cities and the rapid development of Chinese economy in recent years, the construction of major cities is changing with each passing day. With this situation, the construction sites of major cities are everywhere, and the traffic pressure caused by construction is also increasing. In order to solve this problem, people need a kind of temporary traffic lights to relieve traffic pressure.
The construction of roads in cities is a kind of construction that exerts the greatest pressure on traffic. It hinders the normal running of vehicles. Especially in the construction of crossroads, traffic lights at crossroads can not run, and vehicles at crossroads will not be able to get effective instructions, light traffic jams, heavy traffic accidents and huge traffic problems. Traffic police can only be used to maintain traffic order at the crossroads. To free up valuable human resources, people began to use solar-powered mobile traffic lights. Solar moveable traffic lights can be used to generate solar power for their own operation, so that no additional laying is required Cable, and its mobility determines its easy to carry, use of the advantage.
The purpose of this paper is to explore the structure of the solar mobile traffic signal lamp, and to make the solar mobile traffic signal light by using a relatively simple method, and to explore the manufacturing method of the solar energy movable traffic signal light.
Keywords: solar power generation, removable, traffic lights, control system.
目录
第1章 绪论 1
1.1课题背景及意义 1
1.2国内外的研究现状 2
1.3 本论文主要研究内容 2
第2章 太阳能可移动交通信号灯整体构造 3
第3章 太阳能发电技术 5
3.1 太阳能发电介绍 5
3.2 太阳能发电技术选择 5
3.3 太阳能硅电池板 6
第4章 硬件部分设计 7
4.1 硬件总体构造 7
4.2 输入部分 7
4.3 微处理器 9
4.4 输出部分 11
4.5 元器件清单 12
第5章 软件部分设计 14
第6章 成品模式 18
第7章 总结与展望 19
7.1 总结 19
7.2 展望 19
致谢 20
参考文献 21
- 绪论
 
1.1课题背景及意义
移动式交通信号灯是一种安装在可移动小车上的拥有红绿信号灯的可用于指挥交通的一种装置。它通常用于交通信号灯失灵的繁华路口、施工路段、学校或工厂内部。移动式交通信号灯具有灵活性的特点,一般采用太阳能发电。装有大阳能发电系统及蓄电池的移动式交通信号灯可以有效的将交警从没有交通信号灯的拥挤路段解放出来,缓解交通压力。特别是在路面施工时,可以临时使用,起一个警示作用。同时太阳能交通信号灯环保、省电。由于有太阳能发电系统,在使用时可以做到随到随用,不用铺设电缆,可有效解决因施工导致的断电问题。而且因为装有蓄电池,对于因雨雪天气导致的道路交通信号的失灵的问题,也能轻松替代解决。

图1.1 太阳能导向指示灯
                     
图1.2 太阳能临时道路指示灯
可以说移动式交通信号灯的出现是近些年来中国城市快速发展的一个缩影,研究与发展移动式交通信号灯是随着城市建设的必然结果,也是城市高速发展的间接证明。对于移动式交通信号灯的研究对城市发展有着重要的意义。
1.2国内外的研究现状
在国外许多发达国家中,城市中的施工越来越少,移动式交通信号灯在施工现场的作用也变的小了起来,更多的发挥在学校、工厂的路口处,以及交通信号灯失灵的场合。
随着近些年来中国经济的飞速发展,各大城市的建设也在马不停蹄的进行中。伴随着这种情况,各大城市的施工现场随处可见,用于临时指挥交通的移动式交通信号灯也开始进入人们的视野,多用于施工现场,对往来车辆起警示作用。
1.3 本论文主要研究内容
本文研究的主体对象是太阳能可移动式信号灯的电控系统的设计。同时会全面对太阳能可移动式信号灯进行全面的剖析,研究其构造,寻找合理的、性价比高的设计方案。
第2章 太阳能可移动交通信号灯整体构造
移动式交通信号灯作为有交通指挥功能的机器,应该有红黄绿三种颜色的LED灯。其一般可以用于临时施工现场起警示作用、在学校或工厂的道路上起交通引导作用和十字路口的交通信号灯出故障时暂时代替指挥交通。为此它需要两种工作模式,一种是交通信号灯中的黄灯不停闪烁用来警示往来车辆,此处有施工现场,请减速小心行驶;另一种是交通信号灯中的红灯与绿灯交替亮,用来指挥来往车辆,缓解交通压力。为了能够自由选择两种模式的一种进行工作,可以使用两个按键来控制,一个按键控制一种模式,当按下一个按键时装置按其中一个模式进行工作,按下下一个按键时,停止进行中的模式,改为执行另一个模式。
对于移动式交通信号灯来说可移动性、便携性是最大的卖点。这样移动式交通信号灯可以根据使用者的需求,随意摆放在任何地方,而不需要在意铺设长电缆时所带来的问题。为此移动式交通信号灯需要一个自带的能量源,而太阳能发电系统无疑是最好的选择。太阳能是随处都有的能源,利用太阳能作为移动式交通信号灯的能源,可以无视地形因素对装置使用的限制,就算是夜晚或是雨雪天也能利用平时储存的太阳能来对装置供电。
因此移动式交通信号灯应该由太阳能发电系统、蓄电池、控制系统、信号灯组成。太阳能发电系统将太阳能转化为电能,并将电能储存在蓄电池中,蓄电池给控制系统、信号灯供电。控制系统由微处理器与按键组成,通过按键来决定装置的开关与信号灯亮灭的模式,按下按键给微处理器一个信号,微处理器根据这个信号来控制装置的运行。信号灯与微处理器相接,被微处理器控制。
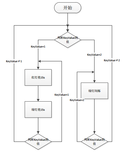
本次设计中,我设计的太阳能移动信号灯电控模块应该由3个按键、一个单片机及其最小系统、红黄绿三种颜色的灯组成。具体工作模式是一个按键负责控制单片机及其最小系统也就是微处理器的开关,它也是整个装置的开关。另外两个按键分别控制LED两种不同模式的亮灭。当按下按键1后,整个装置开始运作,此时按下按键2,LED按照模式1亮灭,也就是红灯亮15s后熄灭,接着绿灯亮15s熄灭,随后红灯再亮15s后熄灭,绿灯亮15s熄灭,就这样不断循环。当按下按键3后,LED按模式2亮灭,也就是黄灯不断闪烁。之后再按一次按键1,整个装置停止运行。
    
图2 太阳能可移动交通信号灯结构示意图
以此我们可将太阳能可移动交通信号灯的设计分为三大部分:太阳能发电部分、硬件部分、软件部分。
第3章 太阳能发电技术
3.1 太阳能发电介绍
太阳能发电是将太阳能转化为电能的一种技术方案。随着时代的发展,人类的科技不断进步,对能源的需求也越来越大。因为化石能源的有限性,对环境的污染性,在化石能源将要开发殆尽的背景下,人们开始寻求新的能源。而大阳能作为一直在人们面前,取之不尽用之不竭的能源,进入了人们的视线里。
在化石能源将要开发殆尽的背景下,人们在不断开发利用太阳能的技术方法。时至今日,大量与太阳能相关的技术被发明出来,利用太阳能发电的技术也日渐成熟。从能量转换的方面看,太阳能发电可以划分为两大技术路线。一个技术路线是太阳能光发电,而另一个是太阳能热发电。
3.2 太阳能发电技术选择
太阳能光发电是直接将太阳能转化成电能,利用光电效应以及半导体材料将太阳能转化成电能。而太阳能热发电是先将太阳能转换为热能后,再将热能转化为电能。两种技术方案中都有非常成熟的技术路线。
太阳能光发电中的光伏发电技术,光伏发电技术就是利用太阳能级半导体电子器件有效地吸收太阳光辐射能,并使之转变成电能的直接发电方式,其中最有代表性的就是太阳能硅电池板,可以随意在任何地方使用,无视空间大小,只要有充足的阳光就能工作。而且发电效率高,值得投资发展。
太阳能热发电的技术也发展的十分成熟,如日常生活中常见的太阳能发电站,就是多数采用太阳能热发电技术。它在大面积的土地上铺设设备,将太阳能辐射集中起来,产生热能,再利用热能将水化为水蒸气,用水蒸气带动发电装置运作来发电。和传统火力发电的思路类似,只不过是将化石能燃烧产生热能的方式改为太阳能转化为热能。
在上述两种发电技术路线中太阳能热发电所需的空间较大,不适合本文太阳能移动式交通信号灯的可移动性。而太阳能光发电对空间大小的要求不大,适合于本次太阳能移动式交通信号灯的设计。因此太阳能发电技术路线选择太阳能光发电。
太阳能光发电也有许多的不同技术,其中发展最成熟、性价比最高的是光伏发电——太阳能硅电池板。
3.3 太阳能硅电池板
当前,晶体硅材料(包括多晶硅和单晶硅)是最主要的光伏材料,单晶硅太阳能电池的光电转换效率为15%左右,最高的达到24%,这是目前所有发明的多种太阳能电池中光电转换效率最高的。因此我们可以利用单晶硅太阳能电池的特性来进行发电,维持设备的正常运行的用电。
第4章 硬件部分设计
4.1 硬件总体构造
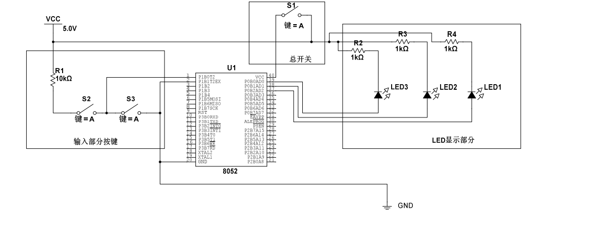
硬件部分可以分为输入部分、微处理器、输出部分。而本次设计的太阳能移动式交通信号灯的输入部分是按键、微处理器是单片机89c52及其最小系统、输出部分是LED。
输入部分的按键有三个,一个用于控制单片机89c52及其最小系统的运行,决定整个装置是否工作。另外两个按键用来给单片机的输入端口输入信号,一旦按下按键,就给单片机发送一个脉冲,来控制LED的亮灭。
微处理器是是单片机89c52及其最小系统,它是整个装置的控制系统,只有它正常运行了,整个装置才能正常运行。在本次设计中,微处理器是用来接收按键发出的信号,并解读这个信号,根据程序去控制LED的亮灭。
输出部分的LED有三个,分别是红、绿、黄三种颜色的LED,它们与单片机89c52的输出端口相连。当输出端口输出高电平时,LED亮,输出端口输出低电平时,LED灭。
输入信号 输出信号
控制开关
图4.1 硬件结构框图
4.2 输入部分
作为移动式交通信号灯的输入部分,按键是最好的选择。可以采用键盘扫描的原理

图4.2 键盘扫描原理图
它是将总端与高电压相连,当没有按键按下时,Y0-Y3为高电平。在x0-x3上送低电平,如果对应的行有按键按下,则读取Y0-Y3中会有低电平状态。整个扫描分为4个阶段:
第一个阶段是判断第一列的按键,在X0送低电平,X1-X3送高电平,读取Y0-Y3的状态,若有低电平值,则第一列对应的按键按下。
第二、三、四阶段分别依次判断第二、三、四列的按键,依次在X1、X2、X3上送低电平,分别读取Y0-Y3。
也就是说当我们未按下按键时,按键与其相连的单片机的输入端口得到的是高电平。而当我们按下按键时,按键与其相连的单片机的输入端口会短暂的得到低电平,当我们松开按键后,低电平又恢复成高电平。
可以说是当我们按一下按键,就会给微处理器发送一个脉冲,当微处理器接收到了这个脉冲后,就可以控制输出部分,按照我们所需要的方式进行工作。
按键应该有3个,它们有不同的功能。一号按键是装置的开关,它将决定了太阳能电池板是否向装置供电,也就是所谓的总开关,是移动式交通信号灯的总开关,它将直接决定太阳能移动式信号灯是否能够运行。2号、3号开关都是用来控制信号灯不同模式的,它们采用键盘扫描的原理当按下2号开关时,给微处理器的一个输入端口发送一个低电平的脉冲信号,微处理器接收到这个低电平的脉冲信号后,就可以控制led按模式1黄灯不停闪烁的方式亮灭,按下3号开关时,也是给微处理器另一个输入端口发送一个低电平的脉冲信号,微处理器接收到这低电平的脉冲信号后,将控制led按模式2红绿灯交替亮一段时间的方式亮灭。
4.3 微处理器
微处理器顾名思义,也就是小型的中央处理器。由一片或几片集成电路组成,具有完成取指令、执行指令,以及与外界存储器和逻辑部件交换信息等操作的功能。其体积小、重量轻、具备一定的运算处理功能、性价比高,十分适合于小型智能仪器的构造,以及移动性仪器的构造。
微处理器是太阳能移动式交通信号灯的核心,它是整个装置的控制中心。我们通过按键给微处理器发送一个脉冲,微处理器接收到这个脉冲,根据记录在微处理器中的程序来决定如何处理这个脉冲、如何去控制我们的输出部件LED。因此微处理器的选择无疑是重中之重 。
       
图4.3单片机结构图
智能仪器、电子产品的微处理器多采用单片机,单片机是在一块芯片上集成了CPU、RAM、ROM、时针、定时/计数器、串行/并行I/O口的微型计算机。。单片机有许多的优点,比如功能强、体积小、性价比高、便于开发等等。但其中最重要的优点是体积小,体积小意味着它的适用广泛,比起正常的计算机,单片机在舍弃一定的性能的情况下完成了体积轻便化,较小的体积可以使它应用于各种仪器、仪表中。比如现在的洗衣机、电冰箱、空调机、电视机、微波炉、手机等一系列电子产品都离不开单片机的作用。
单片机最重要的功能是数据处理方面的能力和指令系统方面的能力,而这些功能的强弱取决于单片机设计是的字长,目前单片机的字长位数有4位、8位、16位、32位,位数越多的单片机在数据处理方面的能力和指令系统方面的能力就越强,但相应的制造成本也越高。其中8位单片机相对来说功能齐全、制造成本低廉,在较简单的控制系统中应用广泛,也是应用的最多的单片机。

图4.4 MCS-51系列的单片机基本结构图
微处理器可以选用单片机89c52,该系列的单片机属于MCS-51系列的单片机,其系列单片机片内集成并行I/O口、串行I/O口、16位定时/计数器、RAM、ROM等,最高时钟频率是12MHz,采用CISC体系系统三总线结构。其系列单片机片是单片机的主流机型,技术性能及开发手段都较成熟,在智能仪器、机电一体化设、电子产品中得到广泛应用。
       
  
以上是毕业论文大纲或资料介绍,该课题完整毕业论文、开题报告、任务书、程序设计、图纸设计等资料请添加微信获取,微信号:bysjorg。
相关图片展示:




        
            
