桥体涂装自动化生产线传输装置设计毕业论文
2020-04-12 16:46:25
摘 要
悬挂输送系统被广泛运用于汽车的各种零部件的涂装作业中。是汽车制造过程中重要的设备之一。
本文首先介绍了汽车车桥涂装的工艺流程,接着对车桥涂装悬挂输送系统的一些基本参数进行设计,比如说生产节拍的确定、负载段与空载段的高度、长度的设计等。接着利用逐点张力法对输送系统牵引链进行受力分析与计算,得到牵引链的最大张紧力,为进一步设计悬挂输送系统的主要部件提供主要数据。最后对悬挂输送系统的主要部件如牵引链、张紧装置、回转装置、驱动装置等等进行了设计。
关键词:车桥;悬挂输送;涂装工艺
Abstract
Suspension conveyor system is widely used in all kinds of painting works. It's one of the most foundational and important equipment that severs an irreplaceable role when it comes to manufacturing high quality cars.
In this particular article the process flow of axle painting is introduced at the beginning, and then some basic parameters for the axle painting system are designed and calculated. They are parameters like time of production cycle, the heights of unloaded section and loaded section and the length of transmission line.
What followed next is some force analysis and calculation of the transmission line and the maximum stress of the traction chains come out. Those steps provide necessary data to the further calculation and design of several main components.
The final part of this article is about design of main components of the suspension conveyor system such as traction chains, tensioning gear, slewer, driver.
Key Words:suspension conveyor system; axle; painting line
目录
第一章 绪论 3
1.1 课题研究背景和意义 3
1.2 课题简介 3
1.2.1 汽车车桥涂装工艺流程简介 3
1.2.3 汽车车桥涂装生产线传输装置简介 6
1.3 课题主要研究内容 7
第二章 提式悬挂输送系统总体设计 8
2.1生产纲要 8
2.1.1 生产节拍与组织方式 8
2.1.2 工艺流程 8
2.1.3 确定工件节距和链速 9
2.2 输送系统各工艺段高度的确定 9
2.2.1前处理工艺段工艺高度确定 9
2.2.2烘干冷却工艺段工艺高度确定 10
2.2.3喷漆工艺段高度确定 11
2.2.4上下线工艺段高度确定 13
2.3输送系统各段长度的确定 13
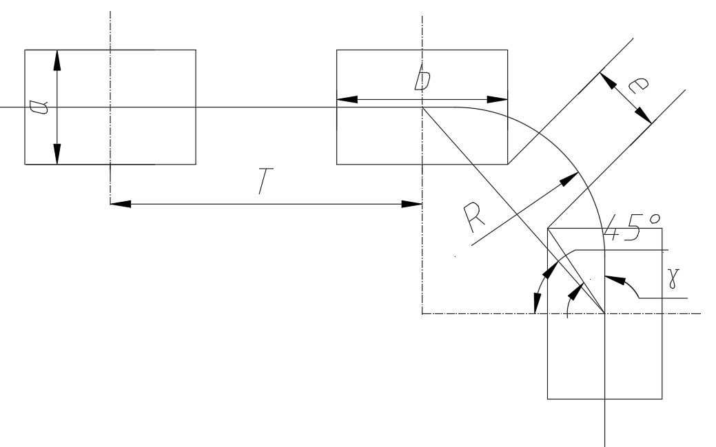
2.3.1 输送系统水平回转段半径的确定 13
2.3.2输送系统倾斜弯曲段长度的确定 15
2.3.3 弯曲轨道的连接与半径选择 16
2.3.4 负载段总长的计算 17
2.3.5 空载段总长计算 18
第三章 悬挂输送系统牵引链受力分析与计算 20
3.1 概述 20
3.2 牵引链逐点张力计算理论基础 20
3.2.1 逐点张力计算法的目的 20
3.2.2 逐点张力法的计算程序 20
3.2.3逐点张力法的计算公式 21
3.2.2 牵引链的逐点张力计算 22
第四章 悬挂传输系统主要部件设计 27
4.1 链条的设计选择 27
4.1.1链条的拉伸校核 28
4.1.2 牵引链水平回转校核 30
4.1.3 牵引链垂直弯曲校核 33
4.2滑架的设计 36
4.2.1滑架的结构设计 36
4.2.2 水平直线段滑架载荷校核 37
4.2.3 水平回转段的滑架载荷 40
4.2.4 垂直弯曲段的滑架载荷 42
4.3 输送系统轨道的设计与校核 45
4.3.1 轨道截面及其许用载荷 45
4.4 回转装置的设计 46
4.5 张紧装置的设计 51
4.6 驱动装置的设计与选择 53
4.6.1 驱动装置的选择 53
4.6.2直线驱动装置的传动参数确定 53
4.6.3 驱动装置的过载保护机构 54
第五章 总结 55
参考文献 56
致 谢 57
第一章 绪论
1.1 课题研究背景和意义
本文的设计对象是汽车车桥,车桥是汽车底盘上的一种极为重要的部件,对耐腐蚀性能的要求很高,一旦车桥受到腐蚀轻则性能下降重则结构损伤,后果将不堪设想[1]。汽车车桥的涂装工艺离不开输送系统。在现代企业生产活动中,特别在汽车制造企业的生产活动中,输送系统是构成富有效率的流水自动化生产线所不可缺少的关键系统。输送系统所承担的任务不仅仅是输送物件,更是将企业生产的各个工艺流程紧密地结合到了一起。对于车桥涂装工艺来说,输送系统将涂装的各项工艺流程串联到了一起,由于工艺链长且复杂,这对车桥输送系统的设计与选择提出了较高的要求。此外,输送系统的设计关乎到了汽车车桥涂装生产线的运行效率,合理的输送系统设计、涂装车间布局能够提高生产效率、降低营运成本,提升企业的经济效益。 [2]。
1.2 课题简介
汽车车桥涂装的主要目的是增强汽车车桥的耐腐蚀能力从而延长使用寿命。这一目的通过两部分工艺实现:前一部分是前处理工艺,后一部分是油漆喷涂工艺。而这两部分工艺的实现,依赖于合适的自动化传输设备将这两部分工艺连贯起来,这就是本课题最大的意义:为桥体涂装自动化生产线设计平稳、可靠的传输设备。
1.2.1 汽车车桥涂装工艺流程简介
总体上来说,车桥涂装可以分为三大类工艺:前处理工艺、烘干与冷却工艺、喷涂工艺。
1.前处理工艺简介
前处理工艺就是通过喷射出化学药剂来对车桥进行处理的一种工艺,进行这一步主要目的是首先除掉附着在车桥上面的油渍污垢,其次是提高涂装的质量。如果前处理处理缺位的话油漆即使涂上了车桥也会很快破裂气泡,因此可以说它是汽车涂装中最最重要的工艺。在前处理过程中,因悬挂着的工件连续通过,考虑到各工艺段均采用喷淋工艺,为了保证良好的冲洗效果,喷嘴需要布满工件的四周,前处理段的工件截面如图1.1所示。

图1.1 前处理段截面图
2.烘干与冷却工艺简介
涂装过程中涉及到的热水洗、防锈水洗、面漆喷涂等工艺都需要在工艺结束后进行烘干与冷却处理。水分烘干室和面漆烘干室的结构相同,均利用直通地面式烘干炉进行加热,如图1.2所示,烘干喷嘴布满工件的四周,这样设计的主要目的就是让水分能得到充分烘干。
冷却处理则分为强冷和流平。其中强冷在强冷室中进行,冷却室紧挨着烘干室。这样做的目的是让强冷室中吹出的冷风将刚从烘干室出来的车桥迅速降温,从而有利于下道工序的进行。流平则是在面漆喷涂结束后对面漆进行的自然晾干的过程。流平过程中平稳的空气流动带走溶剂,使得油漆更加均匀。

图 1.2 烘干段截面图
3.喷涂工艺简介
商用车车桥几乎都是铸铁件制成。铸铁件的含碳、含硅量较高,在水和酸性气体的作用下很容易锈蚀。因此生产车桥的过程中对车桥的喷漆是不可缺少的工艺步骤。车桥的涂装主要起到了防锈和保护的作用。车桥的喷漆工艺过程分机器人自动喷涂段和人工补喷涂段。机器人自动喷涂段包含两套水帘喷漆系统,采用机器人自动喷涂。两套系统一套喷底漆,一套喷面漆。每套系统有两个2个喷漆房,系统连续对位布置,车桥的左右两面都能得到喷漆。整个喷漆工艺段由机器人自动喷涂段和人工补喷涂段组成。
1.2.3 汽车车桥涂装生产线传输装置简介
在汽车生产车间常用的输送系统主要有悬挂式输送系统、摆杆式输送系统、全旋式输送系统、多功能穿梭系统等等。对于车桥等零件,由于车桥尺寸较小、批量式生产,最常用最合适的选择是悬挂输送系统[4]。
悬挂输送系统与其他输送系统相比的主要优势在于:
(1)运行速度相对较大,从0.8m/min到3m/min可以自由调节。
(2)能够形成复杂的空间线路,根据车桥涂装的各个工艺流程就能轻松实现线路的布置,可调整性强。
(3)线路的长度灵活性较大,通过增加驱动装置的数量达到延长线路的目的。输送线可以依靠周围的支撑物比如墙柱、横梁、钢立柱搭建轨道,对地面空间的占用面积小,动力的损耗较小。
(4)适用范围广,悬挂输送机通用性强,因此购置成本很低。
悬挂输送系统的缺点主要有:
(1)输送系统对金属材料的需求量大,而金属材料的价格由于供求关系的逆转已经上升到了历史新高,对输送系统的制造成本产生了较大的压力。同时虽然输送系统较为简单但是仍然存在一定的复杂性,对安装、日常维护和管理都提出了一定的要求。
(2)提式悬挂输送机的结构虽然简单,但是只能按照预先设计的单一速度和固定节距运行,无法办到像积放式输送设备那样根据工艺的需要对工件节距与输送速度进行调整。
普通悬挂输送系统分为两种:积放式悬挂输送系统和提式悬挂输送系统。积放式悬挂输送系统的特点是在非工艺流程段时可以实现快速化运输和积放式存储。在工艺流程段时可以按照给定的工作节拍来工作,装卸料段也无需人工可以实现自动化。但是积放式悬挂输送系统的问题是成本高[4]。
提式悬挂传输系统的优势是结构简单、方便维护、造价便宜、运行稳定性较好。但也有运行速度单一、不能将物件从一条传输线转送到另一条传输线的缺点。
以上是毕业论文大纲或资料介绍,该课题完整毕业论文、开题报告、任务书、程序设计、图纸设计等资料请添加微信获取,微信号:bysjorg。
相关图片展示:









