谷阳大桥设计毕业论文
2020-04-13 11:09:07
摘 要
预应力混凝土T型梁桥由于其外形简单,制造方便,结构受力合理。主梁高跨比小,横向稳定性好。桥型美观,在公路桥梁工程中应用广泛。
本次毕业设计为三跨预应力混凝土简支T型梁桥,主梁选用后张法预应力混凝土T型板梁。
根据设计资料进行桥型方案比选,确定三跨简支T型桥方案。拟定T型梁的截面尺寸,计算各控制界面的内力,根据内力分布情况估算预应力钢筋的数量和普通钢筋的面积并对其进行布置。计算截面特性进而计算预应力损失,复核正截面和斜截面的承载力,验算正常使用极限状态下构建抗裂性及变形;验算持久状态下和短暂状态下构件截面应力,并对局部锚固区进行设计并验算。本文目的在于通过毕业设计,对本专业知识进行系统学习并掌握桥梁设计的基本步骤,对尽快适应工作岗位和桥梁设计有重要意义。
关键词:T型梁 预应力 钢束 应力 结构设计
Abstract
The prestressed concrete T-beam bridge has a simple shape, is easy to manufacture, and has a reasonable structural stress. The main beam has a low height ratio and good lateral stability. Beautiful bridge, widely used in highway bridge engineering.
The graduation design is a three-span prestressed concrete T-beam bridge, and the main beam is made of post-tensioned prestressed concrete T-type beam.
According to the design data, the comparison of the bridge type plans was carried out to determine the three-span simply-supported T-bridge plan. The cross-section dimensions of the T-beam bridge were calculated, and the internal forces of each control interface were calculated. The number of prestressed steel bars and the area of common steel bars were estimated and arranged according to the internal force analysis. Calculate the loss of prestress, review the bearing capacity of the normal section and the oblique section, construct the crack resistance and deformation checking under the normal use limit state, check the stress of the member section under permanent state and transient state, and design and check the local anchorage area. . Through graduation design, this article systematically studies the professional knowledge and masters the basic steps of bridge design. It is of great significance to adapt to the work position and bridge design as soon as possible.
Keywords: T-beam prestressed steel beam stress structure design
目录
摘 要 2
Abstract 3
第1章 桥型方案比选 6
1.方案比选的意义及要求 6
2.初选方案 6
2.1比选方案一:预应力混凝土简支T型梁桥 6
2.2比选方案二: 预应力混凝土空心板桥 7
2.3比选方案三: 拱桥 9
3.方案比选 10
第2章 计算书 11
1.设计资料 11
1.1桥梁跨径及桥宽 11
1.2设计荷载 11
1.3材料及工艺 11
1.4基本计算数据 12
2.主梁跨中截面主要尺寸拟定 13
2.1主梁高度 13
2.2主梁截面细部尺寸 13
2.3计算截面几何特征 14
2.4检验截面效率指标ρ 14
2.5横截面沿跨长的变化 14
2.6横隔梁的设置 15
3. 主梁作用效应计算 15
3.1 永久作用效应计算 15
3.1.1 永久作用集度 15
3.1.2永久作用效应 16
3.2可变作用效应计算(修正刚性横梁法) 17
3.2.1.冲击系数和车道折减系数 17
3.2.2计算主梁的荷载横向分布系数 17
3.2.2.计算可变作用效应 24
3.3主梁作用效应组合 33
4、预应力钢束的估算及其布置 34
4.1 预应力钢束数量的估算 34
4.2预应力钢束布置 35
4.2.1 跨中截面及锚固端截面的钢束位置 35
4.3钢束起弯角和线形的确定: 37
4.4钢束计算 37
5、计算主梁截面几何特性 39
5.1截面面积及惯矩计算 40
5.1.1 净截面几何特性计算: 40
5.2换算截面几何特性计算: 40
5.2.1整体截面几何特性计算 40
6.持久状况截面承载能力极限状态计算 42
6.1持久状况承载能力极限状态承载力验算 43
6.1.1确定混凝土受压区高度: 43
6.1.2验算正截面承载力: 43
6.1.3验算最小配筋率: 44
6.2斜截面抗剪承载力验算: 45
6.2.1复核主梁尺寸 45
6.2.2截面抗剪承载力验算: 45
7预应力损失估算 49
7.1预应力钢筋张拉控制应力 49
7.2预应力损失值 49
8.应力验算 54
8.1短暂状况的正应力验算 54
8.2持久状况的正应力验算 55
8.3持久状况下的混凝土主应力验算 56
9.抗裂性验算 58
9.1作用短期效应组合作用下的正截面抗裂性验算 58
9.2作用短期效应组合作用下的斜截面抗裂性验算 59
10.主梁变形(挠度)计算 61
10.1荷载短期效应作用下主梁挠度验算 61
10.2预加应力引起的上拱度计算 61
10.3预拱度的设置 62
11.锚固区局部承压计算 62
11.1局部受压区尺寸要求 63
11.2局部抗压承载力计算 64
参考文献 65
致 谢 66
第1章 桥型方案比选
1.方案比选的意义及要求
方案比选在桥梁设计中具有重要的作用。一定要通过优选,才能选出最合理的设计方案。于此同时,只有不断优化设计方案,我们才能达到桥梁的最优设计。
方案比选由方案初选、比较和确定组成。方案需要考虑安全、功能、美观以及与环境的协调等方面,这其中安全和经济两项最关键。随着现代化交通事业的迅速发展,对桥下通航净空要求的日益增加,在方案比选中占有十分的地位。在桥梁美观等方面,要根据具体的环境与经济情况而决定。随着人们环保意识的提高,桥梁建造与环境之间的协调也成为设计需要考虑的原则之一。
本设计根据要求拟定3个初选方案,再进行进一步的经济技术比较,推荐最优方案。
2.初选方案
预应力混凝土简支T型梁
预应力混凝土空心板桥
拱桥
2.1比选方案一:预应力混凝土简支T型梁桥
  (一) 尺寸拟定:
①桥跨布置
方案拟采用桥面净宽为8.5米,3跨20米预应力混凝土简支T梁桥。桥梁上部结构采用5片主梁,主梁间距取用1.6米,其中预制主梁宽1.6米,桥型布置图如图所示:

图一.桥型布置图(三跨预应力混凝土T形简支梁)
②截面尺寸
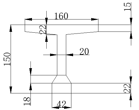
根据已建成的桥梁资料分析,主梁截面的梁高h=1.5m,截面细部构造图如图2所示。

图2.截面细部构造图(单位:cm)
桥面设有2%的单向横坡,由桥面铺装三角垫层来实现。
③下部结构
桥墩采用单个直径为1.2米的双柱式圆形墩,基础采用直径为1.2米的双排桩。
   (二)施工方法设计
从施工上考虑,满堂支架施工和预制安装施比较适合工简支T梁的施工方法。考虑到满堂支架对基础要求较高,而本设计桥下为淤泥层且厚度较大,因此采用预制安装法施工。
- 预应力混凝土简支梁桥的特点:
 
预应力混凝土简支T 形梁桥目前在公路桥梁工程中应用非常广泛。主要是由于预应力混凝土简支T 形梁桥具有制造方便,主梁高跨比相对较小,横向结构整体性好,外形简单且能很好地在地质较差的桥位上建桥和桥型美观等优点。由于各跨经结构尺寸统一,在多孔简支梁桥中其结构尺寸可以系列化,标准化。进行的设计。T型梁有利于组织大规模的工厂预制生产。
2.2比选方案二: 预应力混凝土空心板桥
  (一) 尺寸拟定:
- 桥跨布置
 
本方案计划采用3跨20米预应力混凝土空心板桥,行车道设置为7 2*0.75m。桥型布置图与方案一相同:

图3.桥型布置图(三跨预应力混凝土空心板桥)
②截面尺寸
以上是毕业论文大纲或资料介绍,该课题完整毕业论文、开题报告、任务书、程序设计、图纸设计等资料请添加微信获取,微信号:bysjorg。
相关图片展示:








        
            
