茶岭大桥结构设计毕业论文
2020-02-19 16:30:29
摘 要
本设计题目为茶岭大桥结构设计,属贵州省某高速公路的六盘水至贵阳路段。现须架立桥梁跨越茶岭山谷,本人拟采用等高度等跨径的公路预应力混凝土连续梁桥设计设计方案,桥梁的跨径布置为 5×30m,两车道,上部结构采用先简支后连续的预应力混凝土连续 T 型梁桥。本设计先通过方案对比,选出较为经济合理的方案,然后进行桥涵水文计算,利用 Midas Civil软件进行结构分析,根据桥梁的尺寸拟定建立桥梁上部结构模型,进行内力计算、施工各阶段分析及截面验算。同时,因为连续梁是超静定结构,所以必须要考虑混凝土收缩徐变、结构温差、基础不均匀沉降等因素对桥梁内力的影响。 本设计主要是对预应力混凝土连续梁桥的上部结构进行设计,设计中主要进行了桥涵水文计算、桥梁总体布置及结构尺寸拟定、桥梁荷载内力计算、桥梁预应力钢束的估算与布置、 桥梁预应力损失及应力的验算、主梁截面应力验算。 经过软件分析验算,该设计内力分布合理,截面验算满足规范要求,符合设计任务的要求。
关键词:先简支后连续 T梁 预应力 Midas Civil 钢束
Abstract
The design topic is the structural design of Chaling Bridge, which belongs to Liupanshui-Guiyang section of a highway in Guizhou Province. Now the bridge must be erected to cross the Chaling Valley. I plan to adopt the design scheme of highway prestressed concrete continuous beam bridge. The span of the bridge is 5×30m and two lanes. The superstructure of the bridge is a simple-supported to continuous T-shaped prestressed concrete continuous girder bridge.During the design period,the first step is to choose a more economical and reasonable scheme by comparing other schemes, then carry on the bridge and culvert hydrological calculation, use Midas Civil software to carry on the structural analysis, draws up the bridge superstructure model according to the bridge size, carries on the internal force calculation, the construction stage analysis and the section check calculation. At the same time, because the continuous beam is a statically indeterminate structure, it is necessary to consider the influence of concrete shrinkage and creep, structural temperature difference, uneven settlement of foundation and other factors on the internal force of the bridge. This design is mainly about the design of the superstructure of the prestressed concrete continuous beam bridge. In the design, the hydrological calculation of the bridge and culvert, the overall layout of the bridge and the formulation of the structure size, the calculation of the internal force of the bridge load, the estimation and layout of the prestressing steel bundle of the bridge, the checking calculation of the prestressing loss and stress of the bridge, and the stress checking calculation of the section of the main beam are mainly carried out. Through software analysis and checking, the internal force distribution of the design is reasonable, the cross-section checking meets the requirements of specifications, and meets the requirements of design tasks.
Key words: simply supported continuous T-beam bridge prestressed Midas Civil the steel beam
目录
第1章 绪论 1
1.1 预应力混凝土连续梁桥的特点 1
1.2先简支后连续预应力混凝土连续梁桥的发展 1
1.3工作内容 2
第2章 设计基本情况说明 3
2.1 设计标准 3
2.2 地质条件 3
2.3 主要材料 3
2.4 主要规范 5
第3章 桥型方案比选 6
3.1 方案比选的意义及原则 6
3.3 设计方案一:5×30m的先简支后结构连续的T梁桥 7
3.4 设计方案二:预应力混凝土连续刚构桥(比选方案) 7
3.5 设计方案三:预应力混凝土T型刚构 8
第4章 桥涵水文计算 10
4.1基本资料 10
4.2设计流量计算 10
4.4桥梁孔径计算 11
4.4.1基本公式 11
4.4.2桥孔长度 12
4.4.3桥孔布置 12
4.5桥面标高计算 12
4.6墩台冲刷计算 13
第5章 桥跨总体布置和结构尺寸 14
5.1 桥型布置 14
5.1.1 孔径布置 14
5.2结构尺寸及截面特征 15
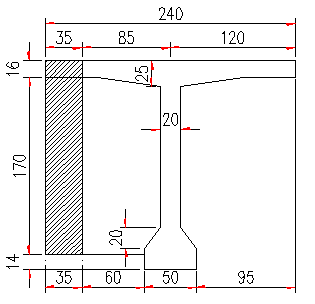
5.2.1 桥梁截面形式 15
5.2.2 截面几何特性 17
5.3 桥面铺装 19
5.4 桥梁下部结构 19
第6章 主梁作用效应计算 20
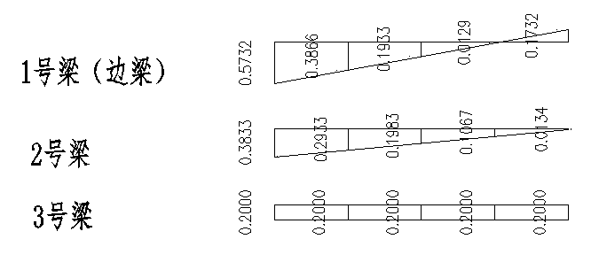
6.1 汽车荷载横向分布系数计算 20
6.2 汽车荷载冲击系数确定 22
6.3 主梁作用效应计算 22
6.3.1永久作用效应计算 22
6.3.2. 永久作用效应 23
6.3.3. 车道荷载的取值 27
6.3.4. 计算可变作用效应 27
6.4 荷载组合的定义 28
6.5 承载能力极限状态下的作用效应组合 30
6.6 正常使用极限状态下的作用效应组合 31
第7章 Midas计算模型的建立 34
7.1 材料特性 34
7.2全桥结构单元的划分 34
7.3施工阶段分析 35
第8章 主梁截面验算 36
8.1 截面受压区高度 36
8.2 正截面抗弯承载能力验算 36
8.3 斜截面抗剪承载能力验算 39
8.4 结构正截面抗裂验算 42
8.5正截面受拉区钢筋拉应力验算 43
第9章 预应力钢束的估算与布置 46
9.1 钢束估算 46
9.1.1 按承载能力极限计算时满足正截面强度要求估算 46
9.1.2按正常使用极限状态的应力要求估算 47
9.1.3 按正截面抗裂性要求估算 48
9.2 预应力钢束布置 52
9.3 预应力损失 54
9.3.1 摩阻损失 54
9.3.2 锚具变形损失 54
9.3.3 混凝土的弹性压缩损失 55
9.3.4 预应力的应力松弛损失 55
9.3.5 收缩徐变损失 55
9.4 预应力计算 55
第10章 结论 59
参考文献 60
致 谢 62
第1章 绪论
1.1 预应力混凝土连续梁桥的特点
作为最古老的梁桥体系之一,连续梁桥结构体系在力学上因其具有桥面变形小、
刚度好、
、
、
、
、
等
。
,经济跨径不超过
,但是预应力混凝土的发展增加了连续梁桥的经济跨径,
桥得到了较广的应用,
,
。
连续梁桥是一种超静定结构,在结构力学的学习中我们得知,
、
收缩徐变和
等作用都会
,
难度。除此之外基础的不均匀沉降也会引起结构次内力,因此,这就对桥梁的基础要求较高。
,
,
明显减少,
的弯矩图相差无几。
,
有效地减少混凝土开裂等缺点,
,
,因此预应力混凝土连续梁桥
,
,同时它还具备
、
、
。
1.2先简支后连续预应力混凝土连续梁桥的发展
是
中最为常见的一种方法。一般先
预制主梁,称为
;进而再将
,在墩顶
,最终形成连续梁体系。该施工方法的优点是
,实现了桥梁施工的
,并且
可以
,大大
。目前随着高等级公路的发展,
以其
在
中得到了广泛的应用。在该体系桥梁中
常用以下几种方法:
(1)将主梁内的
在墩顶连续;
(2)将主梁内纵向
在
进行连续;
(3)在墩顶两侧一定范围内的主梁上部
来实现连续。
虽然
,但常在
内发生
,影响桥梁的正常使用。
的效果最好,但
,
。
,并
,同时又克服了
。所以一般简支转连续梁桥多采用
这样的
来实现简支转连续。
由于先简支后连续梁桥在
,那么必须
的施工
。
,
第一阶段恒载自
;
,待
张拉
(局部短束),
。连续梁成桥状态
以及
、
、
次矩等。
,先简支后连续梁桥
,
矩
。因此,
,以满足
的承载要求和
下承受结构自重和施工荷载的要求。
先简支后结构连续梁桥施工程序对结构内力也有一定影响。
:一种
,
;另外一种做法是先将简支梁
,
。
分析较为合理;而后者体系转换后
,要进行较为精确分析,较为复杂。
1.3工作内容
本次设计桥梁桥位位于贵州省某高速公路路段,该项目是
“6横7纵8联”

及
组成部分。本项目的建设是
,
、
、
。
以上是毕业论文大纲或资料介绍,该课题完整毕业论文、开题报告、任务书、程序设计、图纸设计等资料请添加微信获取,微信号:bysjorg。
相关图片展示:









