喷涂法制备碳化硅莫来石复合膜的研究毕业论文
2020-05-19 21:25:13
摘 要
气固分离技术是工业生产中一个极其重要的过程,广泛应用于化工、冶金、水泥、煤炭燃烧和气化等行业,特别是高温气体中固态粒子的脱除和回收一直是工业废气净化、环境保护的重大课题。如今,陶瓷膜应用到大量超渗透过程,例如水净化,食品和饮料加工,生物反应器与石油化学工业分子分离系统。与聚合物膜相比,陶瓷膜具有较高的耐热性,机械强度和化学稳定性。
针对碳化硅颗粒的可烧结性差、烧结温度高等问题,本文以莫来石晶须,氧化锆,氧化钙为烧结助剂,研究制备多孔碳化硅陶瓷。在烧结过程中,碳化硅表面氧化形成少量二氧化硅,氢氧化铝和二氧化硅在一定的温度下原位反应生成莫来石相,在碳化硅颗粒间形成颈部连接,获得了性能良好的多孔碳化硅支撑体,膜层颗粒与支撑体孔径的不匹配,会导致膜层颗粒的内渗,不利于制备匀无缺陷、高渗透率的多孔碳化硅膜层。
本文以挤压成型法工艺,通过优化烧结制度制备了多孔碳化硅陶瓷支撑体,采用喷涂法在上述支撑体上进行涂膜,优化挤压成型工艺和喷涂工艺的参数条件,制备出了性能良好的碳化硅莫来石复合膜,逐步推进关于此类膜的研究。
关键词:高温气固分离 多孔碳化硅膜 挤压成型 喷涂 气体渗透率
ABSTRACT
The gas-solid separation is one of the great important industrial processes, which is widely used in the fields like chemical engineering, metallurgy, concrete, coal combustion and gasification. Porous silicon carbide (SiC) ceramic membrane with high thermal shock and corrosion resistance satisfy the requirements of the high temperature dust removal which has a broad application prospect. Therefore, the research on the porous SiC membrane has received lots of attention.
Large SiC particles are preferable for preparing porous SiC ceramic support with high permeability, but they are easily to deposit in the slurry due to the effect of gravity. The effects of monomer content, solid content, pH and PEG content on the properties of SiC slurry were studied. The results indicated that the slurry had a low viscosity and good stability with 10 dwb% monomer, 50 vol% solid content, pH=11 and 1.5 dwb% PEG. After injecting into the mold and drying at 70 oC for 1h, the green body was easily unmolded and no cracking.
Porous SiC ceramics were sintered in air by an in-situ oxidizing reaction technique, using Al(OH)3 as additive. The mullite (3Al2O3·2SiO2) appeared at 1500 oC and formed the neck connections between the SiC particles. This work investigated the influences of heating rate, sintering temperature and holding time on the performance of SiC ceramics. It showed that the oxidation degree of SiC rose with the increasing of sintering temperature and holding time. In conclusion, porous SiC ceramic support was prepared by gelcasting and optimizing the sintering procedure. The SiC ceramic membrane with good properties was obtained by spraying on the support. This work had made a certain progress in the preparation of porous SiC membrane used for hot gas dust removal which could provide technical supports to the application of this kind membrane material.
KEYWORDS: high temperature gas solid separation;porous SiC membrane;gelcasting;spraying;gas permeability
目 录
摘 要 I
ABSTRACT II
第一章 文献综述 1
1.1 概述 1
1.1.1 PM2.5 1
1.1.2 工业粉尘的治理 2
1.2 多孔陶瓷挤压成型工艺 3
1.2.1 目前多孔碳化硅陶瓷膜的制备与性能研究 4
1.3 本文研究思路与内容 5
第二章 实验方法步骤 6
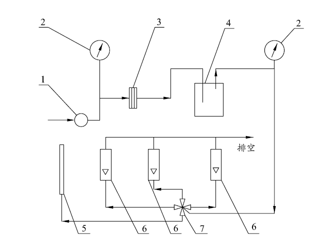
2.1 多孔碳化硅支撑体的制备 6
2.2 实验部分 6
2.2.1 实验原料及仪器 6
2.2.2 实验步骤 7
2.2.3 测试与表征 7
2.3 多孔碳化硅陶瓷膜的制备 8
2.4 实验部分 9
2.4.1 实验原料及仪器 9
2.4.2 实验步骤 10
2.4.3 测试与表征 11
第三章 实验结果分析 13
3.1 结果与讨论 13
3.1.1 支撑体在不同温度下的反应烧结行为 13
3.1.2 支撑体孔径分布及气体渗透性能等 14
3.1.3 碳化硅制膜液稳定性的考察 15
3.1.4 喷涂法制备碳化硅膜层的研究 16
3.1.5 碳化硅膜层性质的考察 18
3.2 本章小结 20
第四章 结论与展望 22
4.1 实验结论 22
4.2 展望 22
参考文献 24
致谢 27
第一章 文献综述
1.1 概述
2013年一二月份,我国中东部地区出现了不同程度的雾霾天气,灰霾面积一度达到143万平方公里,不仅影响了人们的日常出行,还导致各地呼吸道疾病的发病率大量增加,这种雾霾天气主要是因为空气中的PM2.5大量增加所致。PM2.5主要来源于化石燃料经过燃烧[1-3](如日常发电、工业生产、汽车尾气等)而排放的废气,发展绿色清洁燃煤技术和对含尘废气进行净化都将有利于PM2.5的治理。
高温气体除尘是在高温条件下直接进行气固分离,实现气体净化的一项技术。该技术一方面可以最大程度地利用气体的显热、潜热和动力能以及有效地回收气体中的有用资源;另一方面能够有效地减少废气中细微粉尘(特别是PM2.5)对人体健康的危害和大气环境的污染。因此无论从环境保护、资源利用还是人体健康等方面,高温气固分离都是一项极其重要的技术[4]。
1.1.1 PM2.5
PM,英文全称为particulate matter(悬浮颗粒物)。PM2.5是指大气中直径小于等于2.5 μm的颗粒物,也称为可入肺颗粒物,其示意图如图1-1所示,它的直径还不到人头发丝粗细的1/20。PM2.5的大量增加不仅会引发雾霾天气妨碍日常交通出行,而且大多含有重金属等有毒有害物质,并在大气中的停留时间较长、输送距离远,被吸入人体后会直接进入支气管,干扰肺部的气体交换,容易引发包括哮喘、支气管炎和心血管病等方面的疾病,因而对人体健康和大气环境质量影响很大[5-7]。
相关图片展示:







您可能感兴趣的文章
- 用于甲醇制烯烃反应的SAPO-34/ZSM-5复合催化剂的原位水热结晶合成外文翻译资料
- 硫化氢在活体的化学发光探针成像外文翻译资料
- 全色发射型ESIPT荧光团对某些酸及其共轭碱负离子识别的颜色变化外文翻译资料
- 一种用于成像神经元细胞和海马组织中NMDA受体附近内源性ONOO-的双光子荧光探针外文翻译资料
- 表面功能化的Ui0-66/pebax基超薄复合中控纤维气体分离膜外文翻译资料
- 金属有机框架中的可逆调节对本二酚/醌反应:固态固定化分子开关外文翻译资料
- 二维MXene薄片的尺寸相关物理和电化学性质外文翻译资料
- 将制甲烷的Co催化剂转化为产甲醇的In@Co催化剂外文翻译资料
- MXene分子筛膜用于高效气体分离外文翻译资料
- 模板导向合成具有排列通道和增强药物有效荷载的立方环糊精聚合物外文翻译资料


