浸渍法制备有序介孔二氧化硅材料吸附性能研究毕业论文
2020-04-22 19:44:36
摘 要
本文旨在探究有序介孔二氧化硅的吸附性能。无论在化工生产中还是在实验中,吸附材料的用途十分广阔。吸附材料被广泛的运用在尾气处理、产品收集、原料回收再利用等领域中,所以开发一种高性能的吸附剂是十分有必要的。
本文中吸附气体为氨气,氨气是一种危险性极高的毒性物质,不但具有非常强烈的刺激性气味,此外,若皮肤、眼鼻口等不慎与其接触,都会被灼伤,此外,它对呼吸系统也有很强的刺激作用,非常容易引起肺肿胀等症状,若患者吸入过多量的氨气,严重情况下甚至存在生命危险。所以无论是在实验室中,还是在工厂的车间中长时间暴露在这种环境中还是十分危险的。
本研究主要采取的实验手段为常用的浸渍法,此方法具有如下优势,首先,在此方法作用下,材料能够立即成型,无需催化剂的参与。其次,利用此方法能够对载体进行系统化选择,进而有效提供催化剂所需要的物理结构特性。再次,一般来说,附载组分只分布于载体表面,并且在一定程度上具有利用率比较高,用量比较少的优点,此外,此种方法的成本相比较而言也较低,基于以上,我们可以认为,此方法不但简单方便易于操作,与此同时,性价比也非常高,可以被大规模推广使用。
有序介孔二氧化硅具有疏松多孔的结构。且二氧化硅本身具有比较稳定的化学性质,不与我们本次的吸附对象氨气发生反应。二氧化硅本身的价格也较为低廉且吸附材料可以多次使用,这样本对于选择本实验的成本会有一定程度上的节省。
本文采用控制变量法来测量有序介孔二氧化硅材料的吸附性能,在单位时间内采用相同的吸附材料质量,在固定的压力、固定的温度下,采用不同的吸附材料来进行对氨气的吸附。这样我们就可以对不同的吸附材料的性能进行探究。
关键词:有序介孔 二氧化硅 氨气吸附 浸渍法 合成
Adsorption properties of ordered mesoporous silica prepared by impregnation method
Abstract
The purpose of this paper is to investigate the adsorption properties of ordered mesoporous silica.Whether in chemical production or in experiments, adsorption materials have a wide range of applications.Adsorption materials are widely used in the fields of exhaust gas treatment, product collection, material recycling and reuse, so it is very necessary to develop a high-performance adsorbent.
The adsorbed gas in this paper is ammonia gas, which, as a kind of poisonous gas with pungent smell, will burn the mucous membrane of skin, eyes and respiratory organs. If inhaled too much, it can cause lung swelling and even death.So it's very dangerous to be exposed to this environment for a long period of time, whether it's in the lab or in the workshop of a factory.
In this paper, impregnation method is used to prepare experimental materials.The dip method has the following advantages.First, the form of the shape and size of the carrier can be used, eliminating the catalyst molding steps.Second, the appropriate carrier can be selected to provide the physical structure characteristics required by the catalyst, such as specific surface, pore radius, mechanical strength, thermal conductivity, etc.Thirdly, most of the supported components are only distributed on the surface of the carrier, with high utilization rate, low consumption and low cost, which is particularly important for platinum, palladium, iridium and other precious metal catalysts.Because of this, the impregnation method can be said to be a simple and economical method, which is widely used to prepare supported catalysts, especially those with low noble metal content.Ordered mesoporous silica has a porous structure.Moreover, silica itself has relatively stable chemical properties and does not react with ammonia gas, which is the adsorbed object in this study.The price of silica itself is relatively low, and the adsorption material can be used for many times. In this way, the cost of this experiment can be saved to some extent.
In this paper, the control variable method was used to measure the adsorption performance of ordered mesoporous silica material. The same adsorption material quality was used in unit time, and different adsorption materials were used to adsorb ammonia at fixed pressure and temperature.In this way, we can explore the properties of different adsorbents.
Keywords: ordered mesoporous, silica, ammonia adsorption, impregnation, synthesis
目 录
摘要 I
ABSTRACT II
第一章 绪论 1
1.1研究背景和目的、意义 1
1.1.1氨气吸附 1
1.1.2介孔二氧化硅材料的出现 3
1.1.3从无序介孔二氧化硅材料到有序介孔二氧化硅材料 3
1.1.4中空介孔SiO₂ 4
1.1.5中空介孔SiO₂的人工合成 4
1.2国内外研究现状 5
1.2.1国外研究现状 5
1.2.2国内研究现状 5
1.3有序介孔SiO₂的合成原理及合成手段 6
1.4本文研究方法及目的 10
第二章 实验部分 11
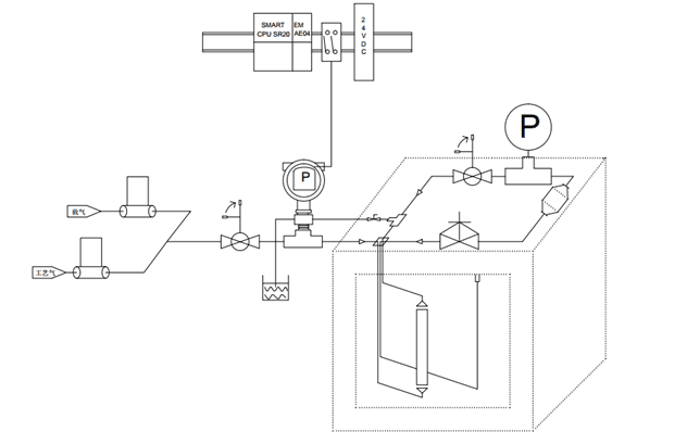
2.1实验装置 11
2.2实验材料制取 12
2.3 实验操作流程 13
第三章 结果与讨论 14
第四章 总结与展望 22
参考文献 23
致谢 24
第一章 绪论
1.1研究背景和目的、意义
1.1.1氨气吸附
氨气没有任何颜色,并且在液体状态下也呈透明状,并且液化的氨气在一定条件下还容易固化,固态的该物质呈雪状,氨气具有非常刺鼻的气味,和水及乙醇、乙醚等物质可以相溶合。在高温条件下,该气体会通过一系列化学反应分解成为氮气及氢气等物质,若存在催化剂的参与,那么在一定条件下氨气还将被氧化为一氧化氮。即使是浓度比较低的氨,都会对人体的眼鼻口及皮肤造成一定的伤害,尤其是眼睛及湿润的皮肤,若不慎和高浓度的氨气接触,都将会引起较为严重的烧伤。此外,若人体吸入一定数量的该物质,还会出现肺肿胀的状况,严重甚至死亡。目前 NH3 回收工艺主要包括溶剂吸收法、催化转化法和吸附法。溶剂吸收法又分为化学吸收法和物理吸收法。化学吸收法主要是利用 NH3 的碱性与酸性物质发生化学反应生成氮肥,具有吸收快、净化度高及操作方便等优点,但存在腐蚀性强和难再生等缺点,正逐渐被淘汰。物理吸收法主要是指水洗法,即先用软水吸收 NH3,再通过蒸馏得到浓氨水,进而得到 NH3, 后加压冷凝制成液氨等加以利用。物理吸收法是目前脱除 NH3 普遍的方法,技术较成熟,但也存在耗水量大、能耗高、回收率低等缺点,限制了其工业应用。催化分解法是将 NH3 催化分解为 N2 和 H2,存在催化能耗高、不易回收及运行成本高等不足,一定程度上制约了其商业化应用。吸附法将 NH3 组分积聚或浓集在多孔固体吸附剂表面,达到分离 NH3 的目的。根据作用力的不同,吸附可分为化学吸附和物理吸附,依靠分子间范德华力发生的吸附为物理吸附,由物质表面化学键引起的吸附为化学吸附。工业吸附剂一般具有如下优势:(1) 吸附能力较大;(2) 选择性高;(3) 能再生和重复使用;(4) 机械强度足够高;(5) 化学性质稳定;(6) 供应量大、价格低。吸附法可有效去除低浓度 NH3,设备简单,去除效率高且可回收有用组分[1]。随着环境保护和绿色可持续发展及对吸附材料研究的深入,多孔吸附材料在气体分离领域展现出越来越重要的应用前景,开发新型 NH3 吸附分离技术成为该领域的重要发展方向。吸附法主要基于吸附剂的孔道与 NH3 相互作用,选择高性能的吸附剂是开发吸附新工艺的关键。本文旨在研制出一种吸附性能较高、价格低廉、绿色环保的氨气吸附剂。
1.1.2介孔二氧化硅材料的出现
介孔材料作为一个崭新领域,以其独特结构与性质吸引许多来自不同领域的科学家,在过去的二十年间的研究工作中取得了丰硕的成果。其中以介孔二氧化硅的发展最为迅速, 其合成方法多变,产物结构、孔径分布各异,给研究者们提供了巨大的拓展空间。介孔二氧化硅具有规则的多孔结构,孔道分布均匀且相互独立,比表面积和孔容高,热稳定性好,孔径大小可在几纳米到十几纳米内进行调控,因此,其在吸附分离、催化反应、色谱和生物医学等领域有广阔的应用前景[1]。
1.1.3从无序介孔二氧化硅材料到有序介孔二氧化硅材料
相关图片展示:







您可能感兴趣的文章
- 用于甲醇制烯烃反应的SAPO-34/ZSM-5复合催化剂的原位水热结晶合成外文翻译资料
- 硫化氢在活体的化学发光探针成像外文翻译资料
- 全色发射型ESIPT荧光团对某些酸及其共轭碱负离子识别的颜色变化外文翻译资料
- 一种用于成像神经元细胞和海马组织中NMDA受体附近内源性ONOO-的双光子荧光探针外文翻译资料
- 表面功能化的Ui0-66/pebax基超薄复合中控纤维气体分离膜外文翻译资料
- 金属有机框架中的可逆调节对本二酚/醌反应:固态固定化分子开关外文翻译资料
- 二维MXene薄片的尺寸相关物理和电化学性质外文翻译资料
- 将制甲烷的Co催化剂转化为产甲醇的In@Co催化剂外文翻译资料
- MXene分子筛膜用于高效气体分离外文翻译资料
- 模板导向合成具有排列通道和增强药物有效荷载的立方环糊精聚合物外文翻译资料


