4000Nm3h LNG冷能利用-换热系统与换热器工艺设计毕业论文
2020-07-05 17:23:06
摘 要
液化天然气(LNG)是最清洁、高效的一种低碳能源,LNG适合长距离运输,其在使用过程中,需气化后再进行使用,从而产生大量冷能。关于如何有效利用产生的冷能逐渐被全世界所关注。利用LNG冷能制冰对提高冷能利用率,实现能源高效利用具有重要意义,这对提高LNG冷能的利用率及增加LNG利用途径具有重要意义。因此,本文对该技术的模拟及设计进行了详细的研究及讨论,对该技术工程化应用提供了前期指导。
本文拟对4000 m3/h天然气汽化量的LNG冷能制冰工艺进行了工艺流程设计,借助于Aspen Plus软件实现了该工艺流程的模拟。选用氟利昂为冷却媒介,依据ASPEN模拟结果计算了流程的物料衡算和热量衡算。此外,对整个工艺的换热器进行了设计及选型,借助于EDR软件对管壳式换热器进行了设计及选型,MUSE软件对板式换热器进行了初步设计。最后,结合流程及计算得到的设备大小绘制了相对应的设备平立面布置图。该项目可大大增强LNG气化站的气化能力,增加LNG的冷能利用效果,节能减排效果及经济价值明显。
关键词:液化天然气;制冰;流程模拟;换热器设计
4000 m3/h Cold Energy Utilization - Heat Exchanger System and Heat Exchanger Process Design
Abstract
Liquefied natural gas (LNG) is suitable for long distance transportation. As the most clean and efficient low-carbon energy sources, it should be gasified in use process, which will release a great quantity of cold energy. The research about how to effectively utilize the cold energy has been quiet mature. In all purpose, air separation and low temperature power generation has attracted wide attention. In addition, preparing ice by using cold energy coming from the gasification of LNG has been developed rapidly. The technology is of great significance to improve the utilization of cold power and increase the application scope of cold energy.
In this paper, the processes design of ice making using cold power has been designed and the design scale is 4000 m3/h. In addition, the simulation of this process was realized by means of a software called Aspen plus. Herein, the simulation process was optimized from the comparison of refrigerant and the cold energy utilization efficiency. In addition, the calculations and equipment selections are completed through mass and heat balance and the design and calculation of the pipeline was also done. Furthermore, the technology arrange blueprints of workshop drawing were also completed using CAD software.
Key word: Liquefied Natural Gas; Ice; Process simulation; Heat exchanger Design
目 录
摘要 I
ABSTRACT II
第一章 文献综述 1
1.1 研究背景 1
1.1.1 研究目的 1
1.1.2 研究意义 1
1.1.3 研究内容 1
1.2 LNG冷能利用现状 1
1.2.1 低温发电 2
1.2.2 空气分离 2
1.2.3 橡胶粉碎 3
1.2.4 制液态CO2和干冰 3
1.2.5 现状 3
1.3 制冰工艺设计 4
1.3.1 参考标准 4
1.3.2 设计规模 4
1.3.3 流程简介 4
1.3.4 换热器设计及选型 4
第二章 项目总论 5
2.1 项目简介 5
2.2 设计依据 5
2.3 冷媒选择 5
2.4 工艺流程 6
第三章 工艺流程模拟 8
3.1 物性方法的选用 8
3.2 Aspen Plus模拟 8
3.3 物料衡算 9
3.4 能量衡算 10
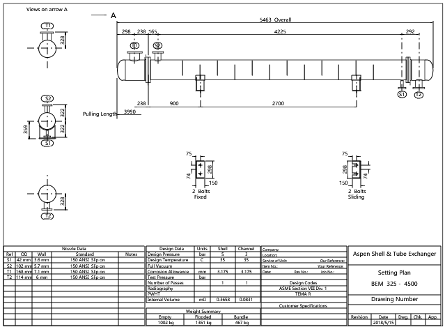
第四章 换热器设计及选型 12
4.1 设计标准 12
4.2 选型原则 12
4.3 换热器选型计算 12
4.3.1 冷媒换热器-E0101 13
4.3.2 冷媒换热器-E0102 16
4.3.3 板式反应器-E0104 19
4.4 换热器一览表 21
第五章 车间布置设计 25
5.1 设计依据 25
5.2 设计原则 25
5.3 设备布置 25
5.3.1 换热器 25
5.3.2 泵 26
5.3.2 储罐 26
第六章 结论 28
参考文献 29
致 谢 32
文献综述
1.1 研究背景
1.1.1 研究目的
液化天然气(Liquefied Natural Gas,简称LNG)是将常温的天然气经过净化处理,通过冷冻工艺液化而成的液体(-163℃),其体积是标准状态下的1/625。经液化处理后有利于长距离输送,是现阶段被发现的最为清洁的化石燃料,得到了全世界广泛的关注。在石化能源使用的今天,天然气在当下环保低碳经济快速发展的背景下一直备受推崇。其中,液化天然气被公认是地球上最干净的化石能源,关于如何有效利用天然气已成为了现行的热点。
1.1.2 研究意义
液化天然气经船运抵达接收站后需要重新气化为气态天然气才能获得利用,每千克液化天然气经气化所释放的冷能约为840 kJ,关于如何有效回收LNG蕴含的冷能是一项时代发展的要求、利国利民的绿色工程,具有可观的经济、环境和社会效益。拟对一4000 m3/h规模的LNG冷能工程进行制冰工艺设计。
1.1.3 研究内容
以LNG气化量为4000 m3/h为规模,设计冷能制冰工艺方案。旨在研究和规划一个气化规模为4000 m3/h的LNG冷能用于制冰的工艺流程,本文借助于ASPEN流程模拟软件模拟构建LNG气化系统、冷媒循环系统、乙二醇水溶液循环系统及制冰系统四个工艺流程。并对关键换热设备进行设计选型。
1.2 LNG冷能利用现状
LNG冷能回收在大量的工程实践中得到应用,其中,光日本所用的LNG冷能利用量就占到了全世界一半以上。近十年来,中国LNG冷能利用作为LNG产业的重要附属产业得到了迅猛的发展[1-3]。LNG的冷能利用形式主要有以下几种。
1.2.1 低温发电
利用LNG的低温冷使工质液化从而实现LNG冷能发电,液化后的工质经加热气化,通过膨胀做功带动发电机发电。根据LNG利用的方式不同可以有不同的循环系统,用LNG冷能来改善现有发电动力循环系统,提高效率以增加发电量[4,5]。其中,几种低温发电技术的原理和特点见表1-1。
表 1-1 LNG冷能发电技术
发电方法 | 发电原理 | 优点 | 缺点 |
冷却燃气轮机入口进气法 | 冷却介质(水、氟利昂、CO2等)通过直接或间接方法降低燃气轮机入口空气温度 | 热效率显著提高 | - |
直接膨胀法 | 经低温泵和蒸发器后LNG成为高压常温气体 | 原理简单,投资少 | 冷能利用率很低(~24%) |
二次冷媒法 | 利用中间再热体的郎肯循环冷能发电 | 效率较高,混合媒体可达36% | 高于冷凝温度的天然气冷能未得到利用,流程较复杂 |
低温布雷顿循环法 | 低温工作条件下的N2为截止的布雷顿循环与LNG直接膨胀的复合循环发电 | 效率gt;50% | 流程较复杂 |
联合循环法 | LNG冷能为冷源,低品味能为热源,有机工质为工作介质 | 效率高达50%,综合造价低,有利于环保 | 混合媒体本身不稳定,实际应用较难 |
1.2.2 空气分离
冷能回收用于空气液化分离,较传统的空分技术相比优势明显,利用高品质LNG低温冷能能有效降低分离单元的单位电耗,从而大量节省能量。
相关图片展示:







您可能感兴趣的文章
- 用于甲醇制烯烃反应的SAPO-34/ZSM-5复合催化剂的原位水热结晶合成外文翻译资料
- 硫化氢在活体的化学发光探针成像外文翻译资料
- 全色发射型ESIPT荧光团对某些酸及其共轭碱负离子识别的颜色变化外文翻译资料
- 一种用于成像神经元细胞和海马组织中NMDA受体附近内源性ONOO-的双光子荧光探针外文翻译资料
- 表面功能化的Ui0-66/pebax基超薄复合中控纤维气体分离膜外文翻译资料
- 金属有机框架中的可逆调节对本二酚/醌反应:固态固定化分子开关外文翻译资料
- 二维MXene薄片的尺寸相关物理和电化学性质外文翻译资料
- 将制甲烷的Co催化剂转化为产甲醇的In@Co催化剂外文翻译资料
- MXene分子筛膜用于高效气体分离外文翻译资料
- 模板导向合成具有排列通道和增强药物有效荷载的立方环糊精聚合物外文翻译资料


