山梨醇氢解制备小分子多元醇的研究毕业论文
2020-06-19 22:17:35
摘 要
小分子多元醇(包括乙二醇,1,2-丙二醇和1,3-丙二醇等)是一类有着广阔应用领域的重要化学品。当今,小分子多元醇主要是以石油的衍生产品为原料。然而,这一传统的生产方法存在着不少的弊端。生物质作为一种典型的清洁资源,是替代石油最合适的资源之一。山梨醇作为一种由传统生物质水解得到的糖醇,通过催化加氢和裂解制备小分子多元醇对减少环境污染和石油资源的消耗具有重要的研究意义和价值。
目前,山梨醇氢解制备小分子多元醇所用催化剂多为贵金属催化剂,由于其价格昂贵,不利于工业推广使用。因此,本课题决定采用相对价廉的镍系催化剂。针对传统雷尼镍等镍系催化剂稳定性差,活性组分易流失和中毒的缺点,本文采用溶剂挥发诱导自组装法制备了一系列镍负载于介孔金属氧化物的负载型催化剂,同时探究其在山梨醇氢解反应中表现出的催化效果。较优的反应条件为:当催化剂中Ni/Ca=8/6,山梨醇溶液初始浓度为30%,催化剂用量为2.0g,反应温度为200℃,氢气压力为6.0MPa,反应时间为8h。此条件下山梨醇的转化率达到95.4%,乙二醇和丙二醇的选择性为22.4%和23.6%,乙二醇和丙二醇的总收率为43.9%。可见,介孔金属氧化物负载镍催化剂在山梨醇氢解制小分子多元醇的反应中能够表现出良好的催化性能。
关键字:山梨醇 氢解 小分子多元醇 介孔金属氧化物
Study on the preparation of polyols by hydrogenysis of sorbitol
Abstract
Polyols, including ethylene glycol, 1,2-propanediol, 1,3-propanediol, etc, are important chemicals with a wide range of applications. Nowadays, most of the polyols in industry are produced from the petroleum, which is a typical non-renewable source. With the reduction of petroleum sources, it’s urgent to develop a new way to produce polyols. Biomass, which are renewable and have a extensive source, have been an ideal alternatives to petroleum sources. Sorbitol is a kind of sugar alcohols obtained by hydrolysis of traditional biomass. Producing polyols by catalytic hydrogenation and cleavage of sorbitol has great significance and value in reducing environment pollution and consumption of petroleum.
At present, nobel metal catalysts are mostly used in sorbitol hydrogenolysis. However, because of its high price, it’s difficult to apply nobel metal catalysts to the large-scale use in industry. So, we decide to use nickel catalysts in this thesis. The traditional nickel catalysts such as raney nickel have poor stability and the active components are lost or poisoned easily. In this thesis, we prepared a series of nickel catalysts supported on mesoporous metal oxide by EISA method and observed their catalytic performance in sorbitol hydrogenlysis reaction. The optimum reaction conditions are as follows: when the Ni/Ca in catalysts are 8/6, the initial concentration of sorbitol solution is 30%, the amount of catalysts is 2.0g, the reaction temperature is 200℃, the hrdrogen pressure is 6.0MPa and the reaction time is 8h. Under the reaction conditions, the conversion of sorbitol is 95.4%. The selectivities of ethylene glycols and propanediol are 22.4% and 23.6%. And the total yield of ethylene glycols and propanediol is 43.9%. We can see that the mesoporous metal oxide supported nickel catalysts have good catalytic performance in sorbitol hydrogenlysis reaction.
Key words: sorbitol hydrogenlysis polyols mesoporous metal oxide
目 录
摘 要 I
Abastract II
第一章 文献综述 1
1.1 小分子多元醇概述及其生产现状 1
1.2 山梨醇简介 2
1.2.1 山梨醇的理化性质 2
1.2.2 山梨醇的自然来源和生产方法 2
1.3 山梨醇氢解反应的途径 3
1.4 山梨醇氢解反应的催化剂及其研究进展 5
1.4.1 铜系催化剂 5
1.4.2 贵金属催化剂 6
1.4.3 镍系催化剂 7
1.5 介孔金属氧化物载体 7
1.6 本课题的研究意义和研究内容 9
第二章 实验部分 10
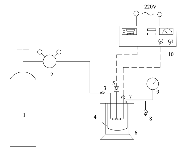
2.1 实验试剂及仪器设备 10
2.1.1 实验试剂 10
2.1.2 实验仪器 11
2.2 催化剂制备方法 11
2.3 催化剂表征 11
2.3.1 X射线衍射(XRD)测试 11
2.3.2 液氮吸附-脱附曲线(BET)测试 12
2.3.3 氢气程序升温还原测试 12
2.4 催化剂催化性能测试 12
2.5 实验数据处理方法 13
第三章 介孔镍钙铝催化剂的表征与催化山梨醇氢解研究 16
3.1 催化剂的表征结果 16
3.1.1 还原前的催化剂大角XRD测试 16
3.1.2 H2-TPR测试 17
3.1.3 还原后的催化剂大角XRD测试 17
3.1.4 BET测试 18
3.2 山梨醇氢解反应催化性能测试 19
3.2.1 不同Ca含量的催化剂的催化性能 19
3.2.2 山梨醇溶液起初浓度对山梨醇氢解的影响 20
3.2.3 催化剂用量对山梨醇氢解的影响 21
3.2.4 温度对山梨醇氢解的影响 21
3.2.5 压力对山梨醇氢解的影响 22
3.2.6 反应时间对山梨醇氢解的影响 23
第四章 结论 24
参考文献 25
致 谢 28
第一章 文献综述
1.1 小分子多元醇概述及其生产现状
小分子多元醇(主要指乙二醇,1,2-丙二醇和1,3-丙二醇等)是一类有着广阔应用领域的重要化学品。乙二醇可以用于生产抗冻剂、增塑剂、表面活性剂、润滑剂、吸湿剂等化工助剂,也可用于生产聚酯涤纶、聚酯塑料等聚酯工业产品,还可用作生产油墨、染料的溶剂[1]。丙二醇相比乙二醇几乎没有毒性,因此常常用于替代乙二醇来生产冷却剂、抗冻剂、吸湿剂等重要的化工助剂[2]。
当前,国内外的乙二醇和丙二醇主要以石油衍生产品为原料来生产。然而,这一传统生产方法存在着许多的弊端。首先,该方法要消耗大量的石油资源和水资源,不仅成本较高,而且对环境也十分的不友好。再者,目前的生产路线需三步反应才能获得产品,中间会有大量副产物生成,原子经济性差。除此之外,中间体环氧乙烷和环氧丙烷都是危险性极高的化学品,贮存成本也非常高。因此,发展石油路线以外生产多元醇的新工艺已是迫在眉睫。
目前,可行的替代路线之一便是通过传统的生物质水解法得到各种糖醇(如山梨醇、木糖醇等),再利用它们的氢解来生产乙二醇、丙二醇等小分子多元醇,即生物质路线[3]。由于生物质作为一种来源广泛易得且可再生的新型资源,相比石油路线它对环境的可持续发展以及降低生产成本显然具有着非常深远的意义。
相关图片展示:






您可能感兴趣的文章
- 用于甲醇制烯烃反应的SAPO-34/ZSM-5复合催化剂的原位水热结晶合成外文翻译资料
- 硫化氢在活体的化学发光探针成像外文翻译资料
- 全色发射型ESIPT荧光团对某些酸及其共轭碱负离子识别的颜色变化外文翻译资料
- 一种用于成像神经元细胞和海马组织中NMDA受体附近内源性ONOO-的双光子荧光探针外文翻译资料
- 表面功能化的Ui0-66/pebax基超薄复合中控纤维气体分离膜外文翻译资料
- 金属有机框架中的可逆调节对本二酚/醌反应:固态固定化分子开关外文翻译资料
- 二维MXene薄片的尺寸相关物理和电化学性质外文翻译资料
- 将制甲烷的Co催化剂转化为产甲醇的In@Co催化剂外文翻译资料
- MXene分子筛膜用于高效气体分离外文翻译资料
- 模板导向合成具有排列通道和增强药物有效荷载的立方环糊精聚合物外文翻译资料


