基于单片机的校园路灯控制电路的设计毕业论文
2020-04-13 11:47:04
摘 要
能源匮乏一直是一个世界难题。随着大学校园建设也在逐步向节能化、智能化的方向发展,校园路灯作为校园能源消耗的主要组成部分,有效减少户外照明所消耗的能源是智能化、绿色校园的发展趋势之一。
在对国内外路灯控制系统研究现状分析基础上,本文设计并实现了一种绿色节能的基于单片机的校园路灯控制电路。系统采用模块化设计方法,硬件部分以STC8C51单片机为控制中心,结合故障检测报警模块,光敏模块,红外检测模块,设计实现了对周围环境的明暗程度以及周围有无人或物体经过的检测,从而实现路灯的自动控制。系统软件部分采用C语言编写实现,主要包括单片机主控芯片、时钟模块、故障检测报警模块、光敏模块和红外检测模块。最后,对校园路灯控制电路进行了多次测试,测试现象表明本系统实现了对外界光照强度和行人红外检测并自动开关路灯,在路灯发生故障时能够及时发现并通过蜂鸣器和液晶屏报警,达到设计要求。
关键词:路灯控制;单片机;光敏检测;红外检测;故障检测
Abstract
Energy has always been a world problem. With the development of campus construction in the direction of energy saving and intellectualization, campus street lamps are the main components of campus energy consumption. The energy consumption of outdoor lighting is one of the developing trends of intellectualized and green campus.
On the basis of the analysis of the domestic and foreign street light control system, this paper designs and implements a green and energy-saving campus street light control circuit based on single chip microcomputer. The system adopts the modular design method, the hardware part takes the STC8C51 single chip as the control center, and combines the fault detection and alarm module, the photosensitive module and the infrared detection module. The design realizes the dark and dark degree of the surrounding environment and the detection of the unmanned or object passing around, thus realizing the automatic control of the street lamp. The software part of the system is written in C language. It mainly includes the MCU main control chip, the clock module, the fault detection and alarm module, the photosensitive module and the infrared detection module. Finally, a number of tests are carried out on the campus street light control circuit. The test shows that the graduation design has realized the external light intensity and the pedestrian infrared detection and automatic switch street lamp. When the street lights fail, it can be found in time and alarm by the buzzer and the liquid crystal screen, reaching the design requirements.
Key Words:Street lamp control; MCU; photosensitive detection; infrared detection; fault detection
目 录
第一章 绪论 1
1.1研究的背景及意义 1
1.2国内外研究现状 1
1.3论文的主要研究内容 2
1.4论文结构安排 2
第二章 校园路灯控制电路总体方案设计 4
2.1校园路灯控制电路总体结构设计 4
2.2总体方案设计论证 4
2.3周围环境信息采集原理 5
2.4故障检测原理 6
第三章 校园路灯控制电路硬件设计 7
3.1硬件总体方案设计 7
3.2主控模块设计 7
3.2.1单片机型号选择 8
3.2.2晶振电路 9
3.2.3复位电路 9
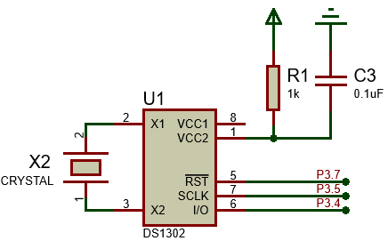
3.3时钟模块 10
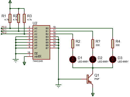
3.4路灯模块 11
3.5光敏模块 12
3.6红外模块 13
3.7故障检测模块 14
3.8故障报警模块 14
3.8.1蜂鸣器故障报警 15
3.8.2液晶屏故障显示 15
第四章 校园路灯控制电路软件程序设计 16
4.1软件总体设计方案 16
4.2主控模块设计 17
4.3时钟模块 18
4.4光敏、红外模块 18
4.5故障检测报警模块 19
第五章 系统仿真与调试 22
5.1仿真调试 22
5.2硬件调试 24
5.3结果分析 26
第六章 总结与展望 27
6.1总结 27
6.2展望 27
参考文献 29
致 谢 30
第一章 绪论
1.1研究的背景及意义
路灯照明,无论在城市还是校园内都是一项不可或缺的公共设施,是公共事业建设的重要组成,同时还担负着美化环境的责任[1]。随着能源节约型社会的建设发展,路灯的能源消耗不容小觑。地球上的化石燃料可以提供的能源是有限的,能源危机已经迫在眉睫,想要解决能源危机只有两种途径:一是寻找新能源,二是节约现有能源。最为常见的新型清洁能源即太阳能[2],但是太阳能发电路灯造价远高于普通路灯,虽然太阳能路灯在使用过程能源消耗低于普通路灯,一段时间后即可将总费用拉低至普通路灯水平。但是太阳能路灯的电池板和蓄电池造价不菲,一盏路灯在使用过程中可能更换不止一次蓄电池,而且在使用过程中的维护需要专业人士来进行,这给路灯的维护带来了一定困难。老式路灯采取定时开关,造成了在夏天白昼较长,天还未完全变黑路灯就已经打开,早上天已经变亮路灯却仍未关闭,另外在夜晚车流量较少的路段开启彻夜灯,也造成了极大的能源浪费,而且如果白天处于恶劣的雨雪天气,天色昏暗此时也需打开路灯照明,固定时间段开关路灯有许多弊端[3]。据统计,国内路灯数量在2亿盏左右,并以每年2000万盏的速度不断增长[4],消耗了巨大的能源,如果能通过改变路灯的开关方式即可极大减少能源消耗。
本文研究内容为基于单片机的校园路灯智能控制系统,由于在校园内深夜几乎无人在外走动,长期开灯,势必造成极大的资源浪费所以可以使路灯根据外界光照强弱自行开启或关闭路灯,从而避免由定时开关路灯造成的能源浪费。在深夜时,路灯还可以通过检测周围是否有人经过而决定是否开启而进一步节约能源,此项措施解决了“彻夜灯”问题还延长了路灯使用寿命,还可以通过路灯自检检测路灯是否出现问题并及时报警,极大节约人力。因此,本选题不仅有利于节约电力,人力资源,同时对大学校园向着智能化、节能化、绿色化的方向发展具有重大意义。
1.2国内外研究现状
目前,针对如何解决老式路灯带来的资源浪费问题,国内外已经有所行动。在国外,智能路灯的应用方兴未艾,比如:美国洛杉矶将路灯的高压钠灯换成LED灯并智能联网,耗时四年,共涉及7200公里长的道路,这些路灯可以响应周围情况来工作,在紧急情况发生时闪烁,提醒过往行人以及给警车或救护车引路等,而且这些路灯节约下来的电力资源可以用来运行100个电动汽车充电站;德国约有200000个路灯杆可供使用,在柏林,有约一千个路灯杆将在下一阶段作为充电桩使用。在国内,路灯的彻夜开启,人工检修和管理问题都导致了极大的能源浪费,在国家节能减排的前进道路上起了反效果。国内市面上虽然有一些路灯节能产品但是节能效果还不能令人满意。目前的节能方式主要有:电容补偿式节能、调压式节能和电子镇流器节能。虽然节能方式众多,但是各有弊端。电容补偿式节能功率因数低,只有0.6左右,会使电网中无功负担大大增加,同时自身功率损耗极大,在路灯额定功率的20%左右,而且功率稳定性较差;调压式节能反应速度较慢,稳压效果差,当用电高峰期时,电压下降到非稳定区,路灯容易产生灯光闪灭,而电压突然升高时,路灯又容易受到大电压冲击,极易损耗灯具;电子镇流器节能可靠性较差,使用寿命低,极易出现故障,而且节点效果只能达到10%左右。
在国内外,对于路灯智能控制系统的研究也如火如荼。在国外,Deng Huaqiu提出了一种基于光照检测和PWM的方法来实现对路灯的智能控制[5];在国内的许多大学和机构都有相关研究,比如:武汉理工大学基于电力载波的太阳能路灯研究;山东建筑大学基于Zigbee和GPRS的自组网校园路灯研究;东南大学基于单片机的节能型路灯控制系统研究。我国路灯控制系统目前面临以下两个问题:
- 控制落后,操控不便。某些地区路灯控制方式仍然停留在手控、钟控方式,受季节、人为因素影响,难以根据实际情况控制路灯亮灭,极易造成资源浪费。
- 灯况不明。不具备路灯状况检测功能,路灯故障信息依靠市民上报或者人工巡检,工作量大而且容易出现差错,缺乏故障报警机制。
老式路灯不仅引起了能源浪费,而且也难以满足现今社会发展对基础公共设施的需求,同时在设备巡检,线路防盗等方面也是一大难题。老式路灯已经无法满足新时代的需求,需要能够实现能源节约,智能控制亮灭,线路自检等功能的新式路灯。
1.3论文的主要研究内容
本文的主要研究目标是设计一款校园路灯控制系统,能够根据外界环境的状态自动打开或关闭路灯,实现对路灯状态的检测、反馈等功能,具体功能包括以下三点:
1)实现路灯能够随外界光照强度变化而开启或关闭。
以上是毕业论文大纲或资料介绍,该课题完整毕业论文、开题报告、任务书、程序设计、图纸设计等资料请添加微信获取,微信号:bysjorg。
相关图片展示:









