CAN总线开关量输入输出扩展器设计毕业论文
2020-04-12 15:43:54
摘 要
开关量作为数字通信中的典型信号,是目前电器电路中最基本的功能。在现代工业制造和电器家居中有广泛的应用,“1”和“0”这一经典的数字组合也成为了无源信号的重要单位。
CAN是控制器局域网络(Controller Area Network,CAN)的简称,CAN总线作为现场总线优化方案最初应用于汽车工业上,但随着交叉学科的发展,CAN总线相关应用已经渗透到现代工业制造的各个领域。
本文以CAN总线的发展背景为代入点,结合CAN总线与现代工业技术,设计CAN总线开关量输入输出扩展器。本CAN总线扩展器主要有四部分组成,即MCU、CAN总线控制器、CAN总线收发器和接口拓展。首先通过MCU对CAN总线控制器初始化,并通过MCU控制其实现数据的发送接收,即整个扩展器的输入输出。
硬件方面,本文会对于CAN总线相关设计常现问题详尽阐述,并讨论元器件选用的最优解,以及各模块工作原理等。软件方面,本文主要包括了CAN总线的初始化和收发程序。
关键词:CAN总线;C51单片机;开关量扩展器
Abstract
Switching quantity as the typical signal in digital communication is the most basic function in the current electrical circuit. Widely used in modern industrial manufacturing and home appliances, the classic digital combination of “1” and “0” has also become an important unit of passive signals.
CAN is the abbreviation of Controller Area Network. CAN bus was originally applied to the automotive industry as the field bus optimization solution. However, with the development of interdisciplinary research, CAN bus related applications have penetrated into the various aspects of modern industrial manufacturing. field.
This article takes the development background of CAN bus as the input point, combines CAN bus and modern industrial technology, and design CAN bus switch input and output expander. The CAN bus expander mainly consists of four parts, namely MCU, CAN bus controller, CAN bus transceiver and interface expansion. First, the CAN bus controller is initialized by the MCU, and the MCU controls the data transmission and reception, that is, the input and output of the entire expander.
In terms of hardware, this article will elaborate on the common problems of CAN bus related design, and discuss the optimal solution of component selection, and the working principle of each module. Software, this article mainly includes the CAN bus initialization and transceiver program.
Key Words: CAN bus; C51 single chip; switch expander
目 录
第一章 绪论 1
1.1 CAN总线技术浅谈 1
1.1.1 CAN总线技术的诞生与发展 1
1.1.2 CAN总线智能节点技术 2
1.1.3 CAN总线技术的发展前景 4
1.2单片机技术 4
1.2.1单片机概述 4
1.2.2单片机的组成 5
1.2.3单片机技术的发展前景 5
1.3 本章小结 6
第二章 CAN总线开关量扩展器系统整体设计 7
2.1 CAN总线开关量扩展器工作原理 7
2.2 CAN总线开关量扩展器整体结构 7
2.3 本章小结 8
第三章 CAN总线开关量扩展器硬件电路设计 9
3.1 单片机电路设计 9
3.2 CAN总线控制器初始化电路 11
3.3 CAN总线收发器电路设计 14
3.4 CAN总线开关量输入电路设计 16
3.5 本章小结 17
第四章 CAN总线开关量扩展器软件程序设计 18
4.1 CAN总线控制器初始化程序设计 18
4.1.1 CAN总线控制器初始化程序 18
4.1.2 CAN总线控制器初始化流程图 20
4.2 CAN总线发送与接受程序设计 21
4.2.1 CAN总线发送与接收程序 22
4.2.2 CAN总线发送与接收流程图 26
4.3 本章小结 27
第五章 软件与调试 28
5.1软件的选用 28
5.2调试与结果 30
5.3 本章小结 32
第六章 总结 33
参考文献 34
致谢 35
绪论
本设计是以基于51单片机的CAN总线开关量输入输出扩展器。作为嵌入式开发的老牌器件,单片机在电子工业制造领域有广泛的应用。CAN总线是上个世纪八十年代为解决线束使用效率的问题而诞生的新技术,目前在电子生产、居家设计、汽车生产等方面都有广泛应用。
1.1 CAN总线技术浅谈
本文主要运用了CAN总线的智能节电技术,所以以其诞生背景来引入CAN总线智能节点应用的物理意义。
1.1.1 CAN总线技术的诞生与发展
CAN总线是控制器局域网络(Controller Area Network,CAN)总线的简称,在上个世纪80年代由博世公司提出。CAN总线诞生是为了解决车辆制造中越来越复杂的线路问题,以适应将来复杂的车辆电路系统。很快博世公司就推出了CAN总线通信协议,并进行了标准化认证,成为了汽车线路网络的标准协议,鉴于CAN总线对于线路工作效率的显著提升,许多工业制造领域也开始尝试将CAN总线协议引入自身行业中,并在各行业中产生了不同的CAN总线技术,如动力总线、舒适总线等。一个CAN总线运用实例如图1.1所示。

图1.1 CAN总线运用实例
1.1.2 CAN总线智能节点技术

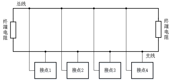
图1.2 CAN总线网络拓扑结构
CAN总线的系统分布框架不同于传统的系统分布框架,在传统的系统分部框架中,节点设计主要特征是一对一或者一对多的设计,所以在电路设计中,线束的利用率很低,随着近代制造工业的高速发展,这种传统的节点设计方案,必然不能适应现有的电路设计。
而CAN总线节点分布框架则是仅仅利用主机监控高层次节点,放弃底层设备的监控权限,这样一来就减少了总线上的MCU对于节点通信的信息处理压力。一般来讲,CAN总线的总线拓扑结构如图1.2所示。
其中,CAN总线采用了双线双向传输方式,两根导线分别为CANH和CANL,可以具体表现在芯片的引脚上,一般芯片当中标注为CAN_H和CAN_L。在总线的两端配有两个终端电阻,一般来讲,终端电阻的选用和芯片规定的输入输出信号有直接关系,但是通常都不会超过2KΩ。终端电阻的重要作用就是在接收到总线上发过来的电信号电平时,将其转化为逻辑电平,然后CANH线和CANL的两个逻辑电平相减,得到一个差值电平。在不同的电路中给予的电信号在转换到总线的两根导线上给予导线的作用是相同的。
CAN总线的电平一般是数字电平,即高电平“1”和低电平“0”。CAN总线传输芯片有两种,一种是动力CAN总线,一种是舒适CAN总线。高速CAN总线传输低电平的时候,CANH和CANL上的电位都为2.5V,而传输低电平的时候分别为3.5V和1.5V。低速CAN总线在传输低电平的时候,CANH上的点位为0,CANL上的点位为5V,而传输高电平的时候分别为3.6V和1.4V,图1.3和图1.4分别是高速CAN总线和低速CAN总线的电平变化图像。

图1.3 高速CAN总线电平变化

图1.4 低速CAN总线电平变化
1.1.3 CAN总线技术的发展前景
首先,在目前CAN总线技术的运用已经愈发成熟,以上文中CAN总线最常用的网络拓扑结构为例,CAN总线的实现过程非常简单,其物理层的传输介质,及总线和支线既可以使用传统的双绞线,又可以使用光纤和同轴电缆等,造价低廉,兼容性强。
其次,终端电阻的差分运算方式也是一种规避传输过程中干扰的有效方式,一般来讲,干扰会同时出现在两条线束上,并且是等值的,但当经过了终端电阻的差分运算后,其干扰影响就会明显的消除。并且CAN总线采用了端数据包的幻术原则,在传输过程中这样的短信号受到的干扰概率比较小。以及最重要的一点,CAN总线的主从机并不固定,这一灵活的多主功能工作方式,可以让网络上的任意一个节点在任意时刻灵活的向任意节点发送信息,进行通信,故CAN总线技术也有明确的可靠性,这一特点也使得CAN总线有强大的容错率。
最后,CAN总线的直接通信距离和传输速度也有明显的优势,其直接通信距离最远可以达到20KM,最高通信速率可以打到10Mbps。CAN总线的节点数量直接影响了总线驱动电路的数量,根据不同型号的CAN总线收发器,可以又不同的节点数量,在这方面,就减少了电路中的导线直连现象,节约了线束使用。
以上是毕业论文大纲或资料介绍,该课题完整毕业论文、开题报告、任务书、程序设计、图纸设计等资料请添加微信获取,微信号:bysjorg。
相关图片展示:









