用于米级无线能量传输系统的磁耦合共振多线圈结构设计毕业论文
2020-04-02 11:22:40
摘 要
在当今的日常生活和工作中,人们越来越多地使用到各种电子产品,这些电子产品给人类带来了前所未有的科技享受。但是,诸多电子产品所配备的电源线和数据线正在占用越来越多的空间,使得我们的生活和工作环境日趋凌乱,设备与线路的反复插拔使得电子设备磨损严重其不方便又不美观,在黑暗环境下甚至有一定的危险。因此,如能够实现中距(米级)无线能量/功率传输(WET/WPT),这一技术无疑将受到电子消费者的欢迎。
为了适配现有电子设备中的电子线路板(PCB)结构,本文提出了基于平面微带线圈结构的无线能量传输系统,利用磁耦合谐振原理,将激励线圈/负载线圈与耦合线圈设置在同一块介质板上,并在其背面设置了铁氧体层,不仅提升了传输效率,而且大大提高了无线能量传输系统的空间利用率。
本文通过使用FEKO软件对设计的无线能量传输系统进行仿真计算,该系统的工作频率为14.6 MHz,并且在30 cm处无线能量传输的参数值达到0.27。在实际测试中,制作出的天线在10 cm处无线能量传输的参数值达到了0.53。
关键词:无线能量传输;平面微带线圈;磁耦合共振
Abstract
In today's daily life, more and more people use all kinds of electronic products. These electronic products have brought unprecedented scientific and technological enjoyment to human beings. However, many electronic products equipped with power lines and data lines are taking up more and more space, making our living and working environment more and more messy, equipment and circuit repeatedly plugged in the electronic equipment serious wear and tear is inconvenient and unpleasant, even in the dark environment has a little degree of danger. Therefore, if the medium distance (meter level) wireless power / power transmission (WET/WPT) can be realized, this technology will undoubtedly be welcomed by electronic consumers.
In order to fit the structure of the electronic circuit board (PCB) in the existing electronic equipment, a wireless energy transmission system based on the planar microstrip coil structure is proposed. Using the principle of magnetic coupling resonance, the excitation coil / load coil and the coupling coils are set on the same medium plate, and the ferrite layer is set on the back of the coils. The transmission efficiency as well as the space utilization of the wireless energy transmission system is greatly improved.
In this paper, the FEKO software is used to simulate the design of wireless energy transmission system. The operating frequency of the system is 14.6 MHz, and the parameter of wireless energy transmission at 30 cm reaches 0.27. In the test results, reaches 0.53 at the distance of 10 cm.
Key words: wireless energy transmission;planar microstrip coil;magnetic coupling resonance
目 录
第1章 绪论 1
1.1 项目研究背景 1
1.2 国内外研究现状 2
1.3 本文研究工作及内容安排 3
第2章 无线能量传输的原理和分类 5
2.1电磁辐射式WPT 5
2.2电磁感应式WPT 6
2.3耦合谐振式WPT 6
第3章 天线设计 8
3.1 基本原理 8
3.2 天线设计与仿真 10
第4章 实验验证 13
4.1天线制作 13
4.2实验结果 16
4.3 误差分析 18
第5章 总结及展望 19
5.1 总结 19
5.2展望 19
参考文献 20
致 谢 22
第1章 绪论
1.1 项目研究背景
第二次工业革命为我们带来了电力时代。各种各样的电气设备得到了广泛应用,并在人们的生活中起着至关重要的作用。目前,关于电的传输利用,大多数时候都必须用金属导体做有线连接。由于连接线的磨损、疲劳和腐蚀,可能会产生电火花,影响设备的使用寿命和人们的用电安全。随着科技的迅速发展和人类生活的极大改善,各种家用电器和消费电子产品在日常生活中被广泛应用,由于电池容量有限,这些产品需要通过导线不断充电,这会带来诸多不便。此外,植入性医疗设备的长期工作需要通过手术更换电池,会给患者带来巨大痛苦和负担。面对这些问题,迫切需要开发一种新的输电方式来摆脱电线,最有可能的解决方案就是无线能量传输(WPT)技术。WPT技术因其广泛的应用前景和社会、经济价值被世界经济论坛连续两年列为十大新兴技术之一,麻省理工大学技术评论也在2016年将WPT技术列为十大突破性技术之一[1][2]。
信息的无线传输开创了人类通信方式的新时代。无线电技术的发展离不开能量的供给,因此能量的无线传输作为其相应领域的对应技术也将开辟人类能源的一个新纪元。同时,也将会孕育出很多从前只能出现在科幻小说、动漫、电影中的新事物和新应用,开拓人类对于科技发展的想象空间,给社会带来的进步影响非同一般。无线电力传输有通用性、便携性、美观性和安全性等优点,与传统的有线电能传输相比有着巨大的优势。
通用性:试想,我们平时的日常工作生活中会使用大量的电子设备,而且它们都有各式各样不同的充电线和充电接口,不同厂商的充电接口都是不兼容的。无线能量传输可以很好的解决这个问题。不同于有线供电,电磁波的传播不会受限于线路,若无线充电技术普及,所有的设备都不需要配备充电线路,也不需要设置相同的接口,也就不存在充电线路的不兼容问题。广大消费者不需要再准备大量各式各样不同的充电器和充电线,只需要把所有需要充电的设备放置在无线充电器上就可以实现多设备同时充电。
便携性:我们的生活中充满了各种各样的线路,而且有时候线路往往会限制我们对各种设备的使用和摆放,各种各样的充电线不仅杂乱而且它们会决定仪器设备的空间自由度。不难想象,终有一天人类会摆脱这种麻烦的限制,进入无线时代,各种无线供电设施会普及到我们生活的各个角落。我们可以把如手机、笔记本电脑、平板电脑、智能手表、手环等电子设备放在同一块充电板上同时进行充电,没有任何线路的干扰。同时,大型电子设备的安置也不会受到电线长短的限制,我们可以把它们放在任何我们想放置的地方,与此同时,大量的铜、塑料等材料会因为线路的减少而减少,符合可持续发展理念。
美观性:如今,电子设备功能集成化越来越高,内部结构越来越紧密,其内部空间被严重压缩。但是,人们对于美观性的需求却从未降低,以手机为例,各手机厂商不仅要在把手机设计得越来越请轻薄,而且要在手机中塞进容量足够大的电池。无线充电的普及将会使电子设备取消充电接口,可移动的便携式设备不仅可以设计得更加美观,而且会有更多的空间留给电池。所有的电子设备都会有专用的充电设备,我们往往会看到一团团缠在一起的电缆,严重影响心情。此外,在夜晚等暗光环境下,常常需要我们去摸索充电插口、充电线、插头、插座等,不方便的同时还会带有一定的安全隐患。试想,无线供电的普及将有效解决家居布线、房间墙面、环境破坏等问题,人们的生活将会更加美观化。
安全性:充电接口的外露会带来一定的安全隐患,如金属节点或电气连接开口处有因接触而产生电火花,严重的可能引起火灾甚至爆炸;经常性的插拔也会引起设备的老化和接触不良,久而久之会损坏设备。如今,为了应对各种极端恶劣条件,消费者对电子产品的防水防尘能力有了更高的要求,而任何物理上的开口都会破坏这种条件。无线供电技术的应用可有效解决以上问题,使用了无线供电技术的电子产品没有插拔损坏和接触不良的等隐患,同时由于不需要外壳开口,产品的防水防尘能力也将大大提升。这对我们的日常生活也有着非常重要的意义,例如我们可以将电子设备带进浴室,在一些潮湿的地方也能使用一些平时不能使用的电器,电器的清洁工作也会方便很多[3]-[5]。
无线能量传输有着广阔的应用前景。在交通运输领域,尤其是电动汽车,目前电动汽车相对传统汽车来说最大的劣势就在于其续航里程很短,而且接触式的充电容易引起电火花,易产生设备接触不良、触电等安全事故,有极大的安全隐患。无线能量传输可以有效解决这些问题,通过非接触式的充电,完全杜绝安全隐患的同时方便了汽车的充电。将无线能量传输应用在电动汽车上会加速其发展,为构建绿色无污染的环保交通系统提供了技术前提。在生物医学领域,一些植入人体的医疗设备需要能量供应,无论是将电池植入人体还是将导线透过皮肤刺入人体都会给患者带来非常大的痛苦,而且伴有巨大的危险性,若使用无线供电的方法为这些医疗器械供电,不仅可以减少患者的痛苦,而且安全。在生产工程领域,尤其是在一些特殊环境中,无线供电都可以起到巨大的作用,例如水下工作、矿井勘探和其它恶劣环境等,无线供电可以有效避免供电系统中的由电火花、接触不良、导线裸露等因素带来的安全隐患,也可以有效解决因难以铺设线路而导致的电力供应问题。在日常生活中更不必说,繁杂的供电线路设备和有限的空间形成鲜明对比,早已让我们感到麻烦。可以试想,将来如果无线供电技术得到普及,我们的生活将会无比清爽[6]-[9]。
1.2 国内外研究现状
著名物理学、发明家特斯拉是无线电能传输技术的奠基人。在电磁波发现后不久,特斯拉就开始探索无线电能传输。在他的发明专利“电气照明系统”中,首次提出了无线电能传输的构想。在1893年哥伦比亚世界博览会上,特斯拉在没任何导线等物理连接的情况下,通过无线能量传输,隔空点亮了一盏磷光照明灯。由此,各国学者开始对无线电力传输广泛关注并纷纷展开研究[10]。
谐振式无线能量传输技术是由美国麻省理工大学(MIT)Marin Soljacic教授的研究团队于2007年首次提出,这在当时是非常具有突破性的新技术。该团队使用了两个固有频率相等的铜线圈,使用与线圈固有频率相等的激励成功点亮了一个60 W的的灯泡,两个铜线圈相距两米,其传输效率到达40%[11]。

图1.1 MIT无线能量传输实验
2008年,美国西雅图实验室的一个研究团队研制出一款为电子设备进行无线供电的设备,该设备基于磁耦合共振原理实现了在1 米内为60 W的灯具无线供能,其效率可以达到75%;日本东京大学的研究人员提出了未来可以使用共振式WPT技术为电动汽车进行无线充电;富士通公司也利用磁耦合共振WPT技术研发了一款无线供电设备,该设备的有效传输距离可以达到15 cm,且可以为多个设备进行充电,充电速度比传统设备快150倍,当充电设备超过两个以上时,无线供电的效率不会因设备的增加而降低[12][13]。
国内相关领域的研究人员也对共振式无线能量传输技术投入了研究华南理工大学的研究小组提出了一项新技术,该技术可以利用两个谐振电路对衰减的电磁场进行捕捉[14]。重庆大学的研究小组克服重重难关,并建立了一套相对完整的WPT系统的理论体系,其研制的WPT装置的传输效率可以达到70%,能够在1000 W的功率下向多个设备传输电能,经实际测试后,用电设备的增减对其稳定性不会造成严重影响[15]。
1.3 本文研究工作及内容安排
本次设计所研究的内容为基于平面微带线圈结构的磁耦合谐振无线能量传输系统,通过阅读大量的文献资料,理解无线能量传输的原理,然后通过软件仿真设计出性能合格的无线能量传输系统,最后根据仿真结果加工制作天线并进行测试。各章节内容安排如下:
第一章介绍项目研究的背景和意义,调查国内外研究现状,确立研究目标。
第二章介绍无线能量传输的基本原理并依据方法的不同将无线能量传输分类,最后通过对三种无线传输的对比得出谐振式无线能量传输相比于其它方式的优势。
第三章详细介绍基于平面微带线圈结构的磁耦合谐振式无线能量传输的原理,分析影响其效率的因素,并以此为根据使用FEKO软件进行仿真,设计出性能优秀的WPT系统。
第四章基于第三章的仿真结果加工制造出实际的天线,对其进行测试,并分析了误差产生的原因。
第五章对本次设计工作进行总结分析,提出了设计的突出成果,同时也指出了一些不足,并对未来的优化工作做出前瞻性展望。
第2章 无线能量传输的原理和分类
常见的无线能量传输方式从本质上来说就是电场和磁场之间的相互作用。早在19世纪,麦克斯韦就在前任总结电磁现象的基础规律的基础上提出了著名的麦克斯韦方程组,麦克斯韦方程组是一组描述电场、磁场、电荷密度、电流密度之间关系的一组偏微分方程,其微分形式如下:
(2.1)
由麦克斯韦方程组的后两个公示为描述时变磁场产生电场的法拉第电磁感应定律和描述传导电流(安培定律)与时变电场(位移电流、麦克斯韦修正项)产生磁场的麦克斯韦-安培定律。以上两方程意味着时变电场可以产生磁场,而时变磁场又可以生成电场。这样,理论上就允许了电磁波在空间中传播,形成电磁场。
以一个波长的范围为界限,可以将电磁场划分为远场和近场。将场源看作球心,一个波长半径之外范围的空间称为远场,其电磁场强度较弱,辐射具有一定的方向性,电磁场存在推迟效应。远场又称辐射场,是弱场。一个波长以内的空间范围被称为近场,近场几乎没有推迟效应,近场内仅存在电磁能量的相互转换,能量不会向外发射。三种常见的无线能量传输方式中,感应式和谐振式通过近场传输能量,而辐射式通过远场进行传输[16]。
2.1电磁辐射式WPT
电磁辐射式无线能量传输主要是利用微波进行无线能量传输,主要是利用高频电磁波在自由空间中进行无线电力传输的技术。首先,微波振子天线产生1 GHz-1000 GHz频率范围的微波,然后这些微波在定向天线的作用下被发射到远处,接收天线接收微波并将其转换为电能,从而给负载供电。在接收端的整流电路将接收天线接收到微波转换成直流电,整流天线的组成部分包括一个偶极天线,在其上连接有射频二极管,可以使高频交流电变为直流,目前已经有文章提出了效率超过95%的整流天线。
微波WPT技术适用于大范围、长距离、不易受环境影响的电能传输环境。主要有同步轨道卫星供电、低轨道和空间太阳能电站等。由于微波或射频无线能量传输的传输效率较低,并且易受地形及环境的影响,距离真正实用还有距离。目前微波WPT技术发展需要克服的主要问题是微波对生物安全性和环境安全性所造成的影响、高频整流器件的设计、大功率发射装置的研究与实现[17]。
2.2电磁感应式WPT
电磁感应式无线能量传输需要以磁场作为传输媒质,利用发射天线与接收天线之间的磁耦合来传输能量。其工作原理是利用变压器耦合,初级线圈和次级线圈之间可以产生感应电流,感应电流在介质中形成交变电场,从而可以穿过大多数非金属材料将能量从发射器传递到接收器,实现无线能量传输,其等效电路如图2。

图2.1电磁感应等效电路
电磁感应式无线能量传输的优点是结构简单、成本低廉、技术安全可靠,不会对周围环境产生不良影响。其缺点是有效传输距离小,最多可以达到10 cm,一般只用于功率较小的电子移动设备。目前较为常见的应用包括电动牙刷、MP3、通用性无线充电板等小功率电子设备的供电。现在我们日常生活中广泛使用着的变压器也是依据电磁感应原理工作的[18]。

图2.2 手机利用电磁感应原理无线充电
2.3耦合谐振式WPT
当外部激励的频率与系统自身的固有频率相等时,系统的受迫振动会出现峰值,这种现象在物理学中被称为共振。而在电路与电磁场理论中,当外部的激励信号与电路结构本身的固有频率相等时,电路中的电磁振荡也会出现峰值,这便是谐振。所以可以将电路与电磁场中的谐振与物理中所说的共振看作是实质相同的同一种物理现象,而共振和谐振则为同一种现象在不同领域中的不同称谓。
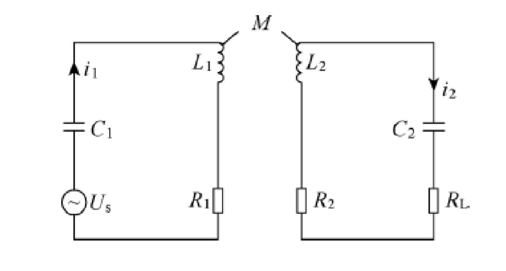
其基本工作原为:首先,电源为发射线圈提供高频交变电流,发射线圈和耦合线圈通过电磁感应效应传递能量,使能量传递到发射端耦合线圈中,然后发射端耦合线圈和接收端耦合线圈通过磁场耦合共振传递能量,在这个过程中发射端和接收端耦合线圈可以相隔很远,且他们中间可以存在其它不吸收电磁波的物质。最后接收端耦合线圈再通过电磁感应效应将能量传递至接收端负载线圈,实现能量的无线传输。
共振式WPT技术的特点为工作频率高,传输距离远,能量的耦合性和变压器的传输效率高,对非接触变压器两边的错位敏感小,可实现多个终端同时供电以及定向供电等[19]。
以上是毕业论文大纲或资料介绍,该课题完整毕业论文、开题报告、任务书、程序设计、图纸设计等资料请添加微信获取,微信号:bysjorg。
相关图片展示:








        
            
