负载对太阳光能电池输出特性的影响毕业论文
2020-07-14 22:08:38
摘 要
能源问题的解决刻不容缓,光伏效应的发现使得利用太阳能发电成为可能。目前,太阳能光电转换效率不高,工业生产仅24%。影响太阳能光伏发电的系统转换率的影响因素有很多,而整个系统都是以太阳能电池板为核心,我们首先要以提高太阳能电池板的输出功率为重点。
显然,光照强度的变化直接影响输出功率。其次是电阻,包括内部电阻和负载电阻。本文主要通过负载电阻的变化尝试找出存在的最大功率点,以及在不同光照强度下的最佳输出功率。实验数据结果表明:尽管太阳能电池的输出特性与纯电阻电路不同,具有明显的非线性,但是不管光照度如何改变,总是能找到一个最佳的负载电阻极其对应的最大的输出功率点。
关键词 太阳能电池 负载电阻 光照强度 输出功率
Influence of load change on output Power of Solar Energy
Abstract The solution of energy problem is urgent. The discovery of photovoltaic effect makes it possible to use solar energy to generate electricity. At present, the efficiency of solar photovoltaic conversion is not high,and the industrial production is only 24%. There are many factors that affect the conversion rate of solar power generation system, and the whole system takes solar panels as the core, the first focus is to improve the output power of solar panels.
Obviously, the change of light intensity directly affects the output power. The next is resistance, including internal resistance and load resistance. This paper tries to find out the possible maximum power point and the optimal output power under different light intensity by the variation of load resistance. The experimental results show that although the output characteristics of solar cells are different from those of pure resistive circuits and nonlinearity, no matter how the illuminance changes, It is always possible to find an optimal load resistance and its corresponding maximum output power point.
Keywords solar battery; load resistance ;intensity of illumination;output power ;
目录
一.绪论 4
1.1引言 4
1.2太阳能光伏发电的发展历史 4
1.3太阳能电池的分类 5
1.4研究目的 6
二.实验原理 7
2.1:半导体与PN结 7
2.2:太阳能电池的工作原理 8
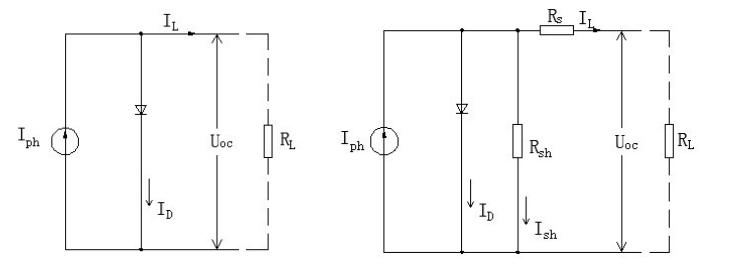
2.3:硅光伏电池的等效电路 8
2.4:是否存在合适的阻值使得输出功率最大的猜想 10
三.实验仪器,步骤,数据处理 11
3.1实验仪器 11
3.2实验步骤 11
3.3实验数据及处理 13
四.实验结果和讨论 19
4.1实验结果 19
4.2实验遇到的问题及解决 20
4.3:应用的讨论 22
五:致谢 23
参考文献 24
一.绪论
1.1引言
现代社会甚至于未来的几十年人类社会迅猛发展,正如某部电影中岁提到的,“生物对自然资源的需求是无限的,总量是有限的,我不得不打个响指”。传统的三大能源,煤炭,石油,天然气,如果不合理的利用终有一日会枯竭。我们不得不去寻找新的可替代能源而且必须是足量的能源。风能,太阳能等无限能源一类都是未来的人类的大力发展方向,其中太阳能的发展日趋成熟,已经走进人们的日常生活中,带给人们诸多的便利。
与化石燃料相比太阳能有绝对的优势:第一,储量问题,太阳每秒放射出的能量大约是 1.6 × 1023千瓦,一年内到达地球表面的太阳能量折合准煤共 1.9 × 1027 千克,简单的说,是人类已知的可用能源的10000倍,可谓是取之不尽用之不竭【1】。第二,环境问题,现代社会的人们在追求物质生活的同时越来越注重生活的质量,如何治理环境污染是国家发展的重要战略。这些污染当然都是人们使用无制度无节制使用化学燃料而不注意治理的恶果,太阳能可以很好地避免这一点,清洁环保是它特有的优势。
关于太阳能的利用也可以说是上天的安排,一切都显得很巧合。古人云,日出而作日落而息,工业革命以后人们白天对电量的需求越来越高,恰巧白天也是太阳光辐射高的时候。同样,人们在夏天对电的需求量远远大过冬日,太阳光也是在夏天辐射最强。这种种联系使得人们对如何利用太阳光进行了多年的研究。那么太阳光照如何才能最大程度的利用呢?太阳能电池的输出功率和哪些变量有联系呢?【10】前人的研究表明日照强度的变化和负载电阻的变化是主要因素,影响了太阳能池的伏安特性、太阳能池的输出特性,并且通过实验数据表明存在一个最大的输出功率点和一个最佳的负载电阻,本文将重点分析日照强度的变化和负载电阻的变化对太阳能电池输出功率的影响,找到最大功率点。
1.2太阳能光伏发电的发展历史
太阳能光伏发电是近代工业革命之后的产物,从发现到理论研究到实际模型的产生,再到如今的走进千家万户已有160 多年的发展历史。基础研究和生产技术都在不断地提高,但是其基本结构没有变,内部核心原件依旧是太阳能电池。
在1839年,法国科学家贝克雷尔(Becqurel)发现“光生伏特效应”,当光照射到半导体材料的不同部位之间时产生电位差,简称“光伏效应”(后文将有原理),光伏效应的发现是人类能够利用太阳能甚至是活下去的希望。
1918年法国科学家切克劳斯基发明了单晶硅的晶体生长方法,简称CZ法。首先我们用石墨电阻进行加热,接着将多晶硅熔化,注意多晶硅必须装在极高纯度的石英坩埚中,然后将籽晶进行熔接等等过程,一支硅单晶就生长出来了。单晶的生长制取是后来后来太阳能电池以硅作为材料广泛应用的前提。
相关图片展示:








        
            
