基于单片机的光学指纹锁设计毕业论文
2020-02-17 23:25:11
摘 要
指纹识别中又有三种不同的方式,分别为电容式、光学式、超声波式。因为光学式指纹识别没有信号穿透与否的问题,只要其中的介质具有透光性,都可以和光学指纹识别芯片相匹配。超声波指纹识别率与指纹识别差不多,但是因其反馈给用户的速率太慢且经常会有识别不到的问题出现,所以与光学式指纹识别还是有一定的差距。但是超声波技术具有的穿透能力和抗干扰能力是三者中最好的。再加上现在光学CMOS传感器发展得非常成熟和全面屏时代的到来,对于指纹识别技术在电子产品上的应用来说,还是光学指纹技术具有最为广泛而全面的应用。本文介绍了一种基于51单片机的指纹识别系统设计。用CMOS光学指纹识别传感器对输入的指纹进行采集与识别,再通过单片机中已经载入的程序对输入的指纹进行数据处理,再用液晶1602输出显示当前输入的指纹识别后的状态信息;继电器可以对处理后的信息进行判断,再辅以蜂鸣器和LED对指纹识别处理后的结果进行输出提示,模拟完整的现实开锁过程。
关键词:指纹识别;液晶1602;51单片机;继电器
Abstract
There are three different fingerprint identification methods, respectively, capacitive, optical, ultrasonic. Because the optical fingerprint identification has no signal penetration or not, as long as the medium has light transmission, it can be matched with the optical fingerprint identification chip. The rate of ultrasonic fingerprint identification is almost the same as that of fingerprint identification, but there is a certain gap with optical fingerprint identification because the rate of feedback to the user is too slow and there are often unrecognized problems. But ultrasound technology has the best penetration and anti-interference capability of the three. In addition, with the development of optical CMOS sensor and the advent of the era of full screen, optical fingerprint technology has the most extensive and comprehensive application for the application of fingerprint identification technology in electronic products. This paper introduces the design of a fingerprint identification system based on STM51. CMOS optical fingerprint identification sensor is used to collect and identify the input fingerprint, and then the input fingerprint is processed through the loaded program in the single-chip microcomputer, and the LCD 1602 output is used to display the status information of the current input fingerprint identification. The relay can judge the processed information, and then use the buzzer and LED to output the result of fingerprint recognition processing, so as to simulate the complete realistic unlock process
Key words: fingerprint identification; LCD 1602; 51 single-chip microcomputer; relay
目录
第一章 绪论 1
1.1 系统设计的目的及意义 1
1.2国内外现状研究 1
1.3本论文设计的主要内容 2
第二章 系统方案设计 3
2.1 系统原理图设计 3
2.2 方案说明与选择 4
2.3 对两种方案的比较 5
2.4方案选择 5
第三章 硬件设计 6
3.1 STC89C51单片机 6
3.1.1主要性能 6
3.1.2 STC89C51单片机引脚结构图如下 6
3.1.3 设计相关的端口介绍 6
3.1.4 单片机最小系统 6
3.1.5 整体电路的电源电路设计 7
3.1.6 蜂鸣器模块电路 8
3.1.7 按键控制部分电路 8
3.2 指纹传感模块 9
3.2.1 指纹采集器件的工作原理 9
3.2.2 部分指纹识别模块介绍 9
3.2.3 AS608指纹模块介绍 10
3.3 显示模块 11
3.3.1 常用液晶模块介绍 11
3.3.2 LCD1602引脚和相关参数说明 11
第四章 软件程序的设计 14
4.1 程序开发软件介绍 14
4.1.1 程序开发过程简介 14
4.2系统总体框图 15
4.2.1整机工作流程图 15
4.2.2 单片机内部的程序主流程图 15
第五章 系统调试 17
5.1 硬件的焊接 17
5.2 实物调试 18
5.2.1 液晶电路的调试 18
5.2.2 指纹识别模块的调试 19
5.3 调试结论 19
第六章 总结与展望 21
6.1 总结 21
6.2 展望 21
参考文献 23
致 谢 24
附录 25
总程序 25
第一章 绪论
- 系统设计的目的及意义
 
随着科技的发展,智能化已经成为当代社会的主流。在方方面面都能感受到科技带给我们的畅快体验,人们在生活方式上也有了较大的改变。支付方式从传统而且不便捷的现金和刷卡再到指纹识别再到现在的瞳孔,视网膜识别面部识别方式,还有更为安全又便捷的静脉指纹识别。支付方式变得越来越便捷,越来越安全智能,安全系数也在不断的提高,每个人的生理特征都是独一无二的,这是每个人出身就自带的属于自己的密码。且具有一些共有的特性:每一个正常人都有属于自己的指纹;每个人的指纹不会有存在相似的可能性;指纹从我们出身就一直不会变化(除非意外事故发生造成了指纹的形变)这成为了识别技术发展的基础。在科技带给人们便利、快捷的体验的同时,也更应该注重自身身份信息的安全。目前,从普及的范围和实用角度看,指纹识别还是处于一个优先的位置。因此,人们对作为一种可靠便捷又迅速的生物特征识别的指纹识别技术进行了非常具有深度性和广泛性的科研工作和产品研发。对指纹识别技术的探究和设计对作为电子科学与技术专业应届生的我们具体很好的提高自身能力的作用。本设计主要通过了MCS-51单片机作为指纹识别技术的实现和元器件架构的主体来分析和阐述工作原理,对指纹识别技术进行较为深入的剖析。
1.2国内外现状研究
指纹识别系统是多种技术的集合应用,其中包括了计算机、光电技术、网络信息技术、数据库处理、图像综合处理等应用范围广泛的技术。
目前绝大部分的指纹识别系统采集指纹信息的技术为光电识别,并把它和计算机处理而且加密过的暗码进行对比,然后再经过具有独特性的相关算法进行快速精密的计算。算法所需要的指纹有时候是一个指纹完整的全部图案,有的采用的是指纹具有特殊性的织节部分。
指纹识别具有极大的可靠性、便利的快捷性、丰富的灵活性、兼容性极高而且可以实时看到自己的相关信息财产是否安全等特性。之所以说其可靠性很高,是因为采用的独特的算法具有容错技术,再指纹有破坏的情况下(指纹不全或是指纹随时间自然的变化)也不会对识别结果有影响。快捷性是指系统鉴别处理再到输出结果的时间非常的短暂,体验非常的流畅。灵活性的含义是指存储着指纹信息的代码可以压缩到非常小的内存,这样在本地或网络数据库中有数量非常巨大的含有指纹信息的代码。代码可以经过网络迅速的传输。因此可以用于非常大规模的相关控制管理识别系统中。兼容性表现在其可以与现有的各类系统实现百分之一百的连接,可以实现全自动化的认证识别。实时性突出表现再整个系统可以实现完整的跟踪和实事报警的功能。安全性可谓是非常的重要,这套系统中每一个人的指纹代码都经过了特殊的加密方式。通过其中存储的代码中存在的信息不可能复原源指纹,避免了信息被盗存在的复刻指纹的风险。指纹识别系统在我们的生活中有着或不可缺的重要地位,再给我们的生活提供了便利的同时,也给我们的安全加上了一把锁。
1.3本论文设计的主要内容
本文以设计研究指纹识别技术的核心原理为主旨,对现有的指纹识别模块的优劣进行阐述。将课本上学到的相关技术知识和生产生活相结合,制作出了一款以控制芯片为基础以单片机为架构平台的指纹识别系统。本篇论文章节的布局和相关内容的安排如下:
第一章:对指纹识别技术的现实背景、相关技术和国内外现状做出了介绍。对本设计研究方向和目标有了准确的定位,大致描述了指纹识别的应用和特点。
第二章:列出本设计相关的硬件和软件系统方案,分别对各自所有的器件模块及软件的流畅度和功能的实现程度进行分析并做出选择。
第三章:陈列出方案所需的各个模块,并对其特点和工作特性做出说明。
第四章:对软件设计基于的开发平台做出介绍,列出整个系统的工作步骤和流程。
第五章:呈现电路设计和开发板制作的过程和调试,说明其中存在的问题和解决方案。
第六章:总结本设计的研究成果,指出有点和不足之处并对未来需要改进的工作提出一些建议。
第二章 系统方案设计
2.1 系统原理图设计
本设计由软件设计和硬件设计两个部分组成,主要的组成器件包括微控制处理芯片、液晶显示、数据采集输入和处理等器件构成。设计目的所要实现的功能包括指纹的识别、指纹的对比和指纹的输入输出。光学指纹模块实现了指纹的输入暂存,STC51作为主控芯片,对光学模块中输入的指纹进行数据比对和处理,并且通过作为人机交互媒介的液晶显示屏显示系统处理的过程和结果,从而得知整个指纹比对的过程和结果。系统原理图如图2-1所示。

图2-1 系统原理图
2.2 方案说明与选择
2.2.1 方案一:通过摄像头采集指纹再通过飞思卡尔单片机处理后输出结果
这种方案的具体流程步骤包括了摄像头对指纹图像的采集、系统对指纹图像的预处理和对指纹上特征点的提取,继而进行指纹特征匹配等部分。其相应的原理流程框图如图2-2所示。

图2-2方案一系统框图
该系统ov6620数字摄像头、飞思卡尔X128单片机和STC89C51单片机以及LCD1602组成。具体的器件功能如下:Ov6620摄像头负责的是采集指纹,并且将采集到的指纹图像转化为数字图像输出到16位的飞思卡尔X128单片机中。再由其中的处理系统对输入的数字指纹图像进行预处理,再通过一系列的处理过程得到简洁明了便于提取指纹特征的数据图像,最后将最终得到细化后的图像细节特征信息数据输入到STC89C51单片机中。由该单片机中的判断程序对输入的数据进行处理并通过液晶1602显示每个阶段的工作状态和经过系统处理后的信息是否正确。蜂鸣器和LED指示灯用于指示本次采集的指纹信息的状态和信息是否争取。当指纹信息采集正确时,LED指示灯会点亮并且伴随着蜂鸣器发出响声。
2.1.2方案二 通过指纹识别传感器采集指纹再通过与之相连的STC89C51单片机处理后输出结果
用一个指纹识别传感器来代替方案一中的摄像头和飞思卡尔单片机组成的指纹采集、识别和传输部分,再将数据传输到STC89C51单片机中,通过按键可以控制此刻单片机对指纹识别的状态,再通过LCD显示。即通过液晶1602显示当前进行的指纹识别不同时刻的状态信息;通过继电器可以对当前信息进行声音提示判断,当指纹输入正确,单片机上的蜂鸣器器件会发出响声。方案二流程图如图2-3所示。

图2-3 方案二系统框图
2.3 对两种方案的比较
1)准确性:因为条件和设备的限制,方案一中所采用的摄像头的像素和分辨率极其有限,所以导致了采集到的指纹信息会由较明显的误差,可能导致识别结果的错误,方案二中采用的光学指纹传感器模块是利用集成的CMOS光学头进行处理的,相对来讲精确度和识别速度都会有较大的提升。
2)局限性:方案一中采用16位的飞思卡尔X128单片机进行数据处理的程序相对复杂,超出了我们目前所学的知识进行设计的范畴,使用方案二传感器进行设计更加的合适。
3)复杂性:方案一采用的器件较多,过程比较的繁琐。方案二中采用指纹传感模块可以代替数字摄像头的采集和用飞思卡尔X128单片机预处理的过程。整个识别过程,方案二显得更加的简单快捷。所以方案儿设计简单很多。
2.4方案选择
综上所叙,方案二的选择在各个方面都显得更加合适,因此使用光学指纹传感器模块、STC89C51单片机和LCD1602来构成系统。
第三章 硬件设计
3.1 STC89C51单片机
3.1.1主要性能
此次设计采用的单片机具有8位的CPU和4K字节的ROM,数据存储器的内存为128字节。除此之外还有32个I/O口线和5个中断向量,一个用于与外部相连的全双工串行通信口和单片机都有的片内振荡器和时钟电路。
3.1.2 STC89C51单片机引脚结构图如下
        
图3-1 STC89C51引脚图
3.1.3 设计相关的端口介绍
P30口为RXD(串行输入口):与之相连的外部设备数据可以通过该口传人单片机内部。
P31口为TXD(串行输出口):可以将单片机处理后的数据通过该口传输到外部设备中。
XTAL1为19脚:在片内振荡电路中起着输入端的作用。
XTAL2为18脚:再片内振荡电路中起着输出端的作用。
3.1.4 单片机最小系统
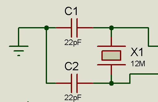
STC89C51内部集成电路中存在着一个可以与外部电路相连通的构成振荡器的反向放大器。其中的并联谐振电路中的电容具有微调的作用,在本设计中我们取25PF。内部电路具体的接法如图3-2所示。
            
图3-2 外部晶振电路设计图
STC89C51可以正常工作的最低频率为0MHZ,最高频率为40MHZ,只要设定的工作频率在这个范围内,单片机都可以正常工作。在这次毕业设计中,我选用的晶振频率为11.0587MHZ,振荡周期无限接近于1us,可以完美的满足的适配于整套系统。并且放置该晶振的位置不能偏离单片机太远,避免出现使用外部软件进行调试时出现丢失信号的问题。
- 复位电路的设计
 - 复位就是把系统经过一段时间的运行后把一切设置都回复到初始化的操作。不同的系统采用的复位方式可能会有方式各不一样复位操作方式。给系统通电后进行自动复位操作和通过触碰系统自带的按钮使系统进行复位操作是51单片机通用的复位操作。具体的电路原理图如图3-3所示。
 

图3-3 复位电路原理图
3.1.5 整体电路的电源电路设计
由于这个系统的供电电压为5V,但是没有现成的5V电压使用。所有要通过一套单独设置的电压转换系统才可以给单片机系统供电。我选择了将几块1.5V的电池串联后形成6V的电压再通过一个变压电路使其电压值降到5V后再给电路系统提供电源。这种电压转换的设计电路原理图如3-4所示。

图3-4 转换电源电路
3.1.6 蜂鸣器模块电路
蜂鸣器的应用非常的广泛,在生活中也十分常见,其可以把相关的肉眼不可见的信息转化为声音信息来提醒人们。所以蜂鸣器在生活生产中扮演着重要的角色,本设计使用的蜂鸣器设备的电路原理图如图3-5所示。
            
图3-5 蜂鸣器电路原理图
3.1.7 按键控制部分电路
我们表面看到的按钮的按下与弹起实际上控制的就是系统电路中的相关部分的通断从而控制整个电路的状态。我们使用的按键开关是属于传统的机械型的具有弹性的开关,所有在相应的触电断开和闭合的过程中,由于弹性的作用并不能实现电路接通和断开的稳定性,会产生一定的延迟。为了消除这一现象的影响,我们要设计一个消除这种抖动带来影响的电路。为了避免因为每个按键各自都需要占用一根输入口造成的资源浪费情况,所以我们采用了独具特色的独立式按键接口方案。因为该设计中只有三个按键,所以按键较为简单,选择这种方式非常的合适,具体的按键电路如图3-6所示。
           
以上是毕业论文大纲或资料介绍,该课题完整毕业论文、开题报告、任务书、程序设计、图纸设计等资料请添加微信获取,微信号:bysjorg。
相关图片展示:








        
            
