基于单片机的智能输液系统的设计与实现毕业论文
2020-02-17 23:22:20
摘 要
静脉输液在当今的临床治疗中是最常用的治疗手段之一,既可以给病人输注药物又可以补充体液和营养。在输液过程中输液流速是值得重点关注的一个指标,流速需要根据病人体质、药物特性等因素来确定,而现在医院的输液器不能满足这个需求,流速凭经验设置且不稳定,发生异常情况不容易发现,导致医疗事故发生,造成医患关系紧张,急需一款智能输液系统解决此问题。
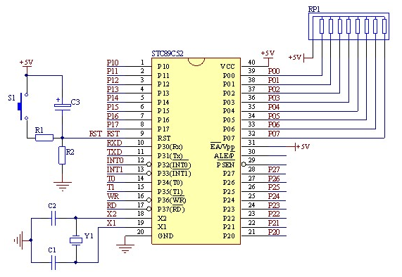
本文设计了一套以STC89C52单片机为核心的智能输液系统。该系统由STC89C52单片机电路、按键电路、红外对管模块电路、液晶LCD1602电路、ULN2003步进电机驱动电路和电源电路组成。可以实现对输液过程中滴速的实时监测和实施控制,使滴速保持在设置的标准值,在输液结束或出现异常时可以报警和停止输液。测试结果表明本系统具有精准的检测和控制能力,可扩展性高,大大提高了病人输液的安全性,也减轻了医护人员的工作量,达到了预期的设计指标。
关键词:静脉输液;单片机;滴速检测;滴速控制
Abstract
Intravenous infusion is one of the most commonly used treatment methods in today's clinical treatment. It can not only infuse drugs to patients, but also supplement body fluids and nutrition. In the process of infusion, the infusion velocity is an important indicator, which needs to be determined according to the patient's physique, drug characteristics and other factors. Now the infusion device in the hospital can not meet this demand. The flow velocity is set by experience and unstable, and the abnormal situation is not easy to find. Medical accidents often occur, which makes the doctor-patient relationship tense. An intelligent infusion system is urgently needed. To solve this problem.
This paper designs an intelligent infusion system based on STC89C52 single chip computer. The system consists of STC89C52 single chip computer circuit, key circuit, infrared tube module circuit, LCD 1602 circuit, ULN2003 stepper motor drive circuit and power circuit. It can realize the real-time monitoring and control of the drip speed in the process of infusion, keep the drip speed at the set standard value, and alarm and stop infusion when the infusion is over or abnormal. The system has the ability of accurate detection and control, high expansibility, greatly improves the safety of patients'infusion, also reduces the workload of medical staff, and achieves the desired purpose.
Key Words: intravenous infusion; microcontroller; drip speed detection; drip speed control
目 录
摘要 I
Abstract II
第1章 绪论 1
1.1课题研究的背景及意义 1
1.2课题研究的现状及发展趋势 2
1.2.1输液系统发展历程 2
1.2.2国内外研究现状及发展趋势 3
1.3主要研究内容和本文章节安排 3
第2章 智能输液系统总体方案设计 5
2.1静脉输液理论 5
2.2系统需求分析 5
2.3系统设计方案 6
2.4系统方案论证与比较 7
2.4.1单片机系统选取 7
2.4.2液滴检测方案选取 7
2.4.3剩余液体检测方案选取 8
2.4.4输液速度控制方案选取 8
2.4.5驱动方案选取 9
第3章 智能输液系统硬件设计 10
3.1系统硬件开发原则 10
3.2系统硬件设计 10
3.2.1滴速检测模块设计 11
3.2.2滴速控制模块设计 12
3.2.3报警模块设计 13
3.2.4单片机控制模块设计 13
3.2.5电源模块设计 14
3.2.6按键模块设计 15
第4章 智能输液系统软件设计与实现 16
4.1软件开发工具介绍 16
4.2系统软件设计 18
4.2.1系统主程序设计 18
4.2.2滴速测量与控制程序设计 20
第5章 系统测试及结果分析 22
5.1滴速测量与控制准确性测试 22
5.1.1滴速测量准确性测试 22
5.1.2滴速控制准确性测试 23
第6章 总结与展望 25
6.1工作总结 25
6.2工作展望 25
参考文献 26
附录 27
致谢 34
第1章 绪论
1.1课题研究的目的及意义
如今,各行各业大力发展智能化,将自己的传统业务智能化系统相结合,是社会进步发展的大趋势,但是医疗领域的智能化程度还是很低。随与着社会的发展,对医院及医护工作者的要求越来越高,其中一个重要指标就是使用计算机网络管理,这是判断一家医院是否是现代化医院的基本条件。现在大多数医院已经做到了门诊住院计算机办公、电子病历等基础的智能化,但是在医疗监护领域还是采用人工的方式,显然已经不能满足社会的需要,已经提出了信息化、智能化、个性化、人性化的高层次需求。计算机技术的发展,特别是微型计算机、单片机系统的发展为医疗监护系统的创新提供了技术支持,因此智能化医疗监护系统就有了迫切的市场需求和实现的可能。[1]
静脉输液是医院护理中的一项重要治疗手段,通过静脉输注输入体内大剂量的注射液来实现给药、补充电解质、补充营养的目的,在输液过程中需要根据病人的年龄、体质、病情、药物特性确定合适的输液速度。现在医院中普遍使用的还是带有茂菲氏管的传统输液瓶或输液袋,且需要护士人工实时监护,输液时在输液架上悬挂输液瓶,护士将针头穿刺到患者静脉,根据自己的经验观察茂菲氏管内的液滴来估计滴速,再通过转动滚轮来控制滴速,药物会利用高度差自行进入患者体内。过程中护士要不停地穿梭在各病房查看病人的输液进展以及有无异常情况,并需要患者本人或者陪护人员留意剩余药液量和异常情况,及时通知护士处理,这样不仅使得护士的工作量很大,疲于应对,还会增加患者以及家属的心理负担,不利于患者的康复。更加严重的情况是患者发生异常情况时陪护人员和医护人员均未发现就会造成医疗事故,从而导致医疗纠纷频发、医患关系紧张。综上,护士手动控制滴速的缺陷在于无法根据病人的具体情况精准调节最佳滴速,不能在过程中始终保持最佳滴速,也不能在出现异常情况时发出警报。
基于现在输液存在的诸多问题,设计一套具备输液速度检测、输液速度自动控制、输液异常自动报警等功能的智能输液系统是非常必要的,这将大大降低医护工作者的工作量,提高输液的工作效率,降低医疗事故发生几率,改善医患关系。而且该系统以单片机为核心,价格便宜、操作简单、性能稳定、可扩展性高,护士经过简单培训就可以轻松上手,大大提高工作效率,本设计将会有良好的应用前景和广阔的市场。
1.2课题研究的现状及发展趋势
1.2.1输液系统发展历程
医院输液问题一直存在,如何减轻医护人员的工作负担,如何降低医疗事故的发生几率,这也启发了一代代人去思考如何彻底解决这些问题,国内外也都做了不同程度的研究,随着科技的发展,解决方案也是在不断进步完善。[2]输液系统的发展历程主要分为五个阶段:
(1)机械式监控系统
该阶段采用的方法是将输液瓶挂在一只弹簧秤上,利用输液时瓶内药液减少,重量减轻的原理来测量剩余药量,但只能测出剩余量而无法实时监测输液过程中的每个状态,并且由于不同药品密度和瓶体重量不一致,一些微小扰动都会引起测量数据的巨大变化,测出的误差很大,可靠性很差。
(2)电容式监控系统
该阶段采用的方法是输液瓶内液体液面变化将改变电容大小,再用电容传感器去读取电容值来计算液面变化,该方法与机械式相比可靠性相对较高,但还是无法解决因液体密度和输液瓶规格不同而引发的误差,也无法实时监测过程中的每个状态量。
(3)超声式监控系统
该阶段采用的方法是记录从超声波发出到收到回声的时间差,再根据在介质中声波的传播速度计算瓶中的液面高度,但是还是没有解决以上的问题,存在较大误差,而且探头价格昂贵,操作复杂,不利于大面积推广
(4)电极式监控系统
该阶段采用的方法是将正负电极穿透茂菲氏管,当液滴滴下时正负电极短路产生中断信号,对液滴进行计数从而计算滴速,虽然该方法已经非常精准地计算出液滴滴速,但是电极进入输液管路内与药液接触,药液还有可能与空气接触,这都会引发感染的安全问题,所以需要找到更加安全的非接触式计数手段。
(5)光电式监控系统
该阶段采用的方法是将红外对管的发射和接收两端分别放在茂菲氏管的两侧,当有液滴经过时,传感器会感受到光线变化并引起电路中电压的变化,经过放大电路将电压信号放大,再经过模数转换模块将模拟量转化成数字量,进行计数测速。这种非接触式的技术手段既解决了精确计数的问题,又不会使药液与其他物品接触造成污染,具有安全、准确、适用范围广的特点,可以大面积推广。
目前国内外还有大量的科研单位在继续研究智能输液系统,而且部分医疗器械企业已经推出了面向市场的产品,一些大型医院也开始不同程度地应用智能输液系统做临床试验。
1.2.2国内外研究现状及发展趋势
由于国外医疗水平较高,很早就有了智能化输液系统的需求,再加上科技水平较高,政府投入大量资金发展,所以国外的智能输液系统研究起步早,从上个世纪90年代就开始了,到目前为止基本上已经垄断了中高端市场,其中以美国、德国、日本所占市场份额最大。现在我国临床使用较多、性能较好的多是美国、德国、日本的产品,包括德国贝朗公司的Perfusor® Compact系列注射泵、美国百特公司的便携式输液泵、日本JMS株式会社的OT系列输液泵。而国内的研究就比较晚了,直到本世纪初才开始进行智能输液系统的研发,国内产品存在的一大缺陷就是一味模仿国外成熟产品,不肯投入资金和精力研发,技术落后,性能不能满足实际需求,可靠性不高,竞争力不足,经受不住市场的考验,未能被各级医院采用。市场上最常见、也是最常用的还是国外产品,但国外产品价格高昂,中小医院根本无法负担,大医院也仅是在急救室使用,远远没有达到普及的程度,那么如何打造价格低廉、性能优异、稳定可靠的新一代智能输液系统就是当务之急。
我国人口数量世界第一,医院数量也是第一,国内有着巨大的医疗需求,医疗器械行业有很大的发展前景,随着政府扶持力度加大,国内医疗器械发展很快,但该领域是门槛很高的行业,需要投入大量资金研发,国家曾在行业发展规划中指出到2050年要将我国的医疗器械做到世界一流水平,占到世界医疗器械市场份额的25%,因此打破外国垄断,研制高性能智能输液系统的工作势在必行。
1.3主要研究内容和论文章节安排
本课题的主要工作是设计一款智能输液系统,以STC89C52单片机为核心,由STC89C52单片机电路、按键电路、红外对管模块电路、液晶LCD1602电路、ULN2003步进电机驱动电路和电源电路组成,实现功能主要有:输液速度检测、输液速度自动控制、输液异常自动报警。本文主要讲述了输液系统的背景意义及研究现状,对现存问题进行分析,设计出整体方案,并分别介绍硬件系统和软件系统的组成与设计,最后介绍硬件调试。为了更好地讲解研究工作,全文主要分为六个章节,具体章节安排如下:
第1章,介绍了该课题研究的背景及意义,概述了医院输液系统的缺陷以及解决问题的迫切性和初步构想方案,又介绍了输液系统的发展历程和国内外研究现状,包括输液系统的五个发展阶段、国内外研究成果及成熟产品和国内研究下一步的工作重点及发展趋势。
第2章,该章主要进行了系统需求分析,概括得到了系统设计要求,根据静脉输液的理论和系统的设计要求确定了系统方案,即系统大致有几个模块构成,还对系统中主要模块采用什么方案进行了论证和比较,最终确定下来。
第3章,根据系统的整体方案得到硬件部分的组成与设计要求,本章主要介绍了方案实施阶段的工作,重点阐述了各模块机械和电路结构的原理和实现方案。
第4章,根据系统硬件的模块化设计思路,软件也采用模块化的设计,介绍了软件的开发工具,并主要对系统主程序和滴速检测控制模块的程序流程图进行了介绍。
第5章,设计了滴速检测模块和滴速控制模块的准确性测试,验证系统性能,分析实验结果。
第6章,总结整个课题研究过程中的工作内容,并根据系统的不足提出未来工作展望。
第2章 智能输液系统总体方案设计
总体方案设计包括两个部分:需求分析和方案设计。需求分析就是在设计之前先了解客户的需要或者是去寻找现有项目中的缺陷、痛点,再把这些需求信息进行总结,精炼地提取出工作重点,这就是想要得到的设计目的。在总结出设计目的之后就要开始设计系统总体方案,要实现多种功能就需要设计不同的功能模块,每个模块内部如何实现,每个模块之间如何组合,这一系列逻辑梳理清楚之后就是系统的整体方案。
2.1静脉输液理论
在医院治疗中输液是最常见的治疗手段,需要充分了解输液的原理、操作流程和处理突发情况流程的基础知识,这对于研制输液系统是非常重要的。输液治疗的方式是1832年由苏格兰医生托马斯给霍乱患者输液注射灭菌低渗盐水,给患者补充体液,这才发明了现代的输液治疗方式。[3]
当前医院最常用的输液器是专用在静脉输液的把人体静脉和药物连接起来的管道,通常使用聚氯乙烯材料,由穿刺针、空滤器、软管、茂菲氏管、调速滚轮构成。静脉输液的原理是利用液体高度差把灭菌的溶液、药物、营养液或者血液输注到患者体内,要输的液体是放在瓶子或袋子里面,再挂到高处造成高度差,再去转动滚轮调节输液速度,势差会促使液体源源不断地进入患者静脉,来补充电解质、血液或营养物质。
对于不同年龄、体质、病情的病人要采用不同的输液速度,这需要护士拥有丰富经验,也要能处理突发情况。这里介绍一些常见的异常情况和处理方法:
(1)针头跑出血管,俗称“跑针”,这时药液直接注射到组织液中,会导致输液部位肿胀疼痛,出现这种情况就需要护士重新换注射针,重新换静脉穿刺。
(2)针头歪了或者患者换了肢体姿势,导致液流不畅,需要护士调整针头位置或患者变换姿势使液流畅通。
(3)压力过低,一般是输液瓶高度太低,需要提高输液瓶高度。
2.2系统需求分析
系统分析首要的目的是得到“用系统可以做什么”,即现在存在什么问题,要解决什么问题,要达到什么目标。根据前期收集到的资料,发现现在医院输液过程中存在很大弊端,输液滴速不能精准稳定保持,出现异常情况不能自动报警。通过分析这些问题,可以得到系统的设计要求:
(1)输液速度检测:精准测出每分钟液滴数,计算滴速。
(2)滴速显示:通过液晶屏显示滴速,便于调节。
(3)输液速度控制:设置标准速度,当与标准不同时,会自动调节至标准速度。
(4)输液异常自动报警:当输液结束或液体堵塞、流动不畅时,会有声音报警。
(5)操作简便,功耗低,成本低。
2.3系统设计方案
结合系统的设计要求,首先需要制定系统设计方案,借助系统护士可以按照病人的具体情况设置合适的输液速度,系统的测速模块会自动测速,控制模块会自动调节速度,出现异常情况或者流动不畅时会自动报警。[4]本系统至少要有控制模块、按键模块、滴速检测模块、显示模块、滴速控制模块和报警模块等模块,输液系统整体设计框图如图2.1所示。

图2.1 输液系统整体设计框图
智能输液系统中各模块功能如下:
(1)单片机模块:单片机是整个系统的“大脑”,滴速检测模块采集到的数据传到单片机,经过软件系统程序的处理,由单片机输出控制信号,显示信号等多种信号,属于系统中的核心部件。
(2)滴速检测模块:可以精确测量单位时间滴落的液滴数,经过软件的计算可以得到滴速。
(3)滴速控制模块:将读出的滴速与设置好的标准滴速对比,若结果相同继续保持;如果结果不同则滴速控制模块开始工作,使之回归设置的标准滴速。
(4)显示模块:将输液瓶总容积、剩余液体体积、瞬时滴速、设置容积、设置速度、单位信息这些内容显示出来。
(5)报警模块:当输液瓶中剩余液体量低于警戒值时自动关闭输液管道,蜂鸣器发出响声,医护人员就可以接到警报。
(6)键盘模块:可以通过按键设置标准滴速、总容量、剩余容量。
2.4系统方案论证与比较
2.4.1单片机系统选取
具备微型计算机系统如中央处理器、输入输出接口、总线和存储器等基本组成部分的单片芯片就是单片机,它应用广泛,运算控制能力极强,单片机的位数即数据总线的宽度体现了单片机的数据运算能力。简单的功能不需要太高的运算速度,只需四位单片机就可以;八位单片机是使用时间最长,应用最广泛的,使用过程中可以找到的资料也多,兼容性强大,扩展性高的优势使其在大范围使用,如果需要更高的运算速度还可以使用十六位或者三十二位,性能更好,但价格也更高。在电子产品中,单片机因其价格低、性能好的特点被广泛使用,在综合考虑之后,本系统采用单片机控制的方案。
在单片机选型时,根据前期的系统需求分析,要选择合适的单片机,首先使得单片机的性能可以满足本设计的需求,也不能有性能的浪费,在够用的基础上充分发挥。在这里介绍两款单片机进行对比选择。[5]
以上是毕业论文大纲或资料介绍,该课题完整毕业论文、开题报告、任务书、程序设计、图纸设计等资料请添加微信获取,微信号:bysjorg。
相关图片展示:









