无线远程呼叫器的设计毕业论文
2020-04-12 14:15:39
摘 要
在日常生活中,呼叫器的使用越来越为广泛。由于呼叫器能够为我们提供更加便捷的服务,并且能够节省人员的开支,最为重要的是,呼叫器能够提高我们的沟通效率,所以像在餐饮服务、超市连锁、工厂工地、医院等地方对呼叫器的使用非常频繁,也正是因为呼叫器有这些功能,使得呼叫器在我们的生活中显得越来越为重要了。
论文完成了对无线远程呼叫器的整体设计以及对部分模块的功能分析,将系统分为分为呼叫主机、接受主机以及部分显示和控制模块,在此基础上进行软件和硬件的设计。本文主要介绍使用STC89C52单片机,指示灯,LCD1602液晶,按键,蜂鸣器,PT2272无线模块设计的无线远程呼叫器。设计出的无线远程呼叫器能够实现无线传输的功能,当按下按键时,LCD1602液晶显示屏上会显示相对应的呼叫信息,同时相对应的指示灯也会亮起,蜂鸣器也会响起进行提醒,按下相应键则可以取消本次的呼叫,指示登也会熄灭。本设计能够及时的传达呼叫信息,加强沟通的效率。
关键词:单片机;呼叫器;PT2272无线模块;无线传输
Abstract
In daily life, the use of beeper is becoming more and more extensive. Because the caller can provide us with more convenient services, and can save people's expenses, and most importantly, the caller can improve our communication efficiency, so the use of the calls is very frequent in restaurants, supermarket chains, factory sites, hospitals and other places. It is also because of the call device. These functions make the calling device more and more important in our life.
The whole design of the infinite remote caller and the function analysis of some modules are completed, and the system is divided into the call host, the receiving host and the part of the display and control module. On this basis, the software and the hardware are designed. This article mainly introduces the infinite remote calling device designed by using STC89C52 single chip microcomputer, indicator lamp, LCD1602 liquid crystal, key press, buzzer and PT2272 wireless module. The designed infinite remote caller can carry out the function of wireless transmission. When pressing the button, the LCD1602 LCD display will display the corresponding call information. At the same time, the corresponding indicator light will also be lit. The buzzer will be remined and the corresponding key can be canceled, indicating that the board will be extinguished. . This design can timely convey the call information and enhance the efficiency of communication.
Key Words:MCU;Calling device;PT2272Wireless module;Wireless transmission
目录
摘 要 I
Abstract II
第1章 绪论 1
1.1 研究的目的及意义 1
1.2 国内外发展历程概述与研究现状分析 1
1.3 本文主要的研究工作及章节安排 2
1.4 本章小结 3
第2章 无线远程呼叫器总体设计方案 4
2.1 系统功能分析 4
2.2 主控单片机选择 5
2.3 最小开发系统总体方案设计 5
2.4 本章小结 6
第3章 无线远程呼叫器硬件电路的设计 7
3.1 无线模块PT2262/PT2272 7
3.1.1 编解码芯片PT2262/PT2272 7
3.1.2 基于PT2262的无线编码模块 8
3.1.3 基于PT2272的无线解码模块 8
3.2 显示模块 9
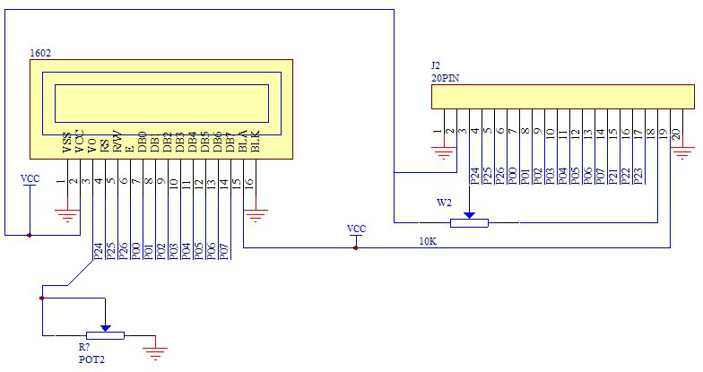
3.2.1 LCD1602液晶显示器 9
3.2.2 1602液晶显示模块电路原理图 10
3.3 响应模块 11
3.3.1 蜂鸣器 11
3.3.2 指示灯 12
3.4 复位电路 12
3.5 本章小结 13
第4章 软件设计 14
4.1 软件设计环境简介 14
4.1.1 Keil 14
4.1.2 Proteus ISIS 14
4.2 系统程序总流程设计 15
4.3 液晶显示子程序 16
4.4 复位模块子程序 17
4.5 本章小结 18
第5章 系统功能测试 19
5.1 实物展示 19
5.2 响应模块测试 20
5.3 显示模块测试 20
5.4 复位模块测试 21
5.5 本章小结 22
第6章 结论 23
参考文献 25
附录A 实物焊接图 26
附录B 电路原理图 27
致谢 28
第1章 绪论
1.1 研究的目的及意义
时间来到21世纪,科学技术在进步,社会发展水平也在进步,一切的一切都在进步。在进步的同时,经济和社会也在快速的发展,人们的生活水平也在逐渐的提高。生活水平提高给我印象比较深刻的就是就是在吃的、住的、用的方面跟以前相比,有了很大的不同。在吃的方面以前吃饭吃饱就好,现在而言不仅注重吃饱更加注重吃的好;住的方面也更加的舒适起来了;用的方面,给人印象最深的就是结合现在的技术,用上了很多高科技的产品。
生活水平的提高,让人们对服务行业中服务质量的要求越来越高,以至于现在服务行业的竞争非常激烈。为了吸引更多的顾客,服务行业在提升自己人工服务质量的同时,也在工具方面引进更加先进的技术来吸引顾客。众所周知,在现今地服务行业中,在信息传递的方便性与信息传递的及时性这两方面的竞争尤为激烈。在这种激烈的竞争环境下,呼叫器也就应运而生了,并立即在服务行业中投入使用了,以此来更快、更方便地传递信息。
呼叫器由于它的信息传递的方便性与及时性,它慢慢地获得了大家对它的认可,逐渐地走进了大家的生活中,像在医院、餐馆以及KTV等地方大家都能够发现它的身影了。
按照传统的分类方法,我们一般将呼叫器分为有线的呼叫器以及无线的呼叫器,由于无线呼叫器比有线呼叫器更加的小巧、方便,所以对无线呼叫器的使用也更加的广泛。对于有线呼叫器应用最为广泛的是医院的床头呼叫器,由于有线呼叫器布线的昂贵与不方便,这种呼叫器也正在逐渐的被淘汰。无线呼叫器随着它的发展,种类也是有着好几种,一般按照产品的技术来分的话,我们可以将其分为使用调频技术的无线呼叫器和使用调幅技术的呼叫器。调频FM无线呼叫器相对于调幅AM呼叫器而言,在抗干扰性方面更为的强大,发射功率也更加大一些,所以在总体的性能方面调频FM无线呼叫器要优于调幅AM呼叫器。
本文研究的无线远程呼叫器也是属于无线呼叫器,通常无线呼叫器都有一个或多个按键,通过按下按键传递事先设定好了的信息,本文所设计的无线远程呼叫器含有4个按键,分别代表4个不同的呼叫方,当按下按键时则会对主机进行呼叫,实现了多个呼叫方同时对主机呼叫的功能。而一般的无线呼叫器只能实现单对单的功能,相比而言,本文所设计的无线远程呼叫器则是对简单的无线呼叫器的一次升级。
1.2 国内外发展历程概述与研究现状分析
呼叫器刚问世时,主要是有线的形式,即有线呼叫器。过去在医院,由于医生一般都特别繁忙,并不能一直待在病人身边,于是医院就引进了有线的呼叫器,当病人需要呼叫医生时,就能够通过呼叫器方便地及时地通知医生。呼叫器地产生给我们地生活带来了很大地便利,从一定地程度声改变了我们地生活。
有线呼叫器过去主要应用于医院,并且有线呼叫器在一定程度上有很多地缺点,比如有线呼叫器容易受外界环境地干扰,有时并不能及时有效地将信息传递出去,并且有线呼叫器需要布线,在普及方面显得比较困难,在造价方面也比较昂贵,更加麻烦的是,由于有线呼叫器都是通过线路进行数据传递的,一旦发生故障,排查起来将会特别麻烦,所以在呼叫器的发展历史中,有线呼叫器也慢慢地被时代所淘汰。
由于呼叫器技术越来越成熟,相对应的,在有线呼叫器逐渐被淘汰的同时,以有线呼叫器为基础的无线呼叫器由于它方便、小巧、灵活、便宜等方面的特性在生活的开始逐渐的普及了,并且广泛的应用于餐馆、KTV、医院等地方。无线呼叫器在其发展的过程中,也经历了好几个阶段。
第一代 调幅模拟无线呼叫器
第一代的呼叫器采用的是调幅AM技术,调幅技术是保持载波的频率不变,但是让载波的幅度按照所需要传递信号的变化规律而变化。
使用调幅AM技术的无线呼叫器在制造成本上比较低,并且在制造工艺上也比较简单,相对应的,使用调幅AM技术的无线呼叫器在传递信号方面显得不太稳定,容易受到外界信号的干扰。
第二代 调频数字无线呼叫器
由于第一代的无线呼叫器存在信号传递不稳定的缺陷,为了克服这一缺陷,并且让无线呼叫器能够更加地满足大众的需求,在无线呼叫器的发展过程中,第二代无线呼叫器——调频数字无线呼叫器产生了。调频数字无线呼叫器相比第一代调幅模拟无线呼叫器而言,在功能方面更加的完善,在种类方面也特别地丰富,并且针对不同地服务行业,也推出了不同的呼叫器。
第三代 扩频跳频智能无线呼叫器系统
以上是毕业论文大纲或资料介绍,该课题完整毕业论文、开题报告、任务书、程序设计、图纸设计等资料请添加微信获取,微信号:bysjorg。
相关图片展示:









