基于FPGA的液体pH值测量电路的设计与实现毕业论文
2020-04-09 15:44:17
摘 要
本论文设计利用电化学原理和FPGA技术对溶液中的氢离子浓度进行测定。论文具体地说明了基于FPGA的pH测量系统的设计,囊括pH电极的原理、系统硬件设计、系统软件设计以及后期电路调试。
pH测量电路利用原电池原理,使用将指示电极和参比电极复合在一起的pH玻璃电极,将化学信号转换成电信号,一般为0~200mV。利用放大电路放大这一微弱的电信号(放大倍数为3倍)后传输给AD转换器。AD转换器将转换结果传输给FPGA。FPGA计算出当前溶液的pH值(0~14)后再利用FPGA来控制液晶显示屏显示出实时液体pH值(精确到小数点后一位)。另外,无需另外接线,利用FPGA的可编程能力以及实验箱(DE1-SoC)自带的硬件还可给系统增加蜂鸣器报警(当pH值不在设定范围时蜂鸣器发声)以及pH范围按键控制(以六个按键控制pH范围上下限的十位个位和十分位,按键按下时相应位数值加一)并显示等功能。本设计最终利用了FPGA易于编程这一特点来实现溶液pH智能测量及显示,创新地用FPGA与pH测量相结合,成功实现了基于FPGA的液体pH值测量系统。
关键词:pH电极;FPGA;AD转换器;液晶显示
Abstract
In this paper,the concentration of hydrogen ions in solution was determined by electrochemical principle and the FPGA technology.This paper described the design of pH measurement system based on FPGA in detail,including the principle of pH electrode,system hardware design,system software design and problems of later circuit debugging.
The pH measurement circuit uses the principle of the original battery system.It uses the pH glass electrode which combines the indicating electrode and reference electrode to convert the chemical signal into the electrical signal.The week signal was amplifies by the amplifier by ten times before it is transmitted to the AD converter.And then the AD converter transmits the conversion results to the FPGA.Next,it calculates the pH value(0~14) of the current solution and control the LCD display to show the value. In addition,the powerful programmable ability of FPGA and the hardware of the test box(DE1-SoC) add functions such as buzzer alarm and pH range control to the system without additional wiring.As FPGA can easily be programmed,the design combines FPGA with pH measurement and successfully realizes the measurement system of liquid pH value based on FPGA.
Key Words: pH electrode;FPGA;AD converter;LCD display
目录
第1章 绪论 1
1.1 背景介绍 1
1.2 pH测量系统研究的重要性 1
1.3 pH传感器的种类及发展状况 1
1.3.1 8-羟基喹啉-5-磺酸修饰电极pH传感器 2
1.3.2 聚苯胺修饰电路超微pH传感器 2
1.3.3 光化学pH传感器 2
1.3.4 固态pH传感器 2
1.4 pH测量及显示系统的主要原理 2
1.5 pH测量系统的发展状况 3
1.6 各章简介 4
第2章 pH传感器原理 5
2.1方法简介 5
2.2 pH玻璃电极的构造 5
2.3 pH玻璃电极响应机理 6
2.4 玻璃膜电极电位的产生及测量原理 6
第3章 硬件描述 8
3.1 整体框图 8
3.2 放大电路 8
3.2.1 放大原理 8
3.2.2 使用芯片 9
3.2.3 LM385-2.5 10
3.2.4 放大电路 11
3.3 AD转换器 12
3.3.1 ADC0809的逻辑结构 12
3.3.2 ADC0809的主要性能指标 13
3.3.3 ADC0809的内部逻辑结构 14
3.3.4 ADC0809的时序 14
3.3.5 接口电路 15
3.4 LCD1602液晶显示屏 16
3.4.1简介 16
3.4.2 LCD1602特性 17
3.4.3 引脚 17
3.4.4 LCD1602显示原理 18
3.4.5 LCD1602的指令说明已经时序 19
3.4.6 LCD1602中的CGROM、CGRAM和DDRAM 20
3.4.7 LCD1602的时序 21
3.4.8 LCD1602时序参数 22
3.5 蜂鸣器 23
第4章 软件设计 24
4.1 软件 24
4.1.1 软件简介 24
4.1.2 软件功能 24
4.1.3 软件界面图 24
4.2 使用的语言 25
4.2.1 VHDL简介 25
4.2.2 VHDL语言的基本程序结构 25
4.3系统软件设计 26
4.3.1主要框架 26
4.3.2 数据处理 27
4.3.3 AD转换器控制 28
4.3.4 液晶控制 29
4.3.5 按键控制 31
4.3.6 报警控制 31
第5章 实物调试 34
5.1实物调试及解决方案 34
5.2误差分析 34
第6章 结论与展望 35
6.1 结论 35
6.2 展望 35
参考文献 36
附录A 37
致谢 46
第1章 绪论
背景介绍
pH,是氢离子浓度指数的英文简称。它代表溶液中的氢离子总额和总物质的量的比值。pH值是一个标志溶液酸浓度和碱浓度的基本参数。由于pH是一个重要的参数,pH值检测在现在各大行业诸如化学工艺、环境监测、排污排废、医药等都有广泛的应用[1]。
pH检测的重点在于pH传感器。在现在的数字信息化时代,要想实现数字自动化处理,必须把想要监测或控制的物理量转换成电信号给芯片进行处理。所以要想监测pH,必须把pH值转换成电信号,pH传感器即是实现这种功能的器件。
pH值测量系统,利用电位分析法和原电池原理来测定溶液中的氢离子浓度。
电位分析法时按照溶液中电极电位和浓度的相关性利用电极电位来指示溶液中氢离子的浓度。所以可以在溶液中放置指示电极和参比电极来测量溶液中的离子含量。指示电极是一种电化学敏感元件,它能够将溶液中离子活度等效为点位的变化,它会对溶液中参加反应的离子的活度或非相同氧化态的离子的活度能彼此响应。电化学分析法中,pH电极(氢离子选择电极)和其他各种离子选择型电极时最为常见的指示电极。
随着技术的发展,pH传感器的制作越来越成熟,制备的pH传感器灵敏度越来越高,抗干扰能力越来越强。各种智能芯片的制备,使得电子仪器越来越智能化。而对于整个监测系统来说,本论文利用现场可编程门阵列作控制中心,以硬件描述语言作驱动程序,实现溶液pH值的实时显示。
pH测量系统研究的重要性
pH是量度溶液酸碱性的尺度。在现实生活中,不少地方都需要掌握液体pH这一关键的参数。比如在化学工艺中,化学反应的过程与它们所处环境的pH有很大的关系,甚至不合适的pH可能会直接导致反应停止。再比如在医学上,人体血液的pH是一个重要的参数,正常人体的血液的pH会在一个范围内波动,若是不在这个范围内则表示人体可能出现了病理现象。
在pH测量的过程中,有很多因素会影响pH检测的精度。比如溶液的温度、温度补偿精度等。这些问题都需要进一步的考虑。目前,pH自动监测已广泛应用于石油、化工、医疗、环保、排污、造纸、皮革等工业部门,对pH测量系统的研究显得尤为重要。
pH传感器的种类及发展状况
70年代,pH化学传感器主要有玻璃电极、离子选择性电极、氨电极及金属-金属氧化物电极等。然而,随着技术不断的进步,传统的pH电极已经不能满足各个领域的需求。比如,玻璃电极存在着内阻很高的缺点,内阻太高会给输入电路的设计造成很大的困扰。同时,由于自身的问题,材料玻璃电极不能在含有氟化氢溶液中进行测量。因此,科学家们根据实际需要研发出了很多新的pH传感器[2]-[7]。
8-羟基喹啉-5-磺酸修饰电极pH传感器
由于传统的玻璃电极存在诸多缺陷,人们开始了对非玻璃材料的电极的研究。化学修饰电极就是其中之一。
张玉等人及其团队研究并制备了8-羟基喹啉-5-磺酸修饰电极pH传感器。在pH1.7-pH12.9的时候,该电极与电极电位的线性关系很良好。
聚苯胺修饰电路超微pH传感器
化学修饰电极技术的发展,给电极的微型化带来了很多新办法。
万其等人及其团队用聚苯胺来修饰碳纤维成功制备了超微pH传感器。相对于传统的pH传感器来说,该传感器响应快、稳定性好等优点。最为重要的是,该传感器能完成微环境下的pH测量工作。
光化学pH传感器
1950年,Peterson等人第一次制备出光化学pH传感器 ,为pH测量开辟了新的领域。这种传感器利用了光电转换的原理以及pH值随膜的光学特性而改变的特性。
2000年,范世福等人研究开发了一个基于光纤传感的水质pH监测系统。
光化学pH传感器优点有体积小、抗干扰性强等特点。因此在各种化学反应、医疗、军火武器等远距离测控方面有着很广阔的前景。
固态pH传感器
2006年,杨百勤等人研究制备了一种可以直接测量固体以及糊状物的表面和内部pH值的新型固态pH传感器。它能进行原位无破损的直接测量。由于该传感器的线性关系及稳定性也非常良好,它广泛用于化学化工、生物科学、临床检测等领域,应用前景非常广阔。
pH测量及显示系统的主要原理
本系统以友晶科技公司的DE1-SoC开发板为核心,加上一些外接芯片,比如液晶显示屏LCD1602、AD转换器ADC0890等。pH电极使用上海仪电科学仪器股份有限公司制备的雷磁E-201-C复合电极。
pH传感器把采集到的溶液pH值转换成mV级别的电压信号,用运算放大器构建的放大电路对该电压信号进行放大,而后把放大后的电压信号传输给AD转换器。AD转换器把接受到的电压信号转换成数字信号后传输给DE1-SoC。利用DE1-SoC的可编程逻辑门阵列对接受的数据进行处理和计算,然后控制液晶显示屏进行显示。
另外,本系统还额外增加了报警系统以及由按键控制的pH值范围设定系统。
总体框图如下图所示。
图1.1 系统整体框架图
pH测量系统的发展状况
世界上第一台商用pH计是Arnold Beckman在1936年研制成功的。
工业上使用的pH计,以日本为例。
1951年,日本电气式化学计研究所制备了日本第一台工业用pH计。
1953年,日本横河电机开始研究制备工业pH计。在初期,pH测量测定装置由传感器(包括惨比电极、玻璃电极、温度补偿)和阻抗变换。放大电路等组成。
七十年代,日本的工业pH取得了突破性进展。
1971年,日本横河电机使用场效应晶体管和IC制备了输入阻抗高体积小的pH计。
1975年,日本生产了K-7型工业pH计,第一次将玻璃电极、比较电极和温度补偿电极一体化,制成了复合电极。这种复合电极的出现为pH传感器的小型化做出了很大的贡献。
八十年代后,工业pH计开始集成化、智能化。
1984年,日本生产了一种新型的工业pH计。这种pH计能进行pH自动校对和电极的自动清洗。产品使用七段LED显示,有上下限调节、任意设定量程等功能。
九十年代后,工业pH计更加普及且微机化程度更深。
随着科技越来越发达,更多新型的pH测量系统被研制出来,往智能化,人性化的方向发展。
各章简介
第一章简要概述了pH测量系统研究的必要性以及发展状况和pH测量的原理。第二章介绍了pH传感器的测量原理。第三章阐明了系统整体的整体硬件框架以及各部分硬件的选取和工作方式。第四章介绍了系统使用的软件、程序以及流程图。第五章记录了硬件和软件完成后电路调试出现的问题。第六章是对整个系统的总结和讨论。
第2章 pH传感器原理
本系统所采用的电极为pH复合玻璃电极。下面分别说明它的工作原理。
2.1方法简介
该电极采用的是直接电位法。所谓直接电位法,即选取适合的指示电极和参比电极,让他们在待测溶液中构成原电池。利用电动势和待测组分浓度时间的关系,通过测量原电池的电动势来求出待测组分的浓度。
测定溶液pH使用的指示电极有氢电极、氢醌电极和pH玻璃电极等。玻璃电极是他们之中最为常用的一种。参比电极多为饱和甘汞电极。
2.2 pH玻璃电极的构造
pH玻璃电极简称玻璃电极,它是一种膜电极。用不同的原料制成玻璃膜能够制备对不同离子反应的玻璃电极。
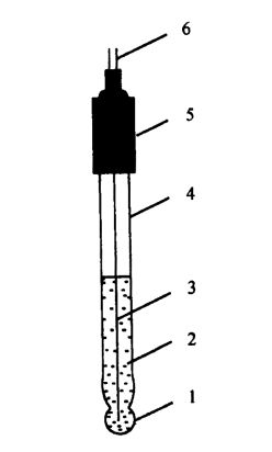
玻璃电极的结构如下图所示。

图2.1 玻璃电极结构图
图中,1为玻璃球膜,2为内参比溶液,3为Ag-Agcl电极,4为玻璃管,5为电极帽,6为导线引出线。其中,玻璃球膜一般厚度为0.05-0.1mm,内参比溶液为pH是7的氯化钾缓冲溶液。
2.3 pH玻璃电极响应机理
玻璃由牢固的带负电荷的硅酸晶格构成。晶格当中存在着体积小,活性强的钠离子。溶液中的氢离子进入到晶格后,占据了钠离子的位置。同时,其他更高价的阳离子和阴离子不能自由在晶格中进出。
当玻璃电极侵入到溶液中后,玻璃膜的钠离子会与溶液中的氢离子发生反应。这样的反应趋势会越来越大,致使玻璃膜的表面几乎遍布着氢离子。
溶液中的氢离子与玻璃电极的钠离子互换的同时,氢离子会向玻璃膜里面接连渗透。玻璃电极在溶液中充分浸泡之后,会形成厚度约为10-5-10-4mm的溶胀水化层。在水化层最外表面,氢离子几乎代替了所有的钠离子。但是在玻璃膜的中间部分,由于没有交换反应,所以几乎没有氢离子。
2.4 玻璃膜电极电位的产生及测量原理
玻璃电极充分浸泡后,将它放入待测溶液中。因为玻璃电极水化层的氢离子浓度与溶液中的氢离子浓度不同,根据扩散原理,氢离子将会从浓度高的一边向浓度低的一边扩散。氢离子的扩散改变了膜外溶液与膜内溶液之间原来的电荷分布,形成了双电层,产生了电位差。该电位差会抑制氢离子陆续扩散,是以最后氢离子的扩散会达到动态平衡,这时候电位差就是一个稳定的值,称为外相界电位,用φ外表示。同样的,膜内表面与内参比溶液的电位差称为内相界电位,用φ内表示。
由热力学的知识我们可以得到,相界电位φ外和φ内均满足Nernst方程。
                        
                          (2.1)       
                        
                          (2.2)  
式中,
外、
内分别是待测溶液与内惨比溶液氢离子的活度,
、
分别是玻璃膜外和水化层的氢离子活度,K1、K2是外水化层和内水化层的结构参数。
将膜外电位与膜内电位的差称为膜电位,用φ膜表示。
当玻璃膜内外表面结构相同时,K1=K2、
。则
                      
                             (2.3)
玻璃点集中的内参比溶液氢离子浓度是一定的,所以a内为定值。则
                        
                          (2.4) 
对于整个电极,电极电位φ应为:
              (2.5)
总之,玻璃电极的电位与待测溶液的pH之间的关系满足Nernst方程。因此,可以用玻璃电极来作为测定溶液的pH指示电极。
第3章 硬件描述
3.1 整体框图
整个系统硬件部分由七个部分组成:pH传感器、放大电路、AD转换电路、DE1-SoC、按键电路、液晶显示电路、蜂鸣报警电路。
以上是毕业论文大纲或资料介绍,该课题完整毕业论文、开题报告、任务书、程序设计、图纸设计等资料请添加微信获取,微信号:bysjorg。
相关图片展示:








        
            
