基于电网电压定向的三相PWM整流器控制策略设计毕业论文
2020-04-09 15:20:50
摘 要
由于电力电子器件的发展,电力电子技术在更加广泛的领域被应用,大部分设备整流都是通过二极管或者晶闸管进行的,较多的谐波产生了并且对电网造成了巨大的污染,并且,人们对用电的质量要求越来越高,与此同时,由于不可控整流、相控整流存在交流侧输入电流畸变严重、以及网侧功率因数较低等问题, PWM整流器在这些方面有突出的优点,PWM整流器是一种绿色、可靠、高效的电能变换器,并且有低畸变率、双向的功率流动且正弦化的输入电流、可调的直流电压、单位或可调的功率因数等特点。本文对电网电压进行矢量控制设计,研究基于电网电压定向的PWM整流设计,同时通过MATLAB进行仿真,验证其可靠性,主要内容如下:
首先对PWM整流器的发展现状及拓扑结构进行初步了解,包括电流型PWM整流器以及电压型PWM整流器,其次,具体分析三相PWM整流器的工作原理,对具体原理进行分析,再对具体的参数进行选择设定,然后进一步对三相PWM整流器进行基于电网电压定向的数学模型构建,最后,对所构建的数学模型进行仿真验证。
关键词:PWM整流器;电网电压定向,矢量控制,MATLAB
Abstract
With the development of power electronics, power electronic technology applications are more extensive, most of the equipment through the diode and thyristor rectifier, produced more harmonics, caused great pollution to power network, at the same time, people in the quality of power, has been improved, uncontrolled rectifier, phased rectifier ac input current distortion is serious, mesh side power factor is low, and PWM rectifier to overcome these shortcomings, it is an efficient, reliable, and green power converter, It has the characteristics of two-way power flow, low aberration rate and sinusoidal input current, unit or adjustable power factor, adjustable dc voltage, etc. Therefore, PWM rectifier has been widely used. Three-phase PWM rectifier control to realize the energy exchange of key link, in this paper, the grid voltage vector control design, the research based on grid voltage orientation of PWM rectifier is designed, and through MATLAB simulation, verify the reliability of the main contents are as follows:
First present situation and to the development of PWM rectifier topology structure to carry on the preliminary understanding, and secondly, concrete analysis the working principle of the three-phase PWM rectifier and then further for three-phase PWM rectifier based on the mathematical model of power grid voltage orientation to build, finally, the mathematical model is built by simulation test and verify.
Keywords: PWM rectifier; Grid voltage direction, vector control, MATLAB,
目 录
第1章 绪论 1
1.1 PWM整流器研究的背景与意义 1
1.2 PWM 整流器的分类与发展现状 1
1.2.1 电流型PWM整流器 1
1.2.2电压型PWM整流器 2
1.2.3 PWM整流器的发展现状 3
1.3本课题研究的主要内容 5
第2章 三相PWM整流器的原理分析和建模 6
2.1 三相PWM整流器的拓扑结构 6
2.2 PWM基本原理分析 7
2.3 三相PWM整流器的数学模型 10
2.3.1 三相PWM整流器在三相静止坐标系的数学模型 10
2.3.2 基于电网电压的三相PWM整流器 d-q模型的建立 13
第3章 三相PWM整流器控制系统设计 18
3.1 PWM整流器的电流控制 18
3.1.1 间接电流控制 18
3.1.2直接电流控制 19
3.2三相PWM整流器双闭环控制系统的设计 20
3.2.1 电流内环控制系统设计 21
3.2.2 电压外环控制系统设计 24
3.3三相PWM整流器参数的设计 24
3.3.1 交流侧电感的设计 24
3.2.2 直流侧电容的设计 29
第4章 MATLAB仿真 31
4.1 基于电网电压定向的三相PWM整流器仿真 31
4.1.1 基于电网电压矢量PWM波生成模块simulink模型建立 31
4.1.2 PWM整流器的主回路及控制系统simulink模型的建立 32
4.2 PWM整流器仿真波形 35
第5章 总结和展望 38
5.1 总结 38
5.2 不足与展望 38
致谢 39
参考文献 40
绪论
1.1 PWM整流器研究的背景与意义
由于电力电子器件的发展,电力电子技术在更加广泛的领域被应用。近年来,电力电子装置在电力系统、一般行业、交通运输以及新能源领域被普遍应用。大部分设备整流都是通过二极管或者晶闸管进行的,较多的谐波产生了并且对电网造成了巨大的污染。因此,如何减少电网污染成为了电力电子行业所关心的问题。
为了解决电力电子设备引起的谐波及无功污染,最根本的措施是设计谐波含量低、电网电流正弦化、功率因数接近为1的高性能的i相整流器。
与传统的整流装置相比,三相PWM整流器具有功率因数可调、交流侧输入输出电流谐波小、直流侧电压波动小、功率能双向流动等优点,不可控整流以及相控整流具有交流侧输入电流畸变严重、网侧功率因数较低等问题,但是PWM整流器克服了这些缺点,它是一种可靠、绿色、高效的电能变换器,具有低畸变率、双向的功率流动且正弦化的输入电流、单位或可调的功率因数、可调的直流电压等特点。所以PWM整流器得到了广泛的应用。三相PWM整流器的控制实现能量交换关键环节,通过对电网电压定相的三相PWM整流器的控制策略分析,能够获得更好的电压,减少谐波以及对电网的污染。[1][2]
1.2 PWM 整流器的分类与发展现状
1.2.1 电流型PWM整流器
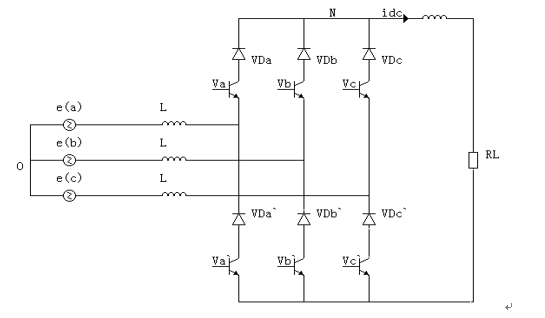
CSR(电流型PWM整流器)的显著特征是直流侧采用电感进行直流储能,从而使CSR直流侧呈现高阻抗的电流源特性。常采用的CSR结构有单相以及三相。除直流储能电感外,与PWM整流器相比,其交流侧增添了滤波电容,作用是与网侧电感一起组成LC三阶低通滤波器,以滤除CSR网侧谐波电流,并抑制CSR交流侧谐波电压。CSR功率开关管支路上顺向串联二极管,其主要目的是阻断反向电流(一般大功率开关管大都集成有反并联二极管),并提高功率开关管的反向耐压能力。[3]
三相电流型PWM整流器的结构图如下:

图1-1 三相电流型PWM整流器拓扑结构
1.2.2电压型PWM整流器
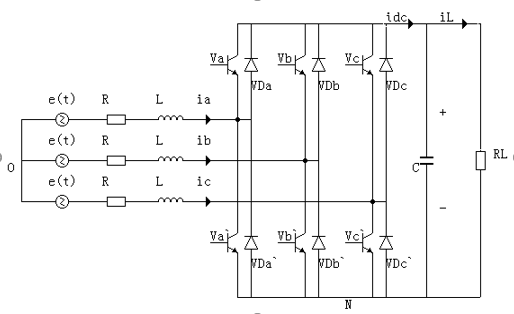
电压型PWM整流器(Voltage Source Rectifier。PWM整流器)最显著拓扑特征就是直流侧是电容进行直流储能,从而使PWM整流器直流侧为低阻抗的电压源特性。由于其电路结构简单,便于控制,响应速度快,成为目前研究及实际应用较多的整流类型。

图1-2三相电压型PWM整流器拓扑结构
电压型PWM整流器有以下几种拓扑结构:单相半桥、全桥PWM整流器拓扑,三相半桥、全桥PWM整流器拓扑结构、三电平PWM整流器拓扑结构和基于软开关调制的PWM整流器拓扑结构。其中三相电压型PWM整流器就是本文研究的对象。
图1-2给出了三相半桥的拓扑结构。通常所谓的三相桥式电路即指三相半桥式电路。关于三相PWM整流器的工作原理将在下一节中专门论述。三相电压型PWM整流器也是本文进行电路建模、参数计算和控制器设计的基础。[4][5]
1.2.3 PWM整流器的发展现状
PWM整流器技术是中等容量单位功率因数采用的主要技术,一般需要使用自关断器件。三相PWM整流器在几乎不增加任何硬件的基础上,即可以实现能量的双向流动。电路性能稳定其控制策略的实用性研究是电力电子领域的一个热点。
PWM整流器的出现是基于功率因数校正和谐波抑制。70年代初,国外就开始了该项技术的基础研究,80年代后期随着全控型器件的问一世,采用全控型器件实现PWM整流的研究进入高潮。
PWM整流器的主电路拓扑结构近几十年来没有重大突破,主电路设计的基本原则是在保持系统的基础上,尽量简化电路拓扑结构,减少开关元件数,降低总成本,提高系统的可靠性。
电压型PWM整流器主电路拓扑结构
单相全桥PWM整流器,通过开关V1-V4进行PWM控制,就可在桥的交流输入端产生正弦调制PWM波UAN、,UAN中不包含低次谐波成分,只含有和被调正弦信号波同频率月幅值成比例的基波分量以及与三角载波有关的高频谐波。由于电感Ls的滤波作用,高次谐波只会使交流电流iN产生很小的脉动,在理想情况下,当被调正弦信一号波的频率和电源频率相同时, iN是与电源同频率的正弦波,对UAN中基波分量的幅值和相位进行控制,可以达到使交流侧电流波形正弦化且功率因数接近1的目的。
三相全桥PWM整流器,通过对电路进行正弦波PWM控制,使得整流桥的交流输入端产生正弦PWM电压,对各相电压进行控制,就可以使各相电流i和电压相位相同,从而使功率因数为1。当电路工作在整流状态下,能量从电网侧流向直流侧的负载;当电路工作在再生状态下,类似于三相PWM电压型逆变器,可以将直流侧的能量回馈到交流电网侧。
电流型PWM整流器主电路拓扑
电流型PWM整流电路。利用正弦波调制的方法控制直流电流在各开关器件的分配,使交流电流波形近似与电源电压同相位的正弦波,实现功率因数近似为1,但其交流侧电流波形中含有较多的谐波成分。
就现状而言,由于电压型PWM整流器的实现相对容易,并具有较简单的拓扑结构和响应速度(相对电流型PWM整流整流器而一言),配置简单的输入滤波器即可实现较低的电磁干扰等特点。[6][7]
PWM整流控制技术研究方向
控制技术是PW整流器发展地关键。近年来,有关PWM整流器高频整流控制技术地研究紧紧围绕以下几方面地要求;
1)减少AC侧输入电流畸变率,降低其对电网的负面效应。一般要求在整个负载波动范围内,AC侧输入电流地总谐波畸变率低于5%。
2)提高功率因数,减少整流的非线性,使之对电网而言相对于"纯阻性负载"。
3)提高系统的动态响应能力,减少系统的动态响应时间。
4)降低系统的开关损耗,提高整个装置的效率。
5)减少直流侧纹波系数,缩小直流侧滤波器体积,减轻重量。
6)提高直流侧电压利用率,扩大调制波的控制范围。
自20世纪80年代开始PWM整流器研究以来,PWM整流器控制虽已取得了很多成果,但仍不完善。它的发展趋势大致可归结为以下几个方面。
(1) 新的控制方法及集成控制方法研究
VSR 可以采用的控制方法很多,每种控制方法都有其特点和适用场合。随着电力电子、微电子、计算机等技术的发展,采用DSP 可快速实现复杂运算,一些复杂控制算法逐步得到实际应用;为使控制系统具有更高的动静态性能,应该寻找新型的控制方法或改进现有的控制方法;目前电VSR 网侧电流控制有将固定开关频率、滞环以及空间矢量控制相结合的趋势;由于很难凭借单独一种控制方法来解决实际控制系统中的众多难点问题和实现综合性的设计目标,因此,可将不同的控制方法进行"整合"集成而形成复合控制,以实现取长补短,有机融合成更有效的控制方案。
(2) PWM 整流器无传感器控制研究
PWM 整流器控制一般需要通过交流电压、交流电流和负载电压的三类传感器来检测交流侧的电流、电压和直流侧的电压值,有的控制方案还需负载电流传感器,实现成本较高。为了简化控制系统的结构、降低成本和安装费用,无传感器控制技术研究取消交流电压和交流电流传感器,而采用预测算法或观测器重构估算出网侧电压或者电流。
(3) PWM 整流器无传感器控制技术
PWM 整流器无交流电流传感器控制策略既有效克服了间接电流控制中动态性能不好的缺点,同时又可以节省价格昂贵的电流传感器,具有硬件结构简单,便于微机实现的优点。通过建立一个电流观测器来计算出网侧电流估计值,其关键部分在于开关函数的检测和输入电流指令的构造。由于这种控制策略硬件成本低,因此在实际工程中有很好的应用价值。
(4) 电网不平衡条件下VSR控制研究
常规PWM整流器均以三相电网是平衡的为前提,这样一旦三相电压不平衡,电压的负序分量会使整流器网侧电流和直流输出电压含有丰富的低次谐波,利用常规的电网平衡条件下的控制方法进行控制,则会降低整流器的性能,甚至产生不正常的运行状态。电网不平衡条件下VSR控制技术目前主要集中在整流器网侧电感及直流侧电容的设计,或者是通过控制系统本身去改善和抑制整流器输入侧的不平衡因素以及对传统数学模型的重构和控制策略的改进。通过引入正序、负序两套同步旋转坐标系的独立控制方案,在各自的同步旋转坐标系中,将正序、负序基波分量均转换成直流分量,再通过各自的控制器实现无静差控制,从而大大提高了系统的运行稳定性和鲁棒性。
(5) CSR 控制研究
随着高温超导技术的应用和发展, CSR电感储能的效率得到极大的提高,功率损耗大为降低,体积、价格等方面也得到改善。因此,利用CSR 实现高性能的电能输送将逐渐兴起,而其控制研究也将成为热点。VSR 的控制策略大多也可应用在CSR上,但由于CSR 交流侧二阶滤波结构使整流器交流侧的瞬时功率平衡表达式与VSR 不同,另外,CSR交流侧弱阻尼的二阶滤波环节较之VSR 的一阶环节,更易激起振荡,CSR 的电流控制更为复杂。因此CSR 的控制远不及VSR 成熟。
(6) 电网不平衡条件下CSR 控制研究在CSR 中,电网电压的不平衡同样会带来VSR类似的问题。为了消除由电压不平衡产生的低次非特征谐波,可以采用增大交流侧和直流侧滤波器的尺寸、前馈补偿的方法、反馈控制法等三种方法。[8][9]
1.3本课题研究的主要内容
不可控整流、相控整流存在交流侧输入电流畸变严重、网侧功率因数较低等问题,而PWM整流器克服了这些缺点,它是一种高效、可靠、绿色的电能变换器,具有低畸变率、双向的功率流动且正弦化的输入电流、单位或可调的功率因数、可调的直流电压等特点。因此PWM整流器得到了广泛的应用。本课题要求学生设计基于电网电压定向的三相PWM整流器控制策略,以能量双向交换、正弦化输入电流和功率因数可调的要求,主要包括三相电压型PWM整流器的拓扑结构和工作原理,整流器数学模型,控制策略的设计,并搭建仿真平台对所提控制策略的有效性进行验证。
第2章 三相PWM整流器的原理分析和建模
2.1 三相PWM整流器的拓扑结构
电压型PWM整流器(Voltage Source Rectifier.PWM整流器)最显著拓扑特征就是直流侧采用电容进行直流储能,从而使PWM整流器直流侧呈低阻抗的电压源特性。
图1-2给出了三相半桥拓扑结构。通常所谓的三相桥式电路即指三相半桥电路。
三相电压型PWM整流器也是本文进行电路建模、参数计算和控制器设计的基础。
三相电压型PWM整流器的拓扑结构如图2-1,图中
、
、
为三相对称电源相电压;
、
、
为三相线电流;
、
分别是绝缘栅双极型晶体管和续流二极管;
为直流电压;R、L为滤波电抗器的电阻和电感;C为直流侧电容;
为负载;
为负载电流。

图2-1三相电压型PWM整流器拓扑结构
假设开关如下所示则
以上是毕业论文大纲或资料介绍,该课题完整毕业论文、开题报告、任务书、程序设计、图纸设计等资料请添加微信获取,微信号:bysjorg。
相关图片展示:







您可能感兴趣的文章
- 一种确定磁探针集总电路参数的标定方法外文翻译资料
- 一种人体可接触的大气压低温等离子体射流装置研究(适合电气B方向)毕业论文
- 氩氧中大气压DBD放电特性研究(适合电气B方向)毕业论文
- 大气压氩等离子体射流放电影响因素的仿真研究(适合浦电气B方向)毕业论文
- 含氧高活性均匀DBD改性聚合物薄膜研究(适合浦电气B方向)毕业论文
- 反应器结构对气液两相DBD放电特性的比较(适合浦电气B方向)毕业论文
- 南京某公司研发楼电气设计毕业论文
- 金帆北苑地块经济适用住房——02栋商住楼电气设计(适用于浦电气1004~06A方向学生)毕业论文
- 扬州人武部大楼电气设计毕业论文
- 金帆北苑地块经济适用住房——04栋商住楼电气设计(适用于浦电气1004~06A方向学生)毕业论文


