中山大道万寿路口人行天桥设计毕业论文
2020-02-16 23:49:03
摘 要
随着城市人口的增多和人民生活水平的提高,车辆已慢慢变成人们生活中不可缺少的一部分,导致城市交通状况不堪入目。交通的混乱,严重影响了人民的生活水平,也破环了我国城市的形象。由现代发展起来的人行天桥已慢慢成为一个城市的不可或缺的建筑,人行天桥能很好的使人车分流,同时也具有良好的人群流动能力,减少安全事故,所以能很有效地改善十字路口等重要交通枢纽的交通情况。
本次设计任务是在中山大道万寿路口进行人行天桥设计,采用17.8m 17.8m两跨钢箱梁结构,主梁高0.9m,宽4.5m。本文主要讲述了钢箱梁人行天桥的设计过程,对人行天桥的主梁、墩柱、梯道梁等各结构利用MIDAS CIVIL软件进行了设计,建立了主梁和梯道梁两个完整的MIDAS CIVIL模型。同时我也对人行天桥模型的上部结构和下部结构进行了稳定性验算。
关键词:人行天桥;钢箱梁;简支梁桥;MIDAS CIVIL
Abstract
Along with the increase in urban population and the improvement of people's living standards, cars have gradually become an indispensable part of people life, leading to urban traffic conditions to enter.Traffic chaos, seriously affected the people's living standard, also damage the image of the city in our country.Developed by modern pedestrian bridge has gradually become indispensable to a city's buildings, pedestrian bridge can be a very good car shunt, at the same time also has a good ability of population flow, reducing safety accidents, so it can effectively improve the intersection traffic conditions of such important transport hub.
The design task is wanshou road in zhongshan road pedestrian bridge design, with 17.8 m 17.8 m two span steel box girder structure, main girder height of 0.9 m, 4.5 m wide. This article mainly tells the story of the design process of the steel box girder footbridge, the pedestrian bridge girder and pier, ladder beam structure using MIDAS CIVIL software design, established the main girder and stairway beam two complete MIDAS CIVIL model. At the same time I also the pedestrian bridge model of the upper structure and lower structure stability checking.
Keywords: Pedestrian bridge;Steel box girder;Simply supported girder bridge;
MADAS CIVIL
目录
第一章 绪论 1
1.1人行天桥的现状 1
1.2人行天桥的发展趋势 1
1.3选题设计思想及意义 2
1.4 桥梁的分类 2
第二章 设计基础资料 4
2.1 设计背景 4
2.2地质条件 4
2.2.1 地形、地貌 4
2.2.2 场区岩土的构成与特征 4
2.2.3 场区地下水条件 5
2.2.4场区地居的地震效应 5
第三章 桥型方案比选 7
3.1比选原则 7
3.2方案比较 7
3.3方案选定 8
第四章 主要技术标准 12
4.1方案拟定 12
4.2技术数据指标 12
4.3.1 设计荷载 12
4.3.2 地震烈度 12
4.3.3 桥梁纵坡:1%。 12
4.3.4 桥面横坡:双向1%。 12
4.3设计依据及设计相关规范 12
4.4主要材料 13
4.4.2钢材 13
4.4.1 混凝土 13
4.4.3其他材料 13
4.4.4焊接 13
4.5结构尺寸 13
4.5.1本次人行天桥设计跨径的布置 13
4.5.2梁高尺寸 14
4.5.3截面类型的选择 14
4.5.4梁截面细部尺寸 14
4.5.5梁截面 15
4.5.6施工方法 16
第五章 MIDAS建模过程及运行计算 17
5.1定义材料 17
5.1.1钢材 17
5.1.2混凝土 18
5.2 时间依存材料特性定义 19
5.3定义截面 20
5.3.1主梁截面1-1 21
5.3.2主梁中部截面2-2 23
5.3.3梯道梁截面3-3 23
5.3.4中墩截面A-A 24
5.3.5边墩截面B-B 25
5.4 建立节点、单元,建立结构模型 26
5.4.1节点图 26
5.4.2单元图 27
5.4.3天桥正视图 27
5.4.4天桥侧视图 28
5.4.5天桥俯视图 28
5.5 定义边界条件 29
5.6 添加静力荷载 29
5.6.1 添加自重荷载 30
5.6.2添加温度荷载 31
5.6.3 添加二期荷载 32
5.7 添加移动荷载 33
5.7.1 定义车道荷载 33
5.7.2 定义车辆荷载 34
5.7.3定义移动荷载工况 35
5.8 组的定义 36
5.8.1 结构组 36
5.8.2 边界组 37
5.8.3 荷载组 38
5.9 施工节段的定义 38
5.9.1桥墩的施工阶段 39
5.9.2主梁施工阶段 41
5.10 运行分析 43
5.10.1 自重荷载作用下的分析计算 43
5.10.2 二期恒载作用下的分析 46
5.10.3 移动荷载作用分析 50
5.11 建模过程中发现的问题 53
第六章 上部结构分析计算 54
6.1 计算数据 54
6.2 荷载参数 54
6.3 其他计算主要参数 54
6.3.1材料设计参数 54
6.3.2计算模型截面参数 55
6.4 恒载状态平面计算内力及应力 55
6.5 应力验算 55
6.6 结构刚度检算 56
6.7整体稳定性验算 56
6.8局部稳定性验算 57
6.9 支座反力及支座检算 58
第七章 梯道梁 59
7.1 梯道梁模型的建立 59
7.1.1 梯道节点图 59
7.1.2 梯道单元图: 60
7.1.3 梯道模型图: 60
7.2 运行分析 61
7.2.1 运行结果 61
7.2.2 梯道应力表 61
7.2.3 自重下的变形图 66
7.2.4 二期荷载下变形图 67
7.2.5 移动荷载(全部)下变形图 67
7.3 梯道计算 68
7.3.1 永久荷载 68
7.3.2材料设计参数 68
7.3.3荷载组合 68
7.3.4 计算 68
第八章 下部结构验算 69
8.1 基本数据 69
8.2 主墩截面验算 69
8.2.1承载能力极限状态验算 69
8.2.2正常使用极限状态验算 70
8.2.3 墩柱抗压承载能力验算 70
8.3 桩基础验算 71
第九章 对桥梁方案的进一步研究 74
9.1 减震方案研究 74
9.2 防滑方案的研究 74
9.3 防锈方案的研究 74
第十章 结论 76
致谢 78
参考文献 79
第一章 绪论
1.1人行天桥的现状
近年来,随着城市人口的增多及车辆的迅速发展,城市车辆总数呈直线增长,与此同时交通问题已成为城市的一大焦点。道路上车和人的矛盾也在急剧恶化,虽然我国政府协同各城市的交通部门不遗余力地整顿市区交通,根据城市的特点,政府出台相关政策、制定法律法规。通过充分利用原有道路设施,对车辆和人群进行流向限制的交通治理。但近年来发现,这种方法已经不能有效地缓解城市发展所带来的交通问题了。
朝拓展车辆道路和人群流通渠道方向进行才是新标向,才能有效解决问题。人行天桥的出现不仅给人们生活带来了便利,保障了人们的出行安全,也解决了交通堵塞,人车相争的局面,同时也给城市、政府的形象带来很大的提升。所以,修建人行天桥是很有必要的。
我国的人行天桥刚开始阶段多为钢筋混凝土结构,保证能过、安全就行。后来,随着科学技术的发展,不同类别的人行天桥如春笋般涌现。近现代,人行天桥不仅仅是为了满足人们的出行需求,同时也在行走舒适度、材料、设计外观等方面提出了要求,新的设计理念已成为现代新的建筑标杆。尤其钢结构人行天桥制造简易、施工周期短、耐热性良好、且易于维修等易于工业化生产,在现实生活中应用广泛。
1.2人行天桥的发展趋势
通过查阅资料、结合实际,我发现了现代人行天桥的发展建设有以下趋向特征:
(1)不仅仅是为了人群的流通,也已成为塑造城市景观的重要组成部分
城市景观是评估一个城市的重要因素,也是社会对城市的最基础印象、感受及体会。随着科技的发展,城市空间渐渐抛弃了传统模式,在向立体化三维模式发展。人行天桥、高架桥及立交桥等建筑成为新型城市空间不可缺少的部分。我们通过对景观的合理设计,充分布置景观要素,可以创造出新颖、独特、具有现代美的视觉效果,提高城市整体景观效益。经过工程师们精心设计的人行天桥已越来越多地成为标志性景观建筑。
(2)注重天桥的细部结构设计
天桥的细部结构是向人们传递信息的主要媒介。具体包括桥面,栏杆,台阶,扶手等部位,通过材料选择,纹理设计,尺度划分等设计,可以使天桥的特点得以体现,也传达了城市与人和谐相处的情怀。
(3)结合高技术和新结构
在科技的支持下,天桥在形式、结构和材料上的创新越来越大胆。封闭式玻
璃钢构人行天桥,钢箱人行天桥等涌现,新型天桥具有结构轻巧、造型独特、承载力高,施工周期短等优点。
(4)崇尚以人为本的理念
天桥的体现了对行人的照顾,尤其是老弱病残等群体的关照。大多人行天桥
也与绿化带有着紧密联系,让人们能舒舒服服的过桥。
1.3选题设计思想及意义
本次选题主要是让我们独立自主地设计一座人行天桥,综合利用所学的各种知识,通过结合书本内容,使我们充分掌握人行天桥的设计理念及步骤。主体内容是对一座两跨整体式钢箱梁人行天桥进行设计,利用MIDAS CIVIL软件对主梁、墩柱、梯道等进行建模分析。根据桥梁实际情况,按照规范对结构强度、稳定性、应力进行计算分析,按规范的容许指标,验算上下部结构的强度及稳定性,对基础承载力进行验算。
通过本次设计,我们要掌握MIDAS CIVIL软件并能熟练运用,绘一本完整的CAD图纸及编写一本完整的毕业设计计算书,提高我们绘制CAD的能力,为以后的工作打下基础,同时也提高了我们编写文档的能力。
1.4 桥梁的分类
现代桥梁的结构丰富多彩,形式多样,其分类也是各种各样。我对桥梁的分类主要是从桥梁的受力特点、建筑材料、适用跨度、施工条件等方面来划分的。
(1)梁式桥
梁式桥是一种在竖向荷载下无水平反力的桥梁结构。此类桥梁与跨径相同的其他桥梁结构相比,梁内产生的弯矩最大,所以一般使用抗弯能力强的材料作为建造材料。
(2)拱式桥
拱式桥的主要承重结构是拱圈和拱肋。拱式桥在竖向荷载作用下,桥墩和
桥台将承受较大的水平推力,这种水平推力将有效地抵消掉拱圈里的弯矩。所以与相同跨径的梁相比,拱的弯矩和变形将小很多。拱桥的跨越能力大,外形美观,在条件许可的情况下修建拱桥往往是合理的。
(3)刚架桥
刚架桥的主要承重结构是梁、板、立柱、墙整体结合在一起的刚架结构。受
力状态在梁桥和拱式桥之间。刚架桥能降低线路高程,以改善纵坡并能减少路堤土方量。
(4)悬索桥
近现代悬索桥大多采用由高强度钢丝成股编制的钢缆,具有充分的抗拉性
能,因此结构较轻,能以较小的建筑高度跨越其他桥梁不可比拟的跨度。另一个优点是易于运输,结构轻有利于无支架悬吊拼装。
(5)斜拉桥
斜拉桥由斜索、主梁和塔柱组成。桥梁荷载由高强度钢材制成的斜拉索传
至塔柱,再通过塔柱基础传至地基。与悬索桥相比,斜拉桥的结构刚度大,在荷载作用下变形比悬索桥小,并且抗风和抗震能力以为更好。斜拉桥是近现代最富有构思和想象力的桥梁类型,在世界上具有广泛的应用。
第二章 设计基础资料
2.1 设计背景
中山大道万寿路口,此地区的一个十字路口,作为交通枢纽,经常发生交通堵塞。路口通行人口较多,且车道旁有停车道占据路面宽度,使得路面狭窄。万寿路口前后各有一个公交站,公交车停靠时容易引起交通堵塞引发交通事故。政府部门为缓解交通压力,确保行人安全及减少安全事故发生,拟在此处建立一座两跨式钢箱梁人行天桥。该人行天桥的建造意义重大,将很大程度上影响到本地区交通的安全性及畅通性。
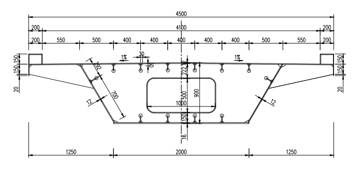
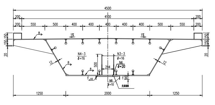
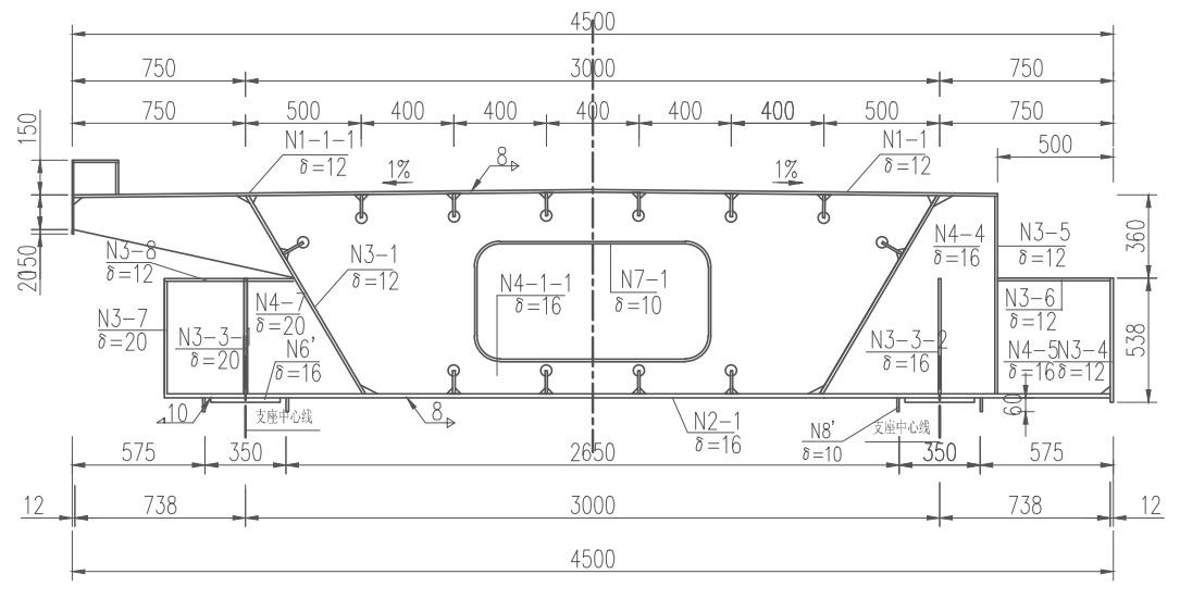
本桥主桥拟采用两跨钢箱连续梁,主桥跨径为17.8m 17.8m,总长35.6m,梁宽4.5m。两侧梯道布置为:7.35m(梯道) 2m(平台) 7.2m(梯道) 2m(平台) 7.2m(梯道),梯道宽为3.0m。
2.2地质条件
2.2.1 地形、地貌
拟建场地位于中山大道万寿路口,地势平坦,场貌地貌单元属于长江Ⅰ级冲积堆积阶地。
2.2.2 场区岩土的构成与特征
场区在勘察深度范围内赋存的地层主要为第四系全新统冲积成因的粘土层及砂性土层,其岩土特征自上而下分述如下:
①层素填土
主要为褐黄色粉质粘土或粉土,含少量碎石、砖块及植物根须,潮湿,结构松散,层厚1.0-2.0m,局部硬杂质含量较多。
②层淤泥质粉质粘土
灰褐、褐灰色,软——流塑状态,局部可塑状态,略具腥臭味,含少量云母片及有机质,具水平微层理,层厚12.1-12.3m,。承载力特征值
=90KPa,压缩模量
=4.1MPa,为高压缩性土。
③-1层粉砂、粉质土工层
粉砂为青灰色,饱和,稍密状态;粉质土为褐灰色,可塑状态,含少量云母片及有机质,偶夹薄层粉土。层厚3.4-7.0m,层顶埋深13.5-14,5m。承载力特征值
=120kPa,压缩模量
=5.0MPa,为中等偏高压缩性土。
③-2层粉细砂
主要为青灰色石英砂,饱和,中密状态,含少量云母片、长石类及暗色矿物。揭露层厚约6.0m,层顶埋深约17,0m。仅少量钻孔揭露至该层。
2.2.3 场区地下水条件
场地地下水类型有赋存于土壤中孔隙潜水,及存于砂性土层的微承压水,其补充来源主要为大气降水及排污沟中的生活污水,并与长江水系有密切的水力联系。地下水静止混合水位约0.4m,并随季节、气候及长江水位的变化面改变。
据邻近场地地下水水质资料分析,该场地地下水对混凝土不具侵蚀性。
2.2.4场区地居的地震效应
2.2.4.1地震烈度
根据国家标准《建筑抗震设计规范(GB50011-200)附录A,武汉市抗震设防烈度为6度,根据《武汉市建设工程抗震设防管理实施细则》,拟建建筑物的抗震设防烈度为6度。
2.2.4.2场地土类型和建筑场地类别
根据武汉市统计的相关土层的剪切波速资料,以结探孔所示地层为例,估算本场地地面以下15m深度范围内土层的剪切波速度加权平均值
=125m/s,结合场地覆盖层厚度
满足9m≤
≤80m的条件,本场地上划分为软弱场地上类型,建筑场地类别为Ⅱ类。
2.2.4.3地基上液化判定
以上是毕业论文大纲或资料介绍,该课题完整毕业论文、开题报告、任务书、程序设计、图纸设计等资料请添加微信获取,微信号:bysjorg。
相关图片展示:









