江苏省连云港市某商场设计(方案二)毕业论文
2020-04-21 16:57:48
摘 要
关键词:钢筋混凝土框架结构,建筑设计,结构设计
Architecture and Structure Design of Market building
Abstract
This project is about the structural design of some Market building, including architecture design and structure design. Architecture design should make the building aesthetically acceptable and adaptable to the particular site chosen. Moreover, many factors such as safety, serviceability, economical and artistic problems should be taken into consideration.
In structural design, firstly, using “PKPM” establish the three-dimensional finite element model to prove the concept design of the structure is reasonable. Then, finishing the structural design of one piece of the frames, which includes: load calculation; and vertical load; design of the section of columns and girders, etc. At last, compared with the result of three-dimensional finite element model, design the stairs and piled foundation, and finish construction drawings.
Key Words: reinforced concrete frame system; architecture design; structure design;
第一章
1.1
原始资料为:
层高:第一层:4.8m;标准层:3.9m
建筑层数:4层
总高度:20.4m
总建筑面积:823㎡
fak=270kPa。
本工程地下水埋深为10米左右,地下水对钢筋混凝土结构不具侵蚀性。
建筑场地类别:Ⅰ类;抗震等级:三级。
第二章 方案论述
2.2 结构设计说明
第三章
1.主梁:
梁的跨度主要有7800mm、6300mm和3900mm三种。
L=7800mm h=(1/8~1/12)L=975mm~650mm
L=6300mm h=(1/8~1/12)L=788mm~525mm
L=3900mm h=(1/8~1/12)L=488mm~325mm
方便施工统一取h=700mm
350mm~233mm 取b=350mm
故主要框架梁初选截面尺寸为:b×h=350mm×700mm
2.次梁:
L=7800mm h=(1/12~1/15)L=650mm~520mm
L=6300mm h=(1/12~1/15)L=525mm~420mm
L=3900mm h=(1/12~1/15)L=325mm~260mm
为方便施工统一取h=550mm
275mm~183mm 取b=250mm
中柱:
为方便统一施工故初选柱截面尺寸:600mm×600mm;
柱子的高度底层为:h1=4.8 2.1-0.5=6.4m。
4.板厚:
标准层板厚取130mm;屋面板厚取130mm。

图 3—1 计算简图
3.2 建筑设计说明
3.2.2 荷载计算
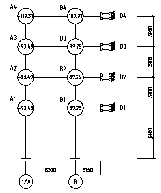
以④号轴线横向框架为计算分析对象。
- 屋面横梁竖向线荷载标准值


图 3—3 活荷载
图 3—2 恒荷载
(1)永久荷载(图 a)
屋面永久荷载标准值 | |
35mm厚架空隔热板 | 0.35×25=0.875kN/m² |
防水层 | 0.4kN/m² |
20mm厚1:2.5水泥砂浆找平层 | 0.02×20=0.4kN/m² |
120mm厚钢混凝土现浇板 | 0.12×25=3kN/m² |
12厚纸筋石灰粉平顶 | 0.012×16=0.192kN/m² |
压型钢板 | 0.13kN/m² |
屋面永久荷载标准值 4.87kN/m²
梁自重 |
|
边跨AB、CD跨 | 0.35×0.7×25=6.13kN/m |
梁侧粉刷 | 2×(0.7-0.12) ×0.02×17=0.39kN/m |
6.52kN/m
中跨BC跨 | 0.35×0.7×25=6.13kN/m |
梁侧粉刷 | 2×(0.7-0.12) ×0.02×17=0.39kN/m |
6.52kN/m
作用在顶层框架梁上的线恒荷载标准值 | |
梁自重 | g4AB1=g4CD1=6.52kN/m, g4BC1=6.52kN/m |
板传来的荷载 | g4AB2=g4CD2=4.87×2.6=12.66kN/m, g4BC2=12.66kN/m |
(2)活荷载
作用在顶层框架梁上的线活荷载标准值为 |
q4AB=q4CD=0.7×2.6=1.82kN/m |
q4BC=0.7×2.6=1.82kN/m |
- 楼面横梁竖向线荷载标准值
- 永久荷载
25mm厚水泥砂浆面层 | 0.25×20=0.50kN/m² |
120mm厚钢混凝土现浇板 | 0.12×25=3kN/m² |
12厚板底粉刷 | 0.012×16=0.192kN/m² |
压型钢板 | 0.13kN/m² |
楼面永久荷载标准值 | 3.69kN/m² |
边跨(AB,CD跨)框架梁自重 | 6.52kN/m |
中跨BC梁自重 | 6.52kN/m |
作用在楼面层框架梁上的线恒荷载标准值为 | |
梁自重 | gAB1=gCD1=6.52kN/m gBC1=6.52kN/m |
板传来的荷载 | gAB2=gCD2=gBC2=3.69×2.6=9.59kN/m |
- 活荷载
楼面活荷载 | |
qAB=qCD=3.5×2.6=9.1kN/m | |
qBC=3.5×2.6=9.1kN/m |
- 屋面框架节点集中荷载标准值
- 永久荷载
边跨纵向框架梁自重 | 0.35×0.70×7.8×25=47.775kN |
粉刷 | 2×(0.7-0.12)×0.02×7.8×17=3.07kN |
1.2m高女儿墙 | 1.2×7.8×2.36=22.09kN |
粉刷 | 1.2×2×0.02×7.8×17=6.36kN |
纵向框架梁传来屋面自重 | 4.87×7.8×3.15=119.65kN |
次梁横向框架梁自重 | 0.25×0.55×6.3×25=21.656kN |
次梁粉刷 | 2×(0.55-0.12) ×0.02×6.3×17=1.84kN |
顶层边节点集中荷载 | G4A=G4D=222.441kN |
中柱纵向框架梁自重 | 0.35×0.7×7.8×25=47.775kN |
粉刷 | 2×(0.7-0.12) ×0.02×7.8×17=3.07kN |
纵向框架梁传来屋面自重 | 4.87×7.8×6.3=239.31kN |
次梁横向框架梁自重 | 0.25×0.55×6.3×25=21.656kN |
次梁粉刷 | 1.84kN |
顶层中节点集中荷载 | G4B=G4C=313.66kN |
(2)活荷载
Q4A=Q4D=7.8×3.15×0.7=17.199kN |
Q4B=Q4C=34.398kN |

图3—2 恒载顶层集中力
4.楼面框架节点集中荷载标准值
- 永久荷载
边柱纵向框架梁自重 | 47.775kN |
粉刷 | 3.07kN |
钢窗自重 | 4×2×0.4=3.2kN |
窗下墙体自重 | (7.8-0.6)×(3.9-0.9-2)×2.36=16.992kN |
粉刷 | 2×(7.8-0.6)1×0.02×17=4.896kN |
窗边墙体自重 | 2×(7.2-4)2.36=15.104kN |
粉刷 | 2×2×3.2×0.02×17=4.352kN |
纵向框架梁传来楼面自重 | 7.8×6.3×0.5×3.692=90.712kN |
次梁纵向框架梁自重 | 21.656kN |
粉刷 | 1.84kN |
209.596kN |
中间层边节点集中荷载 | |
柱传来集中荷载 | GA=GD=186.10kN |
框架柱自重 | GA’=GD’=0.6×0.6×3.9×25=35.1kN |
中柱纵向框架梁自重 | 35.1kN |
粉刷 | 3.07kN |
纵向梁传来楼面自重 | 7.8×6.3×3.692=181.425kN |
次梁纵向框架梁自重 | 21.656kN |
粉刷 | 1.84kN |
243.501kN | |
中间层节点集中荷载 | |
柱传来 | GB=GC=220.005kN |
框架梁自重 | GB’=GC’=35.1kN |
- 活载
QA=QD=7.8×6.3×0.5×2.5=61.425kN |
QB=QC=7.8×6.3×3.5×0.5=85.99kN |
5.风荷载
已知基本风压:ω0=0.55kN/m²;
地面粗糙程度:C类;
风载体型系数μs:迎风面为0.8,背风面为-0.5;
结构高度:H=20.4mlt;30m,取风振系数βz =1.0。
表3—1 | |||||||
风荷载计算 | |||||||
层次 | Z(m) | μz | ω0(KN/m2) | A(m2) | Pi(kN) | ||
4 | 1.0 | 1.3 | 16.5 | 0.67 | 0.55 | 24.57 | 11.77 |
3 | 1.0 | 1.3 | 12.6 | 0.65 | 0.55 | 30.42 | 14.14 |
2 | 1.0 | 1.3 | 8.7 | 0.65 | 0.55 | 30.42 | 14.14 |
1 | 1.0 | 1.3 | 4.8 | 0.65 | 0.55 | 35.685 | 16.58 |
6.地震作用
- 建筑物总重力荷载代表值Gi的计算:
1gt;集中于屋盖处的质点重力荷载代表值G4
50%雪载: | 0.5×0.40×18.9×39=202.703kN |
板上荷载: | |
屋面永久荷载 | 4.87×39×18.9=3589.677kN |
梁自重: | |
横向梁 | 6.52×18.9×7=862.596kN |
纵向梁 | 50.845×16 23.887×8=1004.616kN |
柱自重: | 0.6×0.6×3.9×0.5×25×28=491.4kN |
隔墙自重: | |
横墙 | 2.36×(16×6.3×1.95 (6.3×1.95-2×2/2)2) =512.427kN |
纵墙 | (7.8×1.95-2×2/2) ×2.36×4 2.36×(7.8×1.95-2×2/2) ×8=284.805kN |
钢窗 | 22×2×2×0.5×0.4=17.6kN |
女儿墙 | 1.2×2.36×(39 18.9) ×2=327.946kN |
G4=7293.769kN | |
2gt;集中于三、四层处的质点重力荷载代表值G3~G2
50%楼面荷载 | |
0.5×(7.8×6.3×3.5×12 3.9×6.3×2×3.5 4×3.9×2.5) =1137.435kN | |
板上荷载: | |
楼面永久荷载 | 3.692×39×6.3×3=2721.373kN |
梁自重: | |
横梁 | 862.596kN |
纵梁 | 1004.616kN |
柱自重: | 491.4×2=982.8kN |
隔墙自重: | |
横墙 | 512.427×2=1024.854kN |
纵墙 | 284.805×2=569.61kN |
钢窗 | 17.6×2=35.2kN |
G3=G2=8338.484kN | |
3gt;集中于二层处的质点重力荷载标准值G1
50%楼面荷载: | 1137.435kN |
板上荷载: | |
楼面永久荷载 | 2721.373kN |
梁自重: | |
横梁 | 862.596kN |
纵梁 | 1004.616kN |
柱自重: | 982.8kN |
隔墙自重: | |
横墙 | 512.427 512.427×3.2/1.95=1353.333kN |
纵墙 | 284.805 284.805×3.2/1.95=752.177kN |
钢窗 | 17.6×2=35.2kN |
G1=8849.530kN |
(1)地震作用计算
相关图片展示:









