泰东河大桥主桥变跨度连续梁桥设计毕业论文
2020-04-20 13:50:43
摘 要
关键词:方案设计 连续梁桥 预应力 满堂支架法 FRP桥墩
Design of variable span continuous girder bridge of
Taidong river bridge
Abstract
Key Words: Design; Continuous girder bridge; Prestress; Full framing; FRP bridge pier
目 录
摘要 Ⅰ
Abstract Ⅱ
第一章 方案设计 1
1.1 跨径布置 1
1.2 顺桥向设计 2
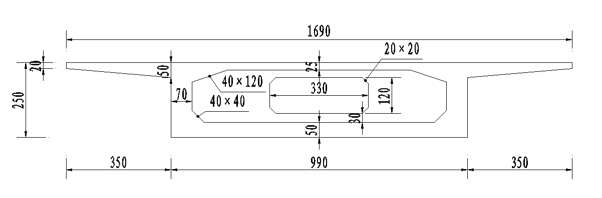
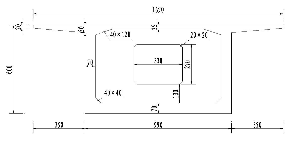
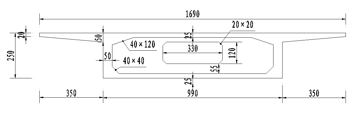
1.3 横桥向设计 3
第二章 恒载计算 7
2.1 节段划分及截面几何要素计算 7
2.2 一期恒载计算 8
2.3 二期恒载计算 8
2.4 总恒载效应 10
第三章 活载计算 12
3.1 汽车荷载 12
3.2 最大、最小弯矩计算 13
3.3 最大、最小剪力计算 15
第四章 次内力计算 18
4.1 温度次内力计算 18
4.2 支座沉降次内力计算 22
第五章 内力组合及内力包络图 23
5.1 频遇组合 23
5.2 准永久组合 24
5.3 基本组合 24
5.4 包络图 25
第六章 预应力筋的计算与布置 28
6.1 频遇组合 28
6.2 预应力筋的配置 28
6.3 钢束布置 28
第七章 净截面及换算截面几何特性计算 39
7.1 概述 39
7.2 净截面几何性质计算 39
7.3 换算截面性质计算 41
第八章 预应力损失及有效预应力计算 43
8.1 控制应力及有关参数计算 43
8.2 摩擦损失
44
8.3 锚具回缩损失
47
8.4 弹性压缩损失
51
8.5 应力松弛损失
52
8.6 收缩徐变损失
53
8.7 54
第九章 58
9.1 58
9.2 58
第十章 61
10.1 61
第十一章 63
11.1 63
11.2 63
第十二章 墩及基础设计与计算 66
12.1 支座 67
12.2 墩身设计与验算 67
12.3 承台设计 73
12.4 桩基础设计 73
第十三章 桥梁造价预算 77
13.1 工程量估算 77
13.2 工程造价预算 77
参考文献 80
致 谢 81
- 方案设计
- 跨径布置
- 标准跨径
- 跨径布置
泰东河大桥主桥全长231米本联设计采用变截面连续箱梁结构形式。为了在整体上保证桥的整体协调及美观性,跨径布置时,要和前后联协调好,通过计算调整,最终确定本联的跨径布置如下:
65.5m 100m 65.5m
标准跨径(相邻墩身轴线距离)布置图示如图 1-1。
图 1-1 标准跨径布置(单位:m)
由上图可知本联为三跨不等跨连续梁,采用整体支架施工。由参考文献[1](P69)可知,,且对称布置。该桥中选择的边跨与中跨之比为 0.655:1。
- 计算跨径
上面的跨径布置为标准跨径,计算跨径还要考虑到两边跨伸缩缝及支座尺寸的折减。为了减小伸缩缝的宽度,把固定支座放在 2#墩上,让梁体向两边伸缩。由设计任务书可知本桥的设计年平均温差为±20℃,混凝土材料的温度膨胀系数为 1.0×10-5/℃,
m则左右两边分别预留的伸缩缝宽度为:4cm,4cm;再考虑到支座尺寸的影响,计算跨径布置如下图1-2:
0.5m 65m 100m 65m 0.5m

图 1-2 计算跨径布置(单位:m)
于其长度很故计算跨径为:
- 顺桥向设计
- 纵坡设计
- 顺桥向设计
取为 1中,。
- 梁高设计
参考文献[1](P69),。
,也可按
- 梁底曲线设计
(1) :
二次线。
(1-1)
式中:;
—— 10000-120=9880cm。其中,,的水平段。
(2) :
以上是毕业论文大纲或资料介绍,该课题完整毕业论文、开题报告、任务书、程序设计、图纸设计等资料请添加微信获取,微信号:bysjorg。
相关图片展示:









