宿迁某风景区游客服务中心毕业论文
2020-04-20 13:15:42
摘 要
本工程是江苏省宿迁市某旅游区的游客服务中心设计,建筑场地长30m,宽15m,为胶合木框架剪力墙结构。共两层,第一层层高4m,二层层高5m。屋顶为坡屋顶,室内外高差为0.3m,基础采用钢筋混凝土结构。木结构建筑相比于混凝土钢结构有绿色,轻质等特点,其柔韧性优于其他材料,对周期性疲劳有较强的抵抗力,吸收和消散能量的性能好。本工程设计使用年限为50年,建筑结构的安全等级为二级,防火等级为二级。
关键词:胶合木 框架剪力墙 防火等级
Abstract
This project is designed as a visitor service center in a tourist area in suqian city, jiangsu province. The building site is 30m long and 15m wide, and it is a shear wall structure with glue-wood frame. There are two layers, the first layer is 4m high, the second layer is 5m high. The roof is slope roof, the indoor and outdoor height difference is 0.3m, the foundation adopts reinforced concrete structure. Compared with concrete and steel structures, wood structures are characterized by green and light weight, better flexibility than other materials, stronger resistance to periodic fatigue, and better ability to absorb and dissipate energy. The design service life of this project is 50 years, the safety level of the building structure is level 2, the fire level is level 2.
Key words: glulam frame shear wall, fire rating
目录
第一章 计算总体介绍 1
1.1 项目基本情况 1
1.2 本结构设计主要依据的规范(规程) 8
1.3 基本荷载 8
1.4 荷载组合 8
1.5 材料 9
1.6 计算方式 9
第二章 荷载计算 10
2.1 荷载计算 10
2.1.1 永久荷载 10
2.1.2 可变荷载 11
2.2 地震荷载 13
第三章 屋架计算 16
3.1屋架形式 16
3.2 荷载计算 16
3.3杆件内力 17
3.4构件计算 19
第四章 格栅、墙骨柱的计算 22
4.1格栅 22
4.1.1 楼盖布置和材料 22.
4.1.2荷载 23
4.1.3一般楼盖计算 23
4.2墙骨柱计算 24
4.3楼梯转角平台格栅计算 24
4.3.1 楼盖布置和材料 24
4.3.2 荷载计算 24
4.3.3构件计算 25
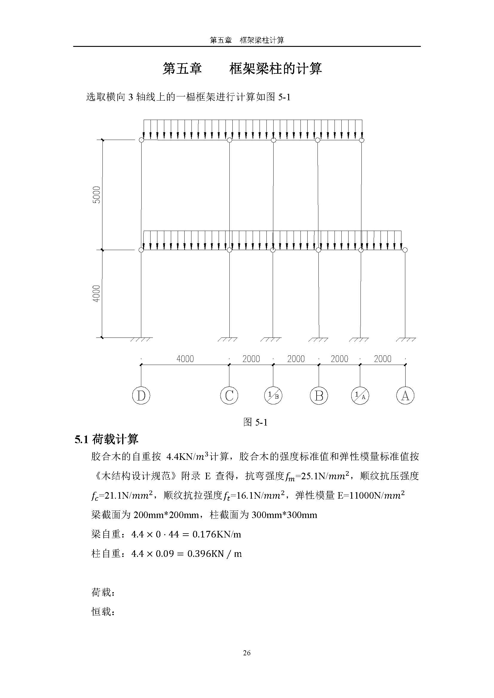
- 框架梁柱的计算 26
5.1 荷载计算 26
5.2 次梁的受弯验算 27
5.3 主梁的验算 28
5.4 柱的受压验算 39
第六章 剪力墙抗侧力验算 31
6.1 一层剪力墙验算 33
6.2二层剪力墙验算 37
第七章 连接件计算 42
7.1剪力墙与楼盖或基础抗拔紧固件验算 42
7.2墙体与楼盖和基础的钉/螺栓连接计算 43
7.3梁柱节点设计 44
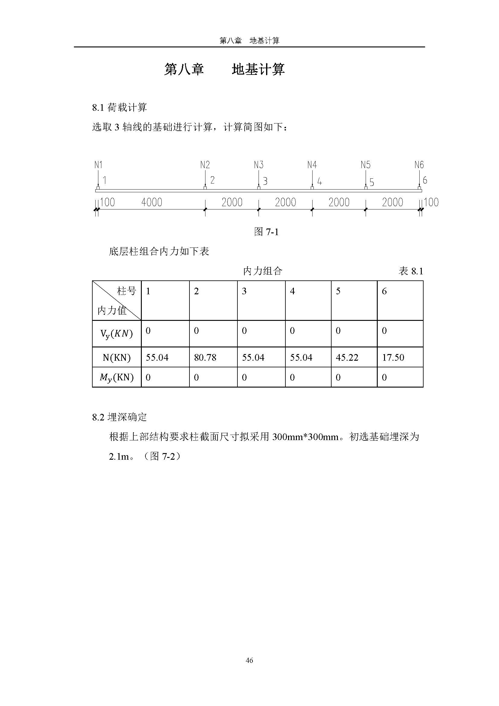
第八章 地基计算 46
8.1 荷载计算 46
8.2埋深确定 46
8.3确定地基承载力 47
8.4确定底板尺寸 47
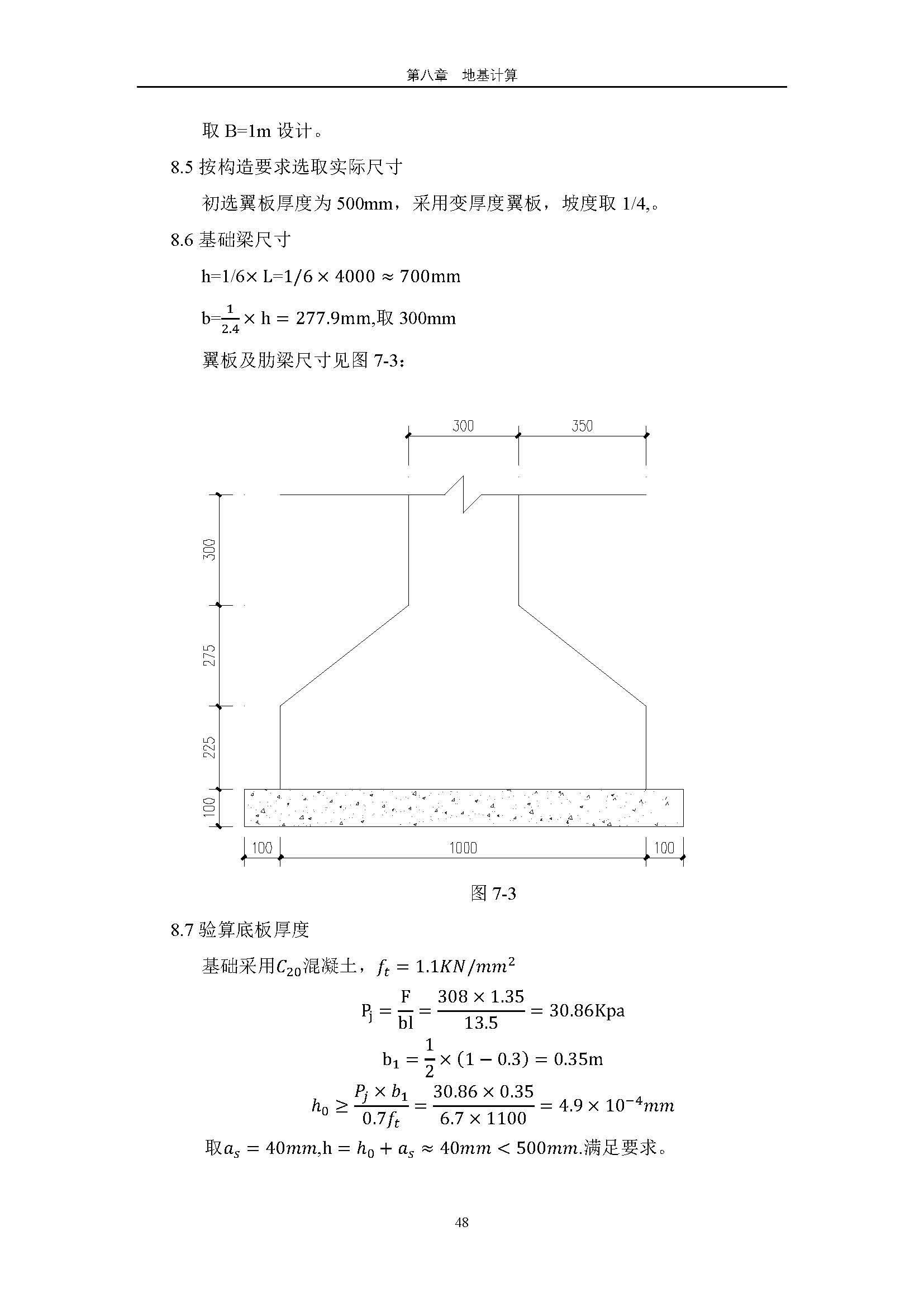
8.5按构造要求选取实际尺寸 47
8.6基础梁尺寸 47
8.7验算底板厚度 48
8.8持力层验算 49
8.9配筋计算 48
参考文献 52
致谢 55






















































致谢
以上是毕业论文大纲或资料介绍,该课题完整毕业论文、开题报告、任务书、程序设计、图纸设计等资料请添加微信获取,微信号:bysjorg。
相关图片展示:


