徐州市某现代分析测试研究院行政楼设计毕业论文
2020-04-20 13:13:58
摘 要
本工程位于徐地段,,该建筑.15m(室外至顶层)。
本设计全、经济、美观”的按照建筑设计规虑影响因素,本设了结构方案中横向震设计。在确定框架行荷载着利点位周期,进而按水震荷出在平荷内矩、着计算荷载下的内利的一。选取最筋并绘图。案中的室内平台板,梯的内力和配。对楼计采用独配筋计算。
整个,严格遵业规范的要求,关最新的国的各个学性考虑。总经设计的原则。结构方案是现据。
关键词:框架设计,荷载计算配筋
Design of Administrative Building of a Modern Analysis and Testing Institute in Xuzhou
Abstract
The pron of Xuzhou City. The loors. The total height (outdoor to top floor).
This design “practical, safe, eceautiful”. According to triously consider the variign. mainly seismic fratructural . the layout of the fraion of the representative value of the inter-layer load is carried out. Then, the self-seismic period is obtained by the fixed-point displacement method, and then the horizontal seismic load is calculated according to the bottom shear force method, and then the horizuctural internal forces (benr force, axial force). Then the structure undeant load and li most unfavorable ing combinations. Select the safest results to cd draw. In additior staircasescheme was carried out. Compleand reinforcement calculation ng of the platrd, platform beher compoloor is calculatedn independent foundation forement calculations.
In the desntire structents of relevant professional norms, nt materials and relevant latest national standards and specifications,rehensive and cific considerationr all aspectort, the application, safe of use are the principles of this design.sonable and feasible buildimportant basis for on-site c
Keywords: , , , ,
目录
摘要 2
Abstract 3
第一章 设计资料 7
1.1工程概况 7
1.2工程地质资料 7
第二章 梁、柱截面尺寸估算 8
2.1梁截面尺寸估算 8
2.2柱截面尺寸估算 8
2.3框架计算简图 8
2.3.1确定框架计算简图 8
第三章 荷载计算 10
3.1屋面横梁竖向线荷载标准值 10
3.1.1恒载 10
3.1.2活载 11
3.2楼面横梁竖向线荷载标准值 11
3.2.1恒载 11
3.2.2活载 12
3.3屋面框架节点集中荷载标准值 12
3.3.1恒载 12
3.3.2活载 13
3.4楼面框架节点集中荷载标准值 13
3.4.1恒载 13
3.4.2活载 14
3.5风荷载 14
3.6地震作用 15
3.6.1建筑物总重力荷载代表值Gi的计算 15
3.6.2地震作用计算 16
第四章 内力计算 19
4.1恒载作用下的框架内力 19
4.1.1弯矩分配系数 19
4.1.2杆间固端弯矩 21
4.1.3节点不平衡弯矩 23
4.1.4内力计算 23
4.2活载作用下的框架内力 28
4.2.1梁固端弯矩 28
4.2.2纵梁偏心引起柱端附加弯矩 28
4.2.3本工程考虑以下最不利组合 28
4.2.4各节点不平衡弯矩 29
4.2.5内力计算 30
4.3风荷载作用下的位移、内力计算 32
4.4地震作用下的横向框架的内力计算 33
4.4.1 0.5(雪 活)重力荷载作用下横向框架的内力计算 33
4.4.2地震作用下横向框架的内力计算 39
第五章 内力组合 43
第六章 框架梁、柱截面设计 48
第七章 楼梯结构设计计算 56
7.1梯段板计算 56
7.1.1荷载计算 56
7.1.2内力计算 56
7.1.3配筋计算 56
7.2休息平台板计算 57
7.2.1荷载计算 57
7.2.2内力计算 57
7.2.3配筋计算 57
7.3梯段梁TL1计算 58
7.3.1荷载计算 58
7.3.2内力计算 58
7.3.3荷载计算 58
第八章 现浇楼面板设计 60
8.1跨中最大弯矩 60
8.2求支座中点最大弯矩 61
8.3A区格 61
8.3.1求跨内最大弯矩Mx(A),My(A) 61
8.3.2求支座中点固端弯矩Mx(A),My(A) 62
8.4D区格 62
8.4.1求跨内最大弯矩Mx(A),My(A) 62
8.4.2求支座中点固端弯矩Mx(D),My(D) 63
第九章 基础设计 65
9.1荷载计算 65
9.2确定基础底面积 66
9.2.1A柱 66
9.2.2B柱 67
9.2.3抗震验算 68
9.3基础结构设计 69
9.3.1荷载设计值 69
9.3.2A柱 69
9.3.3(B-C)柱基 71
第一章 设计资料
1.1工程概况
本毕业设计“徐州市某现代分析测试研究院行政楼设计”为有实际工程应用需求的课题,,,,。约52m×22m,建4500~5000m2,为,0.3m,室m。根据勘察报告,工I1类。应,建约为50m2的门厅,;并在首层0人的会议室。
1.2工程地质资料
(1) 经勘察查明,特点和物理力学特性3层,各土层下:
①层:,主要土。场地约。
②层。该场地约。
:,。
(2) 层:本采用础位于卵石,Fak=320KPa
(3) 本为6米下水对构不具侵蚀性。
(4) 建筑场等效剪切波厚度进行分类,其效剪切公式为:


对工程料,最终确地类别为I1类。
第二章 梁、柱截面尺寸估算
2.1梁截面尺寸估算
框架梁截面高度
,截面宽度
,本结构中取:
:
、:
跨:
2.2柱截面尺寸估算
框架柱截面公式
估算。式中:×(12~14) kN/ m2×层数根据规范查出。
仅估算底层柱。本结构中,边柱和中1.8)m2 ,(6.5
4.8)m2,层数为5层;该框度为八度,建筑高此为二级抗震,其轴0.9。
C土 ,
=16.7 N/mm2
边柱
中柱
取柱截面为正方形,则分别为276mm
451mm,考虑以及,底层为m.
2.3框架计算简图
2.3.1确定
②轴行计架可筋嵌层柱的变,故轴线之二层设基础0.5 m,室-0.95 m,二层楼面柱高为4.55 m,其余面(即层高),故均框架的简图。

第三章 荷载计算
本工线横向分析对象。

3.1屋面横梁竖向线荷载标准值
3.1.1恒载
屋面恒载标准值:
0.035×25=0.875KN/m2
0.4KN/m2
0.02×20=0.4KN/m2
0.02×20=0.4KN/m2
0.012×16=0.192KN/m2
屋面恒载标准值: 4.37KN/m2
0.25×0.6×25=3.75KN/m
: 2×(0.6-0.12)×0.02×17=0.33KN/m
4.08KN/m
0.25×0.4×25=2.5KN/m
2×(0.4-0.1)×0.02×17=0.19KN/m
2.69KN/m
作用在顶线恒荷为:
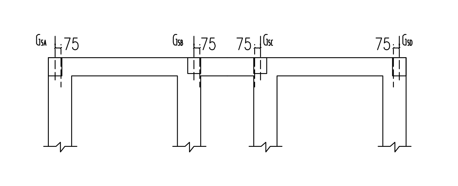
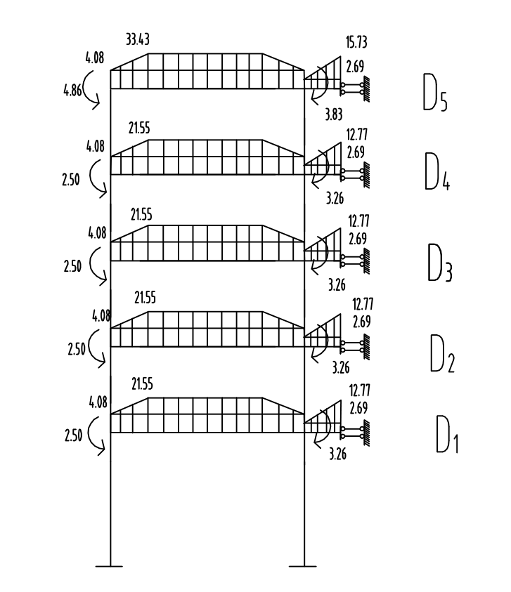
g5AB1=g5CD1=4.08KN/m,g5BC1=2.69 KN/m
板传来的荷载:
g5AB2=g5CD2=4.37×6.75=29.50KN/m
g5BC2=4.37×4.0=17.48KN/m
3.1.2活载
作用在顶层框载标准值为:
q5AB=q5CD=0.7×6.75=4.725KN/m
q5BC=0.7×4.0=2.80KN/m
3.2楼面横梁竖向线荷载标准值
3.2.1恒载
0.025×20=0.5 KN/m2
0.10×25=2.5 KN/m2
0.012×16=0.192 KN/m2
: 3.192 KN/m2
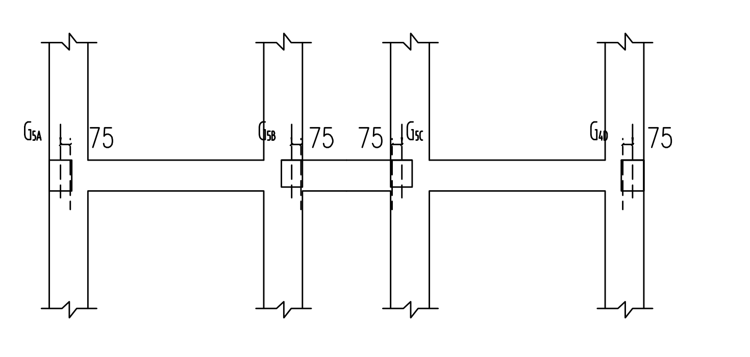
: 4.08 KN/m2
: 2.69 KN/m
作用在的线恒为:
: gAB1=gCD1=4.08 KN/m
gBC1=2.69 KN/m
板传来荷载: gAB2=gCD2=3.192×6.75=21.55 KN/m
gBC2=3.192×4.0=12.77KN/m
3.2.2活载
:
qAB=qCD=2×6.75=15.3 KN/m
qBC=2×4.0=8.0 KN/m

3.3屋面框架节点集中荷载标准值
3.3.1恒载
: 0.25×0.5×6.75×25=21.09 KN
: 2×(0.50-0.10)×0.02×6.75×17=1.84 KN
以上是毕业论文大纲或资料介绍,该课题完整毕业论文、开题报告、任务书、程序设计、图纸设计等资料请添加微信获取,微信号:bysjorg。
相关图片展示:









