扬州市某电子有限公司厂房设计毕业论文
2020-04-19 21:22:31
毕业设计计算书
第一章 工程概况
1.1工程概况:
本毕业设计题目为实际工程应用课题,为扬州市某电子有限公司厂房设计,建筑占地面积约为66m×22m ,结构形式为3跨钢筋混凝土框架结构,主体五层,建筑结构安全等级为二级,设计使用年限为50年;地基基础设计等级为丙级;建筑抗震设防类别为丙类,抗震设防烈度为7 度(基本地震加速度为 0.15 g),地震分组为第二组。
1、气象资料
(1)基本风压值=0.40
(2)基本雪压值=0.35 
2、工程地质资料
根据地质勘察报告,本工程所处地段场地类别为Ⅱ类,地表下土层分布自上而下为:
第(1)层—粉土,层厚为2.0~3.6m,
=220Kpa;
第(2)层—粉土,层厚为2.0~5.0m,
=230Kpa;
第(3)层—粉土,层厚为2.0~4.0m,
=250Kpa。
拟建场地无液化土层,地下水无侵蚀性,拟建场地属稳定场地,地质条件适宜本工程建设。
3、施工技术条件
本工程由大型建筑工程公司承建,设备齐全,技术良好。水、电供应由建设单位保证。
4、材料供应
三材及一般材料能按计划及时供应。
5、荷载取值
按《建筑结构荷载规范》GB50009-2012采用。
(1)楼面活荷载标准值6.0
,楼梯楼面活荷载标准值为3.5
。
上人屋面:活荷载标准值为2
。
(2)屋面构造:
水泥花砖20厚
1:3水泥砂浆铺贴25厚,1:2.5水泥砂浆勾缝
PVC卷材防水层
1:3水泥砂浆找平25厚
1:10水泥珍珠岩保温D=120mm
120mm钢筋混凝土现浇板
1:8白灰炉渣2%找坡最薄处30mm,平均厚度100mm
板底抹灰20mm
(3)楼面构造:
水泥楼面:10mm厚1:2水泥砂浆面层压实抹光、15mm厚1:3水泥砂浆找平层、现浇钢筋混凝土楼面板、12mm厚纸筋石灰粉平顶。
(4)围护墙:围护墙采用240mm厚混凝土空心小型砌块(重度2.83
),M5混合砂浆砌筑,双面刷粉(重度3.6
)。
1.2计算简图及荷载计算:

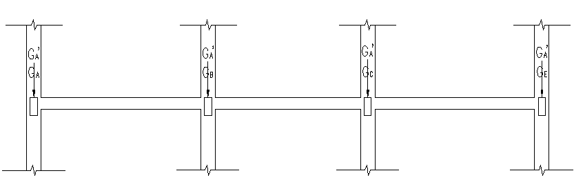
图1-1 结构布置
- 计算简图与荷载计算
2.1 确定计算简图

图2-1 计算简图
柱子高度底层为:h1=3.9 0.45 0.5=4.85m,二至五层柱高为h2~ h5=3.9m。柱节点钢结,横梁计算跨度取两柱中心线至中心的间距,三跨的计算跨度分别为:7200mm、7200mm、7200mm。
2.2 梁、柱截面尺寸
1、梁
框架梁:
∵h=(1/12~1/8)L=600mm~900mm,取750mm
b=(1/3.5~1/2)h=170mm~300mm,取300mm
∴b×h=300mm×750mm
次梁h=(1/18~1/15)L,取b
h=250mm×500mm
2、柱
边柱:

中柱:

柱采用方形截面,考虑施工方便,柱截面从底层到顶层尺寸均为650mm×650mm。
3、板厚
楼板均按单向板考虑,
,
取板厚h=120mm。
2.3 材料强度等级
混凝土均采用C30级;受力钢筋采用HRB400钢筋,箍筋采用HPB300钢筋。
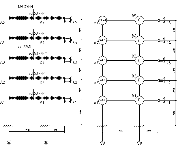
2.4 荷载计算

(a)永久荷载作用下结构计算简图;

(b)活载作用下结构计算简图
图2-2 荷载计算简图
- 屋面横梁竖向线荷载标准值
- 永久荷载(图2-2a)



- 活荷载(上人屋面活荷载标准值为2
)
由荷载传递路径知作用在顶层框架梁上的线活荷载标准值为0。
2、楼面横梁竖向线荷载标准值(同屋面)
- 屋面框架节点集中荷载标准值(图2-3)

图2-3 恒载顶层集中力
0.3×0.75×7.2×25=40.5kN
2×(0.75-0.12)×0.02×7.2×17=3.08kN
1.5×2×0.02×7.2×17=7.344kN
屋面永久荷载标准值
19.8×0.02=0.396

0.1


屋面永久荷载标准值
纵向框架传来屋面自重 

40.5kN
3.08kN
G5B=G5C=155.49kN
(2)活荷载
Q5A=Q5E=7.2×1.2×2=17.28kN
Q5B=Q5C=2×7.2×1.2×2=34.56kN
Q1=2×7.2×1.2×2=34.56kN
4、楼面框架节点集中荷载标准值(图2-4)

图2-4 恒载中间层节点集中力
(1)永久荷载
40.5kN
3.08kN
2×1.5×2.1×0.4=2.52kN
(7.2-0.6)×(3.9-0.75-2.1)×2.83=19.61kN
(6.6-3)×2.1×2.83=21.39kN
楼面永久荷载标准值
0.025×20=0.5



7.2×1.2×3.74=32.31kN
柱传来集中荷载 
40.5kN
3.08kN
2×7.2×1.2×3.74=64.63kN

以上是毕业论文大纲或资料介绍,该课题完整毕业论文、开题报告、任务书、程序设计、图纸设计等资料请添加微信获取,微信号:bysjorg。
相关图片展示:









