泰州市某科技园办公楼设计(方案三)毕业论文
2020-04-18 20:04:38

土木工程学院
毕业设计(结构部分计算书)
题 目 | 泰州市某科技园办公楼设计(方案三) |
专 业 | 土木工程 |
姓 名 | 徐振东 |
学 号 | 1801150531 |
指导教师 | 孙广俊、闻莺、刘金洪、朱张峰 |
起讫日期 | 2019.1.31 — 2019.5.30 |
2019 年 5 月 30 日







第二章 结构选型与布置

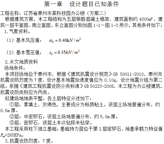
图2-1 一层平面图

图2-2 正立面图

图2-3 东立面图


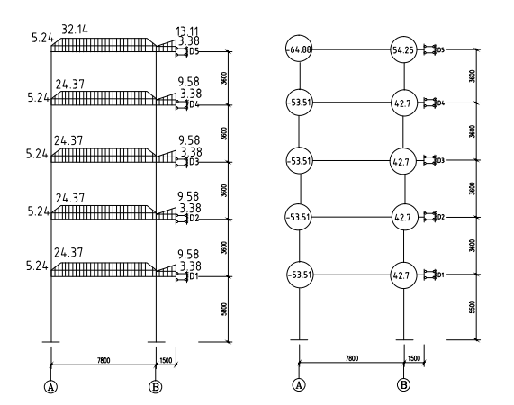
图3-1 计算简图



- (b)










算起),取风振系数
,计算过程见表3-1,风荷载如图3-5所示

图3-5 横向框架上的风荷载
风荷载计算 表3-1
层次 |
|
|
|
|
|
|
|
5 | 1.0 | 1.3 | 18.75 | 1.21 | 0.40 | 23.76 | 16.82 |
4 | 1.0 | 1.3 | 15.15 | 1.13 | 0.40 | 23.76 | 15.71 |
3 | 1.0 | 1.3 | 11.55 | 1.04 | 0.40 | 23.76 | 14.46 |
2 | 1.0 | 1.3 | 7.95 | 0.93 | 0.40 | 23.76 | 12.93 |
1 | 1.0 | 1.3 | 4.35 | 0.78 | 0.40 | 24.75 | 11.29 |



,边框架梁取
,
为框架梁按矩形截面计算的截面惯性矩。横梁,柱线刚度见表3-2,每层框架柱总的抗侧移刚度见表3-3
横梁,柱线刚度 表3-2
杆件 | 截面尺寸 |
|
|
|
|
| 相对刚度 | |
b(mm) | h (mm) | |||||||
边框架梁 | 300 | 650 | 30 | 6.87x10^9 | 10.31x10^9 | 7800 | 3.96x10^7 | 1 |
边框架梁 | 300 | 450 | 30 | 2.28x10^9 | 3.42X10^9 | 3000 | 3.42x10^7 | 0.86 |
中框架梁 | 300 | 650 | 30 | 6.87x10^9 | 13.74x10^9 | 7800 | 5.28x10^7 | 1.33 |
中框架梁 | 300 | 450 | 30 | 2.28x10^9 | 4.56x10^9 | 3000 | 4.56x10^7 | 1.15 |
底层框架柱 | 600 | 600 | 30 | 1.08×1010 | 1.08×1010 | 5500 | 5.89x10^7 | 1.49 |
中层框架柱 | 600 | 600 | 30 | 1.08×1010 | 1.08×1010 | 3600 | 9x10^7 | 2.27 |
框架柱横向侧移刚度D值 表3-3
项目 | K=∑iC/2iz(一般层)K=∑ic/iz(底层) | αc=K/(2 K)(一般层) αc=(0.5 K)/(2 K)(底层) | D=αciz(12/h2) | 根数 | |
层 | 柱类型及截面 | ||||
五层 | 边框架边柱(600×600) | 0.33 | 0.14 | 9.51 | 4 |
边框架中柱(600×600) | 0.60 | 0.23 | 15.21 | 4 | |
中框架边柱(600×600) | 0.45 | 0.18 | 12.06 | 11 | |
中框架中柱(600×600) | 0.80 | 0.28 | 18.82 | 11 | |
二至四层 | 边框架边柱(600×600) | 0.33 | 0.14 | 9.51 | 4 |
边框架中柱(600×600) | 0.60 | 0.23 | 15.21 | 4 | |
中框架边柱(600×600) | 0.45 | 0.18 | 12.06 | 12 | |
中框架中柱(600×600) | 0.80 | 0.28 | 18.82 | 12 | |
底 层 | 边框架边柱(600×600) | 0.50 | 0.40 | 8.1 | 4 |
边框架中柱(600×600) | 0.90 | 0.48 | 9.12 | 4 | |
中框架边柱(600×600) | 0.67 | 0.43 | 8.35 | 12 | |
中框架中柱(600×600) | 1.20 | 0.53 | 10.88 | 12 | |
底层: ∑D=4×(8.1 9.12) 12×(8.35 10.88)=302.36kN/mm
二至四层:∑D=4×(9.51 15.21) 12×(12.06 18.82)=469.44kN/mm
五层: ∑D=4×(9.51 15.21) 11×(12.06 18.82)=438.56kN/mm
- 框架自振周期的计算
框架顶点假想水平位移Δ计算表 表3-4 | |||||
层 |
|
|
|
| 总位移Δ(mm) |
5 | 7468.56 | 7468.56 | 438.56 | 17.05 | 315.69 |
4 | 8728.42 | 16196.98 | 469.44 | 34.53 | 298.64 |
3 | 8728.42 | 24925.4 | 469.44 | 53.14 | 264.11 |
2 | 8728.42 | 32976.82 | 469.44 | 70.31 | 210.97 |
1 | 9503.91 | 42480.73 | 302.36 | 140.66 | 140.66 |
层 |
|
|
|
|
|
5 | 19.9 | 7468.56 | 149360.6 | 936.9 | 936.9 |
4 | 16.3 | 8728.42 | 142266.4 | 624.1 | 1561 |
3 | 12.7 | 8728.42 | 110845.6 | 554.8 | 2115.8 |
2 | 9.1 | 8728.42 | 79424.8 | 434.5 | 2550.3 |
1 | 5.5 | 9503.91 | 52266.5 | 361.6 | 2911.9 |



以上是毕业论文大纲或资料介绍,该课题完整毕业论文、开题报告、任务书、程序设计、图纸设计等资料请添加微信获取,微信号:bysjorg。
相关图片展示:






























