二环线某钢结构人行天桥设计及结构验算毕业论文
2020-04-12 08:43:56
摘 要
随着我国经济的迅速发展,汽车数量在最近几年里迅速增长,结果导致城市中许多道路交汇处易发生拥堵。作为目前能够有效解决道路拥堵问题的人行天桥是城市道路系统中的重要组成部分,人行天桥不仅可以使人车分流、方便行人过街与建筑物联系,还能够有效地减少车流和人流的互相干扰,所以能够十分有效地改善路口的交通拥堵情况。
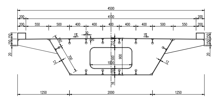
本次设计为二环线某钢结构人行天桥,拟采用17.8m 17.8m=35.6m的两跨结构,为简支等截面钢箱连续梁桥,梁高0.9m,梁宽4.5m,主梁采用工厂预制,现场直接吊装的施工方法。
本文主要对二环线某钢结构的人行天桥主梁、梯道梁、墩柱、桩基等各结构进行设计和计算,并利用Midas建立模型进行验算。
关键词:人行天桥;简支梁桥;钢箱梁
Abstract
With the rapid development of China's economy, the number of cars has increased sharply in recent years. Resulting in the traffic jam of many roads in the city. As a effective method to solve the problem in recent years, the pedestrian bridge is very important in urban road system. Pedestrian bridge not only can separate the people from the cars so that people can across the street conveniently and contact with buildings but also can effectively reduce the mutual interference of traffic flow and people. So it can be very effective to improve the intersection traffic congestion.
The design is a steel structure pedestrian bridge in the second ring.The bridge is proposed two span structure which is 17.8 m 17.8 m = 35.6 m,.Cross section is simply supported steel box girder bridge in a row, The hight of beam is 0.9 m,the breadth of beam is 4.5 m.The girder use the method of factory prefabrication and hoist construction directly.
The structure of steel structure footbridge girder, ladder beam, pier column and pile foundation were designed and calculated in the thesis and Midas is used to establish a model for checking calculation.
Key Words:Pedestrian overpass; Simply supported bridge; Steel box girder
目 录
第1章 绪论 1
1.1人行天桥的发展现状 1
1.2选题设计思想及意义 1
第2章 设计基础资料 2
2.1设计背景 2
2.2地质条件 2
第3章,桥型方案比选 4
3.1比选原则 4
3.2 设计方案 4
3.3方案比选 4
3.4方案选定 5
第4章 桥跨结构布置 8
4.1方案拟定 8
4.2技术指标与设计规范 8
4.3 技术指标 8
4.4主要材料 8
4.4.1 混凝土 8
4.4.2钢材 9
4.4.3其他材料 9
4.4.4焊接 9
4.5结构尺寸 9
4.5.1 本次人行天桥设计跨径的布置 9
4.5.2梁高的尺寸确定 9
4.5.3截面类型的选择和确定 9
4.5.4梁截面细部尺寸的选择 9
4.5.5梁截面 10
4.5.6 施工方法 11
第5章 Midas建模过程及内力计算 12
5.1建模过程 12
5.1.1定义截面 12
5.1.2定义材料 17
5.1.3建立结构三维模型 18
5.1.4定义时间依存材料 20
5.1.5添加静力荷载 21
5.1.6添加移动荷载 24
5.1.7定义边界条件 26
5.1.8定义组 26
5.19 定义施工阶段 29
5.2建模过程中遇到的问题 31
5.3分析过程 31
5.3.1 一期自重、二期恒载作用下的效应计算 31
5.3.2 移动荷载效应分析 39
第6章、主梁截面计算 49
6.1计算数据 49
6.2 荷载参数 49
6.3 其他计算主要参数 49
6.3.1材料设计参数 49
6.3.2 计算模型截面参数 49
6.4恒载状态平面计算内力及应力 50
6.5 运营阶段平面计算应力及检算 50
6.6 结构刚度检算 51
6.7整体稳定性验算 51
6.8局部稳定性验算 51
6.9支座反力及支座检算 51
6.10天桥上部结构竖向自震频率 52
第7章 梯道梁计算 53
7.1设计荷载及材料计算参数 53
7.1.1永久荷载 53
7.1.2 材料设计参数 53
7.2 荷载组合 53
7.3人行梯道模型及应力 53
7.3.1人行梯道模型 53
7.3.2 人行梯道应力 54
第8章 下部结构验算 57
8.1 概述 57
8.2 主墩截面验算 57
8.2.1承载能力极限状态验算 57
8.2.2 正常使用极限状态验算 58
8.2.3墩身抗压承载能力验算 58
8.3 桩基础验算 59
参考文献 61
致谢 63
第1章 绪论
1.1 人行天桥的发展概况
人行天桥(又称为人行立交桥)作为目前城市道路路线中的重要组成部分,不仅可以使人车分流、方便行人过街与建筑物联系,还能够有效地减少车流和人流的互相干扰,所以能够十分有效地改善路口的交通拥堵情况。
在我国,人行天桥始于二十世纪七八十年代,其在刚开始时基本为钢筋混凝土梁柱结构来满足行人过街的需要。后来,随着我国基础设施的不断完善以及交通事业的发展,各式各样的人行天桥也随之出现。时至今日,人行天桥的建造不单单只是满足人们的出行需求,同时也在造型外观上提出了需求,富有形式变化感的人行天桥逐渐成为新的设计理念。其中,钢结构的人行天桥凭借其密闭性好,耐热性良好以及便于工业化生产,施工安装周期短,制造简便的特性在如今的实际应用中较为广泛。
1.2 选题设计思想及意义
综合运用各种知识,熟悉桥梁设计步骤,对一座两跨整体式钢箱梁型人行天桥进行结构设计,对主梁、梯道梁、墩柱、桩基等主要构造进行设计、计算及验算。采用Midas软件建立简化计算模型。按照桥梁的实际施工步骤和施工方案对施工阶段进行划分,依照相应的规范对荷载效应来进行组合,对其结构强度、刚度、动力特性、局部应力进行分析,根据规范中所规定的各项容许指标,验算上、下部结构的强度与稳定性,验算基础的承载力。学会电算与手算相结合,掌握常用的Midas软件并能熟练应用。同时在进行设计的过程中对大学四年所学的知识进行一次再学习,为今后的工作学习做准备。
第2章 设计基础资料
2.1设计背景
随着我国经济的迅速发展,汽车数量在最近几年里迅速增长,结果导致城市中许多道路交汇处易发生拥堵。为了解决这一系列的问题,政府拟在此地某二环路建设一座人行天桥以缓和交通压力,减少车流和人流的互相干扰,改善路口的交通拥堵情况,保证行人安全的穿越以及减少交通事故的产生,该人行天桥设置与设计的正确或否将直接影响到整个城市交通的安全性和畅通性。
本次设计为二环线某钢结构人行天桥,拟采用
的两跨结构,为简支等截面钢箱连续梁桥,梁高
,梁宽
,主梁采用工厂预制,现场直接吊装的施工方法。
对二环线某钢结构的人行天桥主梁、梯道梁、墩柱、桩基等各结构进行设计和计算,并利用Midas建立模型进行验算。
2.2地质条件
按照勘探孔揭露,场地
在钻探深度范围内按地层成因、岩性及
性质可划分为3大层13个亚层:填土层;第四系全新统冲洪积粉砂、圆砾、粉质黏土、粘土层;
①层素填土,土质不均,均布分布,
,结构较松散,为不良地基土层,不适合直接作为拟建道路、桥梁基础持力层。
②-1
,工程性能一般,
,
。
②-2 粉质黏土夹薄层粉土,
,属中偏高等压缩性土层,局部分布,不适合作为拟建道路、桥梁基础持力层。
②-3 淤泥质粉质黏土夹粉质黏土、粉土、粉砂,
,
,易使路基产生不均匀沉降,不适合作为拟建道路、桥梁基础持力层使用。
②-4 粉细砂,局部为中砂及粗砂,属中等压缩性土层,全场分布,不适合作为拟建道路及桥梁基础持力层使用。
②-5 圆砾,呈稍密状态,
,工程性能一般,全场分布,可作为拟建道路及挡土墙持力层使用。
②-6 圆砾,
可作为桥梁基础持力层使用。
②-6a 粉砂,以粉砂为主,局部为细砂、中砂及粗砂,呈透镜状分布,不宜作为拟建桥梁基础持力层使用。
②-6b 粉砂,局部半胶结坚硬状态,
,呈透镜状分布,不适合作为拟建桥梁基础持力层使用。
②-6c 粉质黏土,呈可~硬塑状态,
,呈透镜状分布,不适合作为拟建桥梁基础持力层使用。
以上是毕业论文大纲或资料介绍,该课题完整毕业论文、开题报告、任务书、程序设计、图纸设计等资料请添加微信获取,微信号:bysjorg。
相关图片展示:









