南京悦博电动汽车1#厂房毕业论文
2020-07-06 18:32:20
2018 届毕业设计(论文)
题 目:南京悦博电动汽车1#厂房
专 业: 土木工程
班 级: 土木1402
姓 名: 周杰
指导老师: 杜咏 关戈宁
起讫日期:2018.03-2018.06
2018年 06 月


目 录

2.建筑设计 8
2.1建筑平面形式的选择 8
1.柱网的布置 8
2.定位轴线的划分 8
2.2厂房剖面设计 8
1. 厂房高度的确定 8
2. 室内外高差的确定 8
3. 厂房屋面排水设计 8
2.3厂房的构造设计 8
1. 散水构造 8
3.结构设计 9
3.1方案选择 9
1. 材料选择 9
2. 柱网布置 9
3. 屋面布置 9
4. 柱间支撑布置 9
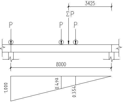
3.2檩条设计 10
1. 荷载设计 10
2.截面选择及截面特性 11
3.受压板件的稳定性系数 11
4.强度计算 13
5.稳定性验算 14
6.挠度验算 14
7. 构造要求 14
3.3抗风柱设计 15
1. 荷载计算 15
2. 内力分析 15
3. 截面选择 15
4. 强度验算 15
5. 稳定性验算 15
6.挠度验算 16
3.4墙梁设计 16
1. 荷载计算 17
2. 内力计算 17
3. 截面选型及验算 18
4. 强度验算 20
5. 稳定性验算 21
7.拉条强度验算 21
3.5支撑构件设计 22
1. 屋面横向水平支撑 22
2.柱间支撑 22
3.6吊车梁设计 22
1. 荷载计算 22
2.内力计算 23
3.截面选择 25
4.强度验算 27
5.稳定性验算 28
6.支座加劲肋的验算 31
7.焊缝计算 31
3.7刚架设计 32
1. 荷载计算 32
2.内力计算 35
3.构件验算 52
3.8基础设计 57
1.基础埋深 57
2.确定基础上部荷载 57
3.确定基础底面积 57
4.基础冲切验算 59
5.基础截面配筋计算 60
工程量清单.................................................................................................................65
参考文献.....................................................................................................................................66
致谢.............................................................................................................................67
1、设计资料
1.1工程概况
本工程位于南京市溧水经济技术开发区 17号路以东。本工程为防火类别丙
类厂房,主要功能是电动汽车发动机总成装配车间。结构类型为三跨单层钢结构
门式刚架体系。结构设计基本条件为:长度 64米,总宽度72米,横向3×24米跨。门式刚架檐口高度8米,室内外高差0.15米,每跨设置2台Gn=5T,Lk=22.5m电动单梁吊车。其中东侧第一柱距设置夹层,层高4米。
本工程按7度设防,设计地震加速度值0.10g,设计地震分组第一组,建筑场地类别为Ⅱ类,特征周期值为0.35s。
1.2工程地质资料
场地土类别为II类,特征周期为 0.4s。建筑场地天然地面绝对高程为吴淞高程 10 m。
本次58个钻孔(的勘察表明,在21.0米的控制深度内,场地地基土可
分为四层,具体描述如下:
第①层填土:结构松散,土质不均匀,高压缩性,工程性质差,不应利用;
第②层粘土:硬可塑状,局部硬塑状,强度中等偏高,中等压缩性,地基
土承载力特征值fak=200~210KPa,压缩模量Es经验值为8.5MPa;
第③层粘土:硬塑状,强度高,中等偏低压缩性,土质均匀,地基土承载
力特征值fak=245~255KPa,压缩模量Es经验值为10.0 MPa;
第④层强风化泥质粉砂岩:强度高,低压缩性,地基土承载力特征值fak=350KPa,压缩模量Es经验值为18.0MPa。
建议拟建1#主车间采用天然地基浅基础(独立基础),钢柱脚采用外露式,
选择第②层硬可塑状粘土与第③层硬塑状粘土为基础持力层,设计时应对不均匀
沉降予以重视。
1.3施工技术条件
钢筋混凝土基础:商品混凝土 C25强度等级或以上。
钢结构:钢柱、钢梁、吊车梁采用Q345B材质;柱间支撑采用Q235B材质。屋盖系统檩条、支撑,墙架系统墙梁、抗风柱等采用Q235B材质。
2.建筑设计
2.1建筑平面形式的选择
充分考虑到生产流程、建筑和结构的简单合理性,平面形式采用矩形。本厂房采用三跨结构。
1.柱网的布置
本厂房采用轻型门式钢架结构。柱距选择8.0m。
对于跨度的选择,根据《厂房建筑模数协调标准》(GB/T 5006)的要求,本厂房跨度大于18m,应按3m模数增长;跨度选择为24m。
2.定位轴线的划分
本厂房设计中,纵向定位轴线由上向下依次定为A、B、C、D;横向定位轴线从左向右依次定为1、2、3、4、5、……、9。
- 横向定位轴线。中间柱的截面中心线与横向定位轴线重合,厂房的纵向结构构件如屋面板、吊车梁、连系梁的标志长度皆以横向定位轴线为界。
- 纵向定位轴线。对于抗风柱的设置考虑到跨度为24m,柱距为8m,尽量使抗风柱间距与柱距相近,所以按间距为8m设置抗风柱。

2.2厂房剖面设计
- 厂房高度的确定
吊车拟采用5t电动单梁吊车。根据设计资料,本厂房采用的轨顶标高为8m,查阅相关规范可知吊车梁高度可取450mm,故牛腿标高为 8-0.14-0.45=7.41m;
- 室内外高差的确定
考虑到运输工具进出厂房的便利及防止雨水侵入室内,取厂房室内外高差为150mm。
- 厂房屋面排水设计
本厂房采用有组织排水,厂房屋面排水坡度取1/20,天沟纵向坡度取0.5%。
相关图片展示:









