南京某政府部门综合办公楼设计(方案一)毕业论文
2020-06-06 09:55:06
摘 要
本工程为某政府部门综合办公楼设计,该楼为四层,总高16米,总建筑面积为3856m2。本设计依据设计要求和原始资料,运用钢筋混凝土、结构力学基本原理及土力学和对材料性质的深刻了解,遵守设计规则,保证建筑结构合理,所有材料的质量和强度合格,工艺良好。
本建筑设计分为三部分:建筑设计、结构设计、基础设计。
建筑设计采取积极措施来增强建筑物的外表强度和坚固性,给人以心理上的安全感。另外,还要有艺术的美感,要有时代气息。
结构体系是钢筋混凝土框架结构,用砌块做填充墙。结构设计是使结构物得到足够的强度、刚度和韧性的过程。结构体系选择后,进行荷载分析和强度分析,同时考虑与建筑经济学的关系,把材料制做安装所需成本、所用时间,以及结构使用期间的维修联系起来。
关键词: 办公楼 ; 建筑 ; 结构
This is a building project located, There are four storys in the building.The general height is 16.000m and building area is 3856 square meters.The design is based on the design requirements, original information, application of mechanics RC, basic principles of structural mechanic, soil mechanics and well knowing material quality, obeying rules of design, ensuring the structures of architecture reasonable, and the quality and intensity of all materials are qualified, and the techniques are the same.
This architecture design is divided into three parts: architecture design, structural design,foundation design.
Architecture design will adopt available measures to increase constructions’ surface intensity and firmness. It will also give people safe felling on psychological. On the other hand it should be combined with art and the time at present.
Structural design is a process of making construction structures get enough intensity, stiffness and toughness. After structural system is chosen, carrying out the analysis of load and intensity, at mean time taking into account the associated relation with building economics, combining the time and cost of materials fabricating and fixing, and the maintenance of structure during operation and use period.
Key Words: architecture; structure
目 录
第一章 结构选型与布置 1
1.1设计例题已知条件 1
第二章 确定计算简图 3
2.1设计例题 3
2.1确定计算简图 4
2.2梁、柱截面尺寸 5
2.3材料强度等级 5
2.4荷载计算 6
第三章 框架内力计算 13
3.1计算方法 13
3.1.1竖向荷载作用下框架内力计算 14
3.1.2框架活荷载不利布置 16
3.1.3水平荷载作用下框架内力计算 17
3.2例题计算 18
3.2.1恒载作用下的框架内力 18
3.2.2活载作用下的框架内力 20
3.2.3风荷载作用下的位移、内力计算 25
3.2.4地震作用下横向框架的内力计算 29
第四章 框架内力组合 41
4.1荷载组合 41
4.2弯矩调幅 42
4.3例题计算 42
第五章 框架梁柱截面设计 48
5.1理论基础 48
5.2例题计算 49
第六章 楼梯结构计算设计 61
6.2例题设计 61
6.2.1梯段板计算 61
6.2.2休息平台板计算 62
6.2.3梯段梁TL1计算 63
第七章 现浇楼面板设计 64
7.2跨中最大弯矩 64
7.2.1跨中最大弯矩 65
7.2.2求支座中点最大弯矩 66
7.2.3 A区格 68
7.2.4 E区格 69
第八章 基础设计 70
8.1 柱下独立基础设计 70
8.1.1按持力层强度初步确定基础底面尺寸 70
8.1.2抗震承载力验算 71
8.1.3地基软卧层强度验算 72
8.1.4地基变形验算 73
8.2基础设计例题 74
8.2.1荷载计算 74
8.2.2确定基础底面积 76
8.2.3地基变形验算 77
8.2.4基础结构设计(混凝土选用C20) 80
第九章 软件分析结果与手算结果比较 81
第一章 结构选型与布置
1.1设计例题已知条件
1、工程概况
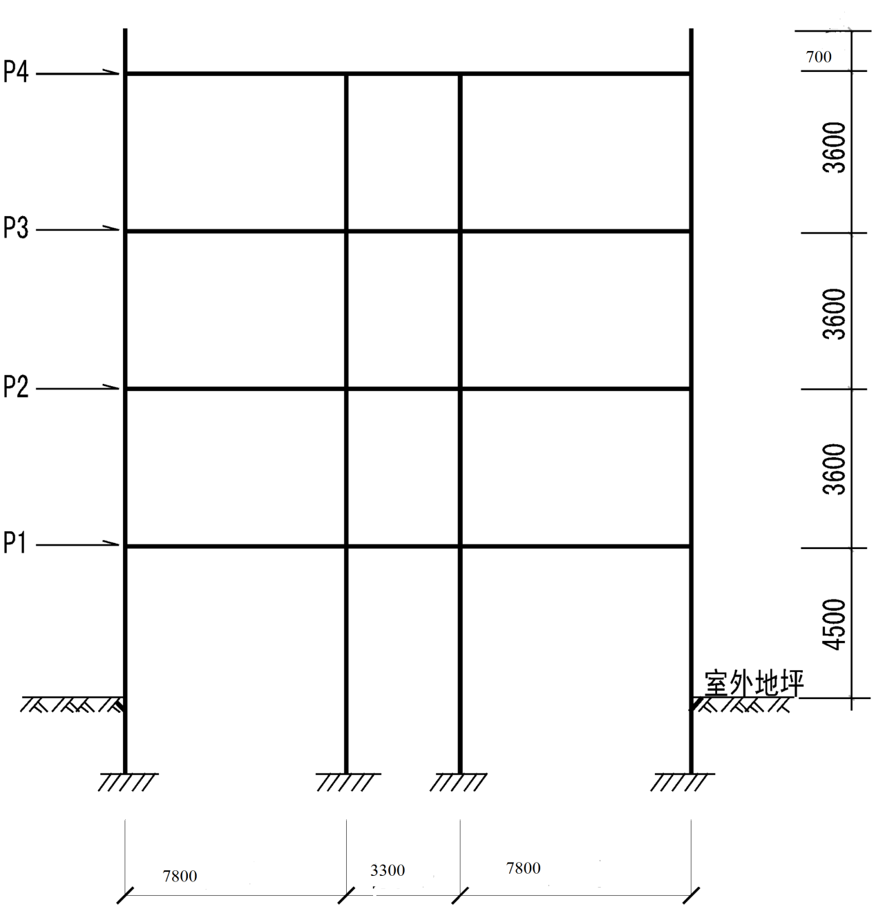
本毕业设计题目“南京某政府部门综合办公楼设计(方案一)”为实际工程应用课题。本工程位于江苏省南京市,为政府办公楼。实际工程的建筑层数为4层,建筑场地平面长宽约52m×20m,底层层高4.5m,其它层3.6m。结构形式为3跨框架结构。建筑结构安全等级为二级,设计使用年限为50年;建筑场地类别为Ⅲ类,地基基础设计等级为丙级;抗震设防烈度为7度(基本地震加速度为 0.15 g),设计地震分组为第一组。
2、工程地质资料
(1)经勘察查明,根据地层的沉积特点和物理力学特性自上而下共可划分为3层,各土层描述如下:
①层:素填土,灰褐色,主要成分为粉质粘土。该层土场地普遍分布。
②层:粉质粘土,褐色、褐黄色。该层土场地普遍分布。
③层: 粉质粘土,棕黄色,坚硬。该层土本次钻探未钻穿。
(2)基础型式及持力层:本工程采用柱下独立基础;基础持力层位于第2层粉质粘土,地基承载力特征值 Fak=220KPa
(3)本工程地下水埋深为10米左右,地下水对钢筋混凝土结构不具侵蚀性。
(4)建筑场地类别:Ⅲ类。
3、气象
(1)基本风压值: W0 = 0.40 kN/m2
(2)基本雪压值: S0 = 0.65 kN/m2
4设计内容及要求
A.建筑设计部分
(1)建筑方案设计与初步设计:根据使用功能及条件,确定建筑方案,进行初步设计,绘出平、立、剖面草图,经指导老师修改后进行下一步设计。
(2)建筑施工图设计:在初步设计基础上,绘制建筑施工图。设计深度应满足施工、安装及预算要求,图面应详尽表现建筑物的各有关部分。
a.总平面图:比例1∶500-2000,标注内容、尺寸见建筑设计指导书。
b.平面图:比例尺1∶1-200,底层平面图,标准层平面图。标注内容、尺寸见建筑设计指导书。
c.剖面图:比例尺1∶100-200,剖切一处具有代表性的部分,绘制剖面图。标注内容、尺寸见建筑设计指导书。
d.立面图:比例1∶100-200,绘正立面、侧立面。标注内容、尺寸见建筑设计指导书。
e.建筑构造详图:比例1∶10-50,绘制两处节点的详图,如门、窗、楼梯、阳台、卫生间、檐口等。
f.门窗明细表,建筑用料说明表,总说明。
(3)写建筑设计说明书
说明书应包括:工程概况及设计依据;总平面设计;平面设计;交通部分及防火设计;立面设计;剖面设计;构造设计。
(4)图纸要求
图纸数量:2号图纸5-6张铅笔绘制或计算机绘制,至少绘1张铅笔图。图纸要求:各图均按《房屋建筑制图统一标准》GB/T 50001-2010规定绘制,要求图面布局均匀,线型分明,字迹工整,要求所用图纸上的字体用仿宋体书写。
B.结构设计部分
(1)确定上部结构方案,进行结构布置;确定各构件定位尺寸;绘制结构布置草图,为结构计算提供依据。
(2)基础方案:分析地基条件,确定基础形式;进行基础平面布置,确定基础埋深。
(3)结构计算:验算在地震荷载作用下,结构的层间位移;计算一榀横向或纵向框架的内力,并进行内力组合;进行框架柱的配筋计算;对楼梯和基础进行内力计算及配筋;利用计算机对框架进行内力计算及配筋,并对计算结果进行分析。
(4)绘制结构施工图:内容包括结构平面布置图、计算单元配筋图、基础平面布置图及配筋图、楼梯结构配筋图、结构设计总说明。图纸要求:1号或2号图纸5~6张,其中至少有一张手绘图,各图均按《建筑结构制图统一标准》GB/T50105-2010绘制。
(5) 结构说明书和计算书:内容应包括:
a.结构设计提纲,包括工程概况、设计依据、结构计算任务、荷载取值、地基基础及其它;
b.选用结构方案的理由和设计依据。
- 确定计算简图

2.1确定计算简图
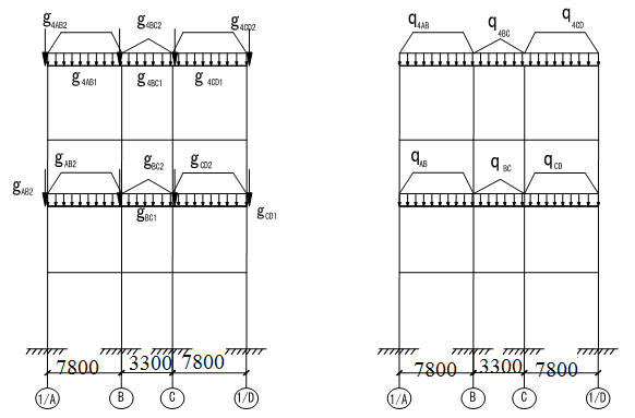
本工程横向框架计算单元取图1-8中斜线部分所示范围,框架的计算简图假定底层柱下端固定于基础,按工程地质资料提供的数据,查《抗震规范》可判断该场地为Ⅱ类场地土,地质条件较好,初步确定本工程基础采用柱下独立基础,挖去所有杂填土,基础置于第二层粉质粘土层上,基底标高为设计相对标高–2.10 m(图8-5)。柱子的高度底层为:h1 = 4.5 2.1–0.5 = 6.1m(初步假设基础高度0.5 m),二~四层柱高为h2~h4 = 3.6m。柱节点刚接,横梁的计算跨度取柱中心至中心间距离,三跨分别为:l = 7800、3300、7800。计算简图见图2-8。

2.2梁 柱截面尺寸
- 框架柱:所有框架柱尺寸均为500mm×500mm
- 梁:横向框架梁AB跨、CD跨:250mm×800mm,BC跨:250mm×400mm。
纵向连系梁:250mm×500mm
2.3材料强度等级
混凝土:均采用C30级
钢筋直径≥12 mm的采用HRB335钢筋,其余采用HPB235钢筋。
2.4荷载计算
本例题以⑧轴线横向框架为计算分析对象。

(1)永久荷载
屋面永久荷载标准值
35mm厚架空隔热板 0.035×25=0.875kN/m2
防水层 0.4kN/m2
20mm厚1:2.5水泥砂浆找平层 0.02×20=0.4kN/m2
120mm厚钢混凝土现浇板 0.12×25=3kN/m2
相关图片展示:









