徐州某大学综合办公楼设计毕业论文
2020-06-06 09:54:38
目录
第一章 结构选型与布置 1
1.1 题目 1
第二章 荷载计算 5
2.1确定计算简图 5
2.2 梁、柱截面尺寸 5
2.3材料强度等级 6
2.4荷载计算 6
第三章 框架内力计算 16
3.1恒载作用下的框架内力 16
3.2活载作用下的框架内力 23
3.3风荷载作用下内力计算 29
3.4地震作用下横向框架的内力计算 32
第四章 框架内力组合 40
第五章 框架梁柱截面设计 45
第六章 楼梯结构设计 61
6.1梯段板计算 62
6.2休息平台板计算 62
6.3梯段梁TL1计算 63
第七章 现浇楼面板设计 65
7.1跨中最大弯矩 65
7.2求支座中点最大弯矩 66
7.3 A区格 67
7.4 B区格 68
第八章 基础设计 72
8.1荷载计算 72
8.2确定基础底面积 73
8.3地基变形验算 76
8.4基础结构设计(混凝土选用C30) 76
第九章 PKPM软件应用 78
9.1软件分析结果与手算结果比较 78
参考文献 81
致谢 83
第一章 结构选型与布置
1.1 题目
本工程为某大学综合办公楼,位于徐州市,共4层,首层高4.5m,其余个层层高均为3.3m。总高度14.9m,室内外高差0.45m。平面呈矩形,建筑场地长宽约45m×15m,总建筑面积约675m2,框架结构。底层设有会议室两间。设计使用年限为50年,框架抗震等级为三级,建筑抗震设防为丙类,抗震设防烈度为8度,设计地震分组第一组。根据地质勘察报告,工程场地平坦,土质均匀,工程场地Ⅲ类,建议采用柱下独立基础。
1 气象资料
1. 基本风压: 0.40 kN/m2
2. 基本雪压: 0.65 kN/m2
2 工程地质资料
(1)经勘察查明,根据地层的沉积特点和物理力学特性自上而下共可划分为3层,各土层描述如下:
①层:素填土,灰褐色,主要成分为粉质粘土。该层土场地普遍分布。
②层:粉质粘土,褐色、褐黄色。该层土场地普遍分布。
③层:粉质粘土,棕黄色,坚硬。该层土本次钻探未钻穿。
(2)基础型式及持力层:本工程采用柱下独立基础;基础持力层位于第2层粉质粘土,地基承载力特征值fak=220KPa。
(3)本工程地下水埋深为10m左右,地下水对钢筋混凝土结构不具侵蚀性。
(4)建筑场地类别为Ⅲ类。
3 结构和基础的安全等级
1. 建筑结构的安全等级为二级。
2. 拟建场地位于8度区,按“建筑抗震设防分类标准”,本工程为丙类建筑,按8度设防标准采用抗震构造。
3. 地基基础设计等级:丙级。
4 荷载取值
按《建筑结构荷载规范》 GB 50009-2012采用。
第二章 荷载计算
2.1确定计算简图
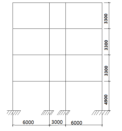
按工程地质资料提供的数据,查《抗震规范》可判断该场地为Ⅲ类场地土,地质条件较好,初步确定本工程基础采用柱下独立基础,挖去所有杂填土,基础置于第二层粉质粘土层上,基本楼层与地面高度差为0.45m。柱子的高度底层为:h1 =3.3 2.1-0.5 =4.9m(初步假设基础高度0.5 m),二~四层柱高为h2~h4 = 3.3m。柱节点刚接,横梁的计算跨度取柱中心至中心间距离,三跨分别为:l = 6000、3000、6000。计算简图见图1。
2.2 梁、柱截面尺寸
- 框架柱:先定所有框架柱均为500mm×500mm
- 梁:横向框架梁AB跨、CD跨:250×600,BC跨:250×400。纵向连系梁:250×500。
- 板厚:所有板厚均取120mm
2.3材料强度等级
混凝土:均采用C30级
受力钢筋采用HRB400级钢筋,其余采用HPB300级钢筋。

图 1 计算简图
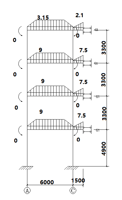
2.4荷载计算
- 屋面横梁竖向线荷载标准值

图 2 永久荷载作用下结构计算简图
(1)恒载(图2)
屋面恒载标准值:
35厚架空隔热板 0.035×25 = 0.875 kN/m2
防水层 0.4 kN/m2
20厚1:2.5水泥砂浆找平层 0.02×20 = 0.4 kN/m2
120厚钢混凝土现浇板 0.12×25 = 3 kN/m2
12厚纸筋石灰粉平顶 0.012×16 = 0.192 kN/m2
屋面恒载标准值: 4.87 kN/m2
梁自重
边跨AC、DF跨 0.25×0.6×25 = 3.75 kN/m
梁侧粉刷: 2×(0.6-0.12)×0.02×17 = 0.33 kN/m
4.08 kN/m
中跨CD跨: 0.25×0.4×25 = 2.5 kN/m
梁侧粉刷: 2×(0.4-0.1)×0.02×17 = 0.19 kN/m
2.69 kN/m
作用在顶层框架梁上的线恒荷载标准值为:
相关图片展示:









