仙居县城区排水工程设计毕业论文
2020-02-17 09:47:26
摘 要
本课题将要研究的是仙居县的城区排水问题,仙居县是浙江省台州市的下辖县,地处浙江东南、台州市西部,是中国“ 国家公园 ”试点县,县域面积2000平方公里,其中丘陵山地(1612平方公里)占全县80.6%,有“八山一水一分田”之说。全县下辖7镇10个乡3个街道,418个行政村。仙居县属于气候属亚热带季风区,年平均气温18.3℃,雨量充沛。其主要河流为永安溪,自北向南流行,常年主导风向为东南风。居住人口到2020年近期为8万,远期2040年为12万,该镇现无完整排水系统,为了仙居县的环境保护,同时也为了地区人民的良好生活环境,将城镇污水进行收集,统一处理是十分必要的。
本设计目的为进行浙江省仙居县的排水工程设计,其中包括雨水、污水管网工程和污水处理厂工程的初步设计。管网设计采用雨污完全分流式,污水总干管位于南侧,将污水收集后汇入污水处理厂进行处理。雨水顺坡排入东侧永安溪内。根据该县地形的特点以及常年盛行风向,污水厂定于城区东南角河流下游处,该水厂的主体生物工艺采用A2O同步脱氮除磷,出水标准达GB18918-2002一级A出水标准。
设计最终提交成果包括:污水管网平面图、污水管网下游主干管断面图、雨水管网平面图、污水厂平面高程图、提升泵房工艺图、生物池工艺图、二沉池工艺图、消毒池工艺图、设计说明书及设计计算书。
关键词:仙居县排水工程;污水管网;雨水管网;污水处理;A2/O工艺
Abstract
This topic will study the urban drainage problem in Xianju County. Xianju County is a county under the jurisdiction of Taizhou City, Zhejiang Province. It is located in the southeast of Zhejiang Province and the western part of Taizhou City. It is a pilot county of China's “National Park” with a county area of 2,000 square kilometers. Among them, hilly mountains (1612 square kilometers) account for 80.6% of the county, and there is a saying that "eight mountains, one water and one field". The county has 7 towns, 10 townships, 3 streets and 418 administrative villages. Xianju County belongs to the subtropical monsoon region with an average annual temperature of 18.3 °C and abundant rainfall. Its main river is Yong'an River, which is popular from north to south. The dominant wind direction is the southeast wind. The number of inhabitants will be 80,000 in the near future and 120,000 in the long-term in 2040. There is no complete drainage system in the town. For the environmental protection of Xianju County, and for the good living environment of the people in the area, the urban sewage will be collected. Unified processing is very necessary.
The purpose of this design is to carry out the drainage engineering design of Xianju County, Zhejiang Province, including the preliminary design of rainwater, sewage pipe network engineering and sewage treatment plant engineering. The pipe network design adopts the complete splitting of rain and sewage. The main trunk of the sewage is located on the south side. The sewage is collected and sent to the sewage treatment plant for treatment. The rainwater drained into the Yongan River on the east side. According to the characteristics of the county's topography and the prevailing wind direction, the sewage plant is located in the lower reaches of the southeast corner of the city. The main biological process of the water plant adopts A2O synchronous nitrogen and phosphorus removal, and the water discharge standard reaches the GB18918-2002 first-class A water discharge standard.
The final submission results include: sewage pipe network plan, section of downstream main pipe of sewage pipe network, plan of rainwater pipe network, plane elevation map of sewage plant, process map of lifting pump house, process diagram of biological pool, process diagram of secondary sedimentation tank, process of disinfection tank Drawings, design specifications and design calculations.
Key Words:Key words: Xianju County drainage project; sewage pipe network; rainwater pipe network; sewage treatment; A2/O process
目 录
目 录 3
第1章 绪论 1
第2章 设计说明书 2
2.1 原始资料 2
2.1.1自然条件 2
2.1.2城市概况 2
2.1.3设计任务 3
2.2设计依据 3
2.3排水体制及管网系统布置 4
2.3.1排水体制的现状 4
2.3.2排水体制的设计原则 4
2.3.3排水体制的选择 4
2.3.4管网系统平面布置原则 4
2.3.5布置形式的选择 5
2.4 污水管网系统设计 5
2.4.1污水管道定线 5
2.4.2污水管段排水面积的划分 5
2.4.3污水管道流量计算 6
2.4.4污水管道水力计算 6
2.5 雨水管网系统设计 6
2.5.1雨水管道定线 7
2.5.2雨水管段排水面积的划分 7
2.5.3雨水管道计算 7
2.6污水处理厂设计说明书 7
2.6.1污水处理工艺流程确定 7
2.6.2污水处理主体构筑物的选择 9
2.6.3设计水量与水质 10
2.6.4 污水处理主体构筑物的工艺设计 10
2.4.5污水处理厂平面高程布置 16
2.5 排水工程总投资估算 17
2.5.1管网经济估算 17
2.5.2 污水厂工程经济估算 17
第3章 设计计算书 18
3.1污水管网计算 18
3.1.1设计流量 18
3.1.2 设计水质 19
3.1.3 污水管网流量设计计算 20
3.1.4 污水管设计水力计算 21
3.2雨水管网的计算 22
3.2.1设计流量 22
3.2.3水力计算 23
3.3污水处理厂设计计算 24
3.3.1中格栅 24
3.3.2 提升泵房 26
3.3.3细格栅 30
3.3.4 旋流式沉砂池 32
3.3.5 生物池 34
3.3.6 二沉池的设计计算 44
3.3.7 综合井 49
3.3.8高密度沉淀池 51
3.3.9转盘滤池 58
3.3.10消毒池及加氯间 59
3.3.11巴氏计量槽的设计 60
3.3.12 加药间的设计计算 61
3.3.13 污泥处理的设计计算 62
3.3.15污水处理厂的平面布置 63
3.3.16污水处理厂的高程布置及经济计算 64
第4章 经济估算 67
4.1排水管道工程投资估算 67
4.1.1污水管道经济投资估算 67
4.1.2雨水管网经济投资估算 68
4.2处理成本估算 69
4.2.1水厂工程造价 69
4.2.2污水处理成本计算 70
第5章 结语 72
参考文献 73
附录 74
致谢 102
第1章 绪论
目前,中国经济持续增长,城市规模不断地扩大,同时城市人口稳步增长。结果导致排放的污水量增加,城镇污水排放的问题日益凸显出来,近年来其越来越受到人们的关注。 这个问题能否合理解决关系到各种环境问题与城镇的发展。
根据我国经济发展和环境保护的需求,结合我国环境保护最新研究成果和国际环境保护技术水平和发展趋势,提出一套合理、经济的工艺流程对污水进行处理,以达到标准排放,对于保护环境,减轻环境污染,遏制生态恶化趋势,有着重要的意义。高效节能的城镇污水输送及处理技术能为国民经济的发展起到较大的推动作用。 本次设计的题目是仙居县城区排水工程,主要内容包括:(1)确定排水体制、设计雨水管网和污水管网;(2)确定污水厂厂址、确定污水处理厂规模、确定处理水排放标准、进行污水处理厂设计;(3)估算污水厂、泵站的运行费用。
仙居县东面有永安溪由北向南流过,可供雨水排放。该县无完整排水系统建设,未经处理的污水排入永安溪,影响水体环境。雨水排水系统不完善,不利于经济的发展,影响居民生活品质,污水收集处理系统的不完善对环境破坏严重,不利于长期发展。因此,对仙居县排水系统进行设计,可以充分改善居民生活质量,改善城镇环境。
在污水管线设计,在城区南侧街道设置主干管,干管由北向南沿街布置,收集污水后汇流入主干管内,统一收集送至污水处理厂进行处理。
在雨水设计中,按照仙居县的总体规划图,依据实际地形,将其划分为五个排水流域,采用分散出口排水。雨水干管沿街由西向东垂直于永定河的河流方向顺坡排水, 雨水口布置于永安溪河的西岸,共设置5个雨水排放口,均采用重力流流入自然水体中。
在水厂的设计中,主体处理工艺为A2O生物反应池,处理流程为:中格栅→进水提升泵房→细格栅及旋流沉砂池→生物池→配水井→二沉池→高密度沉淀池→转盘滤池→接触消毒池→巴氏计量槽。为保证出水水质要求,在常规二级处理之后,增加了深度处理工艺,通过投加药剂强化混凝沉淀,进而起到强化脱氮除磷,降低SS的作用。
本课题目的是设计计算出一整套合理的现代化排水体系,来及时排除城市内的污、雨水,改善仙居县和周边地区的生态环境。
第2章 设计说明书
2.1 原始资料
2.1.1自然条件
水文地质及气象资料
经过地质勘测部门勘测,污水处理工程地点的水文地质情况见表。
表2.1 水文地质情况
冰冻深度(m) | 地下水位(m) | 承载力(kpa) | 最大积雪深度(m) |
0.69 | 4 | 100 | 0.30 |
当地地震烈度小于6级。
气象部门提供的气象资料见表。
表2.2 气象资料
名称 | 指标 | 名称 | 指标 |
月平均气温 | 18.3℃ | 最冷月平均气温 | 3℃ |
年最低气温 | -4℃ | 冰冻期 | 15天 |
年最高气温 | 38℃ | 冰冻时间 | 1月末-2月初 |
年降雨量 | 1100mm/年 | 年蒸发量 | 1000mm/年 |
常年主导风向 | 东南风 | 年平均风速 | 2.5m/s |
该地区暴雨强度公式: (L/s•ha)

2.1.2城市概况
仙居县,浙江省、台州市下辖县,地处浙江东南、台州市西部,是中国“国家公园”试点县 ,台州市母亲河(永安溪-灵江-椒江)的源头。县域面积2000平方公里,其中丘陵山地(1612平方公里)占全县80.6%,有“八山一水一分田”之说。全县下辖7镇10个乡3个街道,418个行政村。
城市居住人口到2020年近期为8万,远期2040年为12万,该市的居住人口及水质见表。
表2.3 人口及水质
人口数(万) | 污水量标准(L/人·d) | SS (mg/L) | BOD5 (mg/L) | COD (mg/L) | 氨氮 (mg/L) | 磷酸盐 (mg/L) | pH | 水温(℃) |
8 | 260 | 190 | 140 | 320 | 30 | 5 | 7.0 | 25 |
该县内主要有制药,农产品加工和陶瓷产业,各产业的排水量及水质见表。
表2.4 各工厂的排水量及水质
厂名 | 日排水量 (m3/d) | 最大时排水量 (m3/h) | SS (mg/L) | BOD5 (mg/L) | COD (mg/L) | 氨氮 (mg/L) | 磷酸盐 (mg/L) | pH | 水温 (℃) |
农产品加工 | 800 | 90 | 225 | 360 | 700 | 30 | 5 | 5 | 40 |
陶瓷 | 900 | 60 | 240 | 360 | 900 | 32 | 2 | 7 | 35 |
制药 | 1000 | 90 | 500 | 130 | 420 | 40 | 4 | 6.6 | 28 |
2.1.3设计任务
1、城区排水管网设计
(1)城区排水管网总平面布置(进行方案比选)。
以上是毕业论文大纲或资料介绍,该课题完整毕业论文、开题报告、任务书、程序设计、图纸设计等资料请添加微信获取,微信号:bysjorg。
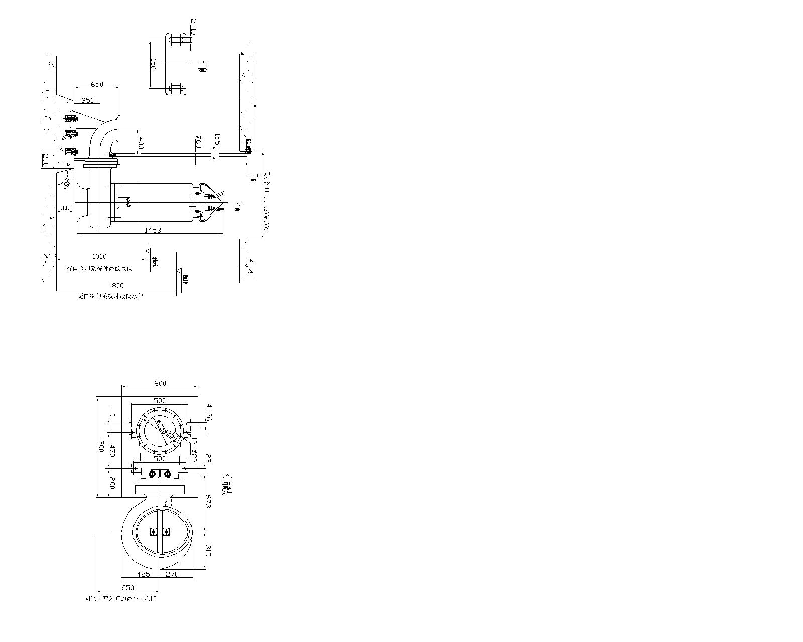
相关图片展示:








