医药化工工业园区污水处理厂设计毕业论文
2020-06-20 18:57:09
浦江学院
2017 届毕业设计(论文)
题 目:医药化工工业园区污水处理厂设计
专 业:给排水科学与工程
班 级: 浦给水1304
姓 名: 王越
指导老师: 孙永军
起讫日期:2016年12月-2017年6月
2017年 6 月
目录
第一章 设计概述 1
1.1 设计项目概况 1
1.2 设计水量、水质 1
1.3 设计要求 1
第二章 设计说明 2
2.1 设计进水水质、设计出水水质及处理程度如下表 2
2.2.1 处理工艺的必选和确定 3
2.2.2 工艺流程 4
第三章 设计计算 5
3.1 污水处理水量计算 5
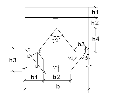
3.2 粗格栅 6
3.2.1 设计说明 6
3.2.2 格栅计算 7
3.3 集水井泵房 8
3.3.1设计说明 8
3.3.2集水井的计算 8
3.3.4选泵及电动机 9
3.4 调节池 9
3.4.1 设计说明 9
3.4.2 设计计算 10
3.4.3 调节池的搅拌器 10
3.4.4 调节池的提升泵 10
3.5 配水井 11
3.5 初沉池 12
3.5.1 设计说明 12
3.5.2 池型的确定 12
3.5.3 设计计算 12
3.6 UASB厌氧池 14
3.6.1 设计说明 14
3.6.2 设计计算 16
3.7 A/O池 25
3.7.1 设计说明 25
3.7.2 设计计算 26
3.8 二沉池 36
3.8.1 设计说明 36
3.8.2 池型的确定 36
3.8.3 设计数据 37
3.8.4 设计计算 37
3.9 混凝反应池 42
3.9.1 设计说明 42
3.9.2 设计数据 43
3.9.3 设计计算 43
3.10 三沉池 53
3.10.1 设计说明 53
3.10.2 设计计算 53
3.11 BAF池 58
3.11.1 设计说明 58
3.11.1 池型的选择 58
3.11.3 设计参数 59
3.11.4 设计计算 60
3.12 紫外消毒池 64
3.12.1 设计说明 64
3.12.2 设计要点 64
3.12.3 设计计算 65
3.13 污泥浓缩池 66
3.13.1 池型的选择 66
3.13.2 设计计算 67
3.14 贮泥池 68
3.14.1 设计计算 68
3.15 污泥脱水 69
3.15.1 设计说明 69
3.15.2 设计计算 69
3.16 鼓风机房 70
第四章 污水厂的总体布置 71
4.1 平面布置及总平面图 71
4.2 高程布置及流程纵断面图 72
4.2.1 高程布置原则 72
4.3.2 高程布置计算 72
第五章 主要设备、材料表 76
5.1 构筑物一览表 76
5.2 设备一览表 78
第六章造价估算 78
6.1 78
6.2 运行费用 80
6.2.1 装机容量和用电量 80
6.2.2 运行费用估算 80
6.2.3 年运行能力 81
6.2.4 药剂费 81
6.2.5 维护费 81
6.2.6 人工费 81
6.2.7 总运行费用 81
第一章 设计概述
1.1 设计项目概况
江西某工业园是一个医药化工工业园,入园企业以制药及化工企业为主。各企业生产生活排出的污水先经企业内部处理,达到工业园区污水处理厂接管标准后,排入污水厂集中处理,出水水质达到一级A标准。
城镇污水处理厂污染物排放标准为一级A标准,最终排入受纳水体。
1.2 设计水量、水质
该园区污水处理厂分二期建设,一期建设规模为0.5×104m3/d,远期总规模为2.0×104m3/d。
进水水质满足工业园区污水厂接管标准,出水需达到一级A排放标准,具体指标见表1。
表1 设计进、出水水质
Tab.1 Design influent and effluent quality
mg/L
项目 | COD | BOD5 | SS | NH3-N | TN | TP |
进水 | 500 | 200 | 200 | 50 | 80 | 4 |
出水 | 50 | 10 | 10 | 5(8) | 15 | 0.5 |
1.3 设计要求
具体要求有如下:(1)水厂总平面图(标明占地面积、定位坐标、构筑物尺寸、 附属建筑、道路、绿化、);
(2)水厂管线图(标明给排水管线和工艺管线)
(3)水厂工艺流程图(标明构筑物工艺逻辑关系)
(4)水处理工艺流程高程图(标明构筑物工艺高程关系)
(5)主体构筑物详图(平、立、剖)
(6)设计总说明、设备材料表
(7)设计概、预算
需要参考规范:(1)设计任务书:设计水量、进水和出水水质
(2)城镇污水处理厂污染物排放标准GB18918-2002
(3)地表水环境质量标准GB3838-2002
(4)给水排水设计手册(第一册)常用资料(第二版)
(5)给水排水设计手册(第五册)城镇排水(第二版)
(6)给水排水设计手册(第十一册)常用设备(第二版)
(7)室外排水设计规范GB50014-2006(2014)版
(8)给排水制图标准GB/T50106-2001
其它相关的国家标准和设计规范。
备注:若有最新规范,以最新的规范为准。
第二章 设计说明
2.1 设计进水水质、设计出水水质及处理程度如下表
国家城镇污水处理厂污染物排放标准 (GB18918-2002) | ||||||
序号 | 基本控制项目 | 一级标准 | 二级标准 | 三级标准 | 一、一级A标准是城镇污水处理厂出水做为回用水的基本要求。当污水处理厂出水引入稀释能力较小的河湖做为城镇景观用水和一般回用水等用途时,执行一级A标准。 | |
A标准 | B标准 | |||||
1 | 化学需氧量(COD) | 50 | 60 | 100 | 120 | |
2 | 生化需氧量 (BOD5) | 10 | 20 | 30 | 60 | |
3 | 悬浮物(SS) | 10 | 20 | 30 | 50 | |
4 | 总氮(以N计) | 15 | 20 | —— | —— | |
5 | 总磷(以P计) | 0.5 | 1 | 3 | 5 | |
6 | 氨氮 | 5(8) | 8(15) | 25(30) | —— | |
7 | 色度(稀释倍数) | 30 | 30 | 40 | 50 | |
8 | PH | 6--9 | ||||
9 | 总大肠菌群数 | 10 | 104 | 104 | —— | |
则计算给定指标的去除率:
水质指标 | COD | BOD5 | SS | NH3-N | TN | TP |
进水水质(mg/L) | 500 | 200 | 200 | 50 | 80 | 4 |
出水水质(mg/L) | 50 | 10 | 10 | 5(8) | 15 | 0.5 |
去除率(%) | 90 | 95 | 95 | 90 | 81 | 88 |
经处理以后,水质应符合国家《污水污染物排放标准》(GB18918-2002)中的一级A标准,所以不仅要求去除BOD5还应去除其中的N、P,达到排放标准。2.2 主要处理工艺比较及确定
2.2.1 处理工艺的必选和确定
本设计工程中,污水处理厂主要收集医药化工工业园区内的工业污水,各排污企业出水水质执行《污水排入城市下水道水质标准》(CJ3082-1999),出水水质执行《城镇污水处理厂污染物排放标准》(GB18918-2002)一级A标准,可供选取的工艺有A/O工艺,氧化沟工艺,SBR工艺,CASS工艺,A2/O工艺等。
A/O工艺在我国污水处理厂中应用较为广泛,其BOD5的去除率较高可达90~95%以上,但脱氮除磷效果稍差,较适用于含磷较少的污水处理工程。A/O工艺流程简单,构筑物少,可节省基建费用,且运行费用低,占地面积小。但同时A/O工艺处理效果受温度、进水水质影响较大,脱氮除磷效率难以进一步提高,其后二沉池若控制不当易发生污泥上浮,影响出水水质。
氧化沟在国内外中小型城市应用广泛,改良型Carrousel 2000 氧化沟污水处理效果显著,BOD去除率达95%~99%,COD去除率达95%,脱氮、除磷效率能够达到90%以上。同时氧化沟工艺流程简单,构筑物少,可不设初沉池,运行管理方便。但占地面积较大,由于采用机械曝气,动力效率低,能耗也较大。
SBR工艺沉降性能好,有机物去除率90%以上,氨氮去除率75%-80%,除磷率可达90%以上,不需要污泥回流,工艺简单。但不能达到连续进水、连续出水的要求,对于多个SBR反应器,其进水和出水阀门自动切换频繁,设备的闲置率较高,且操作、管理、维护复杂,对人工素质要求较高。
A/A/O工艺在我国大中型城市应用广泛,总的水力停留时间少于其他同类工艺,在厌氧、缺氧、好氧交替运行条件下不易发生污泥膨胀。但脱氮除磷效果有限,总氮去除率在80%-85%左右,总磷去除率在85%左右,并且很难同时取得好的脱氮除磷的效果。此外构筑物较多,基建费用大,适用处理水量大的污水厂。
本工程进水含磷较少,BOD、SS浓度较高,考虑到厂区位于高新技术工业园区,用地较为紧张,基建费用投资有限,拟采用A/O组合工艺或SBR工艺。
查阅相关规范及两种工艺应用实例发现,若采用A/O工艺,运行费用包括药剂费,电费,人工费等,折合运行成本1.2元/吨水,而若采取SBR工艺,折合运行成本1.8元/吨水,两种工艺相比较而言A/O工艺成本低效益高,故本设计将采用A/O工艺。
2.2.2 工艺流程
本设计拟采用水解酸化与A/O工艺相结合的改良工艺,相比传统A/O工艺,此工艺可获得更好的处理效果。其工艺流程如下图。
相关图片展示:









