苏州新区商务办公楼通风空调工程施工组织设计毕业论文
2020-06-19 22:23:58
摘 要
4Abstract 5
第一章、项目系统描述 6
1.1 空调风系统 6
1.1.1排风排烟系统 6
1.1.2空调系统 7
1.1.3新风换气系统 8
1.2 空调水系统 10
第二章、项目结构分解 11
2.1项目结构分解定义 11
2.2项目结构分解的方法与原则 11
2.2.1项目结构分解方法 11
2.2.2项目结构分解原则 12
2.2.3本工程项目结构分解: 12
第三章、工程项目组织策划 14
3.1 项目组织策划 14
3.2 项目管理组织 14
3.3 项目组织 14
第四章、工程量计算 16
4.1工程量统计说明: 16
4.1.1空调风系统 17
4.1.2水系统 35
第五章、工程预算 43
5.1 造价编制说明 43
5.2本工程预算计算说明 43
5.2.1计算方法 43
5.2.2 直接费 43
5.2.3 间接费 44
5.3工程总造价 44
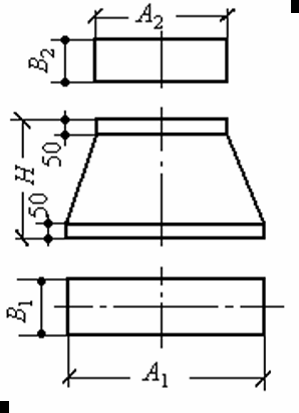
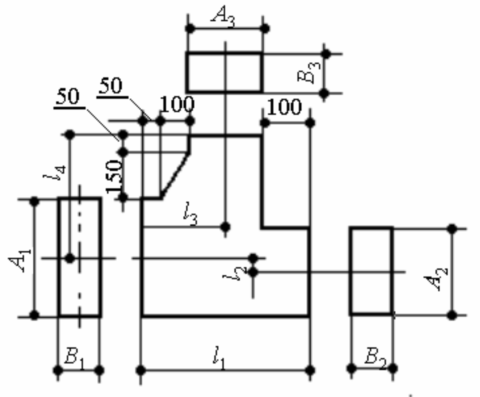
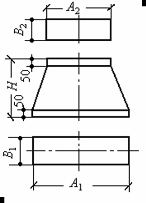
第六章、风管制作安装加工图绘制 46
6.1 风管制作安装草图 46
6.2.1变径的尺寸矩形变径管安装尺寸的确定 47
6.2.2弯头加工安装尺寸的确定 47
6.2.3分流三通的制作安装 48
6.2.4 风口的安装制作尺寸 48
6.2.5直风管的制作安装尺寸 48
6.3 风管制作安装附图 50
第七章、施工进度管理 51
7.1 工程项目的展开形式 51
7.2 横道图的绘制 51
7.2.1 流水节拍的确定 51
7.2.2 横道图、网络图的绘制 62
第八章、施工技术管理 66
8.1图纸会审 67
8.1.1图纸会审的定义与方法 67
8.1.2本项目通风空调工程图纸会审内容 68
8.1.3图纸会审记录的发放 69
8.2技术交底 69
8.2.1技术交底的定义 69
8.2.2技术交底的分类 70
8.2.3施工技术交底的注意事项 70
8.3施工方案的确定 71
8.3.1施工工序以及施工段的划分 71
8.3.2主要的施工技术方法 71
第九章 、施工质量管理 78
9.1风管及配件制作质量管理 78
9.1.1风管制作质量管理 78
9.1.2风管配件加工制作质量管理 80
9.2风管系统安装质量管理 81
9.3通风与空调设备安装质量管理 84
9.4空调水系统管道与设备安装质量管理 85
9.5空调管道绝热施工质量管理 90
9.6系统调试质量管理 91
参考文献 93
致谢: 95
苏州新区商务办公楼通风空调工程施工组织设计
摘 要
该建筑为综合办公楼,位于苏州市工业园区。地上总建筑面积41627平方米。建筑物主体高度88米,地上21层,地下1层。本次设计共分为十一个章节,主要针对通风空调工程中的施工组织设计。首先我们通过对阅读图纸,系统描述对项目有了深刻的认识,接着我们通过工程项目管理的知识对本工程的展开进行了项目结构分解和项目组织策划,通过绘制职能式结构图明确各单位分工与职责。然后严格按照《全国统一安装工程预算定额》进行了工程量统计并进行施工图预算。同时我们还进行了流水节拍,横道图,网络图的学习。我们还根据现场安装工程实际操作与质量要求,绘制风管制作安装加工图并编写施工技术管理与施工质量管理。
关键词:施工组织管理,工程量清单,流水节拍,施工图预算,
Construction organization design of Ventilation and air conditioning project of Suzhou new area business office
Abstract
The building is a complex office building, it is located in suzhou industrial park. The total floor area is 41,627 square meters. The main body of the building is 88 meters high, 21 floors above ground and 1 floor below ground. The design is divided into eleven sections, which are mainly aimed at the design of construction organizations in ventilation and air conditioning projects. First of all, we through to the reading drawings, system description have a deep understanding of the project, then we through this engineering project management knowledge expansion project structure decomposition and the organization planning, through mapping function chart clearly each unit division of labor and responsibilities. And then strictly follow《National unified installation project budget quota》to carry out the project quantity and the budget of the construction plan. At the same time, we also have the learning of the flow beat, the transverse chart, the the network diagram. According to the actual operation and quality requirements of the on-site installation, we draw up the installation of the wind pipe and write the management of the construction technology and the quality of the construction.
Key words: Construction organization management, quantity list, flow beat, construction budget
第一章、项目系统描述
建筑概况
相关图片展示:








