基于软测量技术的无线粮情测控系统的设计毕业论文
2020-02-18 11:56:42
摘 要
粮情测控系统是一种能够监测并控制粮仓内粮食的存储环境,对环境具有一定调控能力的应用系统。它能够实现粮情测量、数据转发、数据存储和分析、智能控制的功能。传统的有线粮情测控系统由于线缆的存在具有诸多缺点,因此具有低成本、高可靠性等诸多优点的无线粮情测控系统就成为了粮情测控领域的重点研发内容。
本文设计了一种新型的无线粮情测控系统。首先分析了不同的无线粮情测控系统的设计方案,通过对各个方案的优缺点进行论证,最终选择了以ZigBee组网、以LabVIEW为上位机开发软件的设计方案。然后完成了下位机硬件之间接口电路的设计,主要是传感器DHT11与CC2530开发板之间接口电路设计。之后完成了下位机软件的开发工作,并利用LabVIEW完成了监控界面的开发。最后是对整个系统进行仿真调试,确保系统能够正常运行。
调试结果结果表明,设计的系统成功达到了设计要求,终端节点成功获得到了粮仓内和粮堆内的温湿度数据,协调器能够通过ZigBee无线网络获得到了终端节点的数据并且通过串口将数据传输到了上位机,上位机完成了数据显示、处理、存储等功能。
关键词:无线粮情测控;ZigBee协议栈;温湿度传感; LabVIEW
Abstract
The grain condition measurement and control system is an application system that can monitor and control the storage environment of grain in the granary and has certain control ability to the environment. It enables the functions of grain measurement, data forwarding, data storage and analysis, and intelligent control. The traditional wired grain measurement and control system has many shortcomings due to the existence of cables. Therefore, the wireless grain measurement and control system with many advantages such as low cost and high reliability has become the key research and development content in the field of grain situation measurement and control.
This paper designs a new wireless grain condition measurement and control system.Firstly,it introduces some different designs of wireless grain measurement and control systems that can be applied.And by demonstrating the advantages and disadvantages of each programme,finally,I choose the design scheme of networking with ZigBee technology and regarding LabVIEW as the host computer. Then I complete the design of the interface circuit between the lower computer hardware, mainly the interface circuit design between the sensor DHT11 and CC2530 development board. After that, the development of the lower computer software was completed and I finished the development of the monitoring interface using LabVIEW. Finally, the entire system is simulated and debugged to ensure that the system can run normally.
Key Words:Wireless grain condition measurement and control system;ZigBee protocol stack;Temperature and humidity sensing;LabVIEW
目录
摘要 I
Abstract II
第1章 绪论 1
1.1研究背景 1
1.2研究目的及意义 2
1.3国内外研究现状 2
1.3.1 国外研究现状 2
1.3.2 国内研究现状 2
1.4研究的主要内容 3
1.5本章小结 4
第2章 系统设计方案选择与论证 5
2.1系统设计要求与性能指标 5
2.2系统总体设计方案 5
2.2.1方案一: 5
2.2.2方案二: 5
2.2.3方案三: 6
2.2.2方案论证与选择 6
2.5本章小结 7
第3章 系统硬件设计 8
3.1 DHT11温湿度传感器 8
3.1.2 温湿度传感器DHT11工作原理 8
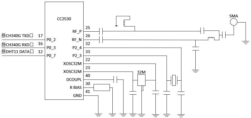
3.1.3 DHT11与微处理器接口电路设计 8
3.3 ZigBee模块介绍 9
3.3.1 zigbee技术简介 9
3.3.2 CC2530硬件组成 10
3.3.4 CC2530电路连接 11
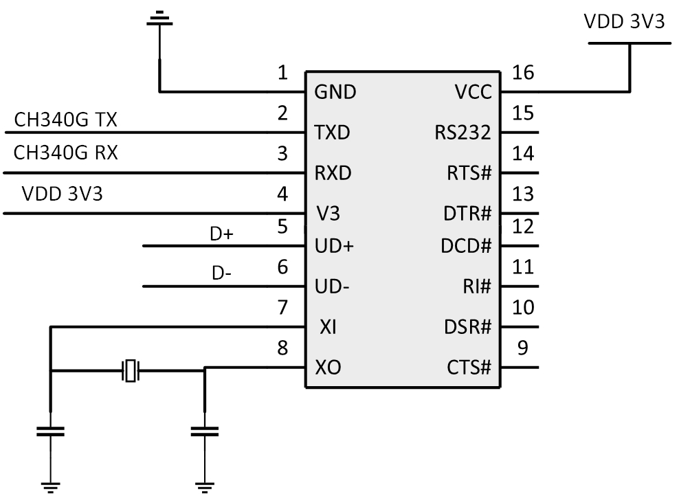
3.4 串口介绍 12
3.5 本章小结 13
第4章 下位机软件设计 14
4.1 下位机程序流程图 14
4.2 温湿度测量程序 14
4.3 ZigBee模块程序设计 16
4.3.1 ZigBee协议栈 16
4.3.2 ZigBee网络架构 18
4.3.3 CC2530主程序设计 19
4.4 本章小结 20
第5章 基于labview的监控界面设计 21
5.1 虚拟仪器技术和LabVIEW 21
5.2 串口通信模块实现 21
5.3 数据处理与显示模块实现 22
5.4 数据存储模块实现 22
5.5 数据查询与波形显示模块实现 24
5.6 本章小结 25
第6章 系统调试与总结 26
6.1 下位机系统调试 26
6.2上位机系统调试 27
6.3 本章小结 29
总结与展望 31
参考文献 32
致谢 33
绪论
1.1研究背景
我国幅员辽阔,人口众多,对于粮食的需求是非常巨大的,我国既是粮食生产大国,也是粮食进口大国,如何保证粮食安全是国家面临的巨大挑战。自十八大召开以来,总书记习近平就一直高度重视粮食问题。总书记不断地指出:“我国是个人口众多的大国,解决好吃饭问题始终是治国理政的头等大事”。在十九大报告中,尤其强调了国家粮食安全的重要性,专门提出我们要确保国家粮食安全,把中国人的饭碗牢牢断在自己手中。记者在采访国家粮食和物资储备局局长张务锋时,张局长强调:民以食为天,食以安为先。自从党召开十八大以来,在以习近平同志为核心的党中央坚强领导下,我国生产的粮食不断获得丰收,粮食安全形势不断朝着好的方向发展。然而我国却拥有14亿人口,无论任何时候都不能轻言粮食安全没有问题,我们一定要把饭碗牢牢端在中国人自己手中,绝对不能掉以轻心。
现阶段,我国的粮食行业面临着严峻的形势,粮食的供求关系并非是一成不变的,而是处在不断地变化之中,粮食生产成本加大,粮食价格大幅波动,粮食安全领域的问题越来越突出,对于我国经济社会的发展具有重大的影响。储粮工作在粮食安全领域起着举足轻重的作用,建立健全完善的粮食存储系统能够有效的平衡市场上的粮食供求关系,当供大于求时可以相对延长粮食存储时间,当供不应求时可以开仓放粮,缓解严峻的粮食供求关系。
在粮食存储过程中,粮食的温度变化和湿度变化是最关心的两个问题。粮食的温度变化是粮食存储过程中影响粮食存储安全的主要因素[1],在存储过程中粮食会进行呼吸作用,随着温度的上升,粮食的呼吸作用及变质速度随之增加,同时为了保证粮食安全,粮仓一般是密闭的,隔热性能较强,散热能力较差,长期不通风将会导致粮食温度上升,而粮食存储环境温度较低时,容易把粮食冻坏。粮食的湿度也是影响粮食存储安全的一个重要因素,外界湿度塔里比粮粒内部湿度压力大时,粮食会吸湿增加水分,反之会散湿减少水分。湿度的变化很有可能会导致霉菌快速大量繁殖,粮食发生霉变。粮情测控系统能够实时监测温度和湿度的变化,及时提醒工作人员做出相应措施,实现粮食的安全存储。
目前市面上存在的有线粮情测控系统具有较大的缺点,主要体现在:系统抗干扰能力较差,有线电缆由于布线较长,容易收到电磁干扰造成测量误差甚至导致系统瘫痪;系统安全性差,容易遭到雷击而损坏;安装成本较高,铺设有线电缆比较耗费支出;后期可维护性较差,电缆铺设在粮仓墙壁内部一旦发生损坏难以更换[2],因此需要探究基于无线传感器网络的无线粮情测控系统,既能保证探测粮仓温湿度环境,又能克服有线方式存在的缺点。
1.2研究目的及意义
传统有线粮情测控系统存在诸多问题,安装复杂、成本较高、系统抗干扰能力差、易遭雷击、故障率高、维护困难等问题限制了粮情测控系统的发展,不利于粮食的高质量存储,会导致粮食存储产业成本提高,不确定性增加,储粮质量产生下滑,一旦粮食供求关系遭到破坏而粮食储备无法及时做出调节将会严重影响人们生活,不利于我国粮食安全领域的发展,容易产生各种各样的社会问题,因此需要研究基于无线传感器网络的无线粮情测控系统来取代传统的有线方式,使其可以稳定、及时、高效的监测粮仓储粮的状况,及时做出应对,同时保证该系统能够有效的克服有线粮情测控系统存在的缺点,降低建设成本,提高系统稳定性,提升抗干扰能力,保证系统安全[3]。
1.3国内外研究现状
1.3.1 国外研究现状
国外对于粮情测控系统的研究起步要早于国内,相关技术的发展比较成熟,制定了比较成熟的粮食行业标准,传感器所用的测温、测湿芯片的开发和生产技术比较先进,已经成功运用了多种无线测温、测湿技术,基本实现了无线粮情测控系统的规模化应用。
与国内不同,国外的粮仓均为大型私人商业储量,粮食的生产、存储、销售具有高额利润,从而刺激了无线粮情测控系统的发展,国外的粮情测控系统正在朝着数字化、多功能集成化、自动调控和远程数据传输的方向发展。美国、加拿大等产量大国把物联网技术运用到了粮情测控方面,极大的提高了监测精度和监测速度,初步具备了数字化、智能化、系统标准化和稳定可靠的特点。2012年,加拿大、澳大利亚、美国等农业大国采取了先进的神经网络、模糊控制等技术对粮食的安全存储进行提前预警,奠定了粮情测控智能化的坚实基础,更加全方位的对粮情参数进行检测,大大提高了粮食存储的管理效率。无线传感器网络技术同时被应用在了土壤、光照、农业灌溉、降雨量监测等方面。后来,视觉识别技术得到大力发展,西方粮食大国将其应用在了农产品方面,引领了智能化测控领域的发展,大大提高了人们对于粮食存储可能到来的危险的预判。
1.3.2 国内研究现状
20世纪70年代以前,我国的粮情测控系统可以说是一片空白,80年代以后,随着传感器技术的发展,计算机网络技术的深入研究,单片机等微处理器技术越来越成熟,我国才拥有了真正意义上的现代粮情测控系统,从以单片机为控制核心到用PC机的DOS界面进行控制,最后实现利用Windows操作系统进行控制,从从以热敏电阻为测温元件,数据采用模拟信号进行传输,到利用DS18B20等数字化温度、湿度传感器的应用,检测指标越来越全面,数字信号全部以数字量进行传输,形成了小型的数字化粮情测控系统[4]。目前国内应用比较广泛的是基于无线传感器网络(Wireless Sensor Network)技术(蓝牙、GPRS、ZigBee)构建的无线粮情测控系统,将无线传感器网络节点摆放在粮仓、粮堆内,自主采集粮仓、粮堆内的粮情数据,同时ZigBee协议将数据传输到中心节点,最后传输到上位机,通过上位机的数据管理软件平台对数据进行存储、显示、分析、判断,并下发相应的操作指令,属于比较先进的粮情测控技术[3]。
国内的粮情测控系统正在逐渐变得更加完善,除了基本的粮食温度监测、湿度监测、自动报警等功能,还具有了数据自动存储、报表自动生成、历史数据回溯、粮情曲线自动绘制等众多功能,使我国粮食储备体系的现代化水平得到了极大的提高。然而目前我国的粮情测控系统系统仍然存在较多的问题,例如基于无线传感器网络的粮情测控系统仍然没有得到大规模广泛应用,传统的有线测控系统仍然存在抗干扰能力差、系统精度较低、系统可靠性差、不同粮情测控系统之间的兼容性差等问题,同时缺乏统一的行业标准或国家标准,难以实现真正的规范化、规模化应用,因此需要研究更加统一标准的、低成本的无线粮情测控系统,实现粮情测控系统的数据检测全面化、传感器的数字化和集成化、粮情控制自动化和智能化、系统标准化、系统管理网络化。
1.4研究的主要内容
本次课题主要是研究基于无线传感器网络的无线粮情测控系统,各章的主要内容如下:
第一章:阐述无线粮情测控系统的研究背景,分析研究粮情测控系统的必要性和重要性,阐明该系统研究的目的和意义,明确其对于国计民生的巨大影响,报道国内外相关技术研究现状,讲明目前国内研究存在的不足及发展趋势。
第二章:主要阐述无线粮情测控系统方案的选择与论证,首先介绍系统设计的要求和性能指标,然后介绍整个系统的总体概述和整体结构,通过对已存在的几种方案进行推理论证,最后选择出最适合的无线粮情测控系统解决方案。
第三章:首先整体介绍系统硬件电路详细介绍无线粮情测控系统硬件各部分的设计,包括粮情测量模块中传感器的选型、电路连接,粮情采集与转发模块中通讯模块的选型与电路设计、电源电路的设计。
第四章:主要介绍下位机的软件设计,包括软件设计的任务和思想,介绍了ZigBee的组网原理,对ZigBee的协议栈进行分析,采用模块化程序设计方法进行了各模块的程序设计,依次介绍了DHT11、终端节点、协调器的程序设计。
第五章:本章主要介绍了上位机管理软件的设计,首先对虚拟仪器技术进行了详细介绍,然后介绍LabVIEW软件的使用,接下来介绍了无线粮情测控系统上位机各模块的程序设计,首先设计利用串口接收数据采集与转发模块的传送来的数据,然后阐述了利用LabVIEW数据库工具包存储粮情数据,在通过前面板读取数据并显示出来,最后对上位机部分进行总结。
第六章:本章对设计的无线粮情测控系统进行调试,测试系统的可行性,分析了调试过程中出现的问题以及解决方案,归纳了系统的优势与劣势,最后对本次设计的粮情测控系统进行了整体评价,总结了本次毕业设计的收获。
1.5本章小结
本章主要介绍了本次设计的研究背景、研究目的和意义、国内外的研究现状,从总体上介绍了论文的文章内容。
系统设计方案选择与论证
2.1系统设计要求与性能指标
现有一个直径为30m,高为6m的浅圆型储粮仓,要求设计合理的无线粮情测控系统,完成以下要求:
- 实现粮仓粮情(温湿度)等数据测量功能;
- 实现粮情数据自动转发功能;
- 实现人机对粮情数据的监测、显示、查询功能;
- 实现对粮仓环境的报警与控制功能,主要为控制粮仓温湿度;
要求该系统达到以下性能指标:
- 每两分钟内对粮情数据进行一次采样;
- 无线距离不低于35m;
- 温度测量范围0℃~50℃ ,湿度范围10%~60%。
2.2系统总体设计方案
2.2.1方案一:
该方案下位机部分采用WiFi组网技术,利用温湿度传感器SHT11来测量粮仓中的温度和湿度,利用WiFi模块ESP8266进行数据传输,将采集到的温湿度粮情数据传输到AP,然后通过串口传输到上位机,上位机利用LabVIEW进行监控界面开发,获得下位机采集到的数据,并且实现数据存储、显示、分析、预警等功能,同时在单片机上开发分析控制程序,当粮情数据不符合给定范围时,发出报警信息并且下发控制命令,实现粮情控制模块的功能。
2.2.2方案二:
该方案的下位机部分采用蓝牙组网技术,下位机利用温湿度传感器DHT11来测量粮仓中的温度和湿度,利用数据蓝牙模块进行数据传输,将采集到的数据传输到上位机,然后利用C语言进行上位机监控软件的开发,使上位机软件具有数据采集、存储、显示、分析、预警等功能,控制程序利用C语言进行开发,通过对测得的粮情数据与预先设定的安全值进行比较,当超过安全值时进行报警,同时将控制命令下发到单片机,再由单片机送至执行器采取措施对粮仓温度和湿度进行控制从而达到适宜粮食存储的粮仓环境。
2.2.3方案三:
该方案下位机部分采用zigbee无线组网技术,利用德州仪器公司的CC2530芯片作为通讯模块,与传将感器DHT11组成测量终端节点,然后通过zigbee协议将测量数据传输到协调器,协调器将数据送到上位机进行处理,上位机利用LabVIEW进行上位机监控界面进行开发,上位机软件集数据采集、存储、显示、分析、预警功能于一身,不仅能够显示测量到的粮情数据信息,还能够对过往粮情数据进行查询,同时利用LabVIEW对下发控制命令,通过CC2530进行控制命令的传递,最后将控制命令送至执行器进行执行,实现对粮仓温湿度的控制。
2.2.2方案论证与选择
在方案一和方案二中,WiFi模块与蓝牙模块均需要与单片机搭配使用,利用单片机编写程序实现对粮情采集与转发模块的控制,需要专门搭配单片机与相应的WiFi、蓝牙模块进行控制,大大增加了设计成本与复杂度,同时考虑到粮仓内的实际环境,采用单片机作为处理器会占用较大的空间,环境的变化会影响单片机的性能,粮仓内的粉尘等杂物可能会对单片机造成损害从而影响测量精度和准确度。对WiFi技术来说,其存在安全性低、无线稳定性差等问题,而且其功耗高问题直接否定了其在传感器数据传输方面的应用,较高的功耗不符合无线粮情测控系统对于低功耗的要求。蓝牙技术属于点对点的协议,真实情况时要求要有多个传感器节点测量粮仓、粮堆内不同位置的粮情数据,并且统一发送到接收模块,如果采用蓝牙技术将会大大增加铺设成本,而且蓝牙存在传输距离短、传输速度慢的问题,同样也限制了其在无线粮情测控系统中的应用。
方案三提出的利用ZigBee技术进行组网。与WiFi和蓝牙相比,ZigBee技术具有传输距离较远、稳定性较高、安全性较好、成本较低等优点,其待机功耗最低,非常适宜在粮仓环境中布置。在程序编写上,ZigBee有德州仪器公司给出的Z-Stack协议栈,可以大大节省开发工作,减少工作量,并且由于该标准的存在,当有新的传感器加入时可以很方便的实现测控系统下位机的拓展。
以上是毕业论文大纲或资料介绍,该课题完整毕业论文、开题报告、任务书、程序设计、图纸设计等资料请添加微信获取,微信号:bysjorg。
相关图片展示:









