拉力传感器校准仪设计毕业论文
2020-04-15 21:00:13
摘 要
随着工业信息技术的不断发展,拉力传感器在工业应用方面日益广泛,由于对于传感器的精度与准确度的要求不断提高,由此力传感器测量仪的校准设计显得尤为重要,测量仪作为传感器的检测设备,在拉力传感器的实际应用中发挥了极大的作用,因此校准仪的研发与设计得到了广泛的关注,在现代控制系统中拉力传感器作为反馈环节,其准确度和性能对于控制效果有这极大的影响,但目前拉力传感器的测力范围往往过大,且在小拉力测量情况下精度无法满足要求,所以在使用拉力传感器时需要一款能够实时且较为精确的的反馈拉力数值的测量仪,该测量仪简化了传统校准的结构与测量难度,能够有效的提高小力测量的力值的准确度与精确度。
本论文完成了校准仪结构的设计、实时数据采集、数据通信、电子系统的控制设计,对于机械结构和电子系统中对于测量精度影响的因素进行了谈论,并提出解决方案,在电子系统设计部分采用了STC-89C51单片机作为处理器、高精度的16位AD模块转换器、LCD1602显示器进行数据的采集,由此完成了下位机单片机的程序设计。数据通信部分通过Qt采用C 语言根据RS485串口通信协议完成了上位机软件的开发,将下位机的数据传输到上位机并在上位机的页面中显示出来。在完成基础设计之上,用更高精度标准测量仪进行了测试,对于各种影响测试的结果进行了分析,并得出评定结果。
关键词:力传感器 测量仪 固件设计 上位机
Design of Calibrator for Tension Sensor
Abstract
Nowadays the development of science and technology ,about the sensors have more and more widely. As the requirements for the accuracy and accuracy of sensors are constantly increasing, the calibration design of force sensor measuring instrument is particularly important. As the testing equipment of sensors, the measuring instrument plays a great role in the practical application of tension sensors. Therefore, the research of calibration instrument is very important.
In this article we had completed the calibration instrument structure design, and we also finished
the time-data acquisition , communication with data about the control of electronic system design, The factors affecting the measurement accuracy in mechanical structure and electronic system are discussed, and solutions are proposed. In the design of electronic system, STC-89C51 single chip computer is used as processor, 16-bit AD module converter with high precision, LCD1602 display. Data acquisition is carried out, and the program design of the single chip computer of the lower computer is completed. In the data communication part, the upper computer software is developed by using C language and RS485 serial communication protocol through Qt, and the data of the lower computer is transmitted to the upper computer and displayed on the page of the upper computer. After completing the basic design intelligence quotient, the test was carried out with a higher precision standard measuring instrument.
Keywords: Force sensor;Calibration;Hardware design;Host compute
目录
摘要 I
Abstract II
第一章 绪论 1
1.1选题的背景及现实意义 1
1.2国内外对于此领域的发展现状及趋势 1
1.2.1静态测量的方法内容 1
1.2.2动态测试的方法内容 1
1.2.3发展趋势 1
1.3本文的研究主要内容以及研究的意义 2
第二章 开发平台简介 3
2.1单片机及开发平台 3
2.2上位机页面开发环境Qt 4
第三章 整体方案及硬件设计 6
3.1整体方案流程 6
3.2单片机及其外围硬件设计 7
3.2.1微处理器的模块选型 7
3.2.2被测传感器硬件 7
3.2.3电源电路设计 8
3.2.4复位及时钟电路图 8
3.2.5放大电路图 9
3.2.6通讯模块 9
3.2.7模数转换模块 10
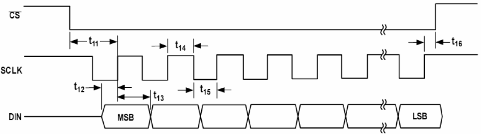
3.3串行数据通信方式部分 12
3.3.1串行通信及通信协议 12
3.3.3单片机与上位机之间通信 12
3.4硬件整体PCB图 13
3.5本章小结 13
第四章 软件设计 14
4.1单片机软件部分 14
4.2单片机主程序设计 14
4.3单片机子程序设计 15
4.3.1底层驱动模块初始化 15
4.3.2串口中断子程序 15
4.3.3数模转换子程序 15
4.3.4串口通信模块子程序 16
4.3.5 LCD1602显示子程序 16
4.3.6量程切换子程序 17
4.4单片机与上位机通讯程序 18
4.5本章小结 20
第五章 系统的整体测试 21
5.1整体运行测试 21
5.2本章小结 23
第六章 论文总结 24
6.1工作总结 24
参考文献 25
致谢 26
附录 27
第一章 绪论
1.1选题的背景及现实意义
随着制造业的不断更新发展,在生产过程中对于拉力的测试显得十分重要,在工业自动化、机械制造、建筑、航天军事等领域有着广泛的应用,因此正确的测量和控制拉力整个生产运行稳定,工业设备可靠性的重要保障,在现代工业中力学测量技术属于基础领域,在计量学发展过程中也是作为一个基本学科。
力学传感器测量仪广泛应用于各类力的传感器测量过程,在测量过程中传感器的输出电压必须能够精确的反应拉力的实时变化,从而得到较为精确的数据。由于拉力传感器随着长期的使用会出现老化现象,输出电压漂移,其电压输出值不能够正确的反应对应拉力的变化,这就间接的影响了测量仪的测量效果,为了使得测量仪能够准确的反应力的变化,当传感器在投入使用后其放大器都需要标定,才能使得测量的精确度更可靠,这就需要产生高精度的标准的拉力源对拉力传感器进行标定和测试,本文就是围绕该方面展开软硬件方面的设计,研究拉力传感器的测试与校准技术。
1.2国内外对于此领域的发展现状及趋势
力传感器的测量分为静态测量与静态测量,而且的研究方法与内容各不相同。
1.2.1静态测量的方法内容
所谓的静态测量,就是在无抖动、无冲击,在正常室温的条件下(20±5℃)对拉力传感器量程范围内许可的标准力来测量拉力传感器或者对应的放大器输出电压,根据测得数据确定输入-输出的函数关系并确定力传感器测量仪在一定范围内的检测精度。
当采用静态的测量方法对被测传感器进行测试时,可采用多种方法以提供拉力源,如:机械产生、液压等[1]。
1.2.2动态测试的方法内容
传感器的动态测量时当输入量随时间推移不断发生变化时,传感器的响应特性可通过常用的传递函数描述,可以通过搭建物理模型或通过系统辨识的方法求出传递环数,再结合控制的传递函数计算动态性能指标(超调量、调节时间、动态误差等等)本文只采用静态的测试方法。
1.2.3发展趋势
由于传感器技术的快速发展,静态测量因其结构简单容易实现而且成本较低的优势,
在满足拉力范围内以及精度要求的情况下,在近几十年得到了快速的发展和广泛的应用,随着传感器的性能以及稳定性的逐步提高,拉力测量仪的的性能也随着得到了极大地改善[2]。
以上是毕业论文大纲或资料介绍,该课题完整毕业论文、开题报告、任务书、程序设计、图纸设计等资料请添加微信获取,微信号:bysjorg。
相关图片展示:









