电力电子系统DC-DC buck电路的控制毕业论文
2020-04-15 18:09:13
摘 要
当今消费市场中,电力电子产品广受人们欢迎,在人们生活中占据越来越大的比重,这些产品大多由电池来供电。现如今人们对电池产品的要求也越来越高,体积更小、重量更轻、电池容量更大、转换效率更高的电池将成为发展趋势。高效、低压开关DC-DC转换器,通过提高电源转换效率及改进控制技术,满足了人们的要求,被广泛应用于电力电子产品中。目前,集成开关电源被广泛应用在便携式电子产品中。为适应人们对便携式电子产品的要求,实现高集成度、高效率的开关电源设计显得尤为重要。
本文以Buck变换器为研究对象,首先对BUCK电路做简要了解,包括本课题的研究背景及意义,开关变换器的研究现状和发展分析,BUCK电路在实际生活中的应用,然后对其内部结构及工作原理做深入研究,设计合理可行的电路控制方案,并进一步设计闭环PID控制器,并能通过整定控制器的PI参数得出稳定的输出电压波形,提升BUCK电路的控制性能。并借助Matlab/Simulink工具对DC-DC BUCK电路系统进行建模设计,设计出能明显改善系统性能的PID补偿器,调节PID参数,对仿真结果进行研究分析,并对设计的控制系统做扰动测试,观察系统的抗干扰性能,最后在BUCK电路实验平台进行实验验证。
关键词:开关电源 DC-DC BUCK电路 PID控制器 Matlab/Simulink工具
ABSTRACT
In today's consumer market, power electronic products are widely popular and occupy an increasing proportion in people's life, such as smart phones, ipads and other portable electronic products, most of which are powered by batteries. People's living standards are becoming higher and higher, there are great changes on these products . Batteries with smaller size, lighter weight, larger battery capacity and higher conversion efficiency will become the development trend. High efficiency, low voltage switch dc-dc converter, through improving the efficiency of power supply conversion and improve the control technology, to meet the growing demand of people, so it is widely used in power electronic products. In order to meet people's requirements for portable electronic products, it is particularly important to realize high integration, high precision and high efficiency switch power supply design.
This paper takes Buck converter as the research object. Firstly, it makes a brief understanding of Buck circuit, including the research background and significance of this topic, the research status and development analysis of switch converter, and the application of Buck circuit in real life. Then the study of the structure , and further design of closed-loop PID controller, and can be designed to minimize the start loss as the goal of PI parameter optimization algorithm to avoid the traditional algorithm of integral lag, improve the control performance of BUCK circuit. And with the tools of Matlab/Simulink modeling design of DC - DC BUCK circuit system, the design can obviously improve the system performance of PID compensator, adjust PID parameter, to study and analysis of simulation results, and the design of control system for disturbance test, observation system of anti-jamming performance, the last BUCK circuit and the experimental platform to do a simple understanding, BUCK circuit hardware in loop real-time control experiment and analysis.
Key words: switching power supply ,dc-dc BUCK circuit, PID controller, Matlab/Simulink tool
目录
第一章 绪论 1
1.1 本课题研究背景及意义 2
1.2 研究现状 2
1.3 BUCK电路简介 2
1.3.1 几种基本类型的开关电源 2
1.3.2 DC-DC变换电路 2
1.3.3 应用 3
1.4 本课题研究内容与研究手段 3
1.4.1 课题研究内容 3
1.4.2 课题研究手段 4
1.5 章节安排 4
第二章 BUCK系统的工作原理及建模分析 6
2.1 降压原理 6
2.1.1 串联式开关电源 6
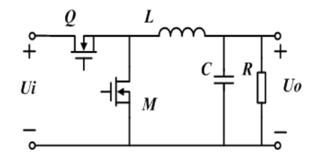
2.1.2 BUCK电路 7
2.1.3 同步电路 8
2.2 BUCK电路参数选择 9
2.3 BUCK电路的数学模型 9
第三章 BUCK电路的控制与仿真 11
3.1 仿真软件 11
3.2 PID控制算法 11
3.2.1 简介 11
3.2.2 参数整定 11
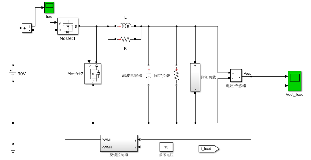
3.3 BUCK电路Simulink模型构建 13
3.3.1 基本同步整流BUCK电路仿真模型 13
3.3.2 加入PID控制器后的仿真模型 14
3.4 BUCK电路Simulink模型仿真 15
3.4.1 未加扰动(附加负载)时的仿真曲线 15
3.4.2 加入扰动(附加负载)后的仿真曲线 16
3.5 仿真结果分析 17
第四章BUCK电路的控制实验验证 18
4.1 BUCK电路板 18
4.1.1 BUCK电路板简介 18
4.1.2 BUCK硬件电路图 19
4.2 MATLAB/Simulink外部实验模型 20
4.3 实验系统硬件平台 22
4.4 实验结果分析 23
第五章 总结与展望 28
5.1 全文总结 28
5.2 工作展望 29
参考文献 30
致 谢 32
第一章 绪论
伴随着便携式电力电子产品的不断发展,人们对电源电池的要求越来越高,体积小,重量轻,使用时间更长更高效的电池拥有更广泛的应用领域。集成开关电源能有效提高电源转换效率及改善控制技术,被广泛应用于通信、电子产品等领域,在此社会和行业背景下,设计出高效率、高精度的DC-DC变换器具有极其重要的现实意义。
1.1 本课题研究背景及意义
自第三次工业革命以来,电力电子技术飞速发展,广泛应用于电力、电子、通信、计算机等领域。其中,开关功率变换器[1]作为一种基本的电力电子元件,国内外对于其应用和研究进行了广泛的探讨。然而随着电力工业发展,用户对电能质量的要求越来越高,各种电子元件特别是微处理器对供电模块的性能提出了极高的要求,传统的控制方法越来越不适用于现代电力工业对负载动态响应速度,稳态精度和传输效率的要求。经过半个多世纪的不断探索,开关功率变换器的控制技术有了脱胎换骨的变化,实现了从传统的模拟调制向数字调制,从单一电压调制向电压、电流、电荷以及组合调制方式的转变,有效的提高了变换器的动态性能。
当今消费市场中,电力电子产品广受人们欢迎,例如智能手机,ipad等便携式电子产品,这些产品大多由电池来供电,随着人们生活水平的日益提高,对电池产品的要求也越来越高,体积更小,重量更轻,电池容量更大,转换效率更高的电池将成为发展趋势。高效、低压开关DC-DC转换器,通过提高电源转换效率及改进控制技术,满足了人们对电池不断增长的要求,因此被广泛应用于便携式电力电子产品中。传统的控制系统普遍采用PI控制,PI控制算法简单,易于理解,还可以使系统具有良好的稳态性能,因此被广泛使用。但是,PI控制器因为有I(积分控制)的存在,难以避免存在滞后性,电路的动态性能也会受到控制器频宽的限制[2],使得PI控制在一些要求较高的情况下无法使用,因此设法改进传统的PI算法以提高BUCK电路控制性能成为研究方向之一。
以上是毕业论文大纲或资料介绍,该课题完整毕业论文、开题报告、任务书、程序设计、图纸设计等资料请添加微信获取,微信号:bysjorg。
相关图片展示:









