空气净化器控制系统设计毕业论文
2020-04-13 11:26:15
摘 要
Abstract 6
第一章 绪论 1
1.1课题研究背景、目的及意义 1
1.2国内外发展现状 2
1.3课题研究主要内容 3
第二章 方案设计 4
2.1控制系统方案设计 4
2.2控制器选型方案 4
2.2.1方案一 4
2.2.2方案二 5
2.3传感器模块方案 5
2.3.1温湿度传感器方案 5
2.3.2 PM2.5传感器选型方案 6
2.3.2 PM2.5甲醛传感器选型方案 6
2.4风机驱动模块方案选择 6
第三章 控制器硬件电路设计 8
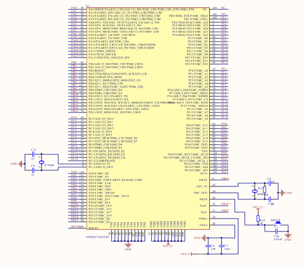
3.1单片机控制电路设计 8
3.2显示电路设计 10
3.2.1 TFT_LCD液晶显示电路设计 10
3.3.2 TFT_LCD触控电路设计 10
3.2.3 数据存储芯片设计 11
3.3 驱动电路设计 12
3.4 按键电路设计 12
3.5 数据采集电路设计 13
3.5.1 温湿度传感器模块设计 13
3.5.2 PM2.5传感器模块设计 13
第四章 空气净化器控制系统软件设计 14
4.1 主程序设计 14
4.2 显示子程序设计 15
4.3 PWM输出子程序设计 19
4.4 数据采集程序设计 20
4.4.1 温湿度传感器模块程序设计 20
4.4.2 PM2.5传感器模块程序设计 21
4.5 系统界面设计 23
4.6 其它子程序设计 24
4.6.1 RTC时钟电路程序设计 24
4.6.2 上位机通信 25
第五章 试验与调试 27
5.1 DHT11温湿度传感器试验与调试 27
5.2 SDS011传感器试验与调试 27
5. 3 试验与调试 28
5.3.1 空气净化器控制系统外包装设计 28
第六章 总结 30
致 谢 31
参考文献 32
附 录 33
摘 要
随着人们生活水平不断提高,对周围环境的空气质量、温湿度要求也越来越高,空气质量已经成为衡量日常生活的一大重要指标,同时这也促进了人们对空气净化器的需求,使得空气净化器由开始的功能单一、结构简单逐步趋于智能化、人性化、复杂化发展。
本次设计采用的是STM32单片机作为主控芯片,配合温湿度传感器DHT11、PM2.5传感器、甲醛传感器、稳压芯片、风机以及安卓屏等,通过电力电子技术和电路原理基础,设计主控芯片的电路图、传感器接口电路以及显示电路,运用传感与检测技术使得传感器能准确检测信号,并将物理信号转变成电信号,经过转换器传送给主控芯片,通过计算机技术创建特定算法,对接收到的信号进行处理,将处理结果反馈至触摸屏,由此搭建一个空气净化器控制系统,实现实时空气质量检测以及简单的改善,并通过数据传输,显示于安卓屏上。
关键词:STM32;传感器;空气质量;检测;数据传输
Abstract
With the continuous improvement of people’s living standards, the air quality, temperature and humidity requirements for the surrounding environment are also getting higher and higher. Air quality has become an important indicator of daily life, and it also promotes people’s demand for air purifiers. The air purifier starts with a single function and the structure is simple and gradually becomes intelligent, humanized, and complicated.
This design uses the STM32 microcontroller as the main control chip, with the temperature and humidity sensors DHT11, PM2.5 sensors, formaldehyde sensors, voltage regulator chips, fans and Android screen, through the power electronics and circuit theory, design the main control chip The circuit diagram, sensor interface circuit, and display circuit use sensing and detection technology to enable the sensor to accurately detect signals and convert the physical signals into electrical signals, which are transmitted to the main control chip through the converter and create specific algorithms through computer technology. The signals arrived are processed and the processing results are fed back to the touch screen, thereby establishing an air purifier control system, realizing real-time air quality detection and simple improvement, and displaying on the Android screen through data transmission.
Keywords:STM32;sensorair;air quality;detection;data transf
第一章 绪论
1.1课题研究背景、目的及意义
如今,随着社会经济的不断发展,科学技术水平的不断提高,私家车使用越来越多,工厂也在日益增加,在人们追求物质生活的同时,也给环境造成了极大的负担,特别是空气质量受影响最大,虽然细小颗粒物在地球的大气中所占比例目前还不是很高,但其一直处于增长势头,对空气质量以及能见度都有极大影响,相比于空气中其他较大的粉尘,其扩散范围广、扩散速度快,而且更容易进入人体呼吸道,细颗粒物进入人体到肺部后,会直接影响肺的呼吸功能,使机体容易处在缺少氧气的状态。
随着科学的进步,针对这一问题的应对方法也越来越多样化,其中最为有效的有以下几种,一是过滤法,即通过各种净化装置的滤网,将颗粒物吸附在其表面,然后达到清除的目的,效果较明显,二是水吸附,即通过增加空气湿度来达到除尘的目的,缺点是无法除去憎水性杂质,三是植物吸收,效率较低,四是负离子法,使空气中带有负电的离子与细小颗粒物结合,使其凝聚在一起后沉淀,从而达到净化气体的作用。
全球空气质量的下降,雾霾的增多,为空气净化器的发展提供了必要条件,使空气净化器成为生活中必不可少的家电之一,尤其是在封闭的室内环境工作生活的人来说,空气质量尤为重要,具有改善室内空气质量最好的、最有效的途径就是空气净化器,为改善室内空气,对空气净化器的深入探索是十分有必要的。本次开发的空气净化器,通过传感器检测室内空气环境质量,采用了单片机为主控制器,对采集的信号进行有效的分析处理,从而达到净化空气,为室内提供一个空气洁净环境的目的。室内气净化器使用方便、不受时间、空间等因素的过多限制,可随时净化室内空气、清除有害气体,具有较强的灭菌、净化空气、去除异味等功能,对于长时间在室内的人们来说,空气净化器显得十分重要,它能使室内环境空气更加清洁,有益于人们精神集中[4]、心情舒畅,更有益于身心健康。与此同时,又可以将所学知识运用到实际生活中去解决现实中遇到的问题,一方面增强了独立思考、发现并解决问题的能力,为今后步入社会工作打下坚实基础,另一方面提高了动手操作能力,达到学有所成的目的,同时还能为日益加重的空气质量问题提供个人解决方案。
1.2国内外发展现状
随着人们生活水平的提高,对空气质量的要求也越来越高,人们更加重视所生存的空气环境质量,甚至把空气质量列为比物质生活更为重要的一项生存指标,空气净化器成为现代家居生活的不可或缺的小家电。
上世纪九十年代,空气净化器在发达国家较为普遍,其中,美国是空气净化器消费最大的国家,直到第三次工业革命,空气净化器才逐渐地向世界各地蔓延。现在,随着经济全球化的到来,互联网的蓬勃发展,空气净化器也来到了我国,经过长时间的摸索,现在国内很多企业都掌握了独特的空气净化技术,都有自家特色的空气净化系统。空气净化器已经有了多种不同的种类,并且每一次技术的更新都为人们室内空气品质的改善带来显著效果。而这一切目的只有一个:希望能净化室内空气来提高人们的生活质量。
随着科学技术的不断进步,现在的空气净化器控制系统已经基本达到智能化、人性化和自动化,空气净化器对于不同适应环境有了不同的方案,并且对不同环境都有很强的适应性,这就说明它不仅能用于普通的生活工作环境,在各个领域都能物尽其用,比如生产车间、汽车、飞机等。与传统的通过物理净化空气来实现空气净化的控制系统相比,现代的空气净化控制系统大多比较复杂,一般由以下几部分构成:主控制器、风机负载、驱动器、传感器、显示等部分组成 ,传感器来检测空气中的气体成分,通过A/D或D/A转换器实现数据交换,可以通过与上位机系统进行通讯实现远程控制,通过软件设计,可实现在显示屏上进行人机交互,使得空气净化器控制系统更加符合人们的要求,有的空气净化系统甚至不用过多的人为干预,通过内定的程序算法或者机器学习,就能自主点解决空气净化或者室内温度调节问题,相比于传统的空气净化器,更为人性化。相比于国外的空气净化系统,国内的空气净化技术起步比较晚,直到改革开发以后才得以重视,截至目前还存在差距,但随着科学技术的更新换代,更多新技术得以运用于空气净化领域,以及国家对空气净化技术的支持和投入,使得这种原本巨大的差距在逐步减小,甚至于有赶超的趋势。
1.3课题研究主要内容
以上是毕业论文大纲或资料介绍,该课题完整毕业论文、开题报告、任务书、程序设计、图纸设计等资料请添加微信获取,微信号:bysjorg。
相关图片展示:









