具有丢包和延时的网络控制系统分析与仿真毕业论文
2020-04-08 14:26:09
摘 要
Abstract 3
第一章绪论 4
1.1计算机控制系统的发展背景 4
1.2网络控制系统概述 5
1.3 网络控制系统的问题 6
1.4 论文结构与主要内容 7
第二章存在网络诱导时延的网络控制系统分析 8
2.1网络时延分析 8
2.2网络控制系统延时设计分析和仿真分析 11
2.3小结 15
第三章对于存在丢包的网络控制系统分析 16
3.1丢包现象说明 16
3.2具有丢包的网络控制系统的分析 16
3.3具有丢包的网络控制系统建模、仿真分析 17
3.3小结 20
第四章总结与展望 21
4.1论文总结 21
4.2展望未来 22
参考文献 23
致谢 24
摘要
网络控制系统是计算机技术、通信技术和控制技术融合并发展成的一个新领域。在描述述网络控制系统研究现状的基础上,指出了影响系统性能的关键因素是网络诱导时延和数据包丢失,它们的存在使系统的分析和设计工作变得相当复杂。
考虑到网络诱导时延对系统性能影响,本文分析了网络诱导时延的产生原因和分布特性。对于由不同数据传输技术所构成的网络协议作了一些分析,对于使用TrueTime工具箱在网络控制系统时延的研究也有了一个明显的分析实例。研究结果表明:网络控制系统的时延的产生主要是因为网络负载和MAC层数据传输技术和调度算法的不同,所以在以后设计网络控制系统的时候,就必须对这些方面进行适当的考虑和分析。
网络丢包主要发生在节点故障或信息冲突之时,虽然网络协议中有重发机制,但是重新发送数据是有一定时限的,超出这个时限就将这些数据丢弃。而实时反馈控制网络对实时性要求很高,超出时限的时延会导致数据失去利用价值,从而导致数据丢失。
本文的特色在于:首先分析了网络延时的产生机理和组成部分,选择了较为合理的算法和协议,再用TrueTime工具箱仿真,利用实例分析时延具体对系统的影响作用;然后又对网络丢包进行了相似步骤的分析、处理和仿真 。
关键词:网络控制系统,网络诱导时延,数据包丢失,仿真
Abstract
Network control system is a new field of computer technology, communication technology and control technology. On the basis of describing the current research situation of networked control system, it is pointed out that the key factors affecting the system performance are network-induced delay and packet loss, which make the analysis and design of the system quite complicated.
Considering the influence of network-induced delay on system performance, the cause and distribution of network-induced delay are analyzed. This paper makes some analysis on the network protocols composed of different data transmission technologies, and gives an obvious analysis example for the study of the delay of networked control system using TrueTime toolbox. The results show that the delay of the networked control system is mainly due to the difference between the network load and the MAC layer data transmission technology and scheduling algorithm, so in the later design of the network control system, These aspects must be given due consideration and analysis.
Network packet loss mainly occurs when nodes fail or information conflicts. Although there is a retransmission mechanism in network protocols, it can only resend data in a limited time, and the data will be discarded beyond this time limit. The real-time feedback control network requires high real-time performance. The delay beyond the time limit will lead to the loss of data utilization value and data loss.
The characteristics of this paper are as follows: firstly, the mechanism and components of network delay are analyzed, and the reasonable algorithms and protocols are selected. Then, the simulation is done with TrueTime toolbox, and the effect of delay on the system is analyzed by an example. Then the same steps are analyzed, processed and simulated for the network packet loss. Finally, the network system with delay and packet loss is simply analyzed and explored.
Keywords: network control system, network induced delay, packet loss, simulation
第一章绪论
1.1计算机控制系统的发展背景
从计算机控制系统在人们的生活中出现到现今,它已经经历了以下几个发展阶段。
第一个阶段是出现于20世纪40年代的基地仪表控制系统,主要是基于0.02至0.1MPa气动信号的直动控制系统PCS。
第二个阶段是在上个世纪50年代出现的模拟控制系统ACS,该系统的主要模拟型号标准是4至20mA。
第三阶段是与在70年代初随着小型微型计算出现而出现的集中控制系统CCS和数字控制DCC系统。
第四阶段称为主从式的集散控制系统DCS。
第五阶段是出现于80年代分布式的现场总线控制系统FCS。
第六个阶段就是现阶段广泛应用的网络控制系统(NCS),同时它也是本文将要探讨的对象。
1.2网络控制系统概述
计算机网络控制系统是当前计算机技术和通信技术发展相结合的结果,在我们的社会进入21世纪后,设备自动化的发展和工业控制技术的进步,使得通信传输技术和网络控制技术也不得不随之一起进步变得越来越智能越来越复杂。又因为现代工厂与智能设备的传感器、控制器、执行部分等重要部件分布在不同的地域,它们之间的的通信只能依靠数据通信网络来实现,于是典型网络控制系统就在这种网络环境下诞生了,它的系统机构和信息流向如图1.1所示
图1.1 典型网络控制系统结构与信息流向图
从网络的结构构成上来看,网络控制系统(NCS)和现场总线控制系统(FCS)并没有什么本质的区别,都属于总线系统,也就是说是多个设备节点共享通信传输信道,用以来传输实时和非实时的数据;但是从定义上看,节点之间的数据传输和共享是FCS的核心思想,而在通信网络上建立闭环的控制通道则是NCS的重点,由此看来,NCS是一个广义的范围,FCS,工业以太网,甚至Internet都在NCS的包含范围之内。在图1.1中,网络控制系统中的被控制设备、传感器、控制器和执行器是可以不分布在相同或相近的位置上,只要有一个公共网络平台能作为它们相互交换信息中枢就可以了,系统中的信息流向则由图中箭头的方向表示。
网络控制系统(Networked Control Systems)这个名词最早是由在Walsh在他1998写出的著作中所提到的,但是Walsh仅仅只是给出了其结构图,而没有给出一个详细的具体的定义。至于国内的定义则是一般采用清华大学顾洪军的言论即:网络控制系统,又称网络化控制系统,就是在网络环境下实现控制系统。是指在某个区域内的一些现场检测、控制及操作设备和通信线路的集合,用以提供设备间的数据床书,使该区域不同地点的设备和用户实现资源共享和协调操作。广义的网络控制系统还应该包括通过企业信息网络以及Internet实现对工厂车间、生产线甚至现场设备的监视控制[1]。
由上面的顾老师的定义来看,网路控制系统的分析与研究将控制理论和网络技术这两门学科融合在了一起,这是一种现代的、新型的学科之间的交互,其研究成果和应用技术对发展新的控制领域可以起到重要作用。
1.3 网络控制系统的问题
从网络控制的结构来看,网络控制系统的优点是减少了系统的布线、易于系统诊断和维修且提高了系统的灵活性,但是也有很多问题存在其中。
由于网络的应用,网络控制系统的信息传输是通过通信网络来实现的,而每个通信网络的带宽总是有限的,所以,数据在传输的过程中一定会出现可能出现的的各种情况。例如每个节点在网络进行传送前进行网络检测,当网络处于闲置状态时,它就会立即传送,否则继续等待,直到网络不繁忙;当两个或多个节点同时尝试传输,就会有碰撞发生,排队和碰撞以及等待的情况。而以上的这些情况会导致数据传输无法及时到达目标点,所以这种延迟也一般被称为网络延迟。这种网络延迟是随着网络结构的不同而变化的,有的可能是随机的,有的可能是常数的,有的也可能是时变的。而这种延时的存在,会导致网络控制系统的指令往往不能及时地传达到节点,从而导致系统的性能变差,甚至影响系统的稳定。
另外的一个问题是数据丢失。由于共享网络都会存在网络堵塞和终端连接的现象,虽然大多数的网路系统都有重新传输的机制,但是只能在有限的时间内重新发送数据,超过这个时间就会导致这部分的数据被系统丢失。另外,对于节点来说,当一个节点正在等待发送信息的时候,若此时又有新的消息传来,那么丢弃旧数据转而传递新数据是合理的。所以,以上的这两种情形都会造成数据丢失的问题,当然,这中间有些数据丢失可能是我们希望的,但多数数据丢失是系统因为网络堵塞而自发产生的,这是我们十分不愿意看到的情况。
除了以上的这两种系统问题之外,网络控制系统还存在如误码、数据错序、空采样、抖动、网络调度不佳等等问题,因此,网络控制系统是很难使用那些基于传统的控制理论给出的控制系统的设计和分析,必须针对网络控制系统的特点,经过研究和分析得到的设计方案才可能是适合用于开发网络控制系统的策略。同时,清楚分析出各个系统问题,再给出具体的解决方案,也是对于系统优化具有指导意义的,对此,本文就主要针对延时和丢包的问题进行探讨。
1.4 论文结构与主要内容
本论文一共分为四章,其整体结构和主要内容如下:
第一章 绪论。本章主要介绍网络控制系统的发展背景,然后针对性地介绍了网络控制系统的定义和它在工业场合设计时存在的问题,以及简要介绍这些问题的产生原因,最后,对本论文的研究内容做一个简要的介绍。
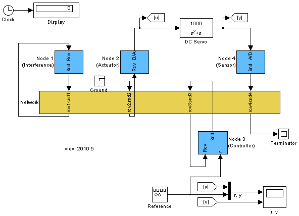
第二章 网络控制系统时延分析。在这章介绍了网络控制系统中时延的组成,以及时延对系统的影响,同时对时延的产生做一了个说明和分析,之后也做了网络控制系统的时延设计方案的分析与选择。然后就目前针对网络控制系统时延设计时方案的确定进行分析,并选择了一种方法作为本论文的主要研究方法。最后进行了NCS时延设计与仿真。主要是利用truetime工具箱和matlab环境设计一个NCS时延模型,然后进行仿真并找出对NCS时延有关的因素。
第三章网络控制系统的丢包分析。本章介绍了网络控制系统的丢包现象的产生原因。然后将具有丢包的网络控制系统看作一个异步动态系统,并对异步动态系统进行了研究分析。最后对网络控制系统的丢包现象进行了建模和仿真分析,研究了在一定数据丢失率的网络控制系统中保证系统稳定性的条件,并在保证网络控制系统稳定的情况下,计算推导了数据丢失的最高概率。
第四章 结论。总结论文主要工作,并对论文的结论进行阐述。
第二章存在网络诱导时延的网络控制系统分析
2.1网络时延分析
在NCS中,信息的传输在实质上是网络上某个节点有任务产生并发送信息,然后经过各层协议的封装解析等手段通过网络到达另外一个设备。网络控制系统中的时延就是产生于这个过程[6]。
根据产生方式不同,网络时延分为两种。一种是控制系统中设备的计算处理过程产生的时延,如传感器、控制器和执行器完成自身功能时所用的时间延迟;另外一种是由于在整个系统中,各个设备共享通信网络,导致网络传输各自信息时候发生碰撞引起的时延,这种时延我们一般称之为网络诱导时延。但是需要说明的是,这种时延的现象并不是只是网络控制系统独有的,在传统的点对点控制系统中也存在着通讯时延和计算处理数据的时延,但是由于这种系统的通信线路是独享的,数据通信的时候不存在随机等待和网络空闲时间,所以这个通讯时间是可以忽略的,而这种系统的主要时延就是计算处理时延。因此,网络诱导时延问题出现并不是传统的点对点控制系统的研究难点,但是对NCS来说,这种网络诱导时延却是最大要解决的问题,因为在NCS中,设备的计算处理时间随着硬件水平不断提高,采样周期不断变小,现在已经是可以忽略的了,反之,网络诱导时延却因为共享信道而变得重要复杂起来。因此针对NCS来说,我们主要研究的时延问题就是网络诱导时延。
网络控制系统中存在的延时从类型分类上来说可以分为:传感器处理延时、控制器处理延时、执行器处理延时、传感器到控制器网络延时、控制器到执行器网络延时。从性质上又可以分为节点处理延时和网络传输延时(或者两者称为处理延时和通讯延时)[7]。
图2.1 网络延时组成图
图2.1所示,节点处理延时包括消耗在源节点上的延时(包括图中的节点预处理时间 τpre和等待时间τwait)和消耗在目的节点上的延时(后处理时间τpost)。网络传输延时表示为τtx符号。所以信息从源节点到达目的节点所用的传输总时间可以用下面的表达式表示:
τdelay =τpre τwait τtx τpost。
这里我就这几种延时分别做一些简要说明。
(1)源节点的预处理时间τpre是指节点从外部设备取得物理数据并把物理数据的格式转化为通信网络所需要的格式的时间[8]。这个时间一般由软硬件环境的好坏来决定,性能好的时间短,性能差的时间自然长一些,不过在大部分情况下,节点的预处理时间都是比较稳定没有什么变化的,即使有波动也比较微小可以忽略不计。
(2)节点等候时间τwait是指数据链路层数据帧在发送缓存中等待MAC协议发送的时间,这段时间是由缓存队列中的排队时间、进行信道竞争的时间、等待信道空闲的时间这几部分时间加起来而成的[9]。这种等待时间一般都会受到以下几个因素的影响即:节点发送信息队列的长度、网络介质访问控制方式、网络负载、信息调度策略和MAC层协议的影响。
(3)目标节点后处理时间是指接收来的数据包解码成物理数据形式并作用于外部设备所需要的时间[10]。节点的特性将决定这个处理时间的长短,一般也可以视其为恒定的或者可以忽略。
(4)网络传输时延τtx是指从源节点发送目标信息的第一个字节开始到信息的最后一个字节被接收完毕时所需的的时间。数据的传输速度,数据包的大小,源节点和目的节点之间的物理距离等因素会影响到网络传输时延的长短。因此网络传输时延可以用公式表示为:
τtx = N×Tbit τprop
其中N是指信息数据包的字节个数,Tbit是源节点发送每个字节的所用的时间,τprop是一个节点的物理信号传输到另一个节点所用的传输时间,在网络物理范围不大的情况下这个传输时间是很小的,所以网络物理范围不大的情况下是可以忽略的。
(5)节点后处理时延τpost是指将数据包解析还原为应用层信息并传递给任务的时间,它由目标节点的设备性能的好坏来决定[11]。
从以上的延时分析可以看出,网络协议,信息长度,网络负载,网络速度,节点间物理距离等等,这些因素都会对网络诱导延时产生影响。当对实际系统发送信息时,处理延时τpre和和节点后处理时延τpost是由设备的性能来决定的,如果网络控制系统是固定的,那么他们的值是相对固定而且可以预测的,或者说是在一个很小的范围内波动的,也就是说是能够相对确定的。τtx则是取决于信息的发送速度以及源节点与目的节点之间的物理距离,因此它也是相对确定的。所以,网络延时主要由等待延时τwait决定,且当网络节点数和数据量变大时等待时延也会随着他们的增大而变大。正常的工作条件下,网络流量是基本稳定的,所以对于不同协议的系统,等待时延随着访问介质及控制机制的变化而有很大的差异。因此,网络控制系统的时延不确定性主要来自MAC层的等待时延[12],所以想要提高系统实时性能,就必须思考并研究怎样补偿等待时延以达到提高系统实时性能的目的。
2.2网络控制系统延时设计分析和仿真分析
在当前的网络控制系统理论分析界主要从两个方面来着手解决时延的问题:一是从网络的角度出发,设计一种通信协议或则网络调度算法,来减小网络时延对于控制系统的影响;另外一个方法就是从控制的角度出发,在现有的网路结构和协议的基础上来设计控制系统的结构、控制算法等等,以补偿或者减少网络实验对控制系统的不良影响[13]。
当然,有时候仅仅从网络的角度或者从控制的角度来考虑,可能只能解决一部分的问题而不能尽量好的解决网络的时延问题,这时候就需要我们将两者紧密结合在一起思考、探讨、研究,期望可以获得更好的效果。
2.2.1网络角度
在分析时延的产生和组成的时候,我曾说过时延是与网络资源直接相关的,所以进行实时调度控制对网络控制系统来说就是必不可少的一件事,而合适的恰当的调度算法对于减少时延来说也是一种十分常见的方法,不少文献资料中也有对于这些算法的描述,比如说
以上是毕业论文大纲或资料介绍,该课题完整毕业论文、开题报告、任务书、程序设计、图纸设计等资料请添加微信获取,微信号:bysjorg。
相关图片展示:









