酒精浓度检测仪的设计毕业论文
2020-04-08 13:21:47
摘 要
近年来,随着社会进步以及经济的提升,人们的生活质量变得越来越高,中国汽车的数量也愈来愈多,然而酒后驾车行为造成的交通事故慢慢增多,对社会的危害也愈发变大。
除此之外,根据WHO的调查,道路事故中一半以上的事故都与酒精摄入有关。长久以来,酒精对人体的影响不用多说,而酒后驾驶的潜在危险更加不容小觑。在我国,因为喝酒开车导致的交通事故触目惊心。随着人们对交通安全要求的提高,酒后驾驶迅速地进入大众的视线 。而2010年8月的醉驾入刑更加体现出人们对酒驾的零容忍的态度。鉴于此,酒精浓度检测的研究引起了广泛的关注。
本毕业设计结合实际,以实用性,低性价比,可靠的原则选择合适的元件,通过设计调试和仿真设计出一款酒精浓度检测仪。本设计的基本思路是以单片机为核心,酒精气敏传感器为探测元件,通过模数转换器将传感器送出的模拟信号转换成单片机所需要的数字量,最终经过硬件电路的设计和系统软件的调试,在液晶屏上显示出来。本设计还具有设定报警值的功能,当测量数据大于设定的报警值时,系统会自动发出声光报警。本系统设计的优点是电路设计比较简单,性价比较高,实用性也较强。
关键词: 单片机;模数转换器;传感器;液晶屏
Abstract
In recent years, with the progress of society and the improvement of economy, the quality of life of people has become more and more high, the number of Chinese cars is increasing. However, the traffic accidents caused by drunk driving are increasing, and the harm to society is becoming more and more serious.
In addition, according to the WHO survey, more than half of accidents in road accidents are related to alcohol intake. For a long time, the impact of alcohol on the human body is not to be mentioned much, and the potential danger of drunk driving should not be underestimated. In China, traffic accidents caused by drinking and driving are shocking. With the improvement of traffic safety requirements, drunk driving has rapidly entered the public eye. The drunken driving sentence in August 2010 also showed a zero tolerance attitude towards drunk driving. In view of this, the detection of alcohol concentration has attracted wide attention.
This graduation design combined with practical, practical, low cost performance, reliable principle to select the appropriate components, through the design and Simulation of an alcohol concentration tester. The basic idea of this design is to use the single chip microcomputer as the core and the alcohol gas sensor as the detecting element. The analog signal sent by the sensor is converted into the digital amount needed by the single chip microcomputer through the analog to digital converter. Finally, the design of the hardware circuit and the debugging of the system software are finally displayed on the LCD screen. This design also has the function of setting alarm value. When the measured data is greater than the set alarm value, the system will automatically send out the acousto-optic alarm. The advantages of this system design are simple circuit design, high cost performance and strong practicability.
Key word: MCU ;Analog to digital converter ;Sensor ;LCD screen
目录
摘要 I
Abstract II
第1章 绪论 1
1.1 论文的研究背景及意义 1
1.2 国内外的发展现状 1
1.3 论文的主要工作 2
第2章 系统总体设计方案 3
第3章 系统元器件选型及硬件电路设计 4
3.1 单片机选型及其电路 4
3.1.1 单片机介绍 4
3.1.2 单片机晶振电路 6
3.1.3 单片机复位电路 7
3.2 传感器选型及其电路 7
3.2.1 传感器选型 7
3.2.2 传感器介绍 8
3.2.3 传感器电路 9
3.3 模数转换器的选择 11
3.3.1 模数转换器简介 11
3.3.2 ADC0832工作原理 12
3.4 液晶显示模块 14
3.5 报警电路 16
3.6 按键电路 17
3.7 电源电路 19
第4章 系统软件设计 21
4.1 主程序流程图 21
4.2 A/D转换模块程序流程图 22
4.3 按键程序流程图 25
4.4 液晶显示程序流程图 26
第5章 系统调试 31
5.1 系统硬件调试 31
5.2 系统软件调试 31
第6章 结论 32
参考文献 33
附录A 系统原理图 34
附录B 主程序 35
致 谢 43
第1章 绪论
- 论文的研究背景及意义
中华文化博大精深,中国制酒的历史源远流长,一路发展过来创造了各式各样的品种,中国的酒文化也享誉中外。然而,据调查显示,2017年中国饮酒人数的比例呈上升趋势,中国男女饮酒比例分别高达84.1%和29.3%,其中有相当部分为不健康饮酒行为。在中国传统文化中,酒是情感的重要载体,在各种交际场合中慢慢发展出一些酒桌陋习。比如“干杯文化”,“拼酒文化”等折射出人们的不理性行为,特别是酒后开车潜在的危害公共安全。
饮酒(甚至包括轻度或中度)可能会引起视力模糊和反应迟缓等常见的不良影响。此外,酒精对中枢神经产生的镇静作用也不容小觑。血液中的酒精含量是测量饮酒对人体影响的重要指标。通常用呼吸分析仪检测驾驶员的血液酒精含量是否超过标准。喝酒对人的影响大概有以下几种: 降低人的触觉感官、降低人的判断力和精确行为、容易使人产生幻觉和使人感到疲劳等。据统计,酒后驾车导致的事故数量远大于其他情况的事故,从日常交通违法行为和交通肇事案件来看,机动车酒驾比例约为38.6%,而摩托车酒驾比例则高达72.3%。
现如今,随着人们安全意识的提高,对安全性也提出了更高的要求,再加上气体传感器向低功耗、低成本、高集成度的方向发展,因此,本设计具有十分广阔的市场需求。为了实现安全性等基本要求,我们需要设计一种智能仪器来检测空气中的酒精含量。目前世界上大部分国家都采用呼气式酒精测试仪对驾驶员进行现场检测,而且更多人希望检测仪能够更加便携和方便,为安全驾驶提供保障,从而有效避免重大交通事故造成伤亡。酒精浓度检测仪的研究有着巨大的前景。
- 国内外的发展现状
目前我们在道路上看到的酒精浓度检测仪大多数都是呼气式的,它大致有以下五种类型:半导体传感器、电化学方法、红外光谱法、湿化学法和气相色谱法这五种类型。而由于价格和适合的场合等因素比色型和气体色谱型不适合交警使用,而半导体型抗干扰能力较差。燃料电池型传感器成本较高,维护不方便。这几种类型或多或少因为成本原因或者使用场合等其他原因有着局限性。而本设计采用的方案能比较好的解决这几个局限因素。
目前技术高速地发展,传感器也获得了巨大的发展。本设计使用的气敏传感器对酒精浓度的检测有着较高的灵敏度,能较好的符合设计的需要。社会上使用的基本都是呼气式酒精浓度检测仪,只要测试对象对着检测仪呼气,就可以当场检测出被测对象体内的酒精浓度,根据此数据用来确定他们是否酒驾,以及是否醉驾。这样可以大大避免潜在的交通事故,同时也可以警示驾驶员的不安全行为。
- 论文的主要工作
本设计研究的主要内容如下:
(1)气敏传感器:本设计的传感器选型为MQ-3。论文中研究气敏传感器的工作特性以及工作原理,学习它在本设计中的应用;
(2)单片机:作为本设计的核心处理单元,学习并了解单片机的工作原理并进行应用;
(3)模数转换器:本设计选择ADC0832为模数转换芯片,接收传感器输出的模拟信号进行转换为数字信号,将其送入单片机中进行处理;
(4)液晶屏:本设计选择的是LCD1602液晶屏,论文中学习LCD1602的原理以及如何应用;
(5)系统软件:学习单片机的编程与仿真软件的操作,使系统能符合要求工作。
第2章 系统总体设计方案
本设计的基本思路是首先需要一个传感器将气体乙醇的浓度转换成电信号。传感器选择的是MQ-3,该传感器对酒精蒸汽具有很高的灵敏度和良好的选择性,是做本设计的良好选择。而传感器输出的是0-5v电压且电压值稳定,因此需要对模拟信号经过一定的电路处理,变成0~5V的模拟电压后方能输出。由于这里得到的是模拟电压,要经过A/D转换器才能将其变成数字电压。模拟信号通过A/D转换后送入单片机进行处理,将测量数据与预先设定的阈值进行比较。超过阈值则发出报警同时显示当前值,没超过只显示当前值并且将结果输出到 LCD 显示屏上。此外,还需接入按键来设置酒精浓度报警值,以及接入声光报警电路等。
图2.1 系统硬件总体方案框图
如图2.1所示,本设计的第一步是传感器模块,即由气敏传感器采集气体乙醇浓度。然而传感器输出的只是模拟信号,这时需要一个AD转换器,将模拟量转换成相应的数字量送给单片机。单片机作为主控单元与LCD显示屏连接,通过程序,控制显示屏显示当前测试的乙醇蒸汽浓度。为了达到要求,在单片机外围电路接上按键,实现可以设定报警值的功能,使本设计能够适应不同场合需要。另外所测得的气体酒精浓度与报警值做比较,当超过预设的报警值时,系统的LED和喇叭就会发出报警提示。
第3章 系统元器件选型及硬件电路设计
3.1 单片机选型及其电路
对单片机选型,主要应用从单片机应用系统的技术性,实用性和可开发性三方面来考虑.
(1)技术性:要从单片机的技术指标角度,对单片机芯片进行选择,以保证单片机应用系统在一定的技术指标下可靠运行;
(2)实用性:要从单片机的供货渠道、信誉程序等角度,对单片机的生产厂家进行选择以保证单片机应用系统在能长期、可靠运行;
(3)可开发性:选用的单片机要有可靠的可以开发手段,如程序开发工具、仿真调试手段等
基于以上几个方面的考虑,本系统设计选择STC89C52单片机。
3.1.1 单片机介绍
STC89C52RC单片机是宏晶科技推出的新一代高速/低功耗/超强抗干扰的单片机,具有 8K 在系统可编程Flash存储器。STC89C52使用经典的MCS-51内核,但做了很多的改进使得芯片具有传统51单片机不具备的功能。具有以下标准功能:8k字节Flash,512字节RAM,32 位I/O口线,看门狗定时器,内置4KB EEPROM,MAX810复位电路,3个16 位定时器/计数器,4个外部中断,一个7向量4级中断结构(兼容传统51的5向量2级中断结构),全双工串行口。STC89C52 能够按照常规方法进行编程,也能够在线编程。同时 STC89C52可降至0Hz的静态逻辑操作,并支持两种软件可选的节电工作模式。空闲方式停止 CPU 的工作,但允许RAM,定时 /计数器,串行通信口及中断系统继续工作。掉电方式保存 RAM中的内容,但振荡器停止工作并禁止其他所有部件工作直到下一个硬件复位,其将通用的微处理器和 Flash 存储器结合在一起,特别是可反复擦写的Flash存储器可有效地降低开发本。STC单片机有PDIP、PQFP/TQFP及PLCC等三种封装形式,以适应不同产品的需求。
STC89C52单片机主要特性如下:
- 增强型8051单片机,6时钟/机器周期和12时钟/机器周期可以任意选择,指令代码完全兼容传统8051.
- 工作电压:5.5V~3.3V(5V单片机)/3.8V~2.0V(3V单片机)
- 工作频率范围:0~40MHz,相当于普通8051的0~80MHz,实际工作频率可达48MHz
- 用户应用程序空间为8K字节
- 片上集成512字节RAM
- 通用I/O口(32个),复位后为:P1/P2/P3/P4是准双向口/弱上拉,P0口是漏极开路输出,作为总线扩展用时,不用加上拉电阻,作为I/O口用时,需加上拉电阻。
- ISP(在系统可编程)/IAP(在应用可编程),无需专用编程器,无需专用仿真器,可通过串口(RxD/P3.0,TxD/P3.1)直接下载用户程序,数秒即可完成一片
- 具有EEPROM功能
- 具有看门狗功能
- 共3个16位定时器/计数器。即定时器T0、T1、T2
- 外部中断4路,下降沿中断或低电平触发电路,Power Down模式可由外部中断低电平触发中断方式唤醒
- 通用异步串行口(UART),还可用定时器软件实现多个UART
- 工作温度范围:-40~ 85℃(工业级)/0~75℃(商业级)
- PDIP封装

图3.1 STC89C52RC引脚图
单片机各引脚功能如下:
- Vcc:电源电压。
- GND:地。
- P0口:P0口是一组8位漏极开路型双向I/O接口,也即地址/数据总线复用口。当访问外部数据存储器或程序存储器时,这组口线分时转换地址和数据总线复用,在访问期间激活内部上拉电阻。在FLASH编程时,P0口接受指令字节,而在程序校验时 ,输出指令字节。
- P1口:P1口是一个带内部上拉电阻的8位双向I/O接口,P1的输出缓冲级可驱动4个TTL逻辑门电路。FLASH编程和程序校验时,P1接收低8位地址。
- P2口:P2口是一个带有内部上拉电阻的8位双向I/O口,P2的输出缓冲级可驱动4个TTL逻辑门电路。在访问外部程序存储器或16位地址的外部数据存储器时P2口送高8位地址数据。FLASH编程或校验时,P2亦接收高位地址和其他控制信号。
- P3口:P3口是一组带有内部上拉电阻的8位双向I/O接口。P3口输出缓冲级可驱动4个TTL逻辑门电路。
- RST:复位输入。
- ALE/
:当访问外部数据时,ALE(地址锁存允许)输出脉冲用于锁存地址的低8位字节。对FLASH存储器编程时,该引脚还用于输入编程脉冲(
)。 - EA/VPP:外部访问允许。
:程序储存允许。
输出是外部程序存储器的度选通信号。- XTAL1:振荡器反相放大及内部是钟发生器的输入端。
- XTAL2:振荡器反相放大器的输出端。
3.1.2 单片机晶振电路
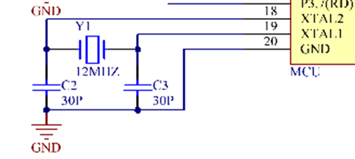
单片机工作的过程中各指令的微操作在时间上有严格的次序,这种微操作的时间次序称作时序。单片机的时钟信号用来为单片机芯片内部各种微操作提供时间基准。89C52的时钟产生方式有两种,一种是内部时钟方式,一种是外部时钟方式。内部时钟方式即在单片机的外部接一个晶振电路与单片机里面的振荡器组合作用产生时钟脉冲信号。外部时钟方式是把外部已有的时钟信号引入到单片机内,此方式常用于多片89C52单片机同时工作,以便于各单片机的同步,一般要求外部信号高电平的持续时间大于20ns,且为频率低于12MHz 的方波。对于CMOS工艺的单片机,外部时钟要由XTAL1 引入,而XTAL2端应悬空。本系统中为了尽量降低功耗的原则,采用了内部时钟方式。
单片机内部有一个高增益、反相放大器,其输入端为芯片引脚XTAL1,其输出端为引脚XTAL2。通过这两个引脚在芯片外并接石英晶体振荡器和两只电容(电容和一般取30pF)。这样就构成一个稳定的自激振荡器。下图为单片机的振荡电路。图中C2和C3稳定频率和快速起振,电容值选择为30pF,晶振选择为12MHz。
以上是毕业论文大纲或资料介绍,该课题完整毕业论文、开题报告、任务书、程序设计、图纸设计等资料请添加微信获取,微信号:bysjorg。
相关图片展示:









