变电站备用电源自投装置设计毕业论文
2020-04-07 10:12:06
摘 要
备用电源自动投入装置自从上世纪诞生以来,满足了现代社会对供电系统可靠性的需求。然而随着社会中供电用户的增加,用户用电量的增大,供电系统的规模也必须随之增大以满足人们生活生产中的需求,供电系统的结构也因此越来越复杂。同时,根据电网结构的变化,备用电源自动投入装置的逻辑关系也需要跟着变化。所以传统装置已不能满足人们生活和工作中的需要。可编程逻辑控制器(PLC)近年来发展迅速,已经被广泛的使用在各种场合之中,其具有适用面广、灵活性好、稳定性高等独到之处。如果我们把PLC在备用电源自动投入装置中使用,用户的供电安全和企业的经济效益将得到有效地改善。本文以此为前提,设计基于PLC的变电站备用电源自投装置,具有很强的现实意义。
关键词:备用电源自动投入装置,可编程逻辑控制器 ,自动化
Abstract
The existence of the Automatic input device for standby power supply meets the requirements of the modern society for the reliability of the power supply system. However, with the development of modern power technology, the scale of power system is bigger and bigger, and the structure is more and more complicated. At the same time, the logic relationship of the Automatic input device for standby power supply must be changed according to the change of the power grid structure. The traditional BZT has been difficult to meet people's needs in life and work. Programmable controllers (PLC) have developed rapidly in recent years and have advantages of high reliability, flexibility, and high noise immunity. If PLC is used for Automatic input device for standby power supply, it will effectively improve the user's power supply security and economic benefits. Based on this premise, this paper designs a BZT based on PLC for standby power supply in substations, which has strong practical significance.
Key Words:Automatic input device for standby power supply ,PLC ,automatization
目录
第1章 绪论 1
1.1基于PLC的备用电源自动投入装置的背景 1
1.2备用电源自动投入装置的发展过程及现状 1
1.3可编程逻辑控制器的发展过程及现状 2
第2章 备用电源自动投入装置 4
2.1备用电源自动投入装置的基本概念 4
2.2备自投配置方式 4
2.2.1明备用方式 4
2.2.2暗备用方式 5
2.3 备自投的工作原理 6
2.3.1桥形接线 6
2.3.2单母线接线。 7
2.4备自投的基本要求 8
2.5备自投的参数整定 8
第3章 可编程逻辑控制器 10
3.1可编程逻辑控制器 10
3.2 PLC的工作原理 10
3.3 PLC的优点 11
第4章 BZT控制装置硬件设计 12
4.1 变电站备用电源自动投入装置控制原理及要求 12
4.2 电压电流检测回路 13
4.3 PLC 型号的选用 14
4.4 控制系统的 I/O 点及地址分配 14
4.5 电气控制系统原理图 16
第5章 BZT控制装置软件设计 18
5.1 备用电源自动投入装置的逻辑控制原理 18
5.1.1 暗备用方式 18
5.1.2 明备用方式 18
5.2 程序设计 20
第6章 结果仿真 24
6.1 主界面 24
6.2 监控结果 26
第7章 结论 28
参考文献 29
致谢 30
第1章 绪论
1.1基于PLC的备用电源自动投入装置的背景
现代企业的供电系统通常采取两个或两个以上的电源对设备供电,且其中只有一个电源为工作电源,其他的设为备用电源,这种做法的目的是为了保障电力系统供电的稳定性和持续性。当工作电源失去电压时,备用电源由自动装置立即投入,从而保证供电的连续性,这种自动装置称为备用电源自动投入装置,简称备自投[1]。传统备自投具有结构简单,价格便宜等优点,所以在工业生产中被广泛使用。但是为了达到目的要求,往往会造成逻辑回路复杂、供电可靠性低,后期的维护工作不禁量大而且难度不易。但继电器 -接触器控制系统又有着明显的缺点: 设备体积大、寿命短、可靠性差、动作速度慢、功能少、程序不可变等[2]。这些缺点严重制约着备用电源自动投入装置的发展。
可编程控制器(PLC)技术近年来得到飞速的突破。该装置采用可编程控制的存储器存储用户指令,用软件编程实现确定的逻辑、 顺序、定时、记数、运算和一些特定的功能,通过数字或模拟量的输入、输出来控制各种类型的生产过程[3]。它利用软件编程在其内部定义了许多辅助继电器,这些定义的功能代替了以前所使用的机械继电器,通过用软件编程来代替传统的继电器,对工作电源和备用电源两回路中的断路器的通断的控制,来达到对备用电源自动投入装置的控制[4]。其结构简单、操作方便、性能稳定,且可扩展性强,在使用过程中更为灵活。
随着现代电力技术的发展,电网规模的扩大,为了追求更高的供电性能,备用电源自动投入装置需要更完善的功能,同时传统备用电源自动投入装置的缺点,也严重制约着备自投装置在生活中的使用,所以,在人们越来越高的需求下,传统备自投急需取得创新性的突破以适应新时代的要求。所以,人们把目光朝向了PLC。PLC技术作为一种新兴技术,已经在工业领域取得了卓越的成效,如果将PLC引入到备用电源自动投入装置中来的话,我们既可以保持传统继电器装置拥有的优点,同时,其缺点也得以弥补。毫无疑问,PLC技术的应用,能大大的增强备自投装置的使用性能。另一方面,采用PLC来设计方案能简化很多复杂的电路设计,使得被设计出的方案即简单明了,又可以完成各种复杂的逻辑和功能。
1.2备用电源自动投入装置的发展过程及现状
作为一种常用的安全自动装置,备用电源自动投入装置的发展经历了四个阶段。作为电力系统中的自动装置,其发展过程和继电保护装置的发展历程时一样:第一台备用电源自动投入装置,也就是第一阶段的备自投是电磁(整流)型的;接着到了90年代,随着晶体管技术的成熟,发展到了晶体管型;紧接着伴随着集成电路型的兴起,备自投装置短暂的经历了这一发展阶段。最终微机的出现,让备自投装置迈入了新的阶段。如今看来,备自投发展的各个阶段,从其本质上来说,区别在于采用何种方式运算采集量和逻辑功能的实现方式上的不同。
电磁型备用电源自动投入装置主要由我们常见的各种电磁继电器组成,也就是时间继电器、中间继电器等相关原件。电磁型备自投装置是使用继电器构成的逻辑回路,如对某一主接线形式,已设定其中一个开关为永久备投点,则可用继电器搭出较简单可靠的备自投 回路[5]。线路易维修,方案易设计,难度较低而易于人们学习了解,能够满足一些产业的控制的需求,因而到了上世纪80年代,被许多行业引入加以使用。但是,电磁型备用电源自动投入装置的缺点也如同其他继电器控制设备一样明显:体积大,使用周期短,功能不完善,运行速度慢。上世纪80年代中期到90年代初期,备自投装置受利于整个电子行业的发展,出现了整流型和晶体管型两种型号。相比于电磁型,它们拥有更多的优点,更小的体积、更低的损耗和更长的使用周期,但功能上相比前代备用电源自动投入装置并没有取得突破。紧接着集成电路型备用电源自动投入装置便出世了,然而电子技术的迅速发展使得其只能作为一款过渡的产品,还没有来得及被广泛应用,就伴随着性能更优越的微机型备用电源自动投入装置的出世而消失在历史的长河中。随着微处理技术的不断发展,以及互联网,人工智能等技术取得的突破,同时由于备用电源自动投入装置属于继电保护装置,所以其发展趋势如同继电保护装置一样。国内外继电保护技术发展的趋势为:计算机化,网络化,保护、控制、测量、数据通信一体化和人工智能化[6]。
近年来,随着数字信号处理技术、通信技术等的快速发展,以及可编程器件也取得进步,为备用电源自动投入装置的发展提供了更多的先决条件,备用电源自动投入装置得到了更广泛的发展:功能更多,稳定性更高,安全性更强,反应速度更快。
1.3可编程逻辑控制器的发展过程及现状
PLC(Program mable Logic Controller)即为可编程逻辑控制器,在国际电工委员会中,将其定义为专为工业应用设计的数字操作电子系统[7]。
美国汽车工业的发展促使更多新技术的诞生,随着更多的要求,电子技术也取得许多关键的突破,而由于继电器、接触器等传统系统缺点的凸显:体积大、维护困难,稳定性差,噪声强,终于在上世纪60年代,PLC技术诞生了。
1969年,第一台可编程控制器出现在美国。这台控制器由美国数字化设备公司研制,随后被通用汽车公司首次采用,相比以前的控制器,新控制器的生产线在试用后,效果获得显著的提升;70年代以来,PLC技术在全世界范围内迅速推广,并且各国都在相关领域取得重大突破,日本、德国、中国先后研发出了自己国家的可编程控制器。1977年,在工业应用领域我国开始推广PLC。
最初研发PLC的目的是找到更优异的设备来取代传统机械开关装置。然而,技术的发展。从1968年起,PLC的功能愈加丰富,逐渐在生产过程中代替了继电器控制板,现代PLC具有更多的功能。其用途也从单最初的代替传统机械开关装置发展到了对整个制造系统的控制和监测。
20世纪70年代初,由于微处理器的出现,整个行业再次掀起了新浪潮。由于更优异的性能,微处理器很快便在PLC之中得到了使用,而可编程逻辑控制器也因此增添了很多属于计算机算法的功能,伴随着微机的引入,PLC在发展史上迈出了最关键的一部。随后由于个人计算机的发展,为了更使可编程控制器有一个更加清晰的定位,并与个人计算机区分开来,可编程逻辑控制器正式定名为Programmable Logic Controller(PLC)。
紧接着,70年代末,计算机技术取得了突发猛进的进步,而这些技术同时促进可编程逻辑控制器的发展,自此,PLC进入了新的发展阶段。相比之前,其功能日益丰富。极高的性价比,更小的体积,更快的速度,更好的稳定性无不显示着它将成为现代工业中的明日之星。
随后,可编程控制器进入了高速发展阶段。可编程控制器的技术被越来越多的国家掌握;同时,在生产生活中其价值的显现,加快了在工业领域的推广。可编程控制器的发展已经进入了成熟阶段。此后,可编程控制器一直保持着快速发展的趋势,在这期间,PLC在性能得到很大的提高,所适用的范围也越来越广。而伴随着PLC技术的进步和成熟,在过程控制领域,PLC也取得巨大的成功,甚至于代替集散控制系统在部分场合中的应用。
20世纪下旬,为了更好的适应于现代工业中不同环境中的不同需要。可编程逻辑控制器也开发出了大型机和小型机,而针对各种环境各种需求的特殊功能单元也逐渐被开发出来,包括为了更利于人工操作的人机界面单元。这些针对性的发展使得可编程逻辑控制器工业中的适应性更强,更容易满足不同情况下的需求。
第2章 备用电源自动投入装置
2.1备用电源自动投入装置的基本概念
备用电源自动投入装置,是一种安全自动装置,它简称备自投装置。备自投装置是当工作电源因故障或其他原因消失后,迅速地将备用电源或其他正常工作电源投入工作,并断开工作电源的自动装置[8]。这意味着,它是一种提高用户供电稳定性的装置。该装置主要用于中低压宫配电系统,即110千伏以下的供电系统中,是保证生产工作中电力系统稳定持续供电的重要设备之一。
采用 BZT装置后有一下优点:
(1)、提高供电可靠性,节约投资;
(2)、减轻机电维护工作量,降低维护难度;
(3)、限制短路电流,提高母线残余电压[9]。
2.2备自投配置方式
变电站备用电源自投装置具有多种形式,根据其作为备用方式可以分为明、暗两种电源备用接线方式。这两种接线方式的区别是:明备用接线方式具有较为明显的断开备用电源接线,而暗备用电源线则主要是通过将几个工作电源互相作为其备用电源[10]。
2.2.1明备用方式
明备用方式指在正常情况下,为了保证工作设备能够正常运行,通常会装备有专用的备用线路或变压器来给工作电源作为备用,备用电源明备用方式如图2.1:在设备工作正常工作时,由工作电源Ⅰ对设备进行供电,此时开关QF1与QF2闭合,保证电力系统供电正常。而备用电源Ⅱ与设备之间断开,所以开关QF4断开,QF3任意状态均可,备用电源不参与工作。当工作电源发生故障后,工作电源线路不能正常供电,QF2断开,与此同时,备用电源投入使用,QF4闭合,QF3闭合,备用电源启用,恢复供电。

图2.1 明备用方式典型接线方式
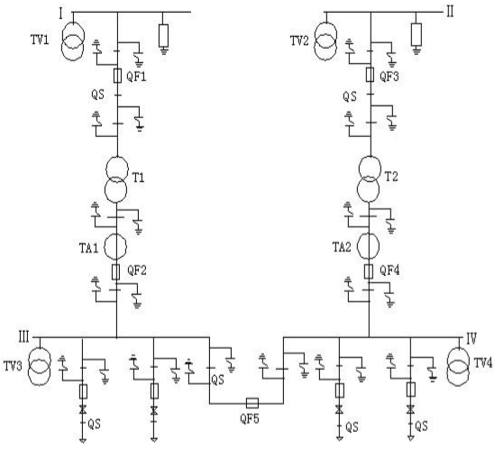
2.2.2暗备用方式
暗备用方式是指在工作电源没有专用的备用变压器或线路时,电源的稳定性由2个工作电源互为备用来保证,暗备用方式如图2.2所示。在图中:当电力系统正常工作时,分段断路器QF5处于断开状态,由电源Ⅰ向Ⅲ进行供电,Ⅳ由电源Ⅱ进行供电,两边独立且均正常运行。当电源Ⅰ或电源Ⅱ由于某种故障不能向自己供电对象正常供电时,这导致线路断路器QF2或者QF4断开,此时,我们可以通过闭合QF5,通过另一侧的电源来恢复对工作母线的供电。我们将这种两边电源均处于工作状态但又是互相备用的方式,称为暗备用方式。
暗备用方式又可以分为以下备用方式:
(1)、方式1。正常工作时,电源Ⅰ与电源Ⅱ分别正常运行,当电源Ⅰ故障后,QF2闭合,由BZT装置动作将开关QF5自动闭合,由电源Ⅱ向母线Ⅲ供电,恢复正常工作。
(2)、方式2。正常工作时,电源Ⅰ与电源Ⅱ分别正常运行,当电源Ⅱ故障后,QF4闭合,由BZT装置动作将开关QF5自动闭合,由电源Ⅰ向母线Ⅲ供电,恢复正常工作。
(3)、方式3。正常工作时,由电源Ⅱ向母线Ⅲ、Ⅳ供电,此时电源Ⅰ处于备用状态,QF5处于闭合状态,开关QF2处于断开状态,QF4处于闭合状态;当电源Ⅱ发生故障后,QF4断开,由BZT装置动作自动QF2闭合,由电源Ⅱ供电转化为由电源Ⅰ向母线Ⅲ和母线Ⅳ供电,恢复正常工作。
(4)、方式4。正常工作时,由电源Ⅰ向母线Ⅲ、Ⅳ供电,此时电源Ⅱ处于备用状态,QF5处于闭合状态,开关QF4处于断开状态,QF2处于闭合状态;当电源Ⅰ发生故障后,QF2断开,由BZT装置动作自动QF4闭合,由电源Ⅰ供电转化为由电源Ⅱ向母线Ⅲ和母线Ⅳ供电,恢复正常工作。

图2.2暗备用方式典型接线方式
2.3 备自投的工作原理
备用电源自动投入装置常规接线有两种,为桥型接线和单母线接线。
2.3.1桥形接线
图2.3所示的接线方式即为桥型接线方式,在正常运行情况下,工作模式是:在正常运行中,Ⅰ段母线的电源是由DL1供电、Ⅱ段母线的电源由DL2供电。此时,DL1处于闭合状态,DL2处于闭合状态。作为BZT开关,DL3此时处于断开状态。

图2.3桥型接线
桥型接线的动作逻辑:当线路1发生故障不能正常供电时,备用电源自动投入装置进行判断,Ⅰ段母线没有电压,而Ⅱ段母线仍有电压,装置发生动作,DL1开关断开,DL3开关闭合,以此来保证工作设备的正常运行。如果线路2由于发生故障不能正常工作,同理。备用电源自动投入装置进行动作,DL2开关断开,DL3开关闭合。
为了保证供电系统的可靠性,线路1和线路2的应从不同的变电站取电,即两者互为备用电源,从而能够确保某一变电站发生故障时,主、备电源不会同时失电。
按照这种接线方式,备用电源自动投入装置除了常用通过对母线电压进行判断,还可以来监测线路有无电流,以此为依据来控制备用电源自动投入装置运动。也就是说,电力系统生产工作中,我们不仅要对电压进行监测,同时也要对电流的有无进行判断。在一侧供电线路发生故障后,只有保证另一侧供电线路仍在正常工作的情况下,备用电源自动投入装置才会动作,引入这样做法的原因是为了防止由于母线PT断线,此时工作电源正常,备用电源自动投入装置却产生误动作,对电力系统造成损害。
如果线路1带Ⅰ、Ⅱ段母线运行,也就是说当此时开关DL1、DL3在处于闭合状态,而DL2处于断开状态时,DL2开关便用作备用电源自动投入装置的开关。其的动作原理:线路1发生故障后,备用电源自动投入装置对Ⅰ、Ⅱ段母线是否失压、线路1有无电流、线路2线路有无电压进行判断,然后进行操作,DL1断开,DL2闭合。当线路2带Ⅰ、Ⅱ段母线运行时,工作原理与之前介绍的相同。
2.3.2单母线接线。
如图2.4所示的接线即是单母线接线方式。在正常运行期间,开关DL1或DL2其中的一个开关处于闭合状态,另外一个处于断开状态。

图2.4单母线接线
以上是毕业论文大纲或资料介绍,该课题完整毕业论文、开题报告、任务书、程序设计、图纸设计等资料请添加微信获取,微信号:bysjorg。
相关图片展示:









