工业有机三废PLC自动控制系统的设计与实现毕业论文
2020-07-08 21:52:27
摘 要
当前的工业废水,废气,废液对周围土壤和河流的生态环境造成了巨大的破坏,提高工业污染治理水平已经成为一个刻不容缓的目标。我国的高盐废水处理缺乏技术上的可靠性和经济上的可行性,而对于挥发性有机废气(VOCs)的处理要求更加迫切,VOCs是一种严重影响人类健康的有害气体,在人们呼吸时,进入人体对身体产生伤害。因此对工业三废有机处理自动化系统的研究具有重要意义。
在本文中了解了废水、废液、废气的基本处理工艺,选择了最经济、最可行、最可靠的处理工艺,通过可编程控制系统的控制与MCGS组态软件的动画演示,将两者连接进行工业有机三废处理控制系统的设计。本文先根据基本处理工艺进行电气控制系统的设计,画出柜面图、电气控制柜图。再进行PLC的选型与地址分配与程序设计,然后根据工艺流程与工艺要求绘制MCGS组态系统,其中包括对MCGS组态软件的介绍、工艺流程界面、流量实时曲线、报警界面的设置、操作界面的设置。可以实现工艺流程的监控与运行操作。
关键词:工业三废 PLC 工艺流程
Design and implementation of PLC automatic control system for industrial organic three wastes
ABSTRACT
The current industrial wastewater, waste gas, and waste liquids have caused tremendous damage to the surrounding soil and the river's ecological environment. Increasing the level of industrial pollution control has become an urgent task. high-salt wastewater treatment lacks technical reliability and economic feasibility, and the requirements for the treatment of volatile organic waste gases (VOCs) are more pressing. VOCs are harmful gases that seriously affect human health when people breathe, enter the body and cause harm to the body. Therefore, it is of great significance to study industrial waste organic processing systems.
In this article, the basic treatment processes of waste liquid were know, the most economical, most feasible, and most reliable treatment process is selected, and the two are connected through the control of the programmable control system and the animation demonstration of the MCGS configuration software. Design of industrial organic waste treatment control system. First, according to the basic processing technology for the design of the electrical control system, draw the cabinet map, electrical control cabinet diagram. In the PLC selection and address allocation and program design, and then draw the MCGS configuration system based on the process flow and process requirements, including the MCGS configuration software introduction, process flow interface, flow real-time curve, alarm interface settings, operation Interface settings. Process monitoring and operation can be realized.
Keywords: industrial waste, PLC, process flow
目 录
摘要…………………………………………………………………………………I
ABSTRACT…………………………………………………………………………II
第一章 绪论 1
1.1工业有机三废处理背景 1
1.2 研究目的及意义 2
1.3课题主要设计内容 2
第二章 工业有机三废处理工艺 4
2.1工业有机三废处理基本概念 4
2.1.1工业有机废水废液基本概念 4
2.1.2工业有机废气基本概念 5
2.2常用的工业三废处理工艺 6
2.2.1常用的工业废水废液处理工艺 6
2.2.2常用的工业废气处理工艺 6
2.3本系统工业三废处理工艺及描述 7
第三章 电气控制系统设计 9
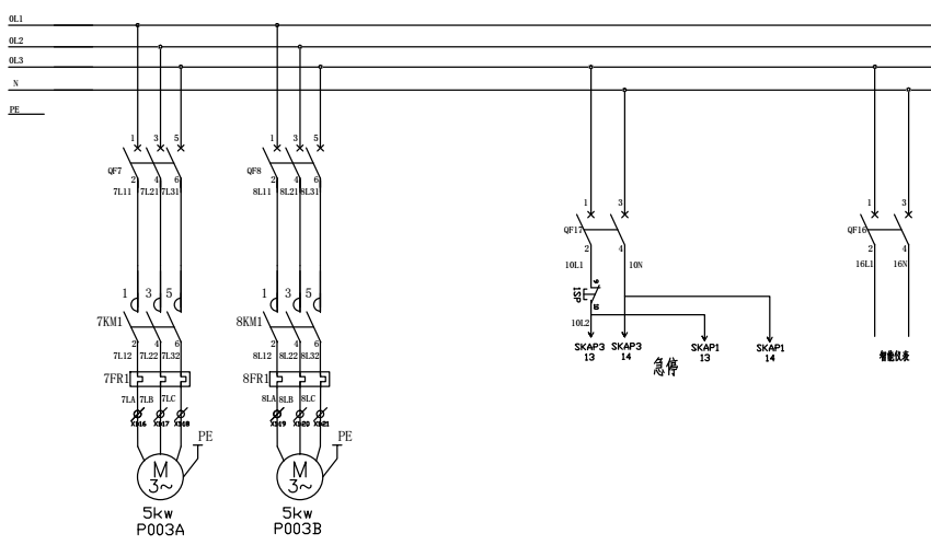
3.1 电气主回路原理图 9
3.2电气回路控制原理图 12
3.3 接线端子图 14
3.4电气元器件图 15
3.5电气柜面图 18
第四章 可编程控制系统设计 20
4.1可编程控制器PLC的基本概念 20
4.1.1 可编程控制器的特点及应用领域 20
4.1.2 PLC的分类 21
4.1.3 可编程控制器的硬件结构基础 22
4.2 PLC的应用 23
4.2.1 PLC的选型 23
4.2.2 PLC的I/O地址配置 23
4.3 PLC程序设计 25
4.3.1 主程序 25
4.3.2 温度数据采集 25
4.3.3 TICA温度控制子程序 28
第五章 组态系统设计 32
5.1 MCGS组态软件的主要特点及功能 32
5.2 工业有机三废处理系统的组态设计 33
5.2.1工艺流程界面 33
5.2.2 实时数据库 34
5.2.3 操作界面 35
5.2.4 流量曲线界面 36
5.2.5报警界面设置 38
第六章 调试和运行结果 39
第七章 总结与展望 41
7.1 论文总结 41
7.2 前景展望 41
参考文献 42
致 谢 44
第一章 绪论
根据我国的水资源紧缺已经水体污染的现状,我国制定了“水十条”,习总书记提出了绿色环保概念,由此可见我国目前对环境保护和生态文明的重视程度,绿色的发展理念也写入了“十三五”规划中。经过长期的治理,我国黄河水变清了的新闻让我国民众对水污染的治理有了巨大的信心。然而近日来,频繁揭露的水污染事件让人触目惊心,由此可见我国的水污染治理道路还需要更多努力,离青山绿水的目标尚远。
我国污水处理技术经过“七五”、“八五”、“九五”期间的努力,取得了较大成就。目前我国在工业污染净化技术上能够提供传统技术和各种新型工艺。这些工艺在全国范围内应用,实我国污水处理事业达到一个崭新的阶段。而国外污水处理水平,尤其是发达国家的污水处理水平较高。80—90年代,发达国家对环境治理上不断增加投资,制定了严格的法律法规,大力开展环境保护的研究。目前美国是世界上污水处理厂最多的国家,日本、瑞典等这些国家的水体污染已经基本控制,部分流域水质改善,生物增多。我国废水处理与国外“零排放”、“趋零排放”的技术水平要求还有较大差距。
1.1工业有机三废处理背景
随着我国工业不断发展,水平不断提高,我国的工业污染程度也不断加重,严重危害人类的身体健康。然而我国的治理污染水平有限,治污水平没有发达国家高,企业只重视利益而无视排放的污染,国家政策制定监督与实行效果有限,综合来自各个方面的因素导致了我们的生活环境污染严重,导致疾病发病率升高。虽然导致水体污染的原因包括城市生活污染、农业污染、工业污染等。但是引起污染的最主要原因就是工业污染。比如我国的第一大内海渤海,就由于工业发展时期的重度污染,导致成为一大“死海”,海洋生物多样性大大减少,海洋生物数量也大量减少。其中,导致这一问题严重性最主要的因素就是沿海工厂肆意排放工业废水、废液。并且由于渤海的特殊地理形态,导致污染物难以向外部海洋扩散,通过海洋的自我清洁能力来恢复渤海的海洋环境基本难以实现。这
严肃得提醒我们一定要重视废水废液的处理与排放。
相关图片展示:








        
            
