自助奶茶机控制系统设计与开发毕业论文
2020-06-16 06:51:05
摘 要
针对目前市场上出现的奶茶制作效率低、奶茶店人工成本和房屋租赁成本高的现状,本文结合物联网技术,开发设计出可以远程监控的自助奶茶机控制系统,实现了无人化、远程化、智能化的奶茶购买模式。具体内容如下:
- 本文提出了自助奶茶机的概念,细化了工作流程,明确了所需实现的功能,绘制了系统总模块图,并简单介绍了自助奶茶机机械部分设计,详细介绍了控制部分的设计思路。
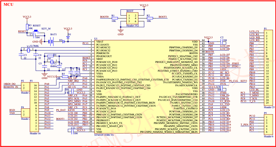
- 根据自助奶茶机所要实现的功能,本文选取了STM32F103RCT6芯片作为核心控制芯片,并设计了温度测量电路、电机驱动电路、WIFI通信电路和显示电路。
- 采用C语言对系统软件部分进行设计,分别开发了主程序、温采集程序、门限温度控制和PID温度控制程序、无线通信程序、显示程序。最后对程序下载并调试,调试结果符合设计预期。
关键词: 物联网 自助奶茶机 PID控制算法 无线传输
Design and development of self-assistance milk tea machine control system
Abstract
From reasearch of the current milk tea market, a pressing problem is low production efficiency and high labor cost and housing rental. Therefore, to solve this problem, paper combines the LoT technology to design a self-service milk tea machine remote control system.
The details are as follows:
- This paper defines the concept of self-service milk tea machine, refines machine work process and function and draw the system block diagram. Then the paper introduce the design
scheme of the machanical part and control part of the self-service milk tea machine.
- Based on the function of the self-service milk tea machine, the control system is composed of the temperate measurent circuit, the motor drive circuit, the WIFI communication
circuit, etc. The STM32F103RCT6 chip is adopted as the core control chip.
- The system program is designed by C language. The program is consist of the main program, temperate acquisition pragram, threshold temperature control and PID temperature control progra, the wireless communication program and display program. Finally,the progeam is
downloaded into STM32F103,the test results meet the design expectations.
Key Words: Internet of Things(LOT); self-assistance milk tea machine; PID control algorithm; Wireless transmission
目 录
摘 要 I
Abstract II
第一章 绪论 1
1.1课题的背景和意义 1
1.2 物联网的研究现状 1
1.3 课题相关技术介绍 2
1.3.1单片机嵌入式技术 3
1.3.2.温度采集技术 3
1.3.3.温度控制技术 3
1.3.4.远程控制技术 4
1.4研究内容和可行性分析 4
第二章 总体方案设计 6
2.1自助奶茶机简介 6
2.2自助奶茶机系统方案设计 6
2.2.1自助奶茶机机械部分方案设计 7
2.2.2 自助奶茶机控制系统方案设计 8
第三章 元器件选型及硬件电路设计 10
3.1主控模块选型及设计 10
3.2温度检测电路选型及设计 11
3.2.1 温度传感器选型 11
3.2.2 DS18B20硬件连接 11
3.4电机驱动电路的选型及设计 12
3.4.1电机驱动电路选型 12
3.4.2步进电机通电方式及硬件连接 13
3.5 WIFI通信电路选型及设计 15
3.5.1 WIFI通信电路选型 15
3.5.2 WIFI模块硬件连接 16
3.6 显示模块电路选型及设计 17
3.6.1 显示屏选型 17
3.6.2显示模块硬件连接 17
第四章 温度控制算法设计 19
4.1 温度控制算法选择 19
4.2 温度PID控制算法 19
4.2.1 模拟PID控制器 19
4.2.2 数字PID控制器 21
第五章 系统程序设计及仿真 23
5.1 系统开发环境 23
5.2 程序设计 23
5.2.1 主程序设计 25
5.2.2 步进电机驱动程序 30
5.2.3 温度采集程序 33
5.2.4 温度控制程序 34
5.2.5 WIFI模块程序 39
第六章 系统测试 41
6.1硬件系统搭建 41
6.2软件调试 41
第七章 总结与展望 45
参考文献 47
绪论
1.1课题的背景和意义
如今,奶茶因其口感佳,而在年轻人中广受欢迎。但是对于奶茶行业,面对物联网时代,仍会有一些问题需要解决。对于饮品店来说,饮品店中的饮品制作、包装、售卖流程都是人工完成。而雇佣店员成本高并且效率较低。与此同时,饮品店一般都开在人流量大、地段好的商圈附近,租赁房屋的开销很大。所以对于饮品店,人工成本和房屋租赁成本是其主要的开支成本,饮品店主迫切需要减少这两项开支成本。对于消费者来说,市面上的奶茶制备时间较长,口味固定且需要用户在店铺的等待,难以满足不同类型客户的个性需求。
另一方面,现有的自动售卖机只有售卖的功能,而且售卖的饮料多为罐装保质期长、不新鲜且口味单一。自动售卖机功能有限,不能根据外部情况(季节,天气,节日等等)给出个性推荐,用户也不能依据自己的喜好部分改变饮品中的成分从而流失部分顾客。随着移动通信技术的飞速进步,物联网已经变得越来越普遍,其应用领域也从工厂传感器控制延伸到居民日常的方方面面,比如:电梯监控、门禁系统、智能家居等等,使居民的日常生活有了巨大的改变,获得了更加方便快捷、人性化、智能化的服务体验。所以,将物联网技术与传统奶茶机相结合,拓展出奶茶市场销售新模式是科研机构和相关企业研究的方向。而目前市场上自助奶茶机几乎是见不到的,并且关于这方面的研究也偏向于机械结构设计方面,而自助奶茶机控制系统的设计还不是很多。因此,将计算机控制技术、物联网技术和传统奶茶工艺相结合,研究功能多样化、性能可靠、的自助奶茶机控制系统就具有现实意义。
1.2 物联网的研究现状
物联网的核心是物物相连,人与物之间的交互[1]。物联网最早的探索起源于上世纪九十年代美国,美国康涅迪格州施乐(Xerox)公司设计研发的联网的可乐自助可乐售卖机,在推行之后广受好评,居民对这种新兴的通过网络对传感器进行操作的过程十分享受。随后英国裔的麻省理工学院凯文·阿什顿(Kevin Ashton)教授首先提出了“物联网”的概念,因此凯文·阿什顿教授也被誉为“物联网之父”。同年,该学院成立了全球首家自动识别中心,2004年,2005年国际电信联盟(ITU)正式提出“物联网”的概念[2]。2009年,时任美国总统的奥巴马在会见IBM总裁后提出“智慧地球”的概念,目的是将所有基础设施纳入进物联网中。此外日本、韩国和欧盟各国也相继发布物联网战略[3]。
相关图片展示:









