基于单片机的智能遥控车位锁研究毕业论文
2020-05-23 16:23:06
摘 要
目前,智能车位锁的研究已经出现了一批先驱者,他们在这个课题的研究对促进车位锁的发展具有重大意义,满足了市场与车主的双重需求。本文先对目前车位锁研究背景做简单介绍,然后对目前的研究现状进行分析,并阐述了课题研究的意义所在。接着,对本文的研究方案进行介绍,即如何通过遥控来实施车位锁的控制——上升下降,主要涉及到了无线发射接收和电路驱动方面。又系统的介绍了本文所要用的硬件,包含了51单片机,还有PT2262/2272发射接收芯片,L298电驱动芯片,主要介绍了这些芯片的引脚定义,电路原理图和工作过程。最后是对本次设计方案所接触使用到的软件进行简单介绍,并对软件程序进行说明,给出了这次设计所需要的程序,并且附加了最后仿真的电路图,将程序录入到仿真电路中最终进行仿真。
关键字:遥控车位锁无线发射接收仿真
Research of intelligent remote control parking space based on single chip microcomputer
Abstract
At present,theresearch of intelligent parking lock has been a group of pioneers, they have great significance to promote the development of parking lock in the research of this topic, to meet the needs of the market and the owner. In this paper, the research background of parking lock is briefly introduced, then the current research status is analyzed, and the significance of the research topic is discussed. Then, the research program of this paper is introduced, namely, how to implement the control of parking space lock by remote control, which is mainly related to the wireless transmitting and receiving and circuit driver. And the system introduced the hardware, MCU 51 contains, transmitting and receiving chip PT2262 / 2272, L298 driver chip. It mainly introduces the pin definition of these chips, circuit principle and work process. Finally, the design scheme of contact to the use of the software are introduced in this paper, and a description of a software program, gives the design procedure, and an additional simulation circuit diagram, program input to the simulation of the circuit in the final simulation.
Keywords: remote control parking lock wireless transmission and reception simulation
目录
摘要 I
Abstract II
第一章 绪论 1
1.1 课题的研究背景 1
1.2 国内外研究状况及分析 3
1.3 研究意义 4
第二章 车位锁的设计方案及芯片选择 5
2.1 遥控车位锁设计方案 5
2.1.1 设计目的 5
2.1.2 方案设计 6
2.2 车位锁芯片及传感器 7
2.2.1 单片机AT89c51 7
2.2.2 电驱动芯片L298 8
2.2.3 PT2262/PT2272无线发射接收芯片 9
2.2.4 位置传感器 10
第三章 遥控接收与发射 12
3.1 遥控方案设计 12
3.2 PT2262/2267编码译码模块 13
3.2.1 PT2262编码发射 13
3.2.2 PT2272无线解码模块 14
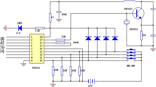
3.3 遥控发射接收原理图 15
第四章 软件的设计及实现 17
4.1 PT2272解码模块 17
4.2 51 电机控制模块 19
4.2.1 程序流程图 19
4.2.2 电机控制程序 20
第五章 智能遥控车位锁系统仿真 22
5.1 仿真电路 22
5.1.1 电路工作过程 22
5.1.2 仿真电路原理图 23
第六章 总结与展望 26
参考文献 27
致谢 29
第一章 绪论
1.1 课题的研究背景
“汽车”这一个词汇对于现在这个社会生活的人们来说,已经变成一个随处可见的词汇,不再陌生。汽车已经有了一段漫长的发展历史,从最初的蒸汽汽车到现在的燃油汽车,甚至是新能源汽车,新车已经完全融入了人们生活,成为必不可缺的一部分。汽车的普及同时也伴随着各种各样的问题的出现,就目前的国内现状,车位太少已经完全满足不了基数庞大的汽车人群,停车方面引起了很大问题。一些购买了车位的车主经常会遇到一些问题,有人乱占自己的车位,让自己有车无处停的尴尬境地。所以车位锁这一产品面世,然而普通的车位锁又会引起新的问题——停车烦。即车主每次停车的时候都需要自己上下车来升降车位锁,这一系列的动作都会是车主无奈但又不得不麻烦。
立足于这一问题,就需要研发出一种就目前市场而言更具占有率的可以遥控操作的车位锁。本文提出了一种通过使用51单片机来进行遥控操作控制车位锁的方案[1],这满足了车主可以在车上手动遥控起降臂,从而解决因为上下车手动起落引起的麻烦,有效解决了国内传统车位锁在使用过程中出现的不足。有了这种车位锁,上面所说的问题就可以很好地解决,极大的解决了车主所面临的问题,方便了车主停车,一定会受到广大车主的推崇。
图1-1为传统的手动操作的车位锁,图1-2为目前市场上面的智能遥控车位锁[2]:

相关图片展示:









