基于labview的电器故障检测台设计毕业论文
2020-04-12 09:09:03
摘 要
本文针对于车辆电器设备的故障检测问题,设计了一种基于LABVIEW的汽车电器故障检测台。通过设计过程阐述了该设计的硬件组成,通过实验展示了设计程序的工作特点以及主要功能。通过PLC与接线口连接通讯读取各接线端口的电压信号的采集,运用PPI线以及LABVIEW的NI-VISA驱动实现数据的传输,通过串口COM3完成与个人电脑通讯,并通过LABVIEW程序进行测试。本次设计可以实现对车辆电器故障的检测,获得被测车辆测试信息和故障信息,并对故障信息进行储存。通过在实验台上完成对中国一拖拖拉机车头左前转向信号灯的故障诊断,通过两次实验验证了故障检测台程序的实际运行状况,实验结果表面该设计实现了车辆电器故障的检测、诊断以及信息存储。
关键词:汽车电器,LABVIEW,故障检测
Abstract
In this paper, based on the problem of vehicle electrical equipment fault detection, an automotive electrical fault detection platform based on LABVIEW is designed. Through the design process, the hardware components of the design are elaborated, and the working characteristics and main functions of the design program are demonstrated through experiments. Through the communication between the PLC and the port, the voltage signal of each port is read. The data is transmitted using the PPI line and the NI-VISA driver of LABVIEW. Communication with the personal computer is performed through the serial port COM3, and the test is performed through the LABVIEW program. This design can realize the detection of vehicle electrical faults, obtain test vehicle test information and fault information, and store fault information. The fault diagnosis of the left front turn signal lamp of tractor headstock in China was completed on the experimental platform, and the actual operation status of the fault test bench program was verified through two experiments. The experimental results were designed to realize the detection, diagnosis and information of vehicle electrical faults.
Key Words: Automotive Appliances, LABVIEW, Fault Detection
目 录
第1章 绪论 1
1.1 研究的背景、目的和意义 1
1.2 国内外现状分析 1
1.3 基本内容和技术方案 3
1.3.1 基本内容: 3
1.3.2 技术方案 4
第2章 车辆电器故障检修方法 5
2.1常见车辆故障类型 5
2.2故障检测的方法和准则 5
第3章 PLC对数据的采集及转化 7
3.1 PLC原理介绍和选型 7
3.2 PLC对输入信号的转化 7
3.3PLC运行程序的下载 8
第4章 数字信号的传输与处理 9
第5章 LABVIEW程序设计 10
5.1LABVIEW程序的介绍 10
5.2 LABVIEW电器故障台的设计 10
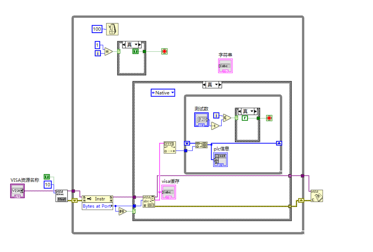
5.2.1 NI-Visa驱动数据传递 10
5.2.2故障诊断模块 12
5.2.3故障信息储存模块 13
5.3 本章小结 15
第6章 测试实验 16
第7章 结论 20
中外文参考文献 21
致谢 22
第1章 绪论
1.1 研究的背景、目的和意义
各种车辆上车载电器设备数量日趋增多,规模日趋加大,为了保证出产时整车电器系统的功能正常,减少产品的故障,能够满足电器设备生产装配速度提升的要求,汽车电器故障检测台的设计与研发就显得至关重要,通过采用合适的方法以及合适的检测策略,及时发现故障并进行高效的处理,从而保证车辆能够安全正常行驶,因此各大知名汽车公司科研部门以及各大高校都在对汽车电器故障检测技术进行深入研究。由于人工检测效率的低下以及诊断专业技术人员的匮乏,实现汽车电器设备故障检测的高效化以及智能化就显得至关重要,这样就可以实现提高和加快汽车的生产效率,降低汽车制造过程中的成本和费用。随着许多企业以及学者的深入研究,汽车电器故障检测技术已经日趋完善,电器故障检测设备已经进入使用阶段,该系统已经逐步向用户以及各大生产厂家展现了其巨大的实用性。本文基于对汽车电器故障检测方法的相关文献的理解,在了解汽车故障检测技术和汽车电器故障检测系统的基础上,可以独立进行汽车电器故障检测台的构思,建立设计方案,完成故障检测台的设计。本次设计基于LABVIEW软件平台结合汽车电器故障检测方法设计的汽车电器故障检测平台。
1.2 国内外现状分析
当前社会汽车发展迅速也逐步实现电气化,为了能使汽车上的电器设备得到有效的运用,同时能够满足汽车生产过程中对电器设备的检测的高效方便,因此必须要对车载电器设备进行快速有效的检测,通过运用合适的硬件以及软件集成的检测系统对故障进行检测诊断,能够及时发现故障并保存故障信息,保证车辆搭载设备能够安全有效的工作。
(1)国内电器故障检测研究主要集中在开发各种类型的电器故障检测系统,主要用于各种类型汽车的离线或在线诊断。在丁志华基于CANOE的汽车故障诊断系统研制[1]和叶恒杰的基于CANOE的汽车仪表系统仿真和故障分析[2]中介绍了基于CANOE的汽车电器故障检测系统,该系统通过接通CANOE与Access软件之间的通信接口从而完成对车辆CAN总线上的信号的读取和传输,实现汽车对汽车电器信息的采集并对电器故障的诊断和分析,并用适当的计算机软件运行检测程序来检测汽车线路上的故障码,输出故障结果,主要用于汽车电器故障的在线检测,这种故障诊断方式可以实现故障信息高效快速的采集和储存,具有很好的实用性。在赵英勋汽车诊断技术的发展与对策[3]中介绍了一种新型的故障诊断方法,通过研发专用的仪表设备诊断汽车电路是否存在故障,该方法是利用特殊的硬件检测设备采集车辆运行时的信息,从而完成对汽车上电器故障进行检测,但是该诊断方法太多依赖检测设备,因此灵活性较差,只能在车间或者固定的检测场所进行安装,无法实现便捷高效的诊断。在彭富明汽车发动机电器故障检测与诊断系统设计[4]中介绍了一种基于微机的发动机故障检测系统,在郑殿旺汽车变速箱故障诊断计算机分析系统[5]中介绍了一种基于微机上的虚拟仪器开发技术而设计的汽车变速箱故障检测系统,在这两篇文献共同介绍了基于微机上的故障检测系统的设计思路,主要对故障诊断和故障检测分析方面进行了深入介绍。在郭荣春基于虚拟仪器的汽车远程故障诊断系统[6]中描述了一种车辆变速器故障诊断分析系统,通过利用电脑软件完成汽车运行时电路信息的采集、传输和诊断分析,详细讲解了该系统设计的过程。在成曙汽车电气设备故障诊断专家系统的设计与实现[7]中介绍了电器设备故障的专家诊断系统的设计,详细介绍了汽车电器设备状态检测及新型故障诊断仪的系统组成以及软硬件的组成,以及一种故障诊断专家系统的组织结构、模型结构和知识结构,对电器故障诊断的方法和策略也有一定的介绍,对如何在电脑上建立一个基于虚拟软件系统的电器故障诊断系统给出了明确的方向。张昕在文献汽车电器故障诊断专家系统研究[8]中提出了汽车电器故障检测的系统故障树,通过在VisualBasic6的人机界面上引入故障树这一诊断系统设计出了一种故障树系统专家系统,能够通过采集汽车线路上的电流信号在软件里实现对电器故障通断的判别诊断。在程艳阶汽车电子电器故障检测技术[9]中描述了一个通过车载ECU收集车上各个传感器的参数,将所有采集得到的参数发送到故障检测台实现对汽车电器故障的检测,这种汽车电器故障检测方法在汽车运行时可以实时完成在线监测,该方法虽然能实现较好的诊断效果,但较难运用于流水线生产。在黄炳村的汽车电子电器故障检测技术分析[10]中对电器故障检测方式进行了分析,并指出人工检测电器故障检测的方法需要花费很长的时间,造成汽车生产效率降低,增加汽车生产成本,因此为满足流水线生产需要电器故障检测台的设计与研发就显得十分重要了,为了摆脱较大的仪器设备检测的缺点,转而使用更加方便、响应更加迅速的PC电脑来实现这一功能。在关文举关于汽车电子电器故障检测技术的研究[11]中提出了因为车型不同造成车载电路中的信号不同,从而使得汽车故障诊断系统需要的内部软件和硬件不同,这样不同的汽车就需要特定的电器故障检测设备进行诊断,这将难以实现对整个汽车行业各种型号的车辆的故障诊断,这将降低仪表式电器故障检测台的适用性,从而难以完成对大部分车型电器设备故障检测的任务。在纪常伟的基于故障树的汽车故障诊断系统开发车辆与动力技术[12]中认真仔细地介绍了现阶段国内外的各种车辆电器设备维修方法,通过一种以基于汽车电器故障树的诊断策略,运用各种诊断信息和策略设计的一个汽车故障检测台。在陈新的基于GPRS的汽车故障诊断仪的远程诊断的设计[13]中介绍了一种基于GPRS的汽车电器故障检测仪,主要用于远程检测汽车电器故障,通过ARM嵌入式系统和GPRS无线通讯技术实现汽车电器故障的在线诊断,文中详细介绍远程通讯的实现方法、软硬件结合手段和远程通讯的技术。随着科学技术的进步,越来越多的新技术和电子产品运用于汽车上,导致汽车的电器设备越来越复杂,检测越来越困难,汽车电器故障种类日益增多,检测难度日益加大。
(2)在国外对汽车电器故障检测的研究主要集中于对电器设备故障的自动化检测以及自动化程度的升级,通过将虚拟现实软件与电脑结合实现对汽车常用电器设备的检测,保证汽车电器设备能够正常工作。YOO开发了一个基于汽车ECU的诊断专家系统DIASI[14]通过对汽车电控中心ECU数据进行读取、传输和故障分析,利用保存在汽车上的故障诊断的具体方法和知识完成对汽车电器设备和电控系统的故障检查,完成对整车电器设备运行状况的监测,并对诊断结果实时的报告。Marko通过在汽车电器的电子控制系统以及柴油发动机的电子控制系统中结合了神经网络诊断模型[15]对汽车电器故障进行检测,利用汽车神经网络高效的功能和较高的容错性实现了高速且适用性强的电器故障诊断系统,具备较强的使用性能。Pisu研发了一个基于层次结构的汽车故障诊断与检测系统[16],该系统运用主动单元与被动单元的信息交流,从而实现对汽车车载电器设备运行状况的监测,通过读取运行信息实现对故障定位、诊断和处理,比基于传统的FMEA以及事故树模型的设计系统具有更加强大的功能。此外,国外对汽车电气设备故障的检测已经趋于朝着自动化方向进行发展,目的是为了摆脱传统电器故障检测台的体积和质量大的缺点,传统的电器故障检测台还有检测单一性、难以适应不同的工作环境的缺点,因此越来越多的学术研究朝向采用虚拟测试平台完成汽车电器故障的检测。
1.3 基本内容和技术方案
1.3.1 基本内容:
本文以中国一拖的拖拉机车头电器设备检测项目为依托,通过PLC上位机对车上线路的电压信号进行检测,通过PPI线将检测的信号通过串口通讯传送至电脑,采用LABVIEW这一个程序开发环境对来自PLC的信号进行收集处理,采用G语言这一工具将信号信息发送到故障诊断程序进行诊断,对得到的电器运行信息进行处理显示以及保存,完成汽车电器故障的检测,具体主要内容如下:
以上是毕业论文大纲或资料介绍,该课题完整毕业论文、开题报告、任务书、程序设计、图纸设计等资料请添加微信获取,微信号:bysjorg。
相关图片展示:









