轿车空调系统辅助加热器热设计毕业论文
2020-04-05 10:57:54
摘 要
汽车空调设计是汽车设计的关键技术之一。目前汽车空调系统通常是两用空调系统,即夏季供冷和冬季供暖。由于一套系统实现两用的功能,往往在寒冷的冬季,其供热效果不能达到其设计要求,需要进行辅助供热。轿车使用的是水暖式供暖系统,供暖的核心部件是加热器。所以对加热器结构设计的研究有利于提高轿车空调的供暖性能。
本文以轿车为设计对象,设计了一款翅片管式加热器。采用铝制环肋和单黄铜管构成加热器芯体。用热计算的方法确定芯体管长,并且将芯体合理布置在一个矩形箱体内。箱体由薄钢板制成,有固定芯体和抵挡冲击力度作用。芯体和箱体之间用焊接方式连接。最后用CAD绘制工程图纸表示加热器各结构尺寸,用CATIA建立三维模型直观表示加热器整体结构。
关键词:汽车空调;加热器;设计计算
Abstract
Automotive air conditioning design is one of the key technologies for automotive design. At present, automotive air-conditioning systems are usually dual-use air-conditioning systems, namely summer cooling and winter heating. Due to the dual functions of a system, in the cold winter, the heating effect usually cannot meet its design requirements and it needs auxiliary heating. The car uses a water-heating heating system, and the core component of heating is a heater. Therefore, the study of the structural design of the heater is conducive to improving the heating performance of the car air conditioner.
In this paper, a fin tube heater is designed based on the design object of a car. Aluminum ribs and single brass tubes form the heater core. The length of the core tube is determined by thermal calculations and the core is properly arranged in a rectangular box. The box body is made of thin steel plate, which has a fixed core body and resists impact force. The core and the box are connected by welding. Finally, the engineering drawings are drawn in CAD to represent the dimensions of the heaters, and the three-dimensional model is created using CATIA to visually represent the overall structure of the heater.
Key words: automotive air conditioner; heater, design calculation
目录
摘 要 I
Abstract II
第1章 绪论 1
1.1 课题背景、目的及意义 1
1.2 国内、外加热器研究现状 2
1.3 本课题主要任务 3
1.4 本章小结 4
第2章 汽车空调加热器介绍 5
2.1 汽车空调加热器的简介 5
2.2 汽车空调加热器的结构 5
2.3 汽车加热器在暖风系统中的作用 6
2.4 本章小结 7
第3章 汽车空调加热器的设计计算 8
3.1 设计条件及性能要求 8
3.1.1出口水温的计算 8
3.2 计算肋片换热量 9
3.3 计算管长 11
3.4 加热器换热量的校核 13
3.5 装置管道弯曲处的换热计算 14
3.6 本章小结 15
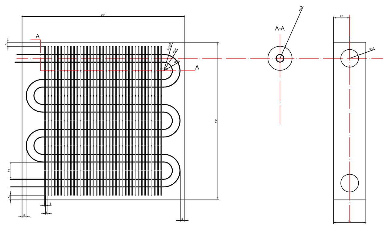
第4章 利用CAD和CATIA对加热器进行建模 16
4.1 加热器整体概括 16
4.2 加热器具体结构设计 16
4.2.1 加热器芯体设计 16
4.2.2 箱体的设计 16
4.2.3 整体结构展示 17
4.3 本章小结 18
第5章 结论与展望 19
5.1 工作结论 19
5.2 展望 19
参考文献 20
致谢 21
绪论
- 课题背景、目的及意义
车用空调从问世以来,已经从单一制冷发展到冷暖一体化,功能日益完善,大大改善了乘员的乘坐环境,提高乘坐舒适性。尤其是冷暖一体化空调中的汽车采暖系统,极大改善了车辆在寒冷条件下的搭乘环境。同时其附加功能还兼具除霜除雾,保证驾驶过程中的安全,实用性很强[1]。
制冷、制暖、除湿、通风与净化空气是车用空调的主要功能[2]。车用空调制冷系统可以在夏天的高温中制造冷风,使车内温度低于车外温度,让驾乘人员能处于一个较为舒适的环境中,此时热交换器是蒸发器。暖风系统则是能够在寒冷的冬季加热空气,使车内温度高于车外温度,让驾乘人员能够处于温暖的环境中,这时候热交换器是加热器[3]。
汽车暖风系统除了采暖之外,还具备除霜、调节温度与湿度等作用。在车内外温差比较大的时候,车窗玻璃上会结霜,影响到驾驶人的视线,对行车安全构成重大威胁。这时汽车暖风系统一部分暖风吹进乘员舱进行供暖,另一部分则从车窗下的出风口吹向车窗,除去车窗玻璃上的雾霜[4]。制冷和暖风系统联合工作,可以使得车内的温度和湿度全年都保持在驾乘人员喜好的设定值上。可见冷暖两用汽车空调系统无论是对行车安全,还是对成员驾乘的舒适度都有不可或缺的作用。
现有的汽车采暖系统大致可以分为以下四类,分别是:水暖式暖风系统、气暖式暖风系统、独立燃烧式暖风系统和综合预热式暖风系统。水暖式暖风系统的热源来自发动机冷却液,多用于乘用车、货车及对采暖要求不高的普通客车。气暖式暖风系统热源来自发动机排气系统,多用于装备风冷式发动机的汽车。独立燃烧式暖风系统热源来自专用燃料的燃烧,多用于大型客车。综合预热式暖风系统热源来自发动机冷却液和专用燃料的燃烧两个方面,多用于大型客车。从结构、布置空间和所需供热量上考虑,现有轿车普遍使用水暖式暖风系统。
水暖式暖风系统主要由加热器、冷却液流量控制阀、鼓风机和控制面板等组成,其原理是利用发动机冷却液直接供暖。发动机冷却液进入加热器的冷却管道,通过散热片散热之后,再返回发动机的冷却系统,因此加热器是其主要部件。驾驶员可以通过控制面板上的调节杆或者旋钮来控制冷却液流量、鼓风机的转速及开关状态。
水暖式暖风系统的优点是结构简单,经济性好。其缺点也很明显,因为该系统依赖发动机冷却液的热量,所以必须要等待发动机冷却液温度上升至大循环时方能开始,因此在寒冬,下坡、停车或刚起步时,热源就显得不足[5]。如果使用不当,发动机容易发生过冷现象。在汽车刚起步的时候,冷却液温度未能使加热器芯加热到合适的温度,部分较为高端的汽车会采用电加热冷却液供暖的方式使冷却液温度迅速升高,来弥补这一时段车内温度不够的问题,PTC加热器就是其中一种解决方案。还有的厂商将电加热器置于头枕和座椅内,加热和人体直接接触的材质,提高体感温度。
为了改善传统加热器的缺点,国内外对加热器的研究一直未停止,基于各种热工计算优化加热器的结构和流程,专家学者们围绕着各学科提出了许多优化方案,比如说调整肋片间距和管道间距、采用导热性能更好的合金材料、改变扁管的尺寸、在扁管中布置凹坑增加流体扰动等措施[6]。以及将传统的翅片管式加热器换成平行流式加热器。目的都是增加加热器的换热效率,减少加热器表面温度不均的情况,减小加热器的体积,顺应轻量化的潮流。
但这样也会带来一定的问题,紧凑化之后的加热器结构复杂,成本升高,一旦出现管路堵塞等问题,车主往往难以维修,只能更换整个装置,提高了养护成本。
基于本科阶段的热力学知识,我设计了一种单管式环肋加热器。经过设计和热计算,其换热效率虽然不比优化后的波纹肋片扁管加热器,但也能满足日常使用要求。而且生产装配更简单,成本较低。
- 国内、外加热器研究现状
空调暖风系统中,加热器主要由扁管、水室、翅片等部件组成。扁管是散热介质流经的通道,水室的作用是收集暖风换热器扁管内部的传热介质,并且将介质均匀分布到每根扁管,翅片的作用是将热量通过扁管的管壁传递到翅片上,风通过翅片,与翅片进行热交换,从而实现给空气加热的功能。总的流程是发动机冷却液进入加热器的冷却管道,通过散热器片散热后,再返回发动机的冷却系统。冷风通过风泵吹向加热器进行热交换,加热后的暖风供给车厢取暖。因此加热器的性能直接影响空调的制暖性能。
经过多年的发展,加热器从材料到结构都有不断改进。最初应用在汽车上的加热器是翅片管式加热器,管道和翅片的材料都是黄铜。优点是结构简单可靠,生产难度低成本低,缺点是体积和质量较大,换热效率较低,并且加热器表面温度不均匀,会使主驾驶位和副驾驶位出风口温度不一样。近年来,平行流式加热器在一些汽车上出现。平行流式加热器由进出水管、上下水室以及散热带组成。冷却液从进水管流入上水室,再流经各平行的扁管,经过散热带进行热交换之后进入下水室,从出水管离开加热器。平行流式加热器的优点是表面温度均匀,换热效率较高,体积重量较小。缺点是结构复杂,生产成本高。近年来顺应整车轻量化的潮流,加热器也在朝着小型化轻量化的发展,比如翅片管式加热器的管道和翅片材料从黄铜换成铝合金。平行流式加热器的上下水室材料从金属换成树脂或ABS塑料。如何提高加热器的换热效率,以及在换热效率不变的前提下如何使设备结构更紧凑,同时控制生产成本,已经成为各厂商研究的课题。
国内学者和各厂商对提升暖风换热器性能的方法早有探究。比如说麦克斯(保定)汽车空调系统有限公司,对影响暖风换热器的因素进行了深入的探讨。他们运用台架性能测试的方法,分别从扁管的影响、翅片的影响和流程的影响这三点分析比对。最终得出的结论是B型扁管换热效率高于O型扁管,矩形翅片的换热效率高于U型翅片,流程上采用进出口异侧的方式可以使加热器芯体表面温度分布趋于均匀一致[7-8]。又比如说长城汽车有限公司、北京建筑工程学院和中国农业大学的相关学者,他们利用Fluent求解和正交设计的方法对汽车暖风机热交换器进行优化设计。Fluent软件可以模拟热交换器的流动和传热过程,正交设计的方法可以建立回归方程,因此可以得到出口温度的数学模型[9]。该模型定量描述了翅片间距、翅片高度及水管间距对换热效率的影响,优化汽车暖风热交换器的结构,最后通过试验证明了优化设计结果的准确性。
国外学者则是用数学建模的方式,开发了一种分析模型来确定扁平管翅式吸附床的最佳几何参数和热参数,以求达到最优系统性能[10]。在这种模型下,热交换器的重量、成本,体积和热传导性均大大降低。有学者提出了一种结合汽车空调系统各部件性能分析程序的模型,该模型很好地模拟了汽车一体化空调系统的性能[11]。随着电动汽车发展,有人调查了在电动汽车中使用空气和废热的双源热泵的可行性。在这项研究中,热泵被认为是传统电加热器的替代加热单元,以提高加热效率[12]。另外一些专家则是通过优化进气歧管结构来提高加热器的性能。采用计算流体动力学(CFD)来调查这种现象并找到一些优化方案[13]。还有人提出了一种由两个循环组成的混合空调系统:由废热驱动的喷射器循环和压缩机循环,可将空调系统COP提高35%以上[14]。
本文将通过对加热器进行热计算,优化加热器的热设计,提高加热器的换热效率。
- 本课题主要任务
设计一款能够满足日常使用的轿车空调加热器。先根据使用环境来确定空调加热器性能,然后根据选用的材料和流体物性,计算出尺寸参数,对所设计空调加热器的换热性能进行校核。再对空调加热器进行三维建模,将模型导入到Fluent中进行仿真分析,进一步将仿真分析的结果和计算结果进行比对。
- 本章小结
本章首先详细阐述了所做课题的研究背景、目的及意义,随着人们对车内环境要求的日益提高,汽车空调作为改善车内环境的重要装置,正逐渐受到厂家重视。加热器又作为暖风系统的重要组成部分,围绕其也有不少的研究。随后分析了空调加热器的国内外研究现状,表明了完成课题所需做的工作,为之后的任务理清了思路。
第2章 汽车空调加热器介绍
2.1 汽车空调加热器的简介
加热器常见于水暖式暖风系统之中。水暖式暖风系统由发动机冷却液直接供暖,原理如图2.1和2.2所示。以水冷式发动机冷却系统中的冷却液为热源,将冷却液引入车内的热交换器(加热器),同时鼓风机将车内的循环空气或外部空气吹向加热器,冷空气与加热器中的冷却液进行交换,变成热空气后被导入车内,以调控车内的温度。加热器一般安装在汽车中控台后面。

图2.1 发动机冷却液直接供暖式暖风系统的工作原理

图2.2水暖式暖风系统主要部件的安装位置
2.2 汽车空调加热器的结构
加热器(亦称热交换器)由冷却液管路和散热器片组成,如图2.3所示。发动机冷却液进入加热器的冷却液管路,通过散热器片散热后,再返回发动机的冷却系统。
为提高热交换率,加热器多采用波纹片式加热器芯。这种加热器的各个散热片制成褶皱状,呈波纹形,故名波纹片式加热器,可显著增大散热面积,提高散热效率。
除了波纹片式加热器芯,还有几种常见的类型。管子的形状有圆管和扁管,其中扁管又分为B型管和O型管,主要影响到暖风流阻。常见的翅片类型有矩形和U型,主要在暖风性能上有区别,特别是在风量比较大的时候。流程则主要有一型和U型两种,主要影响到换热器表面温度的均匀分布,关系到主驾驶和副驾驶出风口温度是否一致。
除了常见的翅片管式加热器,还有一种平行流式加热器。平行流式热交换器在冷凝器上已经开始应用,在加热器上应用还较少。平行流式加热器芯体由进水管、出水管和散热带组成,有上下两个水室。上水室由集板、隔板和上水室盖板组成。下水室由集板和下水室盖板组成。隔板将上水室分割成上进水室和上出水室两部分,分别于进出水管相通。上下水室通过多根散热管连接在一起。
随着技术的不断进步,加热器的热交换率越来越高,但外形尺寸却越来越小,重量更轻,且上、下冷却液室有采用树脂材料取代金属材料的趋势。

图2.3 加热器内部结构
2.3 汽车加热器在暖风系统中的作用
从发动机出来的冷却液温度可达80℃以上,流经汽车空调加热器的时候,鼓风机将车外冷风吹向加热器芯体,由于加热器芯体由多个管道和散热片组成,散热面积很大。冷空气从加热器芯体中间流过,和芯体管路内的冷却液进行热交换,升高到一个令人体感到舒适的温度,从出风口吹入乘员舱。
除了加热冷风之外,流经汽车空调加热器的冷却液经过一定程度的冷却,再进入循环的时候可以降低散热器的负担,提高发动机的冷却效率,达到节能的效果。
2.4 本章小结
本章首先对汽车空调暖风系统进行了简单的介绍,尤其是水暖式暖风系统。借此引入加热器在暖风系统里面的位置和作用。随着技术的发展,现在加热器的内部结构和流程有不同的几个类型,原理都是借助冷却液和冷空气之间的热交换来加热空气,使最后流入乘员舱的空气在人体舒适范围内。了解加热器的结构和基本原理,对后面的设计有很大的帮助。
第3章 汽车空调加热器的设计计算
3.1 设计条件及性能要求
本设计是针对轿车的空调暖风系统加热器,人体感到舒适的温度环境是20-25℃,故在车外冷风温度为0℃的情况下,车内乘员舱出风口温度应为20℃以上。
冷却液采用水,管路内水温、水流量,流经加热器的空气流量,以及进出口空气温度和温差由某型号波纹片式加热器的台架试验数据作为参考[15],如表3.1所示。
表3.1 某型号波纹片式加热器台架试验数据和基本参数
几何参数 | 代号 | 数值 |
水流量(m3/s) | 0.00017 | |
空气流量(m3/s) | 0.0833 | |
加热器进口水温(℃) | 82 | |
进口空气温度(℃) | 26 | |
出口空气温度(℃) | 59 | |
散热器长*宽*厚(mm) | d*h*a | 150×125×34 |
换热量(kW) | 3.5 |
留意到该型波纹片式加热器台架试验数据中没有提到出口水温,为了便于计算要设计的散热器管长,需要先算出出口水温,以便计算水侧的换热量。
3.1.1出口水温的计算
- 计算空气吸热量
空气物性参数如表3.2所示。
表3.2 大气压力(p=1.01325×105Pa)下干空气的物理性质







