浦口区何冲社区美丽乡村生态餐厅方案二毕业论文
2020-04-16 15:35:59
目录
第一部分 结构设计总体介绍
- 工程概况…………………………………………………………
- 结构设计主要依据的规范……………………………………
- 基本荷载…………………………………………………………
- 荷载组合…………………………………………………………
- 材料………………………………………………………………
第二部分结构计算过程
一、荷载计算…………………………………………………………
二、屋架计算…………………………………………………………
三、搁栅、梁和墙骨柱等构件计算…………………………………
四、剪力墙抗侧力计算………………………………………………
五、墙体与楼盖和基础的连接计算…………………………………
六、筋砼半地下室挡土墙计算………………………………………
七、墙下条形基础计算………………………………………………
结构设计总体介绍
一、工程概况
南京市浦口区何冲社区美丽乡村生态餐厅方案二,三层轻型木结构建筑,半地下室(混凝土)、地上两层首层层高3.9m(包括0.9m高混凝土),其余层3.3m,总建筑面积约900m2。屋面采用三角形轻型木桁架,纵向承重;二层楼面为横墙承重;竖向荷载由屋面、楼面传至墙体,再传至基础;横向荷载(包括风载和地震作用)由水平楼、屋盖体系、剪力墙承受,最后传到基础。








二、结构设计主要依据的规范(规程)
《建筑结构可靠度设计统一标准》(GB50068—2001)
《建筑结构荷载规范》 (GB50009—2012)
《木结构设计规范》(2005 版)(GB50005—2003)
《建筑抗震设计规范》 (GB50011—2010)
《钢结构设计规范》 (GB50017—2003)
其它相关设计规范和规定。
三、基本荷载
1、恒荷载
恒荷载按照屋面及墙体实际材料计算。
2、活荷载
屋面(不上人)………………………………………………………………0.5kN/m2
楼面…………………………………………………………………………2.0kN/m2
3、风荷载
江苏南京浦口50年基本风压0.4kN/m2;场区地面粗糙度类别为B类;风振系数βz、体型系数μs、高度系数μz按规范选取;风载分项系数γw=1.4。
4、地震作用
该场地位于江苏南京浦口,场地设防烈度为7度,地面加速度0.1g,特征周期0.35s,乙类建筑。
四、荷载组合
1、基本组合
1.2恒 1.4活
1.2恒 1.4活 1.4×0.6风
1.2恒 1.4×0.7活 1.4风
1.2恒 1.2×0.5活 1.3地震
2、标准组合
1.0恒 1.0活
1.0恒 1.0活 0.6风
1.0恒 0.7活 1.0风
1.0恒 0.5活 1.0地震
五、 材料
1、规格材:有木材认证机构的质量认证记号,承重墙的墙骨柱木材采用IIIc级及以上级材质,楼板搁栅、窗过梁及屋面搁栅木材达到IIIc及以上。
材料名称 | 解释 | 含水率(%) |
SPF | 进口云杉、松、冷杉结构材统称,强度等级IIIc及以上 | ≤18 |
ACQ | SPF经防腐处理后的SPF材,强度等级IIIc及以上 | ≤18 |
Glulam | 胶合木 | ≤15 |
PSL | 胶合木 | ≤15 |
OSB | 木基结构板材 | ≤16 |
2、 螺栓:4.8级普通螺栓;锚栓:材料为Q235B。
3、 钢材:拉条、抗拔连接件。
4、 钢筋: HRB335。
5、基础混凝土强度等级为C30,基础垫层为100mm厚C15素混凝土
结构计算过程
- 荷载计算
- 永久荷载
1)屋面荷载标准值--------------------------------------------0.9kN/m2
2)楼面荷载标准值
1、楼面荷载标准值
40mm厚水泥砂浆----------------------------------------------1.00kN/m2
15mm厚OSB板------------------------------------------------0.10kN/m2
吊顶以及管道-------------------------------------------------0.35kN/m2
楼面搁栅-----------------------------------------------------0.18kN/m2
2 x 12mm石膏板----------------------------------------------0.35kN/m2
总计: 1.98kN/m2
3)外墙荷载标准值
1、一层外墙
15mm厚石膏板------------------------------------------------0.16kN/m2
2 x 9mm厚OSB板---------------------------------------------0.12kN/m2
38mm x 140mm间距@406mm墙骨柱-------------------------------0.07kN/m2
墙体保温材料------------------------------------------------0.03kN/m2
外挂板-----------------------------------------------------0.068kN/m2
其他--------------------------------------------------------0.03kN/m2
总计: 0.478kN/m2
2、二层外墙
15mm厚石膏板------------------------------------------------0.16kN/m2
2 x 9mm厚OSB板---------------------------------------------0.12kN/m2
38mm x 140mm间距@406mm墙骨柱-------------------------------0.07kN/m2
墙体保温材料------------------------------------------------0.03kN/m2
外挂板-----------------------------------------------------0.045kN/m2
其他--------------------------------------------------------0.03kN/m2
总计: 0.455kN/m2
3、三层外墙
15mm厚石膏板------------------------------------------------0.16kN/m2
2 x 9mm厚OSB板---------------------------------------------0.12kN/m2
38mm x 140mm间距@406mm墙骨柱-------------------------------0.07kN/m2
墙体保温材料------------------------------------------------0.03kN/m2
其他--------------------------------------------------------0.03kN/m2
总计: 0.410kN/m2
4)内墙荷载标准值
1、内部剪力墙
2 x 15mm厚石膏板--------------------------------------------0.32kN/m2
2 x 9mm厚OSB板---------------------------------------------0.12kN/m2
38mm x 140mm间距@406mm墙骨柱-------------------------------0.07kN/m2
墙体保温材料------------------------------------------------0.03kN/m2
其他--------------------------------------------------------0.03kN/m2
总计: 0.57kN/m2
1、内部隔墙
2 x 15mm厚石膏板--------------------------------------------0.32kN/m2
2 x 9mm厚OSB板---------------------------------------------0.12kN/m2
38mm x 89mm间距@406mm墙骨柱------------------------------0.0534kN/m2
墙体保温材料------------------------------------------------0.03kN/m2
其他--------------------------------------------------------0.03kN/m2
总计: 0.5534kN/m2
- 活荷载
- 雪荷载标准值sk=μrxs0=1.0x0.65=--------------------------0.65kN/m2
- 屋面活荷载标准值:不上人屋面,活荷载为--------------------0.5kN/m2
- 楼面活荷载标准值:----------------------------------------2.0kN/m2
- 风荷载标准值:
ωk=βzμsμzω0
式中 ωk----风荷载的标准值(kN/m2)
βz----高度Z处的风振系数,此处βz=1
μs----风荷载体型系数
μz----风压高度变化系数
ω0----基本风压(kN/m2)
- 风压高度变化系数μz的取值:
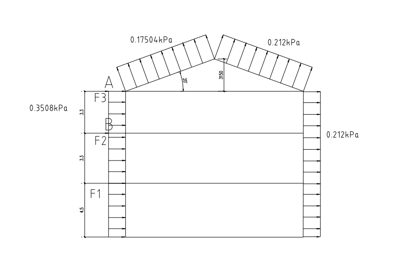
根据结构设计说明中,地面的粗糙程度为B类,建筑物屋架的最高点距离地面高度为13.35m。根据上面两个条件计算得μz=1.094
- 风荷载体型系数μs的取值(见下图)

根据插入法取值,此结构屋架的角度为20°,μs=-0.4
- 基本风压ω0=0.4kN/m2
屋盖处水平风荷载计算:
横向:
纵向:F3-Z=

建筑物的风荷载标准值
B处水平风荷载计算
横向:F2-H=
65.12kN
纵向:F2-Z=
29.72Kn
C处水平风荷载计算
横向:F1-H=
72.29kN
纵向:F1-Z=
35.12kN
- 地震作用(采用底部剪力法)
各楼层取一个自由度,集中在每一层的楼面处,第二层的自由度取在坡屋面的二分之一高度处。结构水平地震作用的标准值,按照下面的式子进行确定。
FEK=α1Geq

——水平地震影响系数;
----顶部附加地震作用系数,
=0
----结构等效总重力荷载,多质点可取总重力荷载代表值的85%
式中α1----相应于结构的基本自振周期的水平地震影响系数,应根据下面的规定确定;
对于轻型木结构而言,规范规定结构的阻尼比取0.05,则地震作用影响系数曲线的阻尼调整系数η2按照1.0取值,曲线下降段的衰减指数γ取0.9,直线下降段的下降调整系数η1取0.02。结构的自振周期可以按照经验公式T=0.05H0.75进行估算,其中H为基础顶面到建筑物最高点的高度(m)。
结构的自振周期为T=0.05H0.75=0.05 x 13.150.75=0.345,结构的特征周期为0.35,场地设防烈度为7度,地面加速度0.1g,根据规范查得αmax=0.08
则根据下图所示,α1=η2αmax=0.08
地震影响系数曲线
Geq----结构等效总重力荷载,多质点可取总重力荷载代表值的85%;
Geq的计算:
屋盖自重:0.9 x 36 x 16=518.4kN
楼盖自重:1.98x 36 x 16=1140.48 kN
各层墙体自重:
三层外墙自重:
三层内墙自重:
总计
二层外墙自重:140.98kN
二层内墙自重:268.61kN
总计
一层外墙自重:
一层内墙自重:
总计

A处质点:518.4 0.5×36×16×0.2 0.5×409.59=739.77kN
B处质点:1140.48 0.5×409.59×2 0.5×2×36×16=2126.02kN
C处质点:1140.48 0.5×(409.59 395.75) 0.5×2×36×16=2119.15Kn




- 屋架计算
- 屋架形式
屋架为豪威式,屋面坡度为a=20°(1:2.75),跨度L=16m,轻型屋面材料,离地高度13.35m(三层)。桁架间距406mm,桁架各构件的轴线尺寸见下图(单位mm)
(2)荷载计算
屋架尺寸
轻型屋面恒荷载为0.9kN/m2,活荷载0.5kN/m2,雪荷载0.2kN/m2,基本风压0.3kN/m2。
风压按11.25m高度计算,风压变化系数μz =1.033,屋面角度为20°,风载体型系数迎风面μs =-0.4,背风面μs =-0.5。
将屋架上弦所受荷载转换为节点上荷载进行计算,荷载大小见下图。
屋架所受荷载大小
(3)杆件内力
采用通用有限元程序SAP2000计算杆件内力,计算发现,在众多的荷载组合中,1.2恒荷载 1.4活荷载起控制作用。以下为屋架的内力图。

轴力图

弯矩图

剪力图
- 构件验算
本标准的屋架材料主要有两种截面的规格材38mm x 89mm (2 x 4)和38mm x 140mm (2 x 6)。对规格材38mm x 89mm (2 x 4) SPFIIIc,抗弯强度设计值fm=9.4N/mm2,尺寸调整系数为1.5。顺纹抗压及承压强度设计值为fc=12N/mm2,尺寸调整系数1.15。顺纹抗拉强度设计值为ft=4.8N/mm2,尺寸调整系数1.5。对规格材38mm x 140mm(2 x 6) SPFIIIc,抗弯强度设计值fm=9.4N/mm2,尺寸调整系数为1.3。顺纹抗压及承压强度设计值为fc=12N/mm2,尺寸调整系数1.1。顺纹抗拉强度设计值为ft=4.8N/mm2,尺寸调整系数1.3。顺纹抗剪强度设计值fv=1.4N/mm2,该强度不需要尺寸调整。弹性模量 E=9700N/mm2。
下表列出了两种规格材的截面特性。根据受压腹杆和上弦压弯杆件的长细比限值计算两种截面的对应杆件最大计算长度。
截面特性
截面 类型 | 实际尺寸 (mm) | A(mm2) | Ix(mm4) | Wx(mm3) | Iy(mm4) | Wy(mm3) | ix(mm) | iy(mm) | |
2*4 | 38 | 89 | 3382 | 2232401.8 | 50166.3 | 406967.3 | 21419.33 | 25.6921 | 10.9697 |
.8 | 3 | 3 | 3 | 1 | 7 | ||||
2*6 | 38 | 140 | 5320 | 8689333.3 | 124133 | 640173.3 | 33693.33 | 40.4145 | 10.9697 |
.3 | 3 | 3 | 5 | 7 | |||||
长细比限值
截面类型 | 受压腹杆 | 上弦杆 | |||
受压长细 比限值 | 平面内允许 最大长度(m) | 平面外允许 最大长度(m) | 长细比限值 | 平面内允许 最大长度(m) | |
2*4 | 150 | 3.85 | 1.65 | 120 | 3.08 |
2*6 | 150 | 6.06 | 1.65 | 120 | 4.85 |
- 腹杆验算
经过计算发现斜腹杆为轴心受压构件,竖向腹杆为轴心受拉构件。
- 轴心受压腹杆验算
斜腹杆平面内计算长度l1x=2830mm,l2x=2665mm,均选取38mmx 89mm截面,在腹杆中间位置设置支撑,使其平面外计算长度为l1y=943mm,l2y=888mm。杆件轴压力为N1=2.1kN,N2=1.6Kn。
强度验算:


稳定验算:
长细比:
,
,


稳定系数:

,满足要求
,满足要求
- 轴心受拉腹杆验算
腹杆截面为38mm x 89mm,取最大杆件轴拉力为N=3.9kN。只需要验算截面强度。
,满足要求
2) 上弦杆验算
上弦杆为压弯构件,选取38mm x 140mm截面,经过计算发现杆件上的弯矩很小,因此按照轴心受压杆件公式验算,杆件平面内计算长度为l0x=
2127mm。平面外由于有檩条做为侧向支撑,能够保证平面外的稳定,所以不验算平面外的稳定。杆件轴压力为N=9.2kN。
长细比:
压杆稳定系数:
,满足要求。
3)下弦杆验算
屋架下弦杆为拉弯构件,只需要验算其强度:
选取两处受力较大的截面A和B进行验算:
NA=1.1kN,MA=-32.9kN·mm,NB=-7.7kN,MB=32.8kN·mm,
,满足要求。
,满足要求。
2.4.4局部承压验算
仅选取屋架中间竖向受压腹杆与下弦杆之间的局部承压面进行验算
N=3.9kN
Ac=89x38=3382mm2
局部受压顺纹长度=89mm,KB=1.1132
构件截面宽度与高度比值=38/140=0.3lt;
1.0,KZcp=1.00
,满足要求。
- 格栅、梁和墙骨柱等构件计算
- 楼盖布置及材料
除办公室部分楼盖外,其余楼盖均采用Ic级云杉-松-冷杉38mm x 235mm(2 x 10) 规格作为承载构件,搁栅均匀布置,间距为406mm。
根据《木结构设计规范》的附录J,该材料抗弯强度fm=13MPa,尺寸调整系数为1.0;顺纹抗压强度fc=15MPa,尺寸调整系数为1.0;顺纹抗拉强度ft=7.5MPa,尺寸调整系数为1.0;顺纹抗剪fv=1.4MPa,横纹承压fc,90=4.9MPa,弹性模量 E=10300MPa。
截面尺寸为38mmX235mm,截面性质为:
面积A=10830mm2,Ix=73305562.5mm4,W=514425mm3,S=385818.75mm3,ix=
mm
餐厅搁栅跨度为6000mm,走廊搁栅跨度为3000mm,均按两端简支计算。
- 荷载
恒荷载:由以上楼面荷载计算的楼面恒荷载标准值为1.98kN/m2
活荷载标注值:办公室,餐厅:2.0kN/m2
因搁栅间距为406mm,故转换成线荷载为:
恒载标准值:0.804kN/m
活载标准值:0.812kN/m
荷载组合下:
D L: 1.616kN/m
1.2D 1.4L: 2.102 kN/m
- 一般楼盖计算
1)办公室楼盖
按跨度为6000mm的简支梁计算,其上承受均布荷载为1.616kN/m(标准值),
2.102kN/m(设计值)
弯矩最大值为
kN•m
剪力最大值为
kN
强度验算:


变形验算:

长细比
,满足。
2)洗手间楼盖
与办公室一样选材
荷载组合下:
D L: 1.616kN/m
1.2D 1.4L: 2.102kN/m
按跨度为3000mm的简支梁计算,其上承受均布荷载为1.616kN/m(标准值),
2.102kN/m(设计值)
弯矩最大值为
kN•m
剪力最大值为
kN
强度验算:


变形验算:

长细比
,满足。
- 墙骨柱计算
此处以一层纵向外墙的墙骨柱为例进行设计,其余墙骨柱的计算不一一演示
- 纵向外墙墙骨柱计算
- 墙骨柱材料
一层外墙墙骨柱,采用的是38mm x 140mmIIIc级云杉-松-冷杉规格材,间距为406mm。
- 荷载
作用在一层外墙上每根墙骨柱的荷载标准值为:
屋架自重:0.9 x 16/2 x 0.406=2.923kN
三层外墙自重:0.41×3.35×0.406=0.558kN
二层外墙自重:0.455 x 3.35 x 0.406=0.619kN
恒荷载总计:4.1012kN
屋架的活荷载:0.5 x 16/2 x 0.406=1.624kN
风荷载标准值:0.4 x 0.406=0.1624kN
考虑两种基本组合:
组合1:1.2恒 1.4活 1.4x0.6风
组合2:1.2恒 1.4x0.7活 1.4风
则,组合1:每根墙骨柱承受的轴向荷载设计值为:1.2 x 4.1012 1.4 x 1.624=7.195kN
所受到的侧向风荷载设计值为:
=1.4 x 0.6 x 0.162=0.1364kN/m

组合2:每根墙骨柱承受的轴向荷载设计值为:1.2 x 4.102 1.4 x 0.7 x 1.624=6.513kN
所受到的侧向风荷载设计值为:
=1.4 x 0.162=0.227kN/m

- 构件验算
根据《木结构设计规范》的附录J可得,IIIc级云杉-松-冷杉规格材的抗弯强度设计值fm=9.4MPa,尺寸调整系数为1.3;顺纹抗压强度设计值fc=12MPa,尺寸调整系数为 1.1,抗弯强度fm=9.4MPa,尺寸调整系数为1.3。
- 强度计算
组合1:
组合2:
强度满足要求。
B.稳定计算:
构件全截面的惯性矩:I=38 x 1403/12=8689333.333mm4
构件的全截面面积:A=140 x 38=5320mm2
构件截面的回转半径:
mm
构件的长细比:
目测等级为IC~VC的规格材,当
gt;75时,采用公式
计算稳定系数,则:·
组合1:k=0,


则

满足要求。
组合2:k=0,



则
满足要求。
C.局部承压验算
通过查表可得,IIIc级云杉-松-冷杉规格材的横纹抗压强度设计值
fc,90=4.9MPa,尺寸调整系数为1.0。
按照下式进行验算:

上式中:Ac为承压面积,此处Ac=A=38 x 140=5320mm2

则
局部承压满足要求。
- 剪力墙抗侧力计算
通过前面的荷载计算可见,对于房屋和楼盖水平荷载,本结构南北向和东西向均有地震作用控制。东西方向主要考虑由7道剪力墙承受,南北向由6道剪力墙共同作用承担荷载。经计算所得的两个力分别为:
F3=98.87KN
F2=188.02KN
F1=112.20KN
本节以一层楼为对象,挑选3的横向剪力墙进行抗侧力计算及剪力墙与楼盖和基础的连接设计,其余剪力墙片的计算过程不一一演示。
- 剪力墙验算
由于一层剪力墙所受的荷载最大,因此我们首先对一层的剪力墙进行计算。选择其4的轴线剪力墙进行计算。剪力墙双侧采用的是12mm的定向刨光板,墙骨柱截面尺寸38mm×140mm,间距305mm,普通钢钉的直径为3.3mm,面板边缘钉的间距为150mm。一层所受的总剪力的设计值为:
,假设所产生的侧向力均匀地分布,则
。剪力墙所承担的地震作用按照面积进行分配,则轴线剪力墙所受3的剪力为:
1)3轴线剪力墙验算:
此段一层剪力墙由2段内墙组成,长度分别为3.9m ,4剪力墙的刚度为:


相同,所以剪力在各墙段中与
成正比,即,




2)剪力墙的抗剪验算
单面铺设面板有强骨柱横撑的剪力墙,其抗剪承载力设计者按照下面的式子计算:

式中:
—采用木基结构板材作面板的剪力墙的抗剪强度设计值(kN/m)
—平行于荷载方向的剪力墙墙肢长度,分别等于3.9 m,4 m
—木基结构板材的含水率调整系数,取1.0
—骨架结构材料树种的调整系数,云杉-冷-杉类,取0.8
—强度调整系数,取1.0
对于双面铺板的剪力墙,无论两侧是否采用相同材料的木基结构板材,剪力墙的抗剪承载力设计值等于墙体两面抗剪承载力设计者之和。此外两面采用的木基结构板材是相同的,故通过上面的式子算得的数值应乘以2。

根据《木结构设计规范》中的要求,当进行抗震验算时,取承载力调整系数
,则:

,满足设计要求。
3)剪力墙边界构件承载力验算
剪力墙的边界杆件均为剪力墙边界强骨柱,为两根 38mm×285mm Ic级云杉-松-冷杉规格材。边界构件承受的设计轴向力为:

另外,作用在一层内剪力墙上的竖向荷载设计值为:
三层内剪力墙:1.2x0.57x3.15=2.15kN/m
三层楼盖:(1.2x1.98 1.4x2.0)x3.3=17.08kN/m
二层内剪力墙:1.2x0.57x3.15=2.15kN/m
二层楼盖:(1.2x1.98 1.4x2.0)x3.3=17.08kN/m

故每根墙骨柱承受的荷载设计值为:
通过《木结构设计规范》的附录J查表可得,Ⅲc云杉-松-冷杉格材的顺纹抗拉强度设计值
=4.8MPa,尺寸调整系数为1.3;顺纹抗压强度设计值
=12MPa,尺寸调整系数为1.1。
- 边界构件的受拉验算
杆件的抗拉承载力:
则,
- 边界构件的受压计算
- 强度计算
杆件的抗压承载力:
则,
b.稳定计算
由于墙骨柱侧向有覆面板支撑,一般在平面内不存在失稳问题,我们仅验算边界墙骨柱平面外稳定。边界构件的计算长度为横撑之间的距离为1.22m。
构件全截面的惯性矩:
构件全截面面积:
构件截面的回转半径:
构件的长细比:
目测等级为
的规格材,当λ≤75 时,采用公式
计算稳定系数。则:
构件计算面积:

故平面外的稳定满足要求。
4)局部承压验算
通过查表可得,Ⅲc云杉-松-冷杉格材的横纹承压强度设计值
,尺寸调整系数为 1.0。
按照下式验算:
上式中:
是承压面积,此处
=A=2x38x140=10640
,局部承压满足要求。
5)剪力墙顶部水平位移验算
其中各墙段对应的顶部水平位移分别为△分别为:

满足。
- 墙体与楼盖基础的连接计算
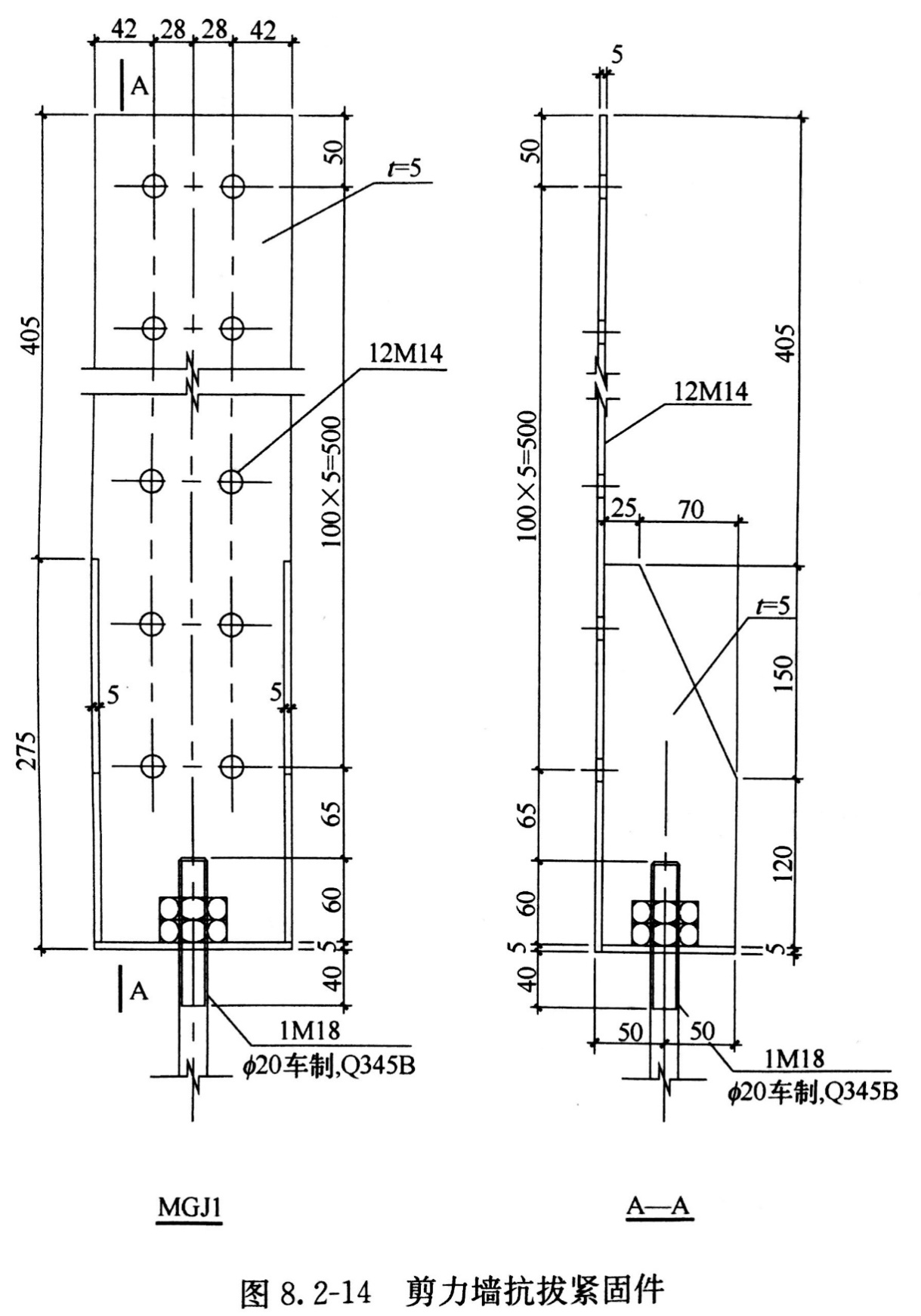
- 剪力墙与楼盖或基础抗拔紧固件(hold-down)验算
以一层沿3轴的剪力墙为例,其连接件最大拉力为(设计值),考虑此墙由重力产生的向下的有力作用力为(恒荷载分项系数为1.0),则最大拉力为kN。

MGJ1 采用 1M18 抗拉,采用 12M14 抗剪:
1个M18抗拉:
1个M14抗剪:
且钢板采用5mm厚Q235B,则14×5×325=22.75kNgt;6.65kN采用12个M14做抗剪,则12×5.09=61.08Kn
单个MGJ1承载力为:
抗拉:75.1kN
抗剪:61.08kN
因此时为双剪连接,且中间木构件厚度(边缘墙骨柱)最小为c=4×38mmgt;5×14=70mm 所以抗剪承载力不需折减。
一层3轴采用2个MGJ1,故
抗拉承载力为2×75.03=150.2kNgt;kN,
抗剪承载力为2×61.08=122.2kNgt;,满足。
- 墙体与楼盖和基础的钉/螺栓连接验算
本节以横向墙体与楼盖基础的连接为例,纵向墙体则不作演示。
1)三层墙体与楼盖的连接
由直径为3.8mm的普通钢钉形成的钉节点的设计承载力为:

由屋盖传来的横向水平地震作用的设计值为:1.3×98.87=128.531kN
所需要的钉子个数为:
颗
二层的横向剪力墙总长为:51m
故钉子间的间距为:
,取钉子的间距为200mm
2)二层墙体与楼盖的连接
由直径为3.8mm的普通钢钉形成的钉节点的设计承载力为:

由屋盖传来的横向水平地震作用的设计值为:1.3×(98.87 188.02)=372.956kN
所需要的钉子个数为:
颗
一层的横向剪力墙总长为:51m
故钉子间的间距为:
,取钉子的间距为70mm
- 筋砼半地下室挡土墙计算
- 半地下室形式
地下室高度3.6m,地面以上高度0.9m,挡土墙高度2.7m墙厚300mm。采用C30混凝土(ftk=2.01 N/mm2,ft=1.43N/mm2,fc=14.3N/mm2),受力钢筋等级为HRB335(fy=300N/mm2,Es=200000N/mm2,ξb=0.55)。室外钢筋保护层厚度40mm,as=50mm;室内钢筋保护层厚度25mm,as=35mm。如下图

- 荷载信息
土侧压力系数K0=0.53(仅用于配筋计算,该系数已综合考虑土压力和地面活荷载分项系数),K1=0.43(仅用于裂缝计算,该系数不考虑土压力和地面活荷载分项系数)。土重度γ=18kN/m3。则土产生的侧压力g=γ·H2·K0=25.758kN/m。地面均布活荷载取q0=20kN/m2,则地面活荷载产生的侧压力q=q0·K0=10.6kN/m。
- 内力计算
室外墙底截面(B点)
1)土压力g作用下:



2)地面活荷载产生的侧压力q作用下:


则墙底部控制截面弯矩M=MBg MBq=31.43kN·m
室内墙跨中截面(C点)
RA=RAg RAq=10.70kN
剪力零点即C点:

剪力零点处(C点)的土侧压力值
跨中最大弯矩:

(4)承载力极限状态计算
墙底截面(B点) | 墙跨中截面C点 | |||
截面有效高度h0=h-as(mm) | 250 | 265 | ||
截面抵抗矩系数αs=M/(α1fcbh02) | 0.035 | 0.014 | ||
相对受压区高度ξ=1-(1-2αs)1/2 | 0.036 | lt;ξb,满足 | 0.014 | lt;ξb,满足 |
钢筋面积计算值As=ξα1fcbh0/fy (mm2) | 426.6 | 177.3 | ||
实配钢筋面积As(mm2) | 直径Φ | 18 | 直径Φ | 14 |
间距 | 150 | 间距 | 150 | |
面积 | 1696 | 面积 | 1026 | |
实际配筋率ρ | 0.565 | 0.342 | ||
gt;ρmin,满足 | gt;ρmin,满足 | |||
最小配筋率ρmin=max(0.2,45ft/fy) | 0.215 | |||
- 正常使用极限状态计算:
1)裂缝计算
墙底截面(B点) | 墙跨中截面C点 | |||
标准组合弯矩Mk=M*(K1/K0)(kN·m) | 25.50 | 11.36 | ||
构件受力特征系数αcr | 2.1 | 2.1 | ||
受拉区纵向钢筋的等效直径deq (mm) | 18 | 16 | ||
保护层厚度c | 40 | 25 | ||
有效受拉混凝土截面面积Ate=0.5bh(mm2) | 150000 | 150000 | ||
有效纵向受拉钢筋配筋率ρte=As/Ate | 0.01131 | gt;0.01 | 0.006842 | lt;0.01 |
取ρte= | 0.01131 | 取ρte= | 0.01 | |
受拉钢筋应力σsk=Mk/(0.87h0·As) (N/mm2) | 69.10 | 48.00 | ||
裂缝间纵向受拉钢筋应变不均匀系数ψ=1.1-0.65ftk/(ρte·σsk)= | -0.57 | lt;0.2 | -1.62 | lt;0.2 |
lt;1.0 | lt;1.0 | |||
取ψ= | 0.20 | 取ψ= | 0.20 | |
最大裂缝宽度 ωmax=αcr·ψ·σsk·(1.9c 0.08deq/ρte)/Es (mm) | 0.030 | 0.018 | ||
lt;[ω]= | 0.2 | lt;[ω]= | 0.2 | |
满足 | 满足 | |||
2)挠度计算:
地下室外墙一般较厚,其计算模型作为单向板,跨高比H/h=12~14,其挠度计算值一般较小,不起控制作用。
- 墙下条形基础计算
- 地质条件
根据勘测报告,拟建场地地势平坦,表面为杂填土;无液化土层分布,稳定地下水位埋深 0.72-1.14m,对钢筋混凝土无侵蚀性。场地土层描述见下表。
层号 | 地层名称 | 颜色 | 状 态 | 特征描述 | 厚度(米)最小/最大 | 地基承载力特征值fak(kPa) |
① | 杂填土 | 灰色 | 松 散 | 主要由风化碎石混杂粘性土组成。全场分布。 | 1 | \ |
②1 | 粉质粘土 | 褐黄色 | 可 塑 | 含铁锰质斑点,夹青灰色条带。干强度高,韧性高。 | 3 | 180 |
②2 | 粉质粘土 | 褐黄色 | 硬 塑 | 局部可塑,含铁锰质结核,干强度高,韧性高,无摇振反应。 | 5 | 240 |
③1 | 安山岩 (强风化) | 灰黄色 | 岩芯呈密实砂土状,夹有未 完全风化岩碎块,遇水极易软化。岩体基本质量等级为 V级。 | 4 | 280 | |
③2 | 安山岩 (中风化) | 灰黄色 | 以短柱柱状为主,裂隙较发育,钻探时未发现漏浆现象。岩体基本质量等级为IV 级。 | 未揭穿 | 4200 |
- 基础材料与设计
基础选用C30混凝土,其抗压强度fc=14.3MPa,抗拉强度ft=1.43MPa钢筋等级HRB400,强度设计值fy=360N/mm2,保护层厚度as=50mm。基础埋深3.1m。
- 计算
取①号轴线上的基础进行验算
基础顶面轴向力:

地基承载力特征值:

基础底面宽度:

取b=1.2m(为满足坡度要求)
基底净反力:

墙边缘处底板的剪力设计值;

基础底板有效高度
取
斜坡坡度验算:
,满足。
受剪承载力验算:

(
--受剪切承载力截面高度影响系数,当h0lt;800mm时,取h0=800mm;当h0>2000mm时,取h0=2000mm)
受剪承载力满足要求。
- 基础底板配筋
基础底板最大弯矩:
理论计算钢筋面积:
选用Φ10@200
以上是毕业论文大纲或资料介绍,该课题完整毕业论文、开题报告、任务书、程序设计、图纸设计等资料请添加微信获取,微信号:bysjorg。
相关图片展示:


