大口径加筋玻璃钢管道的理论研究及有限元分析毕业论文
2020-03-31 12:04:03
摘 要
玻璃钢管道结构设计主要考虑刚度和强度性能。在提高大口径玻璃钢管道的结构性能时,相比于增加壁厚和设计夹砂管道,加筋管具有独特的优势。本文通过对大口径加筋玻璃钢管道的环刚度、内力与屈曲的理论分析,并结合有限元分析,初步确定加筋管结构设计方法。主要内容有:
1.推导理论计算过程,并建立关于加筋管环刚度试验方法的计算公式。通过有限元结果与理论计算进行对比,分析两者获得的加筋管环刚度大小是否基本相同,验证加筋管环刚度有限元分析的合理性。通过对筋环尺寸,形状的设计,探讨筋环大小对管道刚度的影响。
2.对埋地管道进行受力分析,确定加筋管的强度性能,讨论管道在内压作用下的环向内力和在温差载荷下的热应力。
3.讨论管道的外压弹性稳定性,使用ABAQUS进行了管道近似屈曲分析。
关键词:加筋管道,环刚度,管道内力,稳定性,有限元
Abstract
The structural design of glass fiber reinforced plastic pipes mainly considers the stiffness and strength properties. When increasing the structural performance of large-diameter fiberglass pipes, compared to increasing wall thickness and designing sand-filled pipes, reinforced pipes have unique advantages. In this paper, the theoretical analysis of the ring stiffness, internal force and buckling of the large-diameter reinforced FRP pipe and the finite element analysis are used to determine the design method of the reinforced pipe structure. The main contents are as follows:
1. Derive the theoretical calculation process and establish the calculation formula for the stiffened pipe ring stiffness test method. Through the calculation of the example and the analysis of the finite element results, the calculation formulas for the stiffness of the stiffened pipe rings are basically the same, and the rationality of the finite element analysis method for the stiffened pipe ring stiffness is verified.
2. Perform stress analysis on the buried pipeline to determine the strength performance of the stiffened pipe. Discuss the internal force of the pipe under internal pressure and the thermal stress under the temperature difference load.
3. Discuss the elastic stability of the pipeline and use ABAQUS to perform an approximate buckling analysis of the pipeline. The stiffened structure design method is provided by combining the ring stiffness.
Key words: reinforced pipe, ring stiffness, pipe internal force, stability, finite element
目录
摘要 1
Abstract 2
1 绪论 1
1.1 研究背景 1
1.2 玻璃钢管道的性能特点,加筋介绍 1
1.2.1 玻璃钢管道的性能特点 1
1.2.2 玻璃钢管道加筋目的 2
1.3 研究概况 3
1.4 论文的主要工作 4
2 加筋管道的环刚度分析 6
2.1 加筋管道环刚度的理论分析 6
2.1.1玻璃钢管环刚度物理定义 6
2.1.2 一般管道环刚度的计算 7
2.1.3 玻璃钢加筋管的环刚度理论 8
2.2 加筋管环刚度的有限元分析 9
2.2.1 计算实例 10
2.2.1 基于ABAQUS有限元实例分析 11
2.2.2 筋环结构对加筋管环刚度的影响 12
3 加筋管道内力分析 15
3.1 内压引起的环向内力 15
3.2管道轴向热应力 18
3.2.1 管道热应力概念 18
3.2.2 热应力实例计算及有限元模拟 19
4 加筋管道稳定性分析 21
4.1 地下管道载荷分析 21
4.1.1 土压载荷 21
4.2 光壁面管道稳定性理论 24
4.3 加筋管道稳定性理论 25
4.4 基于有限元的管道屈曲分析 26
5 总结与展望 28
5.1 总结 28
5.2 展望 28
参考文献 29
1 绪论
- 研究背景
管道运输是当代运输的主要方式之一,是继公路、铁路、水运和航空之外的当代出产的第五大运输工具,在我国国民经济建设中起着重要作用。
随着经济的发展,对排气排水、电力系统、石油化工、化学工业、水利灌溉等各行各业的运输安全性的要求日益提高,因此,选择适宜的运输管道尤为重要。一些传统管道也会出现安全等方面的问题。例如金属材料管道,像铜管、铁管等,它们在生产过程中能耗大工序多,在酸性或碱性环境下特别容易被腐蚀。混凝土管道虽然经济效益好,但其重量大,不易运输、安装。对于也是近些年兴起的塑料管来说,力学性能差,抗冲击性不佳,刚性差,基本不可能用作大口径管道。
随着玻璃钢管道逐渐兴起,越来越多的人开始重视管道力学性能研究。尽管如此,我国目前在加筋管这一领域研究并不是很多,而加筋管尤其突出优势,具有独特的研究意义。
- 玻璃钢管道的性能特点,加筋介绍
1.2.1 玻璃钢性能特点
玻璃钢管道是一种具有其独特优势的复合材料管道。它是由树脂基体和玻璃纤维经湿法或干法浸胶后逐层缠绕在旋转的芯模上制成的一种复合材料制品。玻璃钢具有复合材料的各向异性、结构与材料的可设计性等特性,因而管壁结构合理先进,能充分发挥材料的作用。与一般管道比较,复合材料管道特点如下:
- 优良的耐腐蚀性能。根据运输介质选择合适的树脂制成玻璃钢管道,可以抵抗各种腐蚀性土壤、酸、碱、盐、氧化剂、有机溶剂及海水、污水等化学介质的长期腐蚀。
- 轻质高强。相对密度在1.5~2.0之间,相比于碳钢,只有其0.25~0.2,但是拉伸强度两者相差却不大,甚至可以超过碳素钢。玻璃钢的比强度较高,与高级合金钢大小接近。因此,在军工上可以用在飞机火箭上,在生活中可以用在高压器械上。
- 输送效率高。玻璃钢管道内壁摩擦系数极小,非常平滑,粗糙系数只有0.0084,远低于其他类型管道,长期使用不结垢。可以有效减少运输过程中的压力损失,增大介质流量,降低能量消耗。
- 温度适应性强。使用温度范围在–40~100℃[4],在0℃以下工作时管道不会像钢管一样破裂,其次选用耐高温树脂可增加管道使用温度。
- 电、热绝缘性好。玻璃钢管道的击穿电压范围为12~16KV/mm,体积电阻率可达到1014Ω·cm,可安全应用于输电、电信线路密集区和多雷区;对导电有特殊要求的管材,可以在树脂中掺杂石墨粉或金属粉来调节导电性能;导热系数仅为0.27W·(cm·℃)-1,保温性能良好[5]。
- 可设计性好。玻璃钢的材料、结构都具有可设计性。一般在生产中都会根据力学性能、运输介质,施工地环境需要,对应设计出各种结构的管道,来满足使用要求;还可以充分选择材料来满足产品的性能,如:可以设计出耐腐的,耐瞬时高温的、产品某方向上有特别高强度的等等[1]。
7)破损安全性好。玻璃钢基体中有大量单独存在的纤维,按照力学理论概念,这种基体属于静不定体系。当管道受到内压力或其它形式的载荷时,强度最小或承受应力最大的纤维最先断裂,然后载荷会迅速重新分配在未被破坏的玻璃纤维上以至于管道不会在短时间内完全被破坏。
当然玻璃钢管道性能也有一定的局限性:
1、玻璃钢管的环刚度相比其他管道偏低,外压承载能力受到限制。相同内压等级的玻璃钢管道的外压承载能力明显低于水泥管道;环向弹性模量约为钢管的1/10,考虑到壁厚直接影响了经济性,因此,需要在考虑管道成本前提下,提高玻璃钢管的刚度。
2、玻璃钢为塑性材料,抗冲击性能较弱。
1.2.2 玻璃钢管加筋目的
众所周知,一般我们在满足内压的情况下都会将玻璃钢管道的壁厚设计的很薄,这可以节约大量成本,但却带来了新问题:环刚度偏低。对于埋地敷设的管道都需要足够的环刚度去抵抗覆土作用下的变形以及外压稳定性。因此为了提高埋地玻璃钢管道的环刚度,一般可以采取三种结构设计的方法:第一种是采用夹砂工艺,即将石英砂作为填充材料放入纤维层中;第二种是使用加筋玻璃钢管道,设置一定结构的筋环;第三种则是加厚管壁t。但增加壁厚显然会大大增加材料的用量增加从而加大制造成本,而且会导致管道强度性能大大富余。使用夹砂管也存在一些问题,主要是石英砂与玻璃纤维是两种不同材料,两者接触位置的质量不容易控制,可能会在变形时造成界面分层以及夹砂层的破坏。对于加筋管道,筋环和光壁管的材料一致,接触界面较为完整。管道加筋除可以增加自身刚度抵抗弯曲变形外,还能节省成本,易于控制产品质量。所以加筋管越来越具有研究价值。
玻璃钢管道其管壁大致分为三层:内村层、结构层、表面层。其中结构层主要承受载荷,所以计算直径D一般是指管道圆心到结构层中心距离,而本文所讨论的大口径管道中直径可以近似认为是其内径。
玻璃钢管道的刚度具有可设计性。如果管材的环刚度太小,有可能铺设过程中就不能保持圆形,不能形成管土共同作用,管材可能发生过大变形或出现屈曲失稳造成破坏。与之相反,如果管道的环刚度太高,则其一定有富裕的惯性矩,出现截面尺寸过大,形状选用不合理,从而导致材料用量多,成本高,经济效益低的问题。因此,如何设计管道结构,将环刚度控制在一个合适的范围内是研究玻璃钢管道很重要的方向。
工程上提高刚度主要是通过提高管壁惯性矩I和玻璃钢弹性模量E两项进行。但由于玻璃钢是层合结构,纤维取向不一,同时,玻璃钢管道设计中需要考虑其它参数,因此,不能只通过改变材料用量来调整其弹性模量。
从材料力学知识可知,为了在减少材料用量的基础上提高惯性矩,可以采用结构壁管,改变管道的截面尺寸或形状,尽量使材料分布在远离形心的位置。对玻璃钢管道而言,加筋可以在用料较少的情况下达到较高的惯性矩,即可以在满足同样环刚度要求时消耗较少的原材料,这对充分利用材料各项性能,提高经济效益很有实际意义。
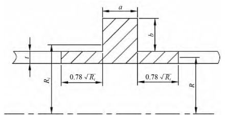
对于普通玻璃钢管道,只需确定壁厚t,管道直径D这些参数就能投入生产,而对加筋玻璃钢管,除需确定光壁管的结构参数外,还需给出筋环的宽度H、高度B以及筋环的截面形状和筋环间距。
- 研究概况
对于埋地敷设管道的受力状况,出于管道运输越来越实用,目前在国内外也有比较多研究。
在埋地管的横向受力方向,它是由斯潘格勒、马斯顿的理论基础上推导后经过沃特金斯修正,形成了我们现在分析管道力学性能时常用的衣阿华公式(M-S公式)。但M-S理论是一个基于理想化假定,理论特别强调管道上部覆土对其垂直方向的施压呈抛物线规律分布;并且马斯理论不考虑管土系统相对刚度、地形地质等因素。现在M-S理论作为分析埋地管道土压力的基础性理论仍在广泛使用,然而经实际测量发现,通过该理论获得的计算值一般偏大,土压力分布规律也与实际测量相差很多。通过分析埋地管道所受土压力的实际测量值,我国的王位升教授等归纳了管道垂直方向上土压力计算的修正系数,修正了M-S理论计算的一部分参数。
在埋地管道纵向受力方向,1960年,纽马克在土体与管道一起运动的假设基础上,在忽略惯性力对管道的作用的情况下进行了埋地管道的振动研究,提出了Newmark 算法。1970之后,日本研究人员对覆土与管道之间的相互作用进行研究,建立了弹性地基梁模型理论来分析管土相互作用[17]。在弹性地基梁模型基础上,parmelee等人提出了半弹性空间的概念。1979年,穆勒斯基、阿尔曼等人提出了圆柱壳理论,他们通过假定管道为各向同性的圆柱壳,厚度薄、有弹性、并且处于粘弹性介质中,以此为基础就可以研究埋地管道的弹性失稳、破坏状态,而且可以研究管道在弯曲变形状态下的位移情况。1997年,李卓求教授出版了玻璃钢管道与容器一书,里面详细介绍了地上与地下铺设的玻璃钢管道、卧式储罐、立式储罐、运输储罐的结构分析、强度、刚度和稳定计算理论及设计方法;介绍了产品的纤维缠绕法制造工艺和产品的安装方法,叙述了原材料、玻璃钢的基本性能[26];还介绍了层合板完基本计算理论及连接等有关基础知识。
最近几年,得益于计算机技术的快速发展,有限元法被广泛用于管土相互作用分析和埋地管道力学仿真模拟,并取得了较好的效果。
现阶段无论国内还是国外关于加筋管的实验方法较少,武汉理工大学力学系有对加筋管的环刚度进行理论分析以及有限元优化设计。本文中对加筋管进行了初步基础理论分析,然后通过ABAQUS加以验证。
- 论文主要工作
玻璃钢管道在运输行业中起着越来越重要作用,工程上生产管道需考虑其力学性能。在提高大口径玻璃钢管道的结构性能中,相比于增加壁厚和设计树脂砂浆夹层,加筋具有其独特的优势。本文即通过对大口径加筋玻璃钢管道进行环刚度、强度与稳定性理论分析和有限元分析,确定了优化其结构设计的方法。主要内容有:
1. 推导理论计算过程,并建立关于加筋管环刚度试验方法的计算公式。通过有限元结果与理论计算进行对比,分析两者获得的加筋管环刚度大小是否基本一致,验证加筋管环刚度有限元分析的合理性。
2.对埋地管道进行受力分析,确定加筋管的强度性能,讨论管道在内压作用下的环向内力和在温差载荷下的热应力。
3.探讨地下管道外压作用下的弹性稳定性理论,并用ABAQUS进行了管道的近似屈曲分析。
2 加筋玻璃钢管道的环刚度分析
材料的刚度一般可用单位变形外力来衡量。与刚度有关的两个力学性能指标是弹性模量E和剪切模量G。 结构的刚度除取决于组成材料的弹性模量外,还同其几何形状 、边界条件等因素以及外力的作用形式有关[28]。在工程设计中如何去根据具体情况来选用合适的刚度是一项重要工作。对于一些需要严格控制形变的部件,制造时要利用刚度分析来控制变形。许多结构同样需要控制刚度来防止发生振动和失稳。
管道的环刚度是表征它承受环向压力、抵抗环向变形并保持稳定的一个可靠参数。由于玻璃钢管道的结构尺寸及玻璃纤维弹性模量具有可设计性。其环向弹性模量比钢材要低1个数量级,加之壁厚有限,玻璃钢管道通常被划分为柔性管。对于埋地敷设的玻璃钢管道来说,在一定压力作用下会使其产生变形,因此,玻璃钢管的环刚度是必须重视研究的关键问题。
2.1 加筋管环刚度的理论分析
2.1.1 环刚度物理定义
目前在埋地敷设管道的设计计算方面还没有完全一致的方法,比较常用的是以SpanglerR公式作为计算埋地柔性管外压负载下变形量的基础公式。

物理含义可简化为:

根据承受负载的管土共同作用,从以上公式中我们可以看到管道的结构性能是决定能否承受外压力的重要参数,这个管材参数由三个由材料、结构和尺寸决定[28]:

Ep ---管材短期的弹性模量(kN/m2)
Ip ----管道纵截面每延米管壁的惯性矩(m4/m)
Ro ----管道计算半径(管壁中性轴半径)(m)
所以,从理论上讲,工程中进行埋地管道结构尺寸设计的时候,首先要确定管材参数,才能进入生产环节。但是,在实践中个参数值不容易计算出来。首先,玻璃纤维的弹性模量不好测量,采用不同型号和不同配方的原材料都会导致弹性模量有很大变化。此外,管壁截面的惯性矩很难计算(埋地管道一般采用结构壁管,结构截面常常是比较复杂的几何形状),结构尺寸(如壁厚)的变动会造成惯性矩明显变化[28]。那么如果我们要在实际生产和应用中保证管材参数,让管道在使用时有良好的经济性、安全性,我们必须另辟蹊径,因此我们引入环刚度这个概念,国际标准ISO对于环刚度SN的定义是:(单位是KN/m2)

E---材料的弹性模量
以上是毕业论文大纲或资料介绍,该课题完整毕业论文、开题报告、任务书、程序设计、图纸设计等资料请添加微信获取,微信号:bysjorg。
相关图片展示:









